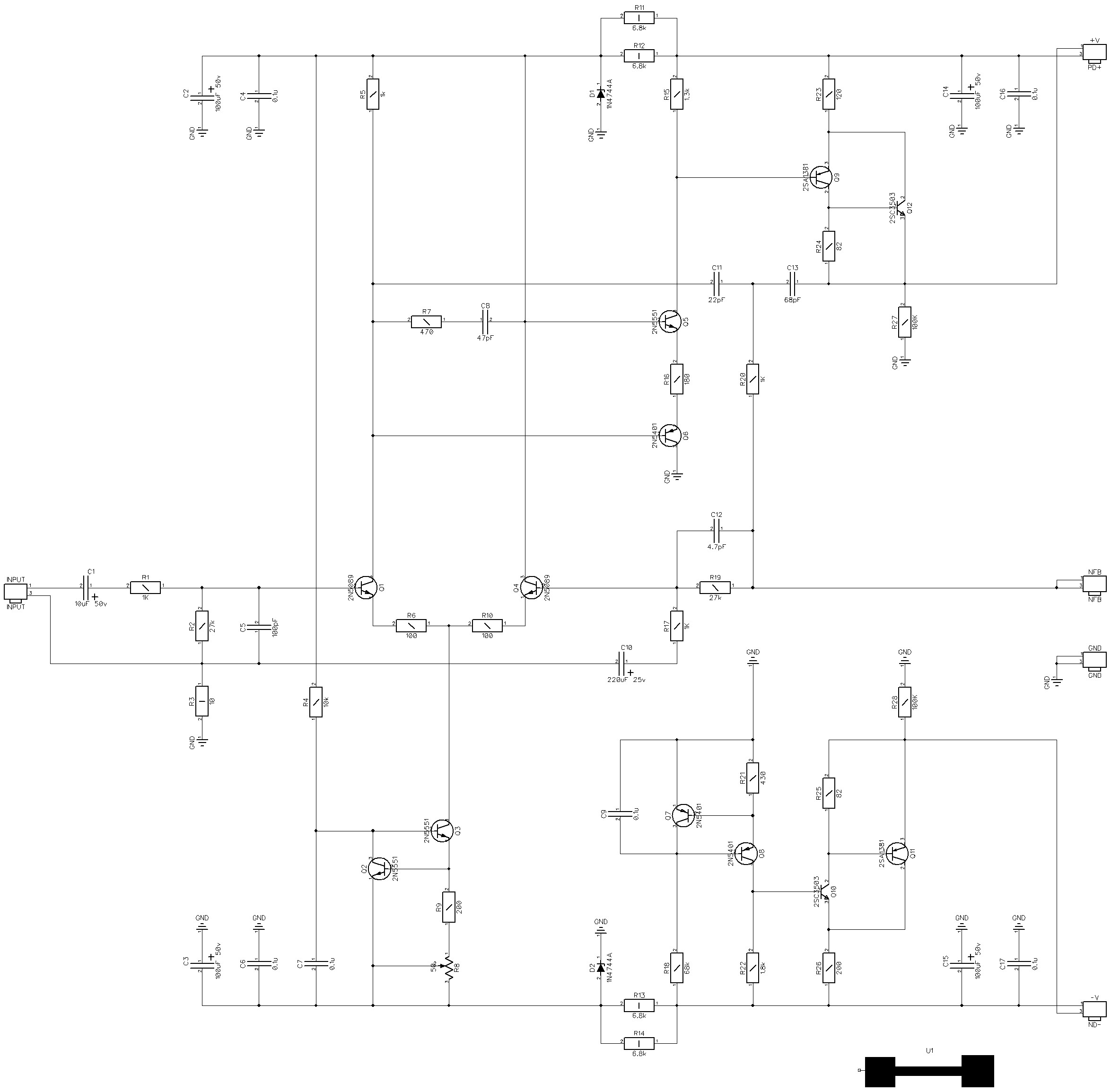
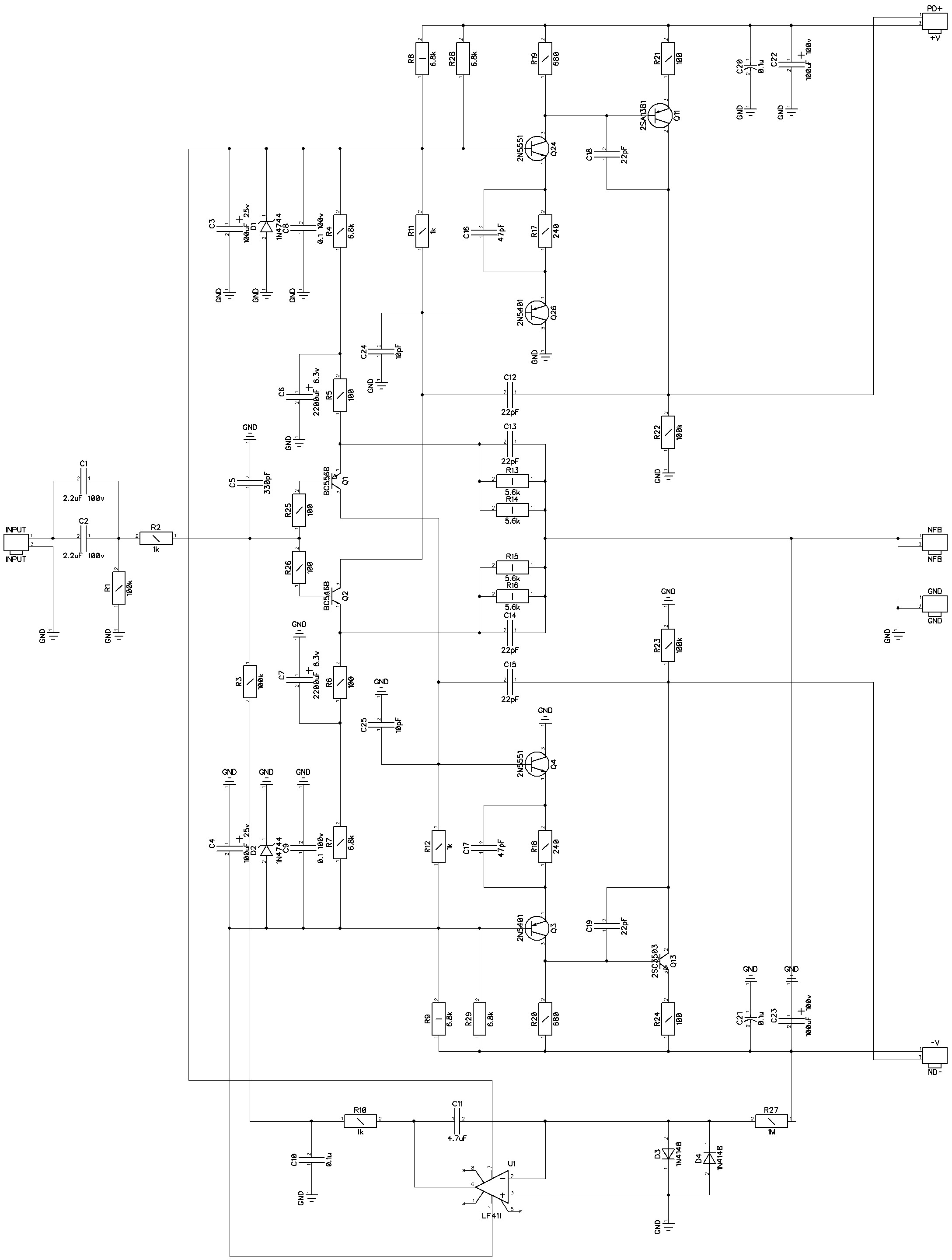
Как обещал ранее в >этой< ветке, привожу несколько секций усиления по напряжению, хорошо зарекомендовавших себя в реальных конструкциях.
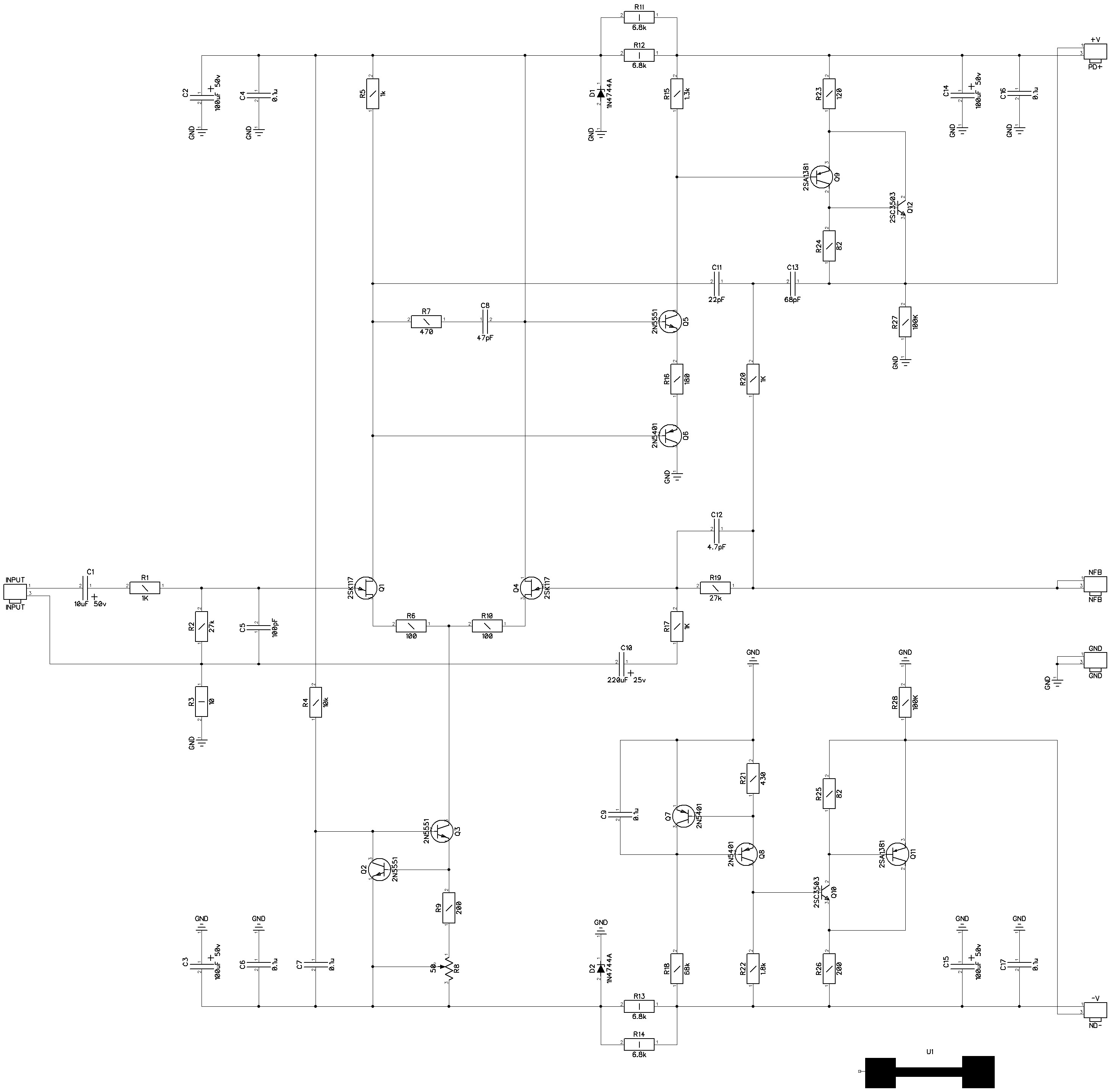
Первые несколько вариантов основаны на интересной структуре, опубликованной инженерами Sansui в 1978 году (соответствующая работа есть в библиотеке AES) и названной ими Комплиментарный Дифференциальный Каскад - схематично выглядит вот так:
![]()
Такая структура обеспечивает высокую скорость и хорошую фазовую характеристику.
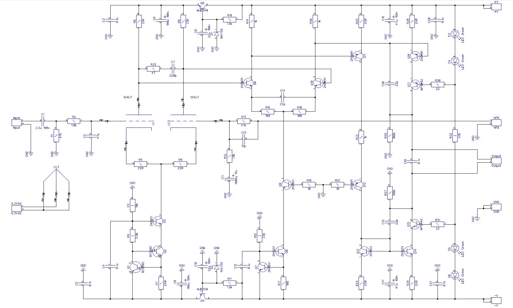
Кроме того, я покажу гибридную схему с двойным триодом 12AU7 во входном каскаде - малошумящая, с низким уровнем интермодуляционных (и всех других) искажений, отлично звучащую.
Итак, первый вариант - с ОООС по напряжению (VFA), биполярные транзисторы на входе (весьма малошумящие).





Социальные закладки