Показано с 1 по 19 из 19

Тема: Ламповаый усилитель с блоком питания на ТАН 41-220-50

  1. #1
    Старый знакомый
    Автор темы

    Регистрация
    21.01.2011
    Адрес
    город Петрозаводск
    Сообщений
    580

    По умолчанию Ламповаый усилитель с блоком питания на ТАН 41-220-50

    Всем добрый день
    Посоветуйте пожалуйста схемку и печатку лампового усилителя.Который может питаться от одного или даже двух ТАН 41-220-50.
    Просто хочеться попробовать собрать хорошо звучащий ламповый усь.Есть такие трансформаторы и любые из этих ламп (Пару штучек на усилитель из этих мне предоставят бесплатно.Главное отчитаться о их приминение)
    6П9
    6А2П
    6Ж4
    6Ж8
    6Ж9П
    6Ж10П
    12Ж1Л
    12П17Л
    6С2С
    12С3С
    6Н2П
    6Н3П
    6Н6С
    6Н7C
    6Н8C
    6П3С
    6П6С
    6П14П-ЕВ
    6П31С
    6П36С
    6П45С
    Г807
    ГУ-50
    5Ц3С
    5Ц4М
    СГ1П-ЕВ

    Заранее спасибо.

  2. #2
    Завсегдатай
    Регистрация
    07.08.2011
    Адрес
    из Сумеречной зоны
    Сообщений
    1,384

    По умолчанию Re: Ламповаый усилитель с блоком питания на ТАН 41-220-50

    ТАН 41-220-50, как и ТАН 41-127/220-50, не подойдёт, так как у него нет обмоток с нормальным анодным напряжением.

    Нажмите на изображение для увеличения. 

Название:	tan24-46.gif 
Просмотров:	2837 
Размер:	37.3 Кб 
ID:	142608 Нажмите на изображение для увеличения. 

Название:	tan-on.gif 
Просмотров:	2176 
Размер:	24.1 Кб 
ID:	142609

    А начать можно с этой вот неплохой конструкции:

    Нажмите на изображение для увеличения. 

Название:	sc1.gif 
Просмотров:	6634 
Размер:	17.7 Кб 
ID:	142610 Двухтактный ул&#11.doc

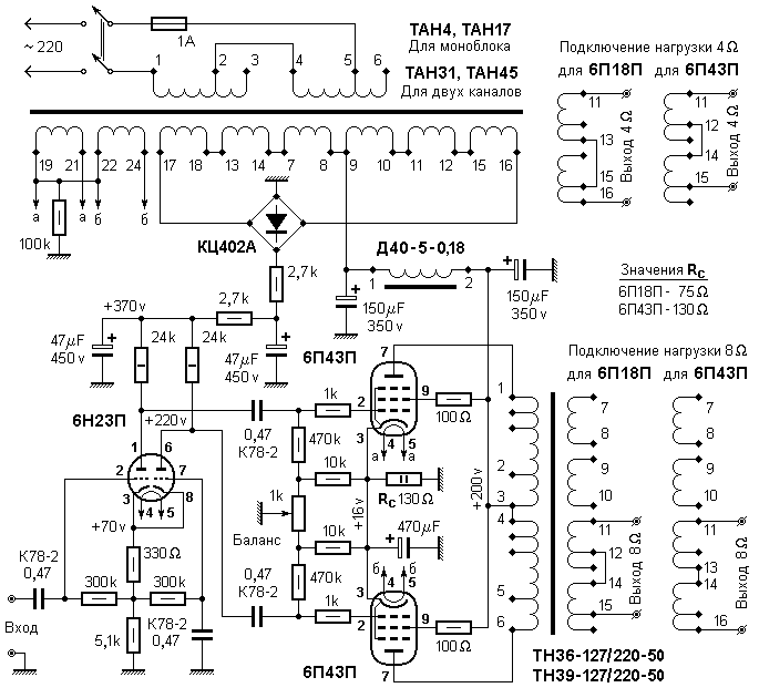
    Вместо EL84 надо поставить 6П14П-ЕВ, остальные замены - на схеме и в тексте.

    А вот так выглядит монтаж - простой навесной, без печатных плат:

    Нажмите на изображение для увеличения. 

Название:	tan-mounting_s.jpg 
Просмотров:	2091 
Размер:	66.0 Кб 
ID:	142612 Нажмите на изображение для увеличения. 

Название:	tan-overview_s.jpg 
Просмотров:	1807 
Размер:	37.8 Кб 
ID:	142613

  3. #3
    Завсегдатай
    Регистрация
    07.08.2011
    Адрес
    из Сумеречной зоны
    Сообщений
    1,384

    По умолчанию Re: Ламповаый усилитель с блоком питания на ТАН 41-220-50

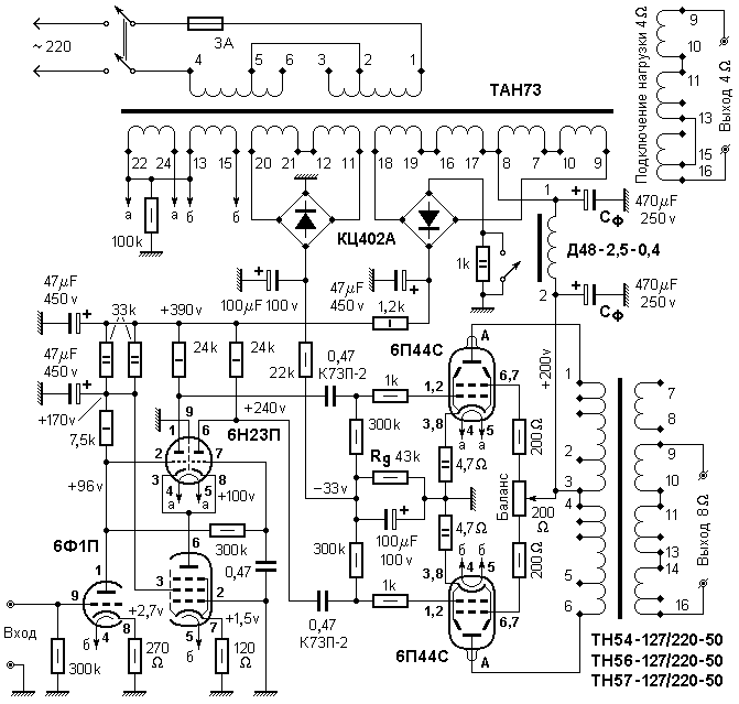
    И ещё немного схемок для начинающих: Практические с&#10.doc

    Нажмите на изображение для увеличения. 

Название:	tntv2.gif 
Просмотров:	3666 
Размер:	20.1 Кб 
ID:	142635 Нажмите на изображение для увеличения. 

Название:	tntv3.gif 
Просмотров:	3658 
Размер:	18.5 Кб 
ID:	142636Нажмите на изображение для увеличения. 

Название:	tntv4.gif 
Просмотров:	3412 
Размер:	19.8 Кб 
ID:	142637

    Может чего пригодиться...

    Хотя если соединить последовательно вторичные обмотки двух трансов ТАН 41-220-50, то можно набрать анодное больше 220 вольт, и запитать два канала усилителя на 6Ф5П.
    Последний раз редактировалось Alex-master; 19.12.2011 в 20:46.

  4. #4
    Старый знакомый
    Автор темы

    Регистрация
    21.01.2011
    Адрес
    город Петрозаводск
    Сообщений
    580

    По умолчанию Re: Ламповаый усилитель с блоком питания на ТАН 41-220-50

    спасибо

  5. #5
    Старый знакомый
    Регистрация
    10.02.2008
    Сообщений
    488

    По умолчанию Re: Ламповаый усилитель с блоком питания на ТАН 41-220-50

    Цитата Сообщение от Дима1 Посмотреть сообщение
    хочеться попробовать собрать хорошо звучащий ламповый усь
    При нагрузке 220 кОм и токе анода менее 1го мА (1я схема 1я лампа) вряд ли можно рассчитывать
    на хорошее звучание. Диапазон частот сверху будет ограничен.
    С уважением.

  6. #6
    Новичок
    Регистрация
    13.07.2009
    Сообщений
    42

    По умолчанию Re: Ламповаый усилитель с блоком питания на ТАН 41-220-50

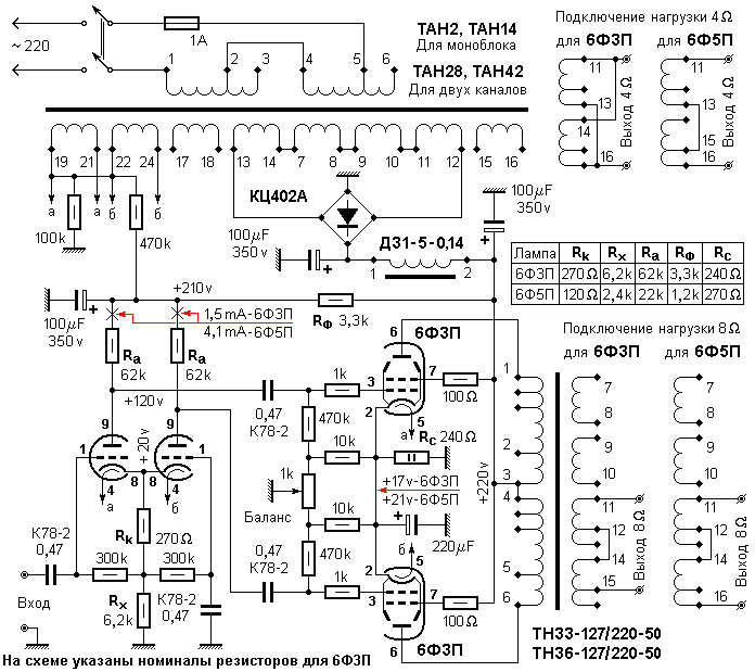
    Дима1, если взять два трансформатора ТАН-41 и соединить все вторичные обмотки 7-8, 9-10, 11-12, и 13-14 последовательно, то получится уже 224 Вольта переменного тока при рабочем токе 375 мА. После выпрямления и фильтрования получится не менее 300 Вольт постоянного тока при токе нагрузки примерно 300 мА. Можно увеличить это напряжение, подключая последовательно обмотки 15-16 и 17-18. Это уже нормально, хватит для большинства схем ламповых усилителей.

    Серьёзный вопрос: для лампового усилителя нужны выходные трансформаторы, которые надо намотать или приобрести. Это самая главная деталь, очень непростая.

    Исходя из имеющихся ламп можно подбирать схему конкретного усилителя, решать вопрос с выходными трансформаторами и дальше задавать вопросы более конкретно.

  7. #7
    Старый знакомый
    Автор темы

    Регистрация
    21.01.2011
    Адрес
    город Петрозаводск
    Сообщений
    580

    По умолчанию Re: Ламповаый усилитель с блоком питания на ТАН 41-220-50

    Да пожалуй действительно для начала надо найти выходной трансформатор

    ---------- Добавлено в 22:20 ---------- Предыдущее сообщение в 22:18 ----------


  8. #8
    Частый гость Аватар для ig67
    Регистрация
    05.06.2010
    Адрес
    г. Донецк
    Сообщений
    231

    По умолчанию Re: Ламповаый усилитель с блоком питания на ТАН 41-220-50

    ТАН-41 можно использовать если анодное сделать с удвоением напряжения, тока обмотки хватит. Проверено неоднократно. Под нагрузкой получается порядка 280-290В. 6п14 и подобные работают без проблем

  9. #9
    Старый знакомый
    Автор темы

    Регистрация
    21.01.2011
    Адрес
    город Петрозаводск
    Сообщений
    580

    По умолчанию Re: Ламповаый усилитель с блоком питания на ТАН 41-220-50

    можете схемку скинуть уся там где использовали ТАН

  10. #10
    Завсегдатай
    Регистрация
    07.08.2011
    Адрес
    из Сумеречной зоны
    Сообщений
    1,384

    По умолчанию Re: Ламповаый усилитель с блоком питания на ТАН 41-220-50

    Усилитель-то из третьего поста, первый. А получить нужное анодное напряжение можно на схеме удвоения:

    Нажмите на изображение для увеличения. 

Название:	2_21.png 
Просмотров:	1715 
Размер:	18.0 Кб 
ID:	142690

    На всякий случай - схема учетверения напряжения:

    Нажмите на изображение для увеличения. 

Название:	1-1-5.gif 
Просмотров:	1539 
Размер:	4.0 Кб 
ID:	142691

    И книга полезная - "300 схем источников питания":

    http://www.cqham.ru/forum/attachment...9&d=1265119870
    Последний раз редактировалось Alex-master; 20.12.2011 в 21:16.

  11. #11
    Старый знакомый
    Автор темы

    Регистрация
    21.01.2011
    Адрес
    город Петрозаводск
    Сообщений
    580

    По умолчанию Re: Ламповаый усилитель с блоком питания на ТАН 41-220-50

    а какйе номиналы

  12. #12
    Завсегдатай
    Регистрация
    07.08.2011
    Адрес
    из Сумеречной зоны
    Сообщений
    1,384

    По умолчанию Re: Ламповаый усилитель с блоком питания на ТАН 41-220-50

    А вот скачай и почитай книжечку -- и сможешь расчитать сам!

    Подскажу - страница № 9...
    Последний раз редактировалось Alex-master; 20.12.2011 в 21:15.

  13. #13
    Частый гость Аватар для ig67
    Регистрация
    05.06.2010
    Адрес
    г. Донецк
    Сообщений
    231

    По умолчанию Re: Ламповаый усилитель с блоком питания на ТАН 41-220-50

    И первая и вторая из поста №3 вполне подойдут. Если вместо ТН на выход поставить от "Днепра" и подобных и звук получше будет

  14. #14
    Частый гость Аватар для Voldemar
    Регистрация
    18.09.2005
    Адрес
    СПБ
    Сообщений
    138

    По умолчанию Re: Ламповаый усилитель с блоком питания на ТАН 41-220-50

    Цитата Сообщение от Дима1 Посмотреть сообщение
    ...Просто хочеться попробовать собрать хорошо звучащий ламповый усь.Есть такие трансформаторы и любые из этих ламп
    У Вас нет самого главного - хороших выходных трансформаторов

  15. #15
    Завсегдатай
    Регистрация
    07.08.2011
    Адрес
    из Сумеречной зоны
    Сообщений
    1,384

    По умолчанию Re: Ламповаый усилитель с блоком питания на ТАН 41-220-50

    Цитата Сообщение от Дима1 Посмотреть сообщение
    попробовать собрать
    можно и с ТАН-ами, и с ТН-ами.

    Цитата Сообщение от Voldemar Посмотреть сообщение
    У Вас нет самого главного - хороших выходных трансформаторов
    На данном этапе это не принципиально.

  16. #16
    Частый гость Аватар для Voldemar
    Регистрация
    18.09.2005
    Адрес
    СПБ
    Сообщений
    138

    По умолчанию Re: Ламповаый усилитель с блоком питания на ТАН 41-220-50

    Цитата Сообщение от Alex-master Посмотреть сообщение
    ...На данном этапе это не принципиально.
    Потом будет 2-ая часть "Марлезонского балета"

  17. #17
    Старый знакомый
    Автор темы

    Регистрация
    21.01.2011
    Адрес
    город Петрозаводск
    Сообщений
    580

    По умолчанию Re: Ламповаый усилитель с блоком питания на ТАН 41-220-50

    Выходные трансформаторы есть с Радиолы "Ригонда 102 стерео" 2шт.Как в прочем и платы усилителя и лампы вроде гдето есть от них.
    Че с ними делать пытаться запитать от тана или снять трансформаторы?

    ---------- Добавлено в 23:18 ---------- Предыдущее сообщение в 23:13 ----------

    Вот из такой снято http://rw6ase.narod.ru/000/rpl_s1/rigonda_s.html

  18. #18
    Завсегдатай
    Регистрация
    07.08.2011
    Адрес
    из Сумеречной зоны
    Сообщений
    1,384

    По умолчанию Re: Ламповаый усилитель с блоком питания на ТАН 41-220-50

    Цитата Сообщение от Дима1 Посмотреть сообщение
    Выходные трансформаторы есть с Радиолы "Ригонда 102 стерео" 2шт.Как в прочем и платы усилителя и лампы вроде гдето есть от них.
    Че с ними делать пытаться запитать от тана или снять трансформаторы?
    А на эту тему уже была ветка: https://forum.vegalab.ru/showthread....НЧ-Ригонда-102

    Там всего 6 страниц.

  19. #19
    Новичок
    Регистрация
    21.01.2014
    Сообщений
    8

    По умолчанию Re: Ламповаый усилитель с блоком питания на ТАН 41-220-50

    Нажмите на изображение для увеличения. 

Название:	T7KkP1AZyss.jpg 
Просмотров:	1884 
Размер:	128.0 Кб 
ID:	204941
    Вот вам, суровый челябинский множитель

Социальные закладки

Социальные закладки

Ваши права

  • Вы не можете создавать новые темы
  • Вы не можете отвечать в темах
  • Вы не можете прикреплять вложения
  • Вы не можете редактировать свои сообщения
  •