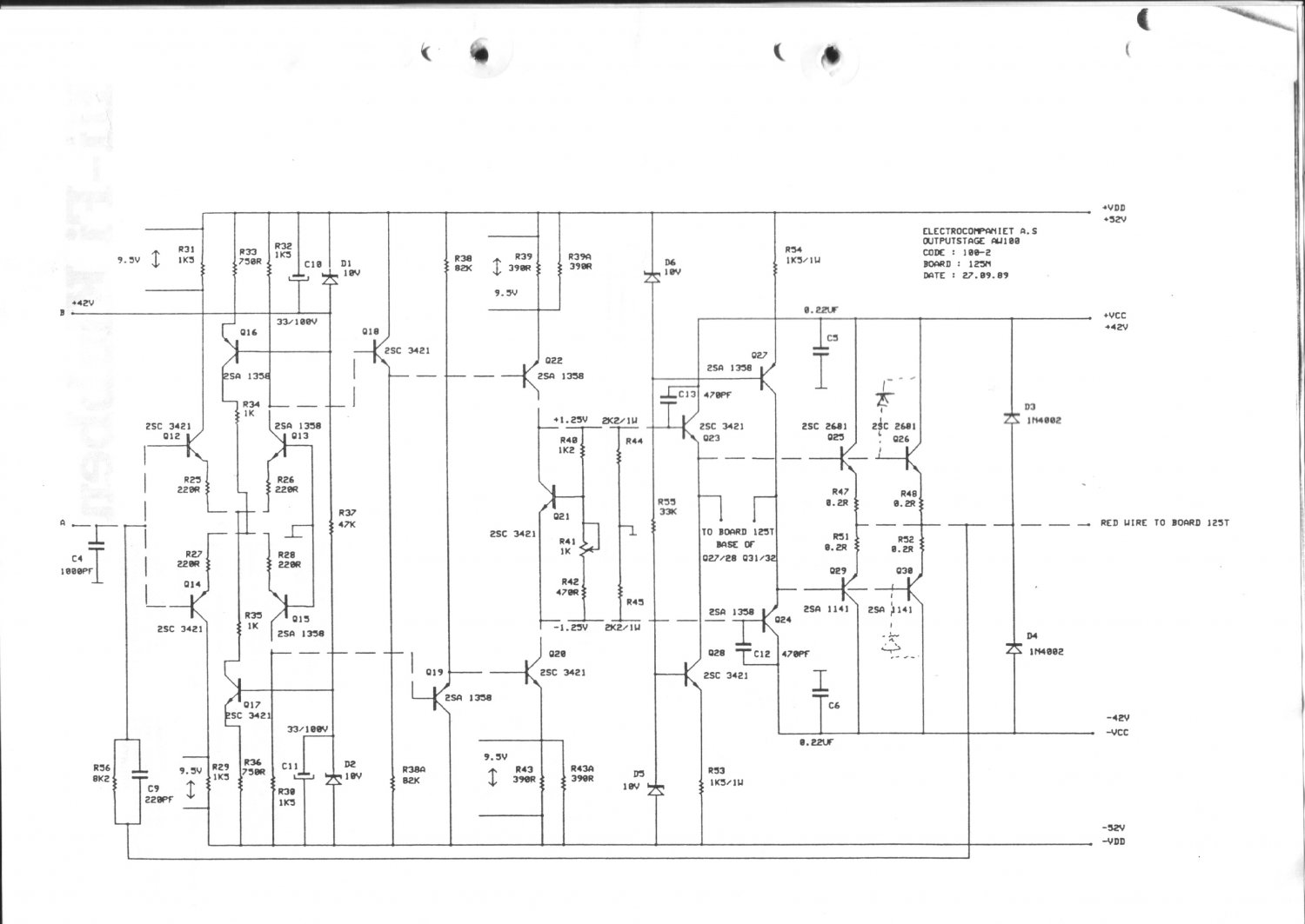
Здесь https://forum.vegalab.ru/showthread.php?t=33565 предложена идея: строить 2ой каскад УН по схеме ОК-ОБ на комплементарных транзисторах. Такой каскад отличается низкими искажениями и широкой полосой.
В новой схеме токи покоя и коэфф-ты усиления каскадов соответствуют оригиналу.
Слева - моя схема, справа - Сагиттариуса.
Фишки моей: каскады развязаны по питанию, сбалансированы, баланс каскадов не зависит друг от друга, УН не чувствителен к шумам источников питания
Коррекцию добавить по необходимости, RC-цепочки, минимизирующие колебания мощности транзисторов ДК - по вкусу.
Социальные закладки