Страница 1 из 3 123 Последняя
Показано с 1 по 20 из 54

Тема: Усилитель напряжения

  1. #1
    Хам, просто хам... (навсегда)
    Автор темы
    Аватар для Sagittarius
    Регистрация
    25.10.2007
    Сообщений
    1,645

    По умолчанию Усилитель напряжения

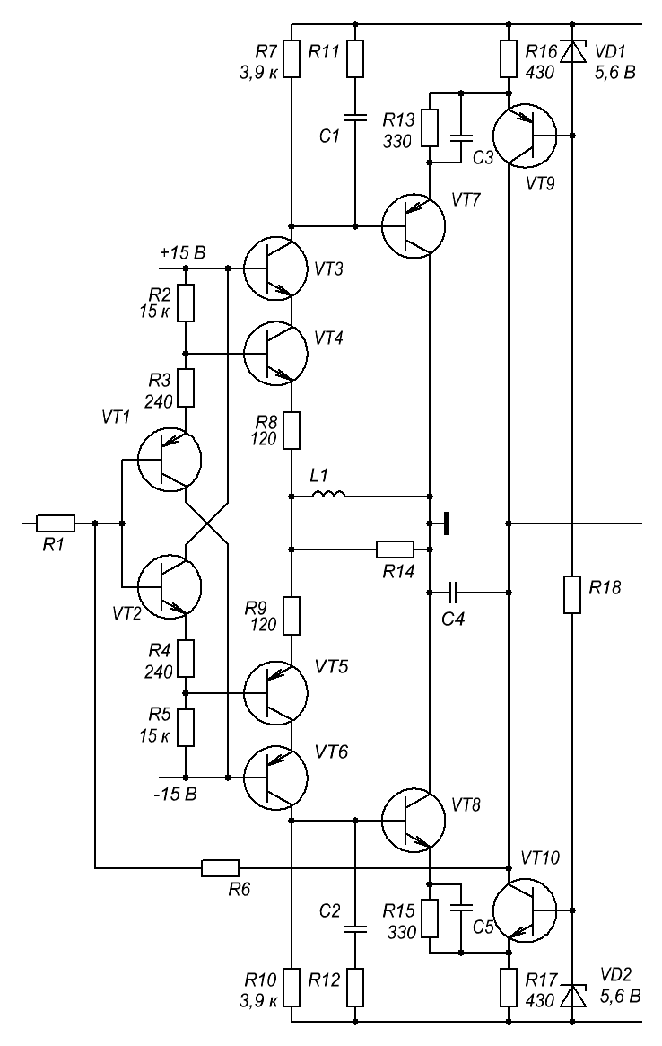
    Вот такая топология, отнюдь не единственная.
    Усь рассчитан под глубокую, децибел около 56, ООСь.
    Работа схемы, ИМХО, вопросов не вызовет.
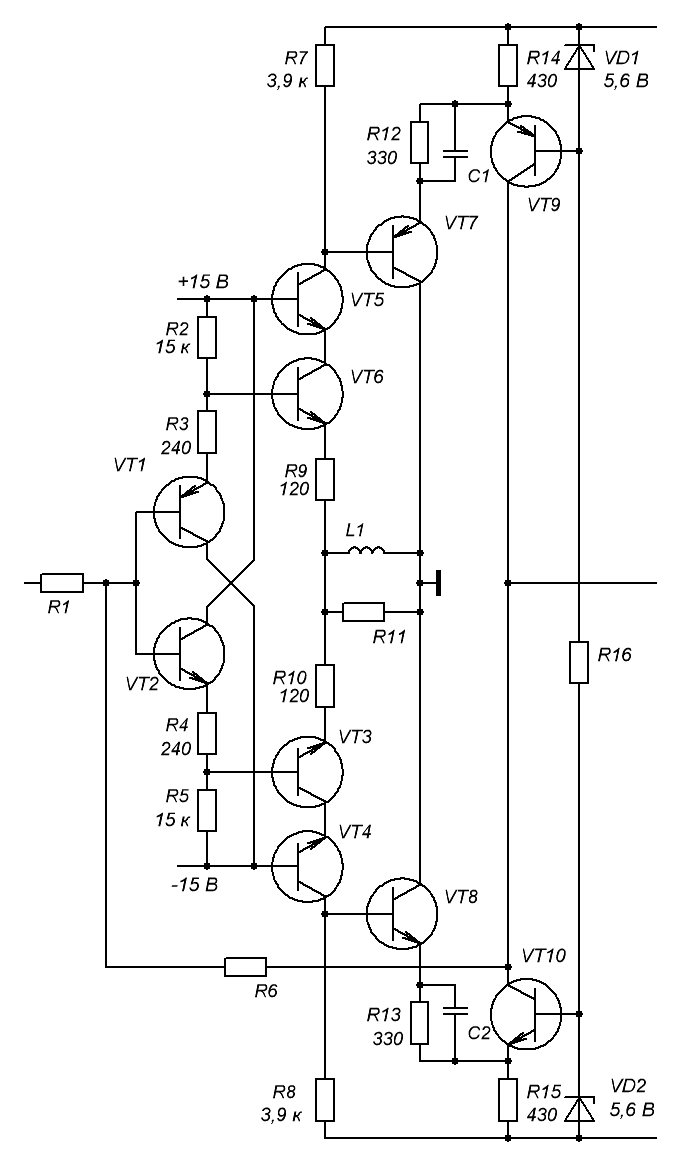
    Миниатюры Миниатюры Нажмите на изображение для увеличения. 

Название:	ИМХО.GIF 
Просмотров:	1962 
Размер:	22.8 Кб 
ID:	76381   Нажмите на изображение для увеличения. 

Название:	ИМХО-2.GIF 
Просмотров:	1773 
Размер:	25.1 Кб 
ID:	76473  
    Последний раз редактировалось Sagittarius; 12.02.2010 в 01:30.

  2. #2
    Частый гость
    Регистрация
    21.06.2008
    Сообщений
    348

    По умолчанию Re: Усилитель напряжения

    Цитата Сообщение от Sagittarius Посмотреть сообщение
    Работа схемы, ИМХО, вопросов не вызовет.
    Вызывает, так как транзисторы VT3 и VT4 не той проводимости.

  3. #3
    Завсегдатай Аватар для SAPR
    Регистрация
    01.12.2009
    Адрес
    Геленджик - СПб
    Возраст
    64
    Сообщений
    3,943

    По умолчанию Re: Усилитель напряжения

    Цитата Сообщение от Sagittarius Посмотреть сообщение
    Работа схемы, ИМХО, вопросов не вызовет.
    Тогда что обсуждать? (разве что исправить опечатки).

  4. #4
    Старый знакомый Аватар для krulfa
    Регистрация
    09.06.2005
    Адрес
    Москва
    Возраст
    55
    Сообщений
    869

    По умолчанию Re: Усилитель напряжения

    1. Какой смысл городить каскод в лице VT5, VT4 и не делать его для VT9, VT10? Помех по питанию бояться?
    2. Зачем такие большие номиналы R7, R14 (R8, R15)? Можно раз в 5 скостить и уменьшить амплитуды сигнала вместе с этим. Заодно и стабилитроны на 5.6 заменить образцовыми источниками 1.25В.
    3. Про резистор последовательно с C1, С2 уже писал.
    4. И наконец, идея коррекции на опережение с указанными номиналами дошла-таки до своего конца. В смысле тупика, то есть "крышки". Усиление по току каскада VT7, VT8 торжественно равно 12. Мы за полосой усиления гонимся?
    "Земля" - это всего-навсего еще один провод.

  5. #5
    Частый гость
    Регистрация
    21.06.2008
    Сообщений
    348

    По умолчанию Re: Усилитель напряжения

    Цитата Сообщение от krulfa Посмотреть сообщение
    2. Зачем такие большие номиналы R7, R14 (R8, R15)? Можно раз в 5 скостить и уменьшить амплитуды сигнала вместе с этим. Заодно и стабилитроны на 5.6 заменить образцовыми источниками 1.25В.
    Это лучше оставить как есть.

  6. #6
    Завсегдатай Аватар для SAPR
    Регистрация
    01.12.2009
    Адрес
    Геленджик - СПб
    Возраст
    64
    Сообщений
    3,943

    По умолчанию Re: Усилитель напряжения

    Цитата Сообщение от krulfa Посмотреть сообщение
    1. Какой смысл городить каскод в лице VT5, VT4 и не делать его для VT9, VT10? Помех по питанию бояться?
    2. Зачем такие большие номиналы R7, R14 (R8, R15)? Можно раз в 5 скостить и уменьшить амплитуды сигнала вместе с этим. Заодно и стабилитроны на 5.6 заменить образцовыми источниками 1.25В.
    Вложение:

  7. #7
    Завсегдатай Аватар для misha88
    Регистрация
    21.02.2006
    Сообщений
    2,067

    По умолчанию Re: Усилитель напряжения

    SAPR, в базы VT9 и VT11 обязательны резисторы минимум 22 Ом, иначе схема может завестись.

  8. #8
    Хам, просто хам... (навсегда)
    Автор темы
    Аватар для Sagittarius
    Регистрация
    25.10.2007
    Сообщений
    1,645

    По умолчанию Re: Усилитель напряжения

    Цитата Сообщение от krulfa Посмотреть сообщение
    1. Какой смысл городить каскод в лице VT5, VT4 и не делать его для VT9, VT10? Помех по питанию бояться?
    2. Зачем такие большие номиналы R7, R14 (R8, R15)? Можно раз в 5 скостить и уменьшить амплитуды сигнала вместе с этим. Заодно и стабилитроны на 5.6 заменить образцовыми источниками 1.25В.
    3. Про резистор последовательно с C1, С2 уже писал.
    4. И наконец, идея коррекции на опережение с указанными номиналами дошла-таки до своего конца. В смысле тупика, то есть "крышки". Усиление по току каскада VT7, VT8 торжественно равно 12. Мы за полосой усиления гонимся?
    1. Как объяснял Агеев, в каскоде от базы"нижнего" на эмиттер "верхнего" транзистора есть два пути: прямой - через Скб и с инверсией - через каскад с ОЭ. На ВЧ побеждает прямой путь, поэтому каскод не столь широкополосен, как чистый ОБ. В позициях Т3, Т6 нам выгодно применить транзисторы с высокой бетой, а над ними - с высоким Укб.
    2. Номиналы ещё и маленькие. Костить их - ни в коем, от них Ку зависит. То же самое, если стабы поставить низковольтные - тогда прощай, усиление.
    3. Это правильное замечание. Но и схема-то каркасная, на поругание.
    4. Мы тут гонимся за согласованием низкого входного ОБ Т9, Т10 и высокого выходного - Т4, Т5. Правильное согласование повышает Ку более чем на порядок величины, ещё и на линеаризацию преобразования напряжение/выходной ток с помощью рез. 12, 13 запас остаётся.

  9. #9
    Завсегдатай Аватар для Andrey Orloff
    Регистрация
    22.08.2005
    Адрес
    Irkutsk
    Возраст
    59
    Сообщений
    1,892

    По умолчанию Re: Усилитель напряжения

    Мои имхи:
    каскод на входе УН вреден, черезвычайно
    каскод на выходе полезен, также - и того троечка - "ОК-ОБ-ОБ" и будет все ОК..

  10. #10
    Старый знакомый Аватар для krulfa
    Регистрация
    09.06.2005
    Адрес
    Москва
    Возраст
    55
    Сообщений
    869

    По умолчанию Re: Усилитель напряжения

    Цитата Сообщение от Sagittarius Посмотреть сообщение
    ... в каскоде от базы"нижнего" на эмиттер "верхнего" транзистора есть два пути: прямой - через Скб и с инверсией - через каскад с ОЭ. На ВЧ побеждает прямой путь, поэтому каскод не столь широкополосен, как чистый ОБ.
    Да. Агеев пишет правильно, только здесь VT7, VT8 - это каскад ОК, а не ОЭ, поэтому упомянутого сужения полосы не будет.
    В позициях Т3, Т6 нам выгодно применить транзисторы с высокой бетой, а над ними - с высоким Укб.
    Пусть первый каскод остается, я в общем-то не против.

    2. Номиналы ещё и маленькие. Костить их - ни в коем, от них Ку зависит.
    Какой именно Ку - поподробнее пожалуйста. Коэфициент усиления по току каскада на Т7, Т8 жестко определяется соотношением резисторов R7/R12 (R8/R13). Номиналы можно уменьшать до тех пор, пока они не станут сопоставимы с величиной динамического rэ Т7 и Т9 (Т8 и Т10), а это несколько Ом. То есть R7 до 30-70 Ом можно уменьшать спокойно, что несколько расширит полосу частот. Я бы поставил R12 = 43 Ом и делал бы эти дорожки на плате как линии с волновым сопротивлением 50 Ом. Для коррекции на опережение сопротивление 43 Ом еще есть куда шунтировать.

    Здесь при типичных Cкб(VT5+VT7) = 7 пФ и R7 = 3.9 Ком имеем паразитный полюс около 6 МГц, что откровенно мало, на пределе. Т.е. надо и R7 уменьшить, хоть раза в два, и транзисторы с малыми Cкб ставить придется.

    Вверх увеличивать номиналы есть две причины: если не делать каскода после T9,10, то это снизит искажения от эффекта Эрли, который в противном случае сильно промодулирует токи через R14 и R15. Вторая причина - повышение линейности этого каскада, и тут вы правы, польза будет. Только в какой степени это нужно - я бы сначала посчитал, т.к. и входной каскад не особенно линейностью блещет.

    SAPR +
    Андрей Орлов +
    Миша88 +
    "Земля" - это всего-навсего еще один провод.

  11. #11
    Хам, просто хам... (навсегда)
    Автор темы
    Аватар для Sagittarius
    Регистрация
    25.10.2007
    Сообщений
    1,645

    По умолчанию Re: Усилитель напряжения

    1. Сужения не будет, т.к. поставлен не каскод, а дифкаскад, иными словами - ОК-ОБ, минимально достаточная комбинация включений.
    3. Ввиду того, что Т7 и Т9 - это дифкаскад, и изменения rэ Т7 и Т9 друг друга компенсируют, сопротивление R12, R13 можно выбрать малыми усиления для. Но ввиду того, что это всё же выходной каскад УН, работающий в широком диапазоне токов, их надо повышать линейности ради и чая в этом избавления от Эрли.

    О паразитном полюсе - справедливое замечание. Это обходится установкой отсутствующих цепей коррекции, см. рис. ИМХО-2.

    Если Ку УН набран высокий, собранный по любой схеме входной каскад будет работать в сужающемся по мере роста Ку диапазоне токов/напряжений, и это повысит его линейность.

  12. #12
    Завсегдатай Аватар для SAPR
    Регистрация
    01.12.2009
    Адрес
    Геленджик - СПб
    Возраст
    64
    Сообщений
    3,943

    По умолчанию Re: Усилитель напряжения

    Цитата Сообщение от Sagittarius Посмотреть сообщение
    О паразитном полюсе - справедливое замечание. Это обходится установкой отсутствующих цепей коррекции, см. рис. ИМХО-2.
    Вот не понимаю - о чем речь. Если о том, что из - за выбраных Вами достаточно высоких номиналов R7/R8 полюс на АЧХ (который, при оптимальном выборе этих сопр. лежит в области 20 - 40 мГц) - смещается в обл. 5 - 10 мГц - то при чем здесь цепи корр. Но если Вы собираетесь ввести 3 - х пол. корр. (в обл. 20 кГц - 200 кГц) (соотв. наклон АЧХ в этой обл. 60 дБ/дек, и увел. глубины ООС еще на 20 - 30 дБ) - а другого смысла в доп. цепях корр. я не вижу - то это круто (40 дБ/дек - уже достаточно непросто по констр. и выборе компл.).

    Добавлено через 25 минут
    Вот еще вопрос (как к Sagittarius, так и к krulfa) - ЧТО вы компенсируете корр. на опережение. (Sagittarius, этот вопрос я уже Вам задавал, отделываться ответом типа что - то загибает/отгибает на АЧХ не стоит (если Вы ее применяете, Вы нулем перед. ф - ии комп. какой-то полюс на АЧХ - вопрос КАКОЙ).
    Последний раз редактировалось SAPR; 13.02.2010 в 01:26. Причина: Добавлено сообщение

  13. #13
    Хам, просто хам... (навсегда)
    Автор темы
    Аватар для Sagittarius
    Регистрация
    25.10.2007
    Сообщений
    1,645

    По умолчанию Re: Усилитель напряжения

    Да ничего в наклоне 40 дб/дек военного нет. СЛ Агеева работает, УМЗЧ ВВ работает, ещё куча гибридных схем с коррекцией на опережение, с усилением 50.000.000 - 500.000 и глубиной ООС от 100 - 108 до 140 дБ в звуковом диапазоне работают (см. ветку УМЗЧ ВВ-2008), а корректируются даже проще, чем иные мелкоООСники.

    Частоту полюса/нуля коррекции на опережение вычислить несложно, а потом просмотром всех полюсов можно найти, какой именно перегиб компенсируется. Но каков смысл этого действия, если частотами полюсов мы управлять можем лишь в небольших пределах? Просто знать? ИМХО, этого даже и не нужно - нужно просто скорректировать усь, проверить на устойчивость в режиме покоя и отсутствие параметрических подвозбудов во всех мыслимых режимах - и энжой.

  14. #14
    Завсегдатай Аватар для SAPR
    Регистрация
    01.12.2009
    Адрес
    Геленджик - СПб
    Возраст
    64
    Сообщений
    3,943

    По умолчанию Re: Усилитель напряжения

    Цитата Сообщение от Sagittarius Посмотреть сообщение
    Да ничего в наклоне 40 дб/дек военного нет.
    А я и не спорю, (правда, чтобы получить 60 дБ/дк - надо несколько больше усилий) - все эти коррекции лежат ниже частоты среза УМ с замкн. обр. св. - поэтому ничего сложного... НО:
    Цитата Сообщение от Sagittarius Посмотреть сообщение
    Но каков смысл этого действия, если частотами полюсов мы управлять можем лишь в небольших пределах?
    Тут Вы не правы - выбором соотв. компл. и номиналов (к примеру рез.) - можно управлять полюсами перед. функц. в достаточно больших пределах.
    На вопрос ЧТО КОРРЕКТИРУЕТСЯ КОРРЕКЦИЕЙ НА ОПЕРЕЖЕНИЕ Вы так и не ответили.
    Последний раз редактировалось SAPR; 13.02.2010 в 02:29.

  15. #15
    Хам, просто хам... (навсегда)
    Автор темы
    Аватар для Sagittarius
    Регистрация
    25.10.2007
    Сообщений
    1,645

    По умолчанию Re: Усилитель напряжения

    Я не знаю. Какая мне разница, в самом деле, что она там корректирует? Может, она вообще ничего не корректирует.

    Главное - глубину ООС набрать, чтобы снизить искажения - от нелинейных до термических. В мелкоООСных усях на НЧ при попытках управлять частотой среза первого полюса подгрузкой УН резисторами искажения от нагрева и изменения параметров (Убэ) входных транзисторов выходным током УН в течение периода неистребимы, как класс, никакой ООСью или конструктивом. Например, для исходника Убэ Т4, Т5 (рис. ИМХО-2) в течение периода изменяется на 2%, являясь при этом образцовой величиной для ООСи. То же самое можно показать для иных усей, например, ТОСной структуры.

    И почему-то никто не спросил: а как так эти уси работают.

  16. #16
    Завсегдатай Аватар для Nick
    Регистрация
    28.03.2005
    Адрес
    NY, USA
    Возраст
    48
    Сообщений
    3,606

    По умолчанию Re: Усилитель напряжения

    Цитата Сообщение от SAPR Посмотреть сообщение
    На вопрос ЧТО КОРРЕКТИРУЕТСЯ КОРРЕКЦИЕЙ НА ОПЕРЕЖЕНИЕ Вы так и не ответили.
    Я лично первый раз услышал этот термин от Н.Сухова в далёких 90-х. Сухов писал о своём ВВ, что то типа того, что у него ей корректируется полюс низкочастотных тр-ров ВК (KT818/819). Но он по моему лукавил, потому как даже с идеальными выходниками, без неё его усилитель не был бы устойчив. Она нужна чтобы сделать подьём на АЧХ, или другими словами "отогнуть" на 90 градусов (или около того) фазу в районе частоты ед. усиления в петле ОС, грубо говоря с помощью ВЧ фильтра (который правда увеличивает глубину локальной ОС, но уменьшает общее усиление на низких частотах), и без неё фаза была бы за 180 градусов, потому как в его усилителе один полюс жёстко задан в ОУ, другой в УН.
    Последний раз редактировалось Nick; 13.02.2010 в 12:27.
    Истина где-то там...

  17. #17
    Старый знакомый Аватар для krulfa
    Регистрация
    09.06.2005
    Адрес
    Москва
    Возраст
    55
    Сообщений
    869

    По умолчанию Re: Усилитель напряжения

    Цитата Сообщение от SAPR Посмотреть сообщение
    Вот еще вопрос (как к Sagittarius, так и к krulfa) - ЧТО вы компенсируете корр. на опережение.
    Компенсируем избыточный фазовый завал вблизи верхней границы полосы усиления с замкнутой ООС. Если таковой намечается. Если не намечается - увеличиваем усиление в петле, а далее возвращаемся на п. 1.

    Но здесь коррекция абсолютно беспредметна, так как не заданы ни нагрузка (в т.ч. емкостная), ни требуемый коэффициент усиления. Пока схема даже не полуфабрикат, а только один из ингредиентов для полуфабриката. Дальше обсуждать смысла большого не вижу.
    "Земля" - это всего-навсего еще один провод.

  18. #18
    Завсегдатай Аватар для SAPR
    Регистрация
    01.12.2009
    Адрес
    Геленджик - СПб
    Возраст
    64
    Сообщений
    3,943

    По умолчанию Re: Усилитель напряжения

    Цитата Сообщение от Sagittarius Посмотреть сообщение
    Я не знаю. Какая мне разница, в самом деле, что она там корректирует? Может, она вообще ничего не корректирует.
    Тогда и не надо с ней заморачиваться .
    Цитата Сообщение от krulfa Посмотреть сообщение
    Компенсируем избыточный фазовый завал вблизи верхней границы полосы усиления с замкнутой ООС. Если таковой намечается. Если не намечается - увеличиваем усиление в петле, а далее возвращаемся на п. 1.
    Наконец - то получил ответ.
    Да, идея корр. на опережение - это отодвинуть полюс УМ (после частоты среза с замкн. ООС) в более в. ч. область.
    Но этот полюс, в грамотно сконстр. УМ, определяется выходным каскадом:
    Цитата Сообщение от Nick Посмотреть сообщение
    Я лично первый раз услышал этот термин от Н.Сухова в далёких 90-х. Сухов писал о своём ВВ, что то типа того, что у него ей корректируется полюс низкочастотных тр-ров ВК (KT818/819).
    Вот здесь и возникает проблема - он сильно плавает (особенно, при работе ВК в реж. АВ).

  19. #19
    Завсегдатай Аватар для Nick
    Регистрация
    28.03.2005
    Адрес
    NY, USA
    Возраст
    48
    Сообщений
    3,606

    По умолчанию Re: Усилитель напряжения

    Цитата Сообщение от SAPR Посмотреть сообщение
    Но этот полюс, в грамотно сконстр. УМ, определяется выходным каскадом
    Нет, прочтите внимательно мой предыдущий пост. Этот полюс определяется ОУ или УН (выбирайте любой, они оба по 90 градусов вносят на этих частотах). А ВК как раз в грамотно сконструировнанном его не определяет, даже с тройкой и выходными KТ818/KT819 он довольно далёкий получается, так как их частота ед. усиления тока не показатель. И гулять он будет не более чем в усилителе с простой однополюсной коррекцией и той же частотой ед. усиления в петле ОС.
    Последний раз редактировалось Nick; 13.02.2010 в 12:41.
    Истина где-то там...

  20. #20
    Завсегдатай Аватар для SAPR
    Регистрация
    01.12.2009
    Адрес
    Геленджик - СПб
    Возраст
    64
    Сообщений
    3,943

    По умолчанию Re: Усилитель напряжения

    Цитата Сообщение от Nick Посмотреть сообщение
    Этот полюс определяется ОУ или УН (выбирайте любой, они оба по 90 градусов вносят на этих частотах).
    Не согласен. Не проблема сделать УН с частотой этого полюса 30 - 50 мГц.
    Цитата Сообщение от Nick Посмотреть сообщение
    А ВК надо делать нормально, хотя даже на KТ818/KT819 он довльно далёкий получается,
    При работе от источника напряжения - А в УМ ВК работает от ист. тока - и полюс опр. входным сопр. ВК.

Страница 1 из 3 123 Последняя

Социальные закладки

Социальные закладки

Ваши права

  • Вы не можете создавать новые темы
  • Вы не можете отвечать в темах
  • Вы не можете прикреплять вложения
  • Вы не можете редактировать свои сообщения
  •