Страница 2 из 5 Первая 1234 ... Последняя
Показано с 21 по 40 из 88

Тема: Защита Мосфета от пробоя

  1. #1 Показать/скрыть первое сообщение.
    Частый гость
    Автор темы

    Регистрация
    04.11.2019
    Сообщений
    435

    По умолчанию Защита Мосфета от пробоя

    Всем привет! В общем долго рыл в интернете, но ничего путного так и не нашел на эту тему. Во общем суть вот в чем. СОбрал параллельный стабилизатор для лампового усилителя. Вместо газоразрядных стабилитронов решил сделать схему присмотренную на Аудиомании.

    Нажмите на изображение для увеличения. 

Название:	Стаб 1.gif 
Просмотров:	558 
Размер:	35.6 Кб 
ID:	357379

    Схема показалась мне интересной. Но в таком варианте нерабочая. нет стабилизации, при кручении подстроечника срывается либо в жесткое давление напряжения. либо вообще ничего не давит. Поэтому я доработал её до такой.

    Нажмите на изображение для увеличения. 

Название:	Стаб 2.jpg 
Просмотров:	599 
Размер:	57.1 Кб 
ID:	357380

    В этом случае работает отлично в диапазоне регулировок от 160 до 320 вольт.
    Один минус. Пробивает Мосфет В нем происходит короткое замыкание. Стали параллельно и конденсатор и диод. Ничего не помогает. Посоветуйте, как защитить Мосфет от пробоя. Или можно ли его заменить на NPN транзистор? Схема-то интересная.

  2. #21
    Забанен (навсегда)
    Регистрация
    11.09.2009
    Сообщений
    3,975

    По умолчанию Re: Защита Мосфета от пробоя

    Цитата Сообщение от Walter Посмотреть сообщение
    способностью полевика разряжать емкость питания
    Конденсатор || параллельному стабу? пульсации он не сгладит (ибо их нет), а жизнь регулятору попортит, звено 2кОм+47мкФ в самом конце цепи ООС - объясните.

    Цитата Сообщение от Walter Посмотреть сообщение
    Если полевик перезаряжать уныло,
    Даже если бодрячком - работать он будет только в одну сторону - быстродействия это не прибавит.

    ---------- Сообщение добавлено 16:29 ---------- Предыдущее сообщение было 16:27 ----------

    Цитата Сообщение от Vortex Посмотреть сообщение
    Вот так вот?

    Вложение 357402

  3. #22
    Частый гость
    Автор темы

    Регистрация
    04.11.2019
    Сообщений
    435

    По умолчанию Re: Защита Мосфета от пробоя

    Цитата Сообщение от zoog Посмотреть сообщение
    Конденсатор || параллельному стабу? пульсации он не сгладит (ибо их нет), а жизнь регулятору попортит
    Ага, уже два мосфета в корзину выкинул

  4. #23
    Забанен (навсегда)
    Регистрация
    11.09.2009
    Сообщений
    3,975

    По умолчанию Re: Защита Мосфета от пробоя

    Цитата Сообщение от Vortex Посмотреть сообщение
    Ага, уже два мосфета в корзину выкинул
    1) я про управление, а не исполнительный элемент
    2) РТФМ

  5. #24
    Завсегдатай
    Регистрация
    13.12.2004
    Адрес
    Юг Украины
    Возраст
    48
    Сообщений
    2,554

    По умолчанию Re: Защита Мосфета от пробоя

    Цитата Сообщение от Vortex Посмотреть сообщение
    Вот так вот?

    Вложение 357402
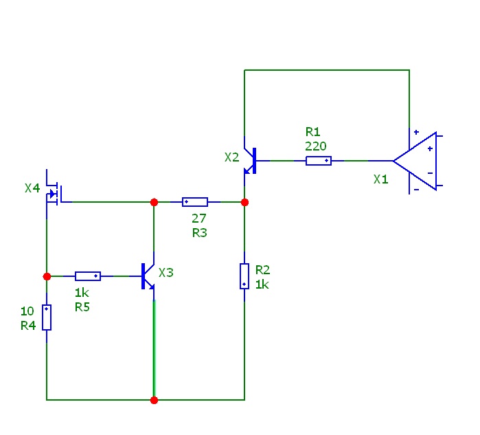
    почти, только немного не так.
    Совсем немного, ну тоесть полностью.
    А так всё норм.

    Нажмите на изображение для увеличения. 

Название:	Безымянный.jpg 
Просмотров:	185 
Размер:	34.9 Кб 
ID:	357403

  6. #25
    Не хочу! Аватар для Alex
    Регистрация
    20.03.2003
    Адрес
    Worldwide
    Возраст
    63
    Сообщений
    39,079

    По умолчанию Re: Защита Мосфета от пробоя

    Цитата Сообщение от Vortex Посмотреть сообщение
    Там МИКРОФАРАД Просто я этот значок рисовать не умею.
    Микрофарады, пишут - uF, а mF - это миллифарады.



    Цитата Сообщение от Vortex Посмотреть сообщение
    Он гонит 6,3 вольта на инвертирующий вход.
    Так как нарисовано на второй схеме - он ничгео туда негонит - инв. вход ОУ сидит черезх зенер в земле, а кто на этот зенер ток давать будет?
    "Замполит, чайку?"(с)"Охота за Красным Октябрем".
    "Да мне-то что, меняйтесь!"(с)анек.
    <-- http://altor1.narod.ru --> Вопросы - в личку, е-мейл, скайп.

  7. #26
    Частый гость
    Автор темы

    Регистрация
    04.11.2019
    Сообщений
    435

    По умолчанию Re: Защита Мосфета от пробоя

    А какая разница, биполяр точно также улетит.


    Где-то читал, что Мосфеты очень не любят работать в полуоткрытых положениях. Либо включено либо выключено )))
    А биполялы в этих режимах всю жизнь работают )))

  8. #27
    Не хочу! Аватар для Alex
    Регистрация
    20.03.2003
    Адрес
    Worldwide
    Возраст
    63
    Сообщений
    39,079

    По умолчанию Re: Защита Мосфета от пробоя

    Цитата Сообщение от Vortex Посмотреть сообщение
    Где-то читал, что Мосфеты очень не любят работать в полуоткрытых положениях. Либо включено либо выключено )))
    Не читай перед обедом советских газет(с)
    "Замполит, чайку?"(с)"Охота за Красным Октябрем".
    "Да мне-то что, меняйтесь!"(с)анек.
    <-- http://altor1.narod.ru --> Вопросы - в личку, е-мейл, скайп.

  9. #28
    Завсегдатай Аватар для shura1959
    Регистрация
    13.02.2009
    Адрес
    г. Ижевск
    Возраст
    66
    Сообщений
    3,416

    По умолчанию Re: Защита Мосфета от пробоя

    [/QUOTE]Для уменьшения вероятности возбуждения предложу некоторые мероприятия.
    В затвор полевика поставить резистор 200...400 Ом..
    Между выходом и инв. входом операционника надо бы кондёр пик на 30-50.
    И на этапе отладки какую-нибудь защиту для разрыва истока или стока полевика при снижении на нём напряжения вольт до 50...100, но это уже отдельная схемка получится.
    «Не торопитесь соглашаться или опровергать. Не так уж важно, что утверждает или отрицает автор. Важно то, что он направляет Ваше внимание по определенному руслу». Павел Сергеевич Таранов.

  10. #29
    Забанен (навсегда)
    Регистрация
    11.09.2009
    Сообщений
    3,975

    По умолчанию Re: Защита Мосфета от пробоя

    Цитата Сообщение от Alex Посмотреть сообщение
    Не читай перед обедом советских газет(с)
    Вы не согласны с ущербностью ключвых фетов в линейном режиме?

    Цитата Сообщение от shura1959 Посмотреть сообщение
    Между выходом и инв. входом операционника надо бы кондёр пик на 30-50.
    При 2кОм+47мкФ на выходе - резать надо ломтями, а не микроскопическими пробами.

  11. #30
    Частый гость
    Автор темы

    Регистрация
    04.11.2019
    Сообщений
    435

    По умолчанию Re: Защита Мосфета от пробоя

    Цитата Сообщение от shura1959 Посмотреть сообщение
    Между выходом и инв. входом операционника надо бы кондёр пик на 30-50.
    Проверил на эмуляторе. Сильно сказывается на стабильности. При бросках напряжения все это отрабатывает с задержками. Даже 1 пФ дает просадку напряжениея почти на 1 вольт. И это на эмуляторе. В реальных условиях будет просто колбаса. )))
    Не думаю, что он там нужен. Получается, что с одной стороны дополнительно городим два транзистора для быстрой отработки пиков, с другой ставим балансный кондер который дает задержку

  12. #31
    Забанен (навсегда)
    Регистрация
    11.09.2009
    Сообщений
    3,975

    По умолчанию Re: Защита Мосфета от пробоя

    Цитата Сообщение от Vortex Посмотреть сообщение
    Проверил на эмуляторе.
    Покажите Вашу модель. У Вас полное значительное непонимание работы электроники, например, номиналы резисторов слишком велики м.б.

  13. #32
    Частый гость
    Автор темы

    Регистрация
    04.11.2019
    Сообщений
    435

    По умолчанию Re: Защита Мосфета от пробоя

    Цитата Сообщение от zoog Посмотреть сообщение
    Покажите Вашу модель. У Вас полное значительное непонимание работы электроники, например, номиналы резисторов слишком велики м.б.
    Какие были в схеме - такие и нарисовал.

    Мне этот эмулятор нравится.

    https://online-electric.ru/virtlab/circuit/school/

    За точность эмуляции не скажу, зато наглядно. Схема во вложении. Надо просто импортировать её туда.
    Вложения Вложения

  14. #33
    Не хочу! Аватар для Alex
    Регистрация
    20.03.2003
    Адрес
    Worldwide
    Возраст
    63
    Сообщений
    39,079

    По умолчанию Re: Защита Мосфета от пробоя

    Цитата Сообщение от Vortex Посмотреть сообщение
    Даже 1 пФ дает просадку напряжениея почти на 1 вольт.
    Весьма странно - в реале емкость монтажа того-же поряда, если не больше.

    Цитата Сообщение от Vortex Посмотреть сообщение
    Мне этот эмулятор нравится.
    Это детская игрушка, хотя что-зто наверное и им можно просимулировать.
    "Замполит, чайку?"(с)"Охота за Красным Октябрем".
    "Да мне-то что, меняйтесь!"(с)анек.
    <-- http://altor1.narod.ru --> Вопросы - в личку, е-мейл, скайп.

  15. #34
    Забанен (навсегда)
    Регистрация
    11.09.2009
    Сообщений
    3,975

    По умолчанию Re: Защита Мосфета от пробоя

    В этом симуляторе симулятора не выставлена ёмкость 47хФ. Быстродействие ограничено ОУ (идеальным скорей всего) и вых. ёмкостью мосфета (если она там есть.)
    Последний раз редактировалось zoog; 06.11.2019 в 10:07.

  16. #35
    Частый гость Аватар для While
    Регистрация
    03.03.2010
    Адрес
    msk
    Сообщений
    269

    По умолчанию Re: Защита Мосфета от пробоя

    Где у вас стабилитрон между gate-source? Почему на 2 ногу оу ничего не приходит???

  17. #36
    Частый гость
    Автор темы

    Регистрация
    04.11.2019
    Сообщений
    435

    По умолчанию Re: Защита Мосфета от пробоя

    Цитата Сообщение от While Посмотреть сообщение
    Где у вас стабилитрон между gate-source?
    А для чего? Для защиты от перенапряжения gate что ли? Так там идет 4-8 вольт максимум и зависит только от выхода ОУ.

  18. #37
    Завсегдатай Аватар для shura1959
    Регистрация
    13.02.2009
    Адрес
    г. Ижевск
    Возраст
    66
    Сообщений
    3,416

    По умолчанию Re: Защита Мосфета от пробоя

    Цитата Сообщение от Vortex Посмотреть сообщение
    Даже 1 пФ дает просадку напряжениея почти на 1 вольт
    Цитата Сообщение от Alex Посмотреть сообщение
    в реале емкость монтажа того-же поряда, если не больше.
    Да, чё то неправильно, наверно, ещё и колебательный процесс есть?
    Вообще цепь ООС в данной схеме очень длинная и полна реактивностей.
    Может уже смотрели, вот тема на Вегалабе по высоковольному параллельному стабу. https://forum.vegalab.ru/showthread.php?t=65867
    Ещё как то видел высоковольтные схемы на TL431, она как раз для таких целей и предназначена.

    Во ещё на ТЛ431 http://www.salonav.com/arch/2003/06/cifra.htm
    «Не торопитесь соглашаться или опровергать. Не так уж важно, что утверждает или отрицает автор. Важно то, что он направляет Ваше внимание по определенному руслу». Павел Сергеевич Таранов.

  19. #38
    Частый гость
    Автор темы

    Регистрация
    04.11.2019
    Сообщений
    435

    По умолчанию Re: Защита Мосфета от пробоя

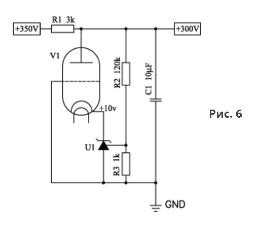
    Цитата Сообщение от shura1959 Посмотреть сообщение
    Схема какая-то мутная на мой взгляд )))

    Нажмите на изображение для увеличения. 

Название:	Ламповый стаб.jpg 
Просмотров:	236 
Размер:	22.6 Кб 
ID:	357469

  20. #39
    Забанен (навсегда)
    Регистрация
    27.02.2005
    Адрес
    село Самбек
    Сообщений
    2,080

    По умолчанию Re: Защита Мосфета от пробоя

    Цитата Сообщение от Vortex Посмотреть сообщение
    Схема какая-то мутная на мой взгляд )))
    Протез мозка у вас ржавый и скрипучий, потому о мутности вводных судить сложно.

  21. #40
    Частый гость
    Автор темы

    Регистрация
    04.11.2019
    Сообщений
    435

    По умолчанию Re: Защита Мосфета от пробоя

    Цитата Сообщение от лысый Посмотреть сообщение
    Протез мозка у вас ржавый и скрипучий, потому о мутности вводных судить сложно.
    Обосную. Читаем даташит TL 431.Макс ток - 100 мА, стабилизируемое напряжение от 2 до 36 в. Здесь он включен в катод, значит весь просаживаемый ток будет проходить с анода на катод и через ТЛку.

Страница 2 из 5 Первая 1234 ... Последняя

Социальные закладки

Социальные закладки

Ваши права

  • Вы не можете создавать новые темы
  • Вы не можете отвечать в темах
  • Вы не можете прикреплять вложения
  • Вы не можете редактировать свои сообщения
  •