Страница 1 из 5 123 ... Последняя
Показано с 1 по 20 из 88

Тема: Защита Мосфета от пробоя

  1. #1
    Частый гость
    Автор темы

    Регистрация
    04.11.2019
    Сообщений
    435

    По умолчанию Защита Мосфета от пробоя

    Всем привет! В общем долго рыл в интернете, но ничего путного так и не нашел на эту тему. Во общем суть вот в чем. СОбрал параллельный стабилизатор для лампового усилителя. Вместо газоразрядных стабилитронов решил сделать схему присмотренную на Аудиомании.

    Нажмите на изображение для увеличения. 

Название:	Стаб 1.gif 
Просмотров:	558 
Размер:	35.6 Кб 
ID:	357379

    Схема показалась мне интересной. Но в таком варианте нерабочая. нет стабилизации, при кручении подстроечника срывается либо в жесткое давление напряжения. либо вообще ничего не давит. Поэтому я доработал её до такой.

    Нажмите на изображение для увеличения. 

Название:	Стаб 2.jpg 
Просмотров:	599 
Размер:	57.1 Кб 
ID:	357380

    В этом случае работает отлично в диапазоне регулировок от 160 до 320 вольт.
    Один минус. Пробивает Мосфет В нем происходит короткое замыкание. Стали параллельно и конденсатор и диод. Ничего не помогает. Посоветуйте, как защитить Мосфет от пробоя. Или можно ли его заменить на NPN транзистор? Схема-то интересная.

  2. #2
    котег Аватар для _Сам_
    Регистрация
    04.05.2010
    Адрес
    ☂☂☂Питер☂☂☂
    Сообщений
    2,510

    По умолчанию Re: Защита Мосфета от пробоя

    со стороны Uвх есть гасящий резистор, на котором падает лишнее напряжение при стабилизации?
    На схеме резистор не показан.
    «Cобрать стадо из баранов легко, трудно собрать стадо из кошек» — Сергей Капица

  3. #3
    Частый гость
    Автор темы

    Регистрация
    04.11.2019
    Сообщений
    435

    По умолчанию Re: Защита Мосфета от пробоя

    Цитата Сообщение от _Сам_ Посмотреть сообщение
    со стороны Uвх есть гасящий резистор, на котором падает лишнее напряжение при стабилизации?
    На схеме резистор не показан.
    Да, конечно! Три резистора 5 ватт общей суммой 2 кОм. Они просто в схеме усилителя )))

  4. #4
    Давно не заходил
    Регистрация
    09.05.2018
    Адрес
    Voronezh
    Сообщений
    4,712

    По умолчанию Re: Защита Мосфета от пробоя

    Цитата Сообщение от Виталик Посмотреть сообщение
    В чем проблема использования газоразрядных стабилитронов?
    Шумят они. Весьма прилично.
    Их хорошо в генераторах шума использовать.

  5. #5
    котег Аватар для _Сам_
    Регистрация
    04.05.2010
    Адрес
    ☂☂☂Питер☂☂☂
    Сообщений
    2,510

    По умолчанию Re: Защита Мосфета от пробоя

    Цитата Сообщение от Vortex Посмотреть сообщение
    Три резистора 5 ватт общей суммой 2 кОм. Они просто в схеме усилителя )))
    странно, они должны быть между выпрямителем и стабилизатором. А усилитель вроде как после стабилизатора подключается. Точнее говоря хочется этот резистор поставить МЕЖДУ мосфетом и банкой 47 uF x 350 V. Иначе при любом возбуде все накопленные джоули из конденсатора пойдут прямиком в канал транзистора.
    «Cобрать стадо из баранов легко, трудно собрать стадо из кошек» — Сергей Капица

  6. #6
    Частый гость
    Автор темы

    Регистрация
    04.11.2019
    Сообщений
    435

    По умолчанию Re: Защита Мосфета от пробоя

    Цитата Сообщение от Виталик Посмотреть сообщение
    Почему параллельный?

    Звук будет хуже. В чем проблема использования газоразрядных стабилитронов?

    А там говорили, что от газоразрядников звук хуже. И просадки напряжения они хуже отрабатывают.

    ---------- Сообщение добавлено 12:32 ---------- Предыдущее сообщение было 12:23 ----------

    Цитата Сообщение от _Сам_ Посмотреть сообщение
    странно, они должны быть между выпрямителем и стабилизатором. А усилитель вроде как после стабилизатора подключается.
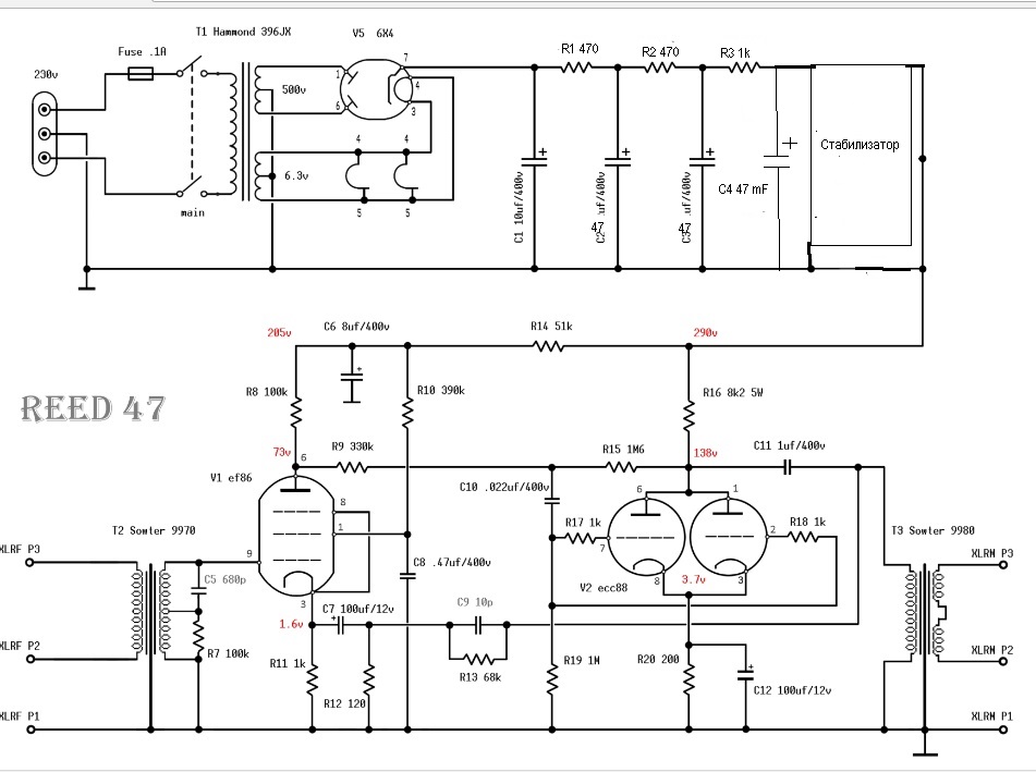
    Ну хорошо. Вот полная схема.

    Нажмите на изображение для увеличения. 

Название:	Стаб 3.jpg 
Просмотров:	450 
Размер:	119.0 Кб 
ID:	357387

  7. #7
    котег Аватар для _Сам_
    Регистрация
    04.05.2010
    Адрес
    ☂☂☂Питер☂☂☂
    Сообщений
    2,510

    По умолчанию Re: Защита Мосфета от пробоя

    Цитата Сообщение от Vortex Посмотреть сообщение
    Вот полная схема.
    Вот! Другое дело.
    Попробуйте включить стабилизатор убрав С4 (который 47 mF, а должно быть uF). Он скорее всего плохо сказывается на устойчивости стабилизатора. А если возникает возбуждение, то мосфет с большой вероятностью получит тепловой пробой.
    «Cобрать стадо из баранов легко, трудно собрать стадо из кошек» — Сергей Капица

  8. #8
    Частый гость
    Автор темы

    Регистрация
    04.11.2019
    Сообщений
    435

    По умолчанию Re: Защита Мосфета от пробоя

    Цитата Сообщение от _Сам_ Посмотреть сообщение
    Попробуйте включить стабилизатор убрав С4 (который 47 mF, а должно быть uF). Он скорее всего плохо сказывается на устойчивости стабилизатора. А если возникает возбуждение, то мосфет с большой вероятностью получит тепловой пробой.
    Хорошо. Попробую.
    Только одна проблема, я трансформатор рассчитывал в ПСУ Дизайнере с этим конденсатором этой емкости ))) Может их тогда с С3 параллельно включить?

  9. #9
    котег Аватар для _Сам_
    Регистрация
    04.05.2010
    Адрес
    ☂☂☂Питер☂☂☂
    Сообщений
    2,510

    По умолчанию Re: Защита Мосфета от пробоя

    Цитата Сообщение от Vortex Посмотреть сообщение
    Может их тогда с С3 параллельно включить?
    Можно. Вреда не будет.
    «Cобрать стадо из баранов легко, трудно собрать стадо из кошек» — Сергей Капица

  10. #10
    Завсегдатай
    Регистрация
    14.04.2009
    Адрес
    рядом с Москвой
    Сообщений
    4,446

    По умолчанию Re: Защита Мосфета от пробоя

    И можно ещё при первом включении напряжение на ноге S померять, пока он будет работать

  11. #11
    Не хочу! Аватар для Alex
    Регистрация
    20.03.2003
    Адрес
    Worldwide
    Возраст
    63
    Сообщений
    39,078

    По умолчанию Re: Защита Мосфета от пробоя

    Цитата Сообщение от Vortex Посмотреть сообщение
    В этом случае работает отлично в диапазоне регулировок от 160 до 320 вольт.
    На чем падает лишнее напряжение?

    Цитата Сообщение от Vortex Посмотреть сообщение
    Посоветуйте, как защитить Мосфет от пробоя. Или можно ли его заменить на NPN транзистор?
    А какая разница, биполяр точно также улетит.
    Нарисуй полную схемы, я пока что не вижу тут "параллельного стабилизатора"- где балласт, зотя в явном или не явном виде?
    Вообще, в правильно сконструированном и расчитанном параллельном стабилизаторе, с транзистором стать ничгео не мжоет в принципе., просто по принипу работы параллельного стабилизатора.


    Цитата Сообщение от Vortex Посмотреть сообщение
    Да, конечно! Три резистора 5 ватт общей суммой 2 кОм. Они просто в схеме усилителя )))
    Стоило их нарисовать, чтобы было понятно.
    Стоять они должны на взоде параллельнго стаба, они именно там?

    Цитата Сообщение от Vortex Посмотреть сообщение
    Ну хорошо. Вот полная схема.
    Есть сомнения в надобности С4, тем более указанной емкости (47 миллифарад - это уже в стиле Юры Макарова, оно-же размеров с тумбочку).

    ---------- Сообщение добавлено 10:55 ---------- Предыдущее сообщение было 10:54 ----------

    Цитата Сообщение от Виталик Посмотреть сообщение
    Ну и самое главное - транзисторы не светятся, не чаруют своим видом, бездушные камни
    Так там для этого кынотрон стоит!

    Плохо конечно, что на него что-то подано кроме накала
    "Замполит, чайку?"(с)"Охота за Красным Октябрем".
    "Да мне-то что, меняйтесь!"(с)анек.
    <-- http://altor1.narod.ru --> Вопросы - в личку, е-мейл, скайп.

  12. #12
    Завсегдатай
    Регистрация
    13.12.2004
    Адрес
    Юг Украины
    Возраст
    48
    Сообщений
    2,554

    По умолчанию Re: Защита Мосфета от пробоя

    Vortex, чет схема стремная.
    Стабилитрон на питание ТЛ должен быть вольт от 25-ти, что бы нормально управлять затвором. Естественно его нужно шунтировать конденсаторами, что бы ТЛ сума не сходил.

    Ну и затвор нужно "жестче" контролировать, а не 100+3,9К и 15к на землю
    Для внятной работы, хорошо в затвор ом 30, потом на землю около 1кОм + npn транзистор повторителем, хотя бы на 100мА тока.
    И еще такой же транзистор - как классику защиты от токовой перегрузки - база на 10омный истоковый резистор, эмитер на землю, коллектор - на затвор.

    И совершенно не понятно, зачем соптимизировали делитель на неинвертирующий вход ОУ, что там делает стабилитрон
    Ну в смысле, что делает понятно, непонятно как, если никакого тока смещения там толком нет.

  13. #13
    котег Аватар для _Сам_
    Регистрация
    04.05.2010
    Адрес
    ☂☂☂Питер☂☂☂
    Сообщений
    2,510

    По умолчанию Re: Защита Мосфета от пробоя

    Цитата Сообщение от Walter Посмотреть сообщение
    никакого тока смещения там толком нет.
    кстати да.
    Стабилитрону нужно хотя бы 2-3 мА тока обеспечить.
    Резистор 3-4 кОм включите между 7й и 2й ногами ОУ
    «Cобрать стадо из баранов легко, трудно собрать стадо из кошек» — Сергей Капица

  14. #14
    Частый гость
    Автор темы

    Регистрация
    04.11.2019
    Сообщений
    435

    По умолчанию Re: Защита Мосфета от пробоя

    Цитата Сообщение от Alex Посмотреть сообщение
    Есть сомнения в надобности С4, тем более указанной емкости (47 миллифарад - это уже в стиле Юры Макарова, оно-же размеров с тумбочку).
    Там МИКРОФАРАД Просто я этот значок рисовать не умею. Но для меня-то понятно.

    ---------- Сообщение добавлено 15:09 ---------- Предыдущее сообщение было 15:03 ----------

    Цитата Сообщение от Walter Посмотреть сообщение
    Стабилитрон на питание ТЛ должен быть вольт от 25-ти
    Питание схему в даташите 18 вольт. Чтобы понизить до 280 хватает и 6 вольт. Проверено.


    Цитата Сообщение от Walter Посмотреть сообщение
    Естественно его нужно шунтировать конденсаторами, что бы ТЛ сума не сходил.
    Есть. 33 мкф.



    Цитата Сообщение от Walter Посмотреть сообщение
    И совершенно не понятно, зачем соптимизировали делитель на неинвертирующий вход ОУ, что там делает стабилитрон
    Ну в смысле, что делает понятно, непонятно как, если никакого тока смещения там толком нет.
    Он гонит 6,3 вольта на инвертирующий вход. Операционный усилитель выравнивает напряжение на положительном и инвертирующем входе путем управления полевиком.

  15. #15
    Давно не заходил
    Регистрация
    09.05.2018
    Адрес
    Voronezh
    Сообщений
    4,712

    По умолчанию Re: Защита Мосфета от пробоя

    Цитата Сообщение от Vortex Посмотреть сообщение
    Просто я этот значок рисовать не умею.
    Без привлечения греческих литер в латинице де-факто принято этот символ обозначать как "u". Т.е. uF - это мкФ на кириллице.

  16. #16
    котег Аватар для _Сам_
    Регистрация
    04.05.2010
    Адрес
    ☂☂☂Питер☂☂☂
    Сообщений
    2,510

    По умолчанию Re: Защита Мосфета от пробоя

    Цитата Сообщение от Vortex Посмотреть сообщение
    Он гонит 6,3 вольта на инвертирующий вход.
    это же не батарейка, без протекающего тока стабилитрон закрыт и не стабилизирует.
    «Cобрать стадо из баранов легко, трудно собрать стадо из кошек» — Сергей Капица

  17. #17
    Забанен (навсегда)
    Регистрация
    11.09.2009
    Сообщений
    3,975

    По умолчанию Re: Защита Мосфета от пробоя

    Цитата Сообщение от Vortex Посмотреть сообщение
    Поэтому я доработал её до такой.
    Вы тоже не верите, что оно работает?
    Цитата Сообщение от Alex Посмотреть сообщение
    А какая разница, биполяр точно также улетит.
    У БТ ОБР хуже, у ПТ - мощность падает в разы на постоянке..

    Цитата Сообщение от Alex Посмотреть сообщение
    Вообще, в правильно сконструированном и расчитанном параллельном стабилизаторе, с транзистором стать ничгео не мжоет в принципе., просто по принипу работы параллельного стабилизатора.
    Без нагрузки транзистор будет рассеивать десятки ватт - на что он даже в ключевом режиме вряд ли способен. Никаких резисторв в стоке не видно.
    Цитата Сообщение от Alex Посмотреть сообщение
    47 миллифарад - это уже в стиле Юры Макарова, оно-же размеров с тумбочку).
    Скажите спасибо, что не мегафарад, и такие встречаются.

    Цитата Сообщение от Walter Посмотреть сообщение
    Стабилитрон на питание ТЛ должен быть вольт от 25-ти, что бы нормально управлять затвором.
    Зачем, 100мА он и при 4В выдаст.
    Цитата Сообщение от Walter Посмотреть сообщение
    Ну и затвор нужно "жестче" контролировать, а не 100+3,9К и 15к на землю
    Для внятной работы, хорошо в затвор ом 30, потом на землю около 1кОм + npn транзистор повторителем, хотя бы на 100мА тока.
    Вы же не путаете с импульсным стабом? Там в стоке-то около 100мА, а Вы про затвор.

    Балласт, балласт.. то, что 47хФ стоят || стабилизатору - это никого не смущает?

  18. #18
    Частый гость
    Автор темы

    Регистрация
    04.11.2019
    Сообщений
    435

    По умолчанию Re: Защита Мосфета от пробоя

    Цитата Сообщение от _Сам_ Посмотреть сообщение
    это же не батарейка, без протекающего тока стабилитрон закрыт и не стабилизирует.
    Тфу, только сейчас посмотрел, что не дорисовал. Там идет резистор от плюсовой шины на 390кОм

  19. #19
    Завсегдатай
    Регистрация
    13.12.2004
    Адрес
    Юг Украины
    Возраст
    48
    Сообщений
    2,554

    По умолчанию Re: Защита Мосфета от пробоя

    Цитата Сообщение от zoog Посмотреть сообщение
    Вы же не путаете с импульсным стабом?
    Не-а, не путаю.
    Быстродействие схемы будет определятся способностью полевика разряжать емкость питания и способностью ОУ перезаряжать затвор полевика.
    Если полевик перезаряжать уныло, то и стабилизировать оно так же будет, ибо придется душить ОУ, что бы небыло генерации.

  20. #20
    Частый гость
    Автор темы

    Регистрация
    04.11.2019
    Сообщений
    435

    По умолчанию Re: Защита Мосфета от пробоя

    Цитата Сообщение от Walter Посмотреть сообщение
    Ну и затвор нужно "жестче" контролировать, а не 100+3,9К и 15к на землю
    Для внятной работы, хорошо в затвор ом 30, потом на землю около 1кОм + npn транзистор повторителем, хотя бы на 100мА тока.

    Вот так вот?

    Нажмите на изображение для увеличения. 

Название:	Стаб 4.jpg 
Просмотров:	454 
Размер:	60.8 Кб 
ID:	357402

Страница 1 из 5 123 ... Последняя

Социальные закладки

Социальные закладки

Ваши права

  • Вы не можете создавать новые темы
  • Вы не можете отвечать в темах
  • Вы не можете прикреплять вложения
  • Вы не можете редактировать свои сообщения
  •