Страница 123 из 270 Первая ... 113121122123124125133 ... Последняя
Показано с 2,441 по 2,460 из 5385

Тема: Клонируем усилитель ASR на MOSFET с токовой ОООС

  1. #1 Показать/скрыть первое сообщение.
    Завсегдатай
    Автор темы
    Аватар для MAXIM_A
    Регистрация
    13.11.2007
    Адрес
    МО Салтыковка
    Возраст
    77
    Сообщений
    12,213

    По умолчанию Клонируем усилитель ASR на MOSFET

    https://forum.vegalab.ru/attachment....1&d=1398707781
    ПП с 10 вк

    Описание конструкции

    http://www.asraudio.de/presse/T08RusAudio04EM2Ex.pdf
    ХАР-КИ УСИЛИТЕЛЯ: http://www.newambience.ru/asr-emitte...-usilitel.html
    Детали закупил, ПП приехали...
    БП уже собран. Трансы 300W ~U 2x27v
    Заслушался, не хочется разбирать для модификации...
    Выявилась одна особенность этого усилителя - это УПТ, надо быть очень аккуратным с подключением к источникам сигнала, проверять на постоянку, и совершать все манипуляции только с выключенным аппаратом!
    R19 - надо увеличить до 1,2к-1,5к
    DA1 - AD843JN
    DA2 - OP07CP, лучше AD711
    Стабилизаторы на 15-16 вольт 1W R9, R13, надо подбирать в зависимости от напряжения питания УНа от 680ом до 2к
    Появилась "фирменная" ПП и к ней схема:[img src=http://f2.s.qip.ru/188zyAhQK.jpg]
    Красивая ПП получается...Набил деталями.
    Погонял этот усилок с горячим переключением акустики с другими усилками. Только унего есть "драйв", особенно заметно на классическом роке!
    Возможно сказывается отсутствие разделительных конденсаторов и большие ёмкости в питании.
    Добавил картинки блока питания и нижнего отсека с кондёрами.
    Почистил ЗК и снял хар-ки: ТНД 1кГц 100вт на 4ома ИМД 19 -20 кГц
    И для сравнения ASR II Emiter (оригинал)
    Окончательный вариант ПП в *.lay
    Добавил на ПП электролит С13-1, как в оригинале. А также, балансировку ОУ
    Вариант с гасящими резисторами, годится только, как пробный, обязательно надо делать отдельные, раздельные источники питания!
    Скоро появятся новые ПП: http://f2.s.qip.ru/188zyAhQK.jpg
    Приехали новые ПП этого усилителя...
    [img src=http://f3.s.qip.ru/188zyAhS4.gif],
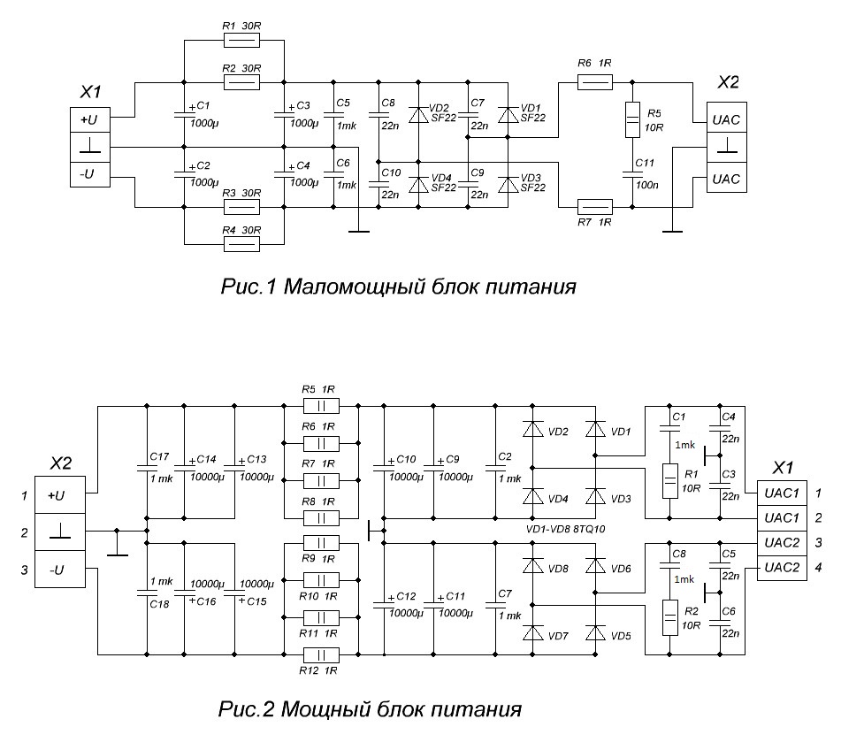
    Примечание: резисторы R1-R4, в маломощном БП надо подбирать, в зависимости от питающего напряжения!
    При сборке усилителя с раздельными БП, диоды VD5-VD8 - не нужны, и резисторы R9,R13.

    ]

    Выявилась ошибка в ПП БП, подключение снаббера, см. рисунок:
    http://s57.radikal.ru/i157/1312/63/69e7e29fe77e.jpg
    Подробности:
    https://forum.vegalab.ru/showthread....%D0%A1/page123
    все найденные ошибки:
    -полярность конденсатора С25
    -полярность диода VD8
    -наличие СМД резисторов в обвязке VT5

    Рекомендации по установке и размещению трансов:
    http://myelectrons.ru/toroidal-ny-j-transformator-dlya-usilitelya-pomehi/

    Результаты прослушки:
    https://forum.vegalab.ru/showthread....=1#post1775684
    https://forum.vegalab.ru/showthread....=1#post1911356

    Печатные платы и транзисторы заказываем здесь:
    https://docs.google.com/spreadsheets...4fI/edit#gid=0

    Альбом фото:
    https://forum.vegalab.ru/album.php?albumid=331

    Регулировка усилителя:
    1. Выставляем 0 на выходе усилителя, балансным подстроечником без интегратора.
    2. Выставляем ток покоя ВК, оптимум 0,5 - 0,6A на тройку.
    3. Вставляем интегратор, смотрим постоянку на выходе усилителя

    Почти, как в оригинале, только на отдельных платах.
    "Попа" к "попе", плата БП и плата УНЧ



    Миниатюры Миниатюры Нажмите на изображение для увеличения. 

Название:	ASR E.JPG 
Просмотров:	5927 
Размер:	139.0 Кб 
ID:	181846   Нажмите на изображение для увеличения. 

Название:	ASRII.JPG 
Просмотров:	16198 
Размер:	189.0 Кб 
ID:	206146   Нажмите на изображение для увеличения. 

Название:	asr_emitter_II_black_1.jpg 
Просмотров:	8205 
Размер:	93.9 Кб 
ID:	144338   Нажмите на изображение для увеличения. 

Название:	ASR питание.jpg 
Просмотров:	8670 
Размер:	168.1 Кб 
ID:	161528  

    Нажмите на изображение для увеличения. 

Название:	EM2GTop.JPG 
Просмотров:	10050 
Размер:	551.1 Кб 
ID:	153668   Нажмите на изображение для увеличения. 

Название:	ASR БП.jpg 
Просмотров:	8461 
Размер:	161.8 Кб 
ID:	161529   Нажмите на изображение для увеличения. 

Название:	Schaltplan ASR_2.jpg 
Просмотров:	20170 
Размер:	343.2 Кб 
ID:	143578   Нажмите на изображение для увеличения. 

Название:	ASR emitter.jpg 
Просмотров:	10196 
Размер:	266.4 Кб 
ID:	165547  

    Нажмите на изображение для увеличения. 

Название:	Схема.gif 
Просмотров:	13473 
Размер:	49.3 Кб 
ID:	179179   Нажмите на изображение для увеличения. 

Название:	1кГц.jpg 
Просмотров:	6580 
Размер:	375.8 Кб 
ID:	162609   Нажмите на изображение для увеличения. 

Название:	IMDн.jpg 
Просмотров:	5376 
Размер:	386.4 Кб 
ID:	162610   Нажмите на изображение для увеличения. 

Название:	1006ASRfig8.jpg 
Просмотров:	4868 
Размер:	23.5 Кб 
ID:	162613  

    Нажмите на изображение для увеличения. 

Название:	1006ASRfig9.jpg 
Просмотров:	4065 
Размер:	26.1 Кб 
ID:	162614   Нажмите на изображение для увеличения. 

Название:	БП ASR.jpg 
Просмотров:	8423 
Размер:	138.3 Кб 
ID:	174384   Нажмите на изображение для увеличения. 

Название:	DSC07102.JPG 
Просмотров:	8181 
Размер:	627.8 Кб 
ID:	182360   Нажмите на изображение для увеличения. 

Название:	001.JPG 
Просмотров:	5675 
Размер:	427.5 Кб 
ID:	220144  

    Последний раз редактировалось MAXIM_A; 02.09.2015 в 16:50. Причина: ASR Emitter II Exclusive Blue
    Андрей Константинович

  2. #2441
    Регистрация не подтверждена Аватар для full_ignore
    Регистрация
    28.05.2010
    Адрес
    г. Киев
    Сообщений
    667

    По умолчанию Re: Клонируем усилитель ASR на MOSFET с токовой ОООС

    Цитата Сообщение от Oland Посмотреть сообщение
    -наличие СМД резисторов в обвязке VT5-а что помеять надо ,или не надо,наличие СМД резисторов в обвязке VT5 (это не ошибка, но обратить внимание не мешало бы)-с этого места если можно поподробней.
    На самом деле все просто:
    -резисторы R19 R20- СМД и установлены со "стороны дорожек" и их запросто можно забыть припаять там же и конденсатор С11
    -При первом включении я бы рекомендовал запитываться от внешнего стаба с защитой
    -чтобы не спалить все лучше сначала не впаивать выходные транзисторы 2SK1530/2SJ201 (VT6-VT11) и проверить работоспособность УН
    НО!!! без (VT6-VT11) плата работать не будет Т.К. разомкнута ОООС!!! И ее необходимо замкнуть- соединив временной перемычкой точку OUT со стоком VT3 . Проверяем работоспособность УН, выставляем минимальное напряжение между Э и К VT5 подстроечником R22, выключаем питание,
    снимаем временную перемычку, паяем выходные транзисторы и включаем канал УМ.
    Это очень кратко.

  3. #2442
    Завсегдатай
    Автор темы
    Аватар для MAXIM_A
    Регистрация
    13.11.2007
    Адрес
    МО Салтыковка
    Возраст
    77
    Сообщений
    12,213

    По умолчанию Re: Клонируем усилитель ASR на MOSFET с токовой ОООС

    А если транзисторы ВК уже впаяны, то не подключать питание, и соединить И.З. VT10 ВК
    Андрей Константинович

  4. #2443
    Регистрация не подтверждена Аватар для full_ignore
    Регистрация
    28.05.2010
    Адрес
    г. Киев
    Сообщений
    667

    По умолчанию Re: Клонируем усилитель ASR на MOSFET с токовой ОООС

    Цитата Сообщение от MAXIM_A Посмотреть сообщение
    и соединить И.З. VT10 ВК
    а УН выдержит такую нагрузку???
    Вы его замыкаете через 50 ом!!

  5. #2444
    Завсегдатай Аватар для Fusion
    Регистрация
    24.06.2006
    Адрес
    Москва
    Возраст
    52
    Сообщений
    2,120

    По умолчанию Re: Клонируем усилитель ASR на MOSFET с токовой ОООС

    Цитата Сообщение от kerpal Посмотреть сообщение
    Я LAY файлы никогда не выкладывал, только картинку.
    На ней все еще есть ошибки?
    Может я путаю, сравнивая ее с платой, я нашел более 3.

  6. #2445
    Новичок
    Регистрация
    16.10.2011
    Адрес
    Г.Одесса
    Сообщений
    64

    По умолчанию Re: Клонируем усилитель ASR на MOSFET с токовой ОООС

    Цитата Сообщение от full_ignore Посмотреть сообщение
    Проверяем работоспособность УН, выставляем минимальное напряжение между Э и К VT5 подстроечником R22, выключаем питание,
    снимаем временную перемычку, паяем выходные транзисторы и включаем канал УМ.
    Это очень кратко.
    Другими словами, мы выставляем нулевой ТП ВК, что бы при первом включении не спалить его ?

  7. #2446
    Регистрация не подтверждена Аватар для full_ignore
    Регистрация
    28.05.2010
    Адрес
    г. Киев
    Сообщений
    667

    По умолчанию Re: Клонируем усилитель ASR на MOSFET с токовой ОООС

    Цитата Сообщение от koklushkin Посмотреть сообщение
    мы выставляем нулевой ТП ВК, что бы при первом включении не спалить его ?
    все верно.

  8. #2447
    Новичок
    Регистрация
    16.10.2011
    Адрес
    Г.Одесса
    Сообщений
    64

    По умолчанию Re: Клонируем усилитель ASR на MOSFET с токовой ОООС

    Можно добавить в шапку. При первом включении с запаяным ВК, выставить R22 в максимальное значение.

  9. #2448
    Регистрация не подтверждена Аватар для full_ignore
    Регистрация
    28.05.2010
    Адрес
    г. Киев
    Сообщений
    667

    По умолчанию Re: Клонируем усилитель ASR на MOSFET с токовой ОООС

    Цитата Сообщение от koklushkin Посмотреть сообщение
    Можно добавить в шапку
    логично

  10. #2449
    Старый знакомый Аватар для kerpal
    Регистрация
    18.09.2005
    Адрес
    Краснодар
    Возраст
    45
    Сообщений
    627

    По умолчанию Re: Клонируем усилитель ASR на MOSFET с токовой ОООС

    Цитата Сообщение от Fusion Посмотреть сообщение
    Может я путаю, сравнивая ее с платой, я нашел более 3.
    Я точного количества не знаю.
    Для того рисунок и выкладывал, чтобы детальки на плату расставляли по нему, а не по шелкографии на плате

  11. #2450
    Завсегдатай
    Автор темы
    Аватар для MAXIM_A
    Регистрация
    13.11.2007
    Адрес
    МО Салтыковка
    Возраст
    77
    Сообщений
    12,213

    По умолчанию Re: Клонируем усилитель ASR на MOSFET с токовой ОООС

    Цитата Сообщение от Fusion Посмотреть сообщение
    Может я путаю, сравнивая ее с платой, я нашел более 3.
    Ошибки есть только в шелкографии, а сама ПП, без ошибок...
    Андрей Константинович

  12. #2451
    Регистрация не подтверждена Аватар для full_ignore
    Регистрация
    28.05.2010
    Адрес
    г. Киев
    Сообщений
    667

    По умолчанию Re: Клонируем усилитель ASR на MOSFET с токовой ОООС

    Хочу добавить пару соображений по поводу резистора R19
    -СМД резисторы не так просто без привычки паять, они чувствительны к перегреву и имеют свойство трескаться при всяком удобном случае
    -в этом плане резистор R19 является критичным с точки зрения надежности усилителя,
    т.к. при его обрыве усилитель гарантированно выходит из строя из за неконтролированного роста тока покоя.
    -мое предложение: на это место ставить качественный выводной резистор например из 1% ряда . Почему лучше точный резистор- он стабильнее
    по всем параметрам. Естественно придется заняться художественным изгибанием выводов
    - в следующих возможных ревизиях платы это предложение можно учесть.

  13. #2452

    По умолчанию Re: Клонируем усилитель ASR на MOSFET с токовой ОООС

    Цитата Сообщение от full_ignore Посмотреть сообщение
    Хочу добавить пару соображений по поводу резистора R19
    -СМД резисторы не так просто без привычки паять, они чувствительны к перегреву и имеют свойство трескаться при всяком удобном случае
    -в этом плане резистор R19 является критичным с точки зрения надежности усилителя,
    т.к. при его обрыве усилитель гарантированно выходит из строя из за неконтролированного роста тока покоя.
    -мое предложение: на это место ставить качественный выводной резистор например из 1% ряда . Почему лучше точный резистор- он стабильнее
    по всем параметрам. Естественно придется заняться художественным изгибанием выводов
    - в следующих возможных ревизиях платы это предложение можно учесть.
    Да в общем я так в большинстве случаев и делаю!
    А по поводу полярности конденсатора С25?

  14. #2453
    Завсегдатай
    Автор темы
    Аватар для MAXIM_A
    Регистрация
    13.11.2007
    Адрес
    МО Салтыковка
    Возраст
    77
    Сообщений
    12,213

    По умолчанию Re: Клонируем усилитель ASR на MOSFET с токовой ОООС

    Цитата Сообщение от Oland Посмотреть сообщение
    Да в общем я так в большинстве случаев и делаю!
    А по поводу полярности конденсатора С25?
    C25=470uF 63v Panasonic FC lov esr, нужно перевернуть....
    Андрей Константинович

  15. #2454
    Частый гость Аватар для FIN_KZ
    Регистрация
    25.02.2009
    Адрес
    Павлодар
    Возраст
    52
    Сообщений
    179

    По умолчанию Re: Клонируем усилитель ASR на MOSFET

    Цитата Сообщение от MAXIM_A Посмотреть сообщение
    Примечание: резисторы R1-R4, в маломощном БП надо подбирать, в зависимости от питающего напряжения!
    Есть ли какие-то конкретные рекомендации по подбору этих резисторов? Стоит ли пересчитывать номинал этих резисторов при увеличении емкостей фильтра?

  16. #2455
    Регистрация не подтверждена Аватар для full_ignore
    Регистрация
    28.05.2010
    Адрес
    г. Киев
    Сообщений
    667

    По умолчанию Re: Клонируем усилитель ASR на MOSFET

    Цитата Сообщение от FIN_KZ Посмотреть сообщение
    Есть ли какие-то конкретные рекомендации по подбору этих резисторов?
    Конкретные рекомендации можно давать применительно к вашему конкретному случаю. А для этого вы должны его описать
    или нарисовать.

  17. #2456
    Завсегдатай Аватар для Vovk
    Регистрация
    24.12.2004
    Адрес
    Зеленьій клин
    Возраст
    46
    Сообщений
    2,855

    По умолчанию Re: Клонируем усилитель ASR на MOSFET с токовой ОООС

    Цитата Сообщение от full_ignore Посмотреть сообщение
    -СМД резисторы не так просто без привычки паять, они чувствительны к перегреву и имеют свойство трескаться при всяком удобном случае
    Если печатная плата сделана под СМД, т.е. контактные площадки как полагается небольшие, отделены от больших полигонов, то СМД паяется нормально, без понижения надежности. Ломаются СМД только если их паять на большие площадки, с большим количеством припоя (например, на выводы крупной детали), только тогда есть шансы что их разорвет термонапряжением.

  18. #2457
    Частый гость
    Регистрация
    24.03.2007
    Адрес
    Краснодар
    Возраст
    65
    Сообщений
    383

    По умолчанию Re: Клонируем усилитель ASR на MOSFET с токовой ОООС

    Андрей Константинович,что означает фраза:"Все найденные ошибки:...наличие СМД резисторов в обвязке VT5"?
    Что там с ними не так?

  19. #2458
    Завсегдатай
    Автор темы
    Аватар для MAXIM_A
    Регистрация
    13.11.2007
    Адрес
    МО Салтыковка
    Возраст
    77
    Сообщений
    12,213

    По умолчанию Re: Клонируем усилитель ASR на MOSFET с токовой ОООС

    Цитата Сообщение от CHURIK Посмотреть сообщение
    Андрей Константинович,что означает фраза:"Все найденные ошибки:...наличие СМД резисторов в обвязке VT5"?
    Что там с ними не так?
    Имеется ввиду, ошибки в шелкографии....
    Андрей Константинович

  20. #2459
    Частый гость Аватар для NIKOLS
    Регистрация
    05.11.2006
    Адрес
    Иваново
    Возраст
    62
    Сообщений
    336

    По умолчанию Re: Клонируем усилитель ASR на MOSFET с токовой ОООС

    Да нет, мне кажется немного по другому - просто в схеме надо звёздочки поставить и пояснить что R19,R22,R20,C11- CMD 1206.
    Сейчас подумал, а может и там подписана шелкография не правильно,ведь припаял уже ?

  21. #2460
    Частый гость
    Регистрация
    24.03.2007
    Адрес
    Краснодар
    Возраст
    65
    Сообщений
    383

    По умолчанию Re: Клонируем усилитель ASR на MOSFET с токовой ОООС

    Цитата Сообщение от NIKOLS Посмотреть сообщение
    Да нет, мне кажется немного по другому - просто в схеме надо звёздочки поставить и пояснить что R19,R22,R20,C11- CMD 1206.
    Сейчас подумал, а может и там подписана шелкография не правильно,ведь припаял уже ?
    Перед пайкой специально разбирался куда какой резистор и конденсатор припаивать.Вроде бы, всё у меня сошлось с шелкографией.А теперь,что-то сомнения закрались.Надо перепроверить.

Страница 123 из 270 Первая ... 113121122123124125133 ... Последняя

Социальные закладки

Социальные закладки

Ваши права

  • Вы не можете создавать новые темы
  • Вы не можете отвечать в темах
  • Вы не можете прикреплять вложения
  • Вы не можете редактировать свои сообщения
  •