Страница 28 из 36 Первая ... 182627282930 ... Последняя
Показано с 541 по 560 из 703

Тема: Акустическая система Yamaha NS-777

  1. #1 Показать/скрыть первое сообщение.
    Завсегдатай
    Автор темы
    Аватар для l3VGV
    Регистрация
    02.05.2009
    Адрес
    Псков
    Возраст
    44
    Сообщений
    1,027

    По умолчанию Акустическая система Yamaha NS-777

    Давно у меня приютились данные ас, неплохо играть с ними во всякие шутеры, хорошо смотреть кино. В музыке себя не проявили. С одной стороны от неудачного расположения в комнате, с другой - отсутствие вменяемого усилителя.

    Решил тут недавно проверить как оно там внутри, не завелась ли моль в звукопоглотителе(сразу скажу - не завелась). Заодно посмотреть в деталях как оно устроено.


    Корпуса устроены из МДФ толщиной 16мм. Покрыто радикально ч0рной пленкой "под лак". Скрепляется всё добро - термоклеем(сначала меня это удивило, теперь понимаю что решение вполне рабочее, хорошо разогретый термоклей проникает в поры материала и держится на нем как и ПВА или прочие клеи, отрывается только с толстым слоем волокон). Видно что скреплено всё с помощью уголков и брусков из ДВП.
    Нажмите на изображение для увеличения. 

Название:	IMG_0212-2.jpg 
Просмотров:	6904 
Размер:	330.8 Кб 
ID:	261148 Нажмите на изображение для увеличения. 

Название:	IMG_0221.JPG 
Просмотров:	4486 
Размер:	1.78 Мб 
ID:	261149 Нажмите на изображение для увеличения. 

Название:	IMG_0218.JPG 
Просмотров:	5052 
Размер:	1.75 Мб 
ID:	261150

    Сверху и снизу от НЧ динамиков расположены подушки толстого поролона. Провода закреплены к стенкам скобами, с прокладкой из мягких тряпочек сделаных неясно из чего, мягкие, волокнистые из разноцветного всякого. Такаяже тряпочка покрывает всю нижнюю панель, сверху ватиновая распушенная подушка.

    На СЧ динамик болтами через уплотнитель одевается стакан из пластика, изнутри стакан заполнен ватином, входное отверстие проводов плотно залито термоклеем. Стакан толстый, пластик не хрупкий.



    Переходим к неприятным сторонам нашего балета.

    Ребра жесткости закреплены на непонятного состава твердый черный клей. Казалосьбы, что может пойти не так( кроме того что нормальная распорка по всему периметру всего 1)...
    Нажмите на изображение для увеличения. 

Название:	IMG_0217-2.jpg 
Просмотров:	4077 
Размер:	328.2 Кб 
ID:	261151

    Вот всё что обозначено цветными стрелочками, это всё щели. Боковые стенки выгнуты с радиусом ~756мм, к задней стенке конечно никто не стал их пришлифовывать, там треугольная щель(сзади она не видна - закрывается отделочной пленкой). Между ребром и стенками - тоже щели, толщина разная, от 1мм до 0.1мм, в зависимости от расстояния от передней или задней стенкой(ребра прилегают к боковым стенкам только в центре). В результате на простук даже не определить где там ребро...

    Ещё немного, чтобы было понятнее:

    Нажмите на изображение для увеличения. 

Название:	IMG_0222.JPG 
Просмотров:	3829 
Размер:	221.6 Кб 
ID:	261152



    Как же так оно получилось А вот как:

    Нажмите на изображение для увеличения. 

Название:	IMG_0225.JPG 
Просмотров:	3928 
Размер:	447.5 Кб 
ID:	261153


    Давайте экономить клей? А конечно давайте, ведь кризис!



    Среднюю распорку я снимать не стал, втёр в щели эпоксидной шпатлевки. А вот все остальные снимаются легко - сначала термофеном отогреваю брусочек, затем угол поддеваю отверткой, а затем разогретым термофеном тонким металлическим шпателем аккуратно режу черный клей.

    Далее черное оттирается шкуркой, мажу свежим клеем, и ставлю обратно.



    У второй колонки брусочки держащие лицевую панель, отвалились от лицевой панели. На боковинах держатся, а вот на лицевой - нет. Зато ребра проклеены почти по всей длине.


    Ещё интересная картинка про корпус 555. вот неясно, это там пропилы видны или ещё чтото...
    Нажмите на изображение для увеличения. 

Название:	17078864.jpg 
Просмотров:	3638 
Размер:	44.3 Кб 
ID:	319404
    Последний раз редактировалось l3VGV; 05.05.2018 в 22:22.

  2. #541

    По умолчанию Re: Акустическая система Yamaha NS-777

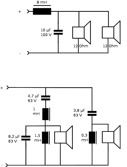
    "Полосы делятся на частотах 1300 и 4500 Гц, причем фильтр между СЧ и ВЧ-драйверами поворачивает фазу на 130 градусов. Это говорит о высокой реактивной составляющей нагрузки, которая может привести к самовозбуждению усилителя." - а кто-нибудь из спецов может прокомментировать насчёт поворота фазы в акустике ямаха 555 ( соотвв. 777) и возбуждения усилителя ? Это цитата из обзора ямахи 555, ( Салон АВ ) Что там "натворили" инженеры ямахи ? И кстати, кто-нибудь сам "рассматривал" схему сч-фильтра ? Он "соответствует" ?

  3. #542
    Завсегдатай Аватар для Shidim
    Регистрация
    16.06.2011
    Адрес
    Челябинск
    Возраст
    55
    Сообщений
    2,137

    По умолчанию Re: Акустическая система Yamaha NS-777

    Соответствует второму порядку, как по учебнику. О какой конкретно схеме идёт речь?

  4. #543

    По умолчанию Re: Акустическая система Yamaha NS-777

    Цитата Сообщение от Shidim Посмотреть сообщение
    Соответствует второму порядку, как по учебнику. О какой конкретно схеме идёт речь?
    О схеме кросса сч в ямахе 555 (777) Да, он 2-го порядка, только вот многие жаждут его переделать ( пересчитать) - почему _ ? И что ж там с фазой-то не так ?

  5. #544
    Завсегдатай Аватар для Shidim
    Регистрация
    16.06.2011
    Адрес
    Челябинск
    Возраст
    55
    Сообщений
    2,137

    По умолчанию Re: Акустическая система Yamaha NS-777

    555 и 777 разные номиналы L и С.когда нет перед глазами схемы о которой вы говорите,трудно сказать, соответствует ли она, тому что собрано, на плате в самой АС (у меня соответствует, что есть по схеме и как собрано в колонках). Многие так же жаждут переделывать, что то. Это хобби. Электрическая фаза, что на картинках измерений в Salon AV соответствует "переплюсовке" СЧ и ВЧ в точке раздела кроссовером. Вам самому, что в АС нравится-не нравится?

  6. #545
    Завсегдатай Аватар для Shidim
    Регистрация
    16.06.2011
    Адрес
    Челябинск
    Возраст
    55
    Сообщений
    2,137

    По умолчанию Re: Акустическая система Yamaha NS-777

    На картинках предмет обсуждения, если я правильно понял.Схема фильтра и графики импеданса и эл. фазы. Для наглядности так сказать.
    По фильтрам обсуждалось здесь https://forum.vegalab.ru/showthread.php?t=69296
    Миниатюры Миниатюры Нажмите на изображение для увеличения. 

Название:	yamaha-ns-555-schematic_532958.png 
Просмотров:	436 
Размер:	8.6 Кб 
ID:	298791   Нажмите на изображение для увеличения. 

Название:	images.jpg 
Просмотров:	719 
Размер:	8.1 Кб 
ID:	298792  

  7. #546
    Новичок
    Регистрация
    14.05.2017
    Адрес
    Ю.Подмосковье
    Возраст
    69
    Сообщений
    33

    По умолчанию Re: Акустическая система Yamaha NS-777

    Вчера для колонок Ямаха 777 прикупил усилитель TECHNICS SU-V7 в прекрасном состоянии,можно сказать, в девственном.Купил на авито, из Питера. Хорошее хранение и бережная эксплуатация. Все облазил по корпусу, ничего криминального.Внутри тоже порядок.Удивительно...
    По звуку.
    У меня с ними в связке стоит ресивер Пионер-922.Брал 3 года назад чисто для ДК., 5.1. В этом плане все нормально. Пули свистят, только успевай пригибаться.
    А вот чисто музыку послушать стерео,2.0, тут были проблемы. Звук резковатый.
    Теперь другое дело.Конечно, краснобайством не обладаю, но скажу,что колонки наконец-то заиграли. Появилась приличная(относительно) сцена,по моим впечатлениям соответствует где-то ~15 ряду концертного зала.Уже хорошо.Раньше с пионером была галерка.Но главное - появилась мягкость звука.Уж не знаю,что там японцы делали в 70-х годах с усилками(схематично), но звук у них мягкий.Видимо они делали упор на средние частоты(как самые душевные).Сегодня слушал свои старые записи (flac), зашел знакомый, и пока разувался в коридоре(а звучал Папетти, Эмануэль), он говорит, - ты что,на лампу перешел? Говорю,почему? Ну,типа Звук комфортный. Говорю- транзистор,но старый,японский.Не поверил,пока не прошел в комнату.
    Вобщем,вот такие дела.Правда усь брал зятю,надо еще ему колонки прикупить(к Новому году подарю...). А жену жаба душит,говорит оставь себе, а им купи Бриг и с90. Думаю,она не права.Зятя надо любить.Как сына.Нажмите на изображение для увеличения. 

Название:	IMG_20170823_192339.jpg 
Просмотров:	996 
Размер:	1.76 Мб 
ID:	299609Нажмите на изображение для увеличения. 

Название:	IMG_20170823_192402.jpg 
Просмотров:	939 
Размер:	1.51 Мб 
ID:	299610Нажмите на изображение для увеличения. 

Название:	IMG_20170823_192420.jpg 
Просмотров:	858 
Размер:	1.82 Мб 
ID:	299611Нажмите на изображение для увеличения. 

Название:	IMG_20170823_192439.jpg 
Просмотров:	904 
Размер:	1.94 Мб 
ID:	299612

  8. #547
    Новичок
    Регистрация
    04.09.2017
    Сообщений
    10

    По умолчанию Re: Акустическая система Yamaha NS-777

    Что-то заглохла ветка)

    l3VGV, так все же, чем у Вас все закончилось? Корпус вы доработали, а в фильтре меняли электролиты на пленку?

    И опять же, сохранение номинал в номинал - есть первый путь для твика.
    Есть и второй путь, который продел сей пользователь.

    Цитата Сообщение от Lehelio Посмотреть сообщение
    Расскажу о своей доработке Yamaha NS-777.Дома система такая - источник звуковая Creative H-Fi HD c заменёными оу 2хOPA627BP и 2хlme49860na,Sennheiser HD 650 + ушной усиль Aune S2, усилители Sony TA-F590ES и Корвет50у-068.После года гарантии были заменены электролиты в фильтре на буржуйскую плёнку типа к73-17 и CBB61 пусковые полипроиленовые. Но это дало незначительное улучшение. Размазанный бас, мыльная крикливая середина, невнятные высокие - в общем для кино эта акустика сойдёт. И вот заскучав в отпуске, взял открутил панель ВЧ иСЧ головок, открутил стакан под СЧ головку, а в этом стакане на вид больше литра, на дне приклеен кусочек синтепона размером с 2 спичечных коробка.Немного офигел,взял наполнил стаканы сильно распушенной ватой (распушенная вата хорошо давит более высокие частоы).Включил - с середины ушла муть,крикливость, выросла детальность, прозрачность.Воодушевившисть таким эффектом "ВАУ" решил перенастроить частоту реза НЧ/СЧ фильтров, т.к. середина провалена, это особанно заметно в сравнении с Sennheiser HD 650. Порыв интернет, поизучав родственные схемы от ямах сааво1 и от Yamaha NS8HX стал эксперементирывать. Окончательные изменения такие- в СЧ фильтре входной кондёр 4,7мкФ заменил на 22мкф,катушку паралельно голове СЧ 1,5мГн заменил на 2.5мГн, а в НЧ фильтре кондёр 8,2 мкФ заменил на 37мкФ.Частота раздела получилась около 500Гц,на этой частоте получается небольшой завал 1-2Дб и оба динамика СЧ и НЧ играют одинаково по уровню, при 400ГЦ уже сильнее играет НЧ а СЧ слабее, на 600Гц сильнее играет уже СЧ а НЧ слабее.Наконец в звуке появилась середина, да и при прогоне частот генератром и в тональном сравнении с Sennheiser HD 650 всё более менее ровно. Правда при совмещении НЧ к СЧ диапазону я вначале затупил, никак не мог совместить, а потом дошло - сопротивление!. Я ведь для удобства ковыряний в колонке верхний басовик снял, и фильтр НЧ так криво работал на 17 Ом вместо 8,5 Ом в паралель. Послушал колонки около 2-х месяцев и решил заменить все кондёры на более приличныё, т.к. при подборе фильтров я поналепил всяких разных кодёров что было дома. На сайте deskfi.ru заказал К78-34 400В - у них были как раз скидки на 400в кондёры. Поменял, включил - получил более детальный бас, звучанее стало объёмнее, детальнее, мягче.Результатом доволен,пока остановился на этом.
    Он явно взял на "вооружение" технологию доработки NS-555 с форума ixbt, от пользователя ruman111
    http://ixbt.photo/?id=photo:726695

    http://i.imgur.com/QkHFmMg.png
    http://forum.ixbt.com/topic.cgi?id=95:52-23

    Там ему сказали, что...
    Собсно, вот что у тебя получилось. Раздел на 450 и 3600Гц. Неплохо, но на 600Гц было бы лучше.
    http://forum.ixbt.com/post.cgi?id=at...5:52:636:2.gif
    http://forum.ixbt.com/post.cgi?id=at...5:52:636:1.gif
    и сравнили с оригинальным кроссом

    http://forum.ixbt.com/post.cgi?id=at...5:52:640:1.gif
    А это собсно оригинал кросса ("черным" результирующая АЧХ). Поэтому ты на правильном пути, будет лучше! Раздел, похоже на 1,0 и 4,05кГц.
    предложили такую схему (видимо для повышения частоты раздела с его 450Гц до ~600Гц)
    http://forum.ixbt.com/post.cgi?id=at...5:52:638:1.gif

    Т.е. на хоботе тоже в результате расчетов (а пользователь ruman111 был первым путем - банально наугад) пришли к выводу, что частота раздела на 1кГц не есть гуд, и 500-600 будет лучше: как результат на слух, так и расчет в проге об этом говорят.....

    Я это к чему - конечно, можно на одной колонке фильтр оставил на номиналах с заменой на пленку, а на другой провернуть с изменением частоты раздела и потом сравнить лоб в лоб... какой путь все же лучше... Только это накладно выйдет - при условии покупок того же Мундорфа, ведь покупать придется 3 раза кондеи.

  9. #548
    Завсегдатай
    Автор темы
    Аватар для l3VGV
    Регистрация
    02.05.2009
    Адрес
    Псков
    Возраст
    44
    Сообщений
    1,027

    По умолчанию Re: Акустическая система Yamaha NS-777

    Цитата Сообщение от Bell Посмотреть сообщение
    l3VGV, так все же, чем у Вас все закончилось
    Включил послушал. вродебы и получше. но ацких прорывов нет. с хорошим усём - вполне можно слушать. призвуков нет, бубнения не заметил. изза укрепления корпусов это или изза добавления поглотителя - не тестил пока.
    Аудифилам пока не включал, может быть всё плохо, незнаю. А я глухой и не требовательный.




    Цитата Сообщение от Bell Посмотреть сообщение
    CBB61 пусковые полипроиленовые
    обычно они не чисто пленочные, если потрясти слышно как булькает. это из того что у нас продают. ну и конечно сам по себе выбор удивительный, нормальной пленки нужных номиналов - валом.




    Цитата Сообщение от Bell Посмотреть сообщение
    Только это накладно выйдет
    владеть дешевыми вещами вообще дорого. а уж проводить переделки на ощупь так и вообще.

    в моих планах активный крос и мультиампинг. всё будет значительно дешевле мундорфов.

  10. #549
    Новичок
    Регистрация
    04.09.2017
    Сообщений
    10

    По умолчанию Re: Акустическая система Yamaha NS-777

    l3VGV, то что призвуков и бубнения нету - это хорошо. Я Sven IHOO MT 5.1R (фронты) проклеил StP по всему корпусу, обмазал мастикой-герметиком, после и синтепон на стенки (распорку не ставил) - корпус стал почти как камень. Гул и эхо пропали и вообще ок зазвучали.... Еще проводку внутреннюю поменял (там были тончайшие, галимые провода....даже не акустические) + убрал электролит на пленку. Итоговый результат меня очень порадовал.

    Насчет корпуса Ямахи я подумаю стоит ли раскошеливаться на связку StP + мастика...уже по ходу дела решу...
    По фильтрам думаю так: одну колонку трогать не буду, на второй попробую вариант с изменением частоты раздела как у Lehelio, и потом просто сравню звучание. Уже отталкиваюсь на слух впоследствии буду менять переделывать обе на качественных комплектующих.

    Осталось только найти свободное время на все эти манипуляции.... Переделку фильтра, наверное, другому человеку отдам....так быстрее будет + у наверняка в наличии будут необходимые кондеи...

  11. #550
    Новичок Аватар для il57
    Регистрация
    26.03.2016
    Адрес
    Foresttown
    Возраст
    68
    Сообщений
    74

    По умолчанию Re: Акустическая система Yamaha NS-777

    Цитата Сообщение от l3VGV Посмотреть сообщение
    но ацких прорывов нет
    Повторюсь: разделите аналоговым фильтром на частоте 400 … 600 Гц, прикрутите ещё один усь, и будет вам ацкий прорыв. Мужика тут уже развели на дорогие конденсаторы, чё-та не хрена, как я понял, он не услышал.
    Усилители, а я собрал и опробовал их достаточно: (первый, кажется, в 82 году)конечно на звук влияют, но там уже нюансы ловить (это я про хорошие усилители). Акустика - рулит

  12. #551
    Завсегдатай Аватар для Shidim
    Регистрация
    16.06.2011
    Адрес
    Челябинск
    Возраст
    55
    Сообщений
    2,137

    По умолчанию Re: Акустическая система Yamaha NS-777

    Есть ещё одна возможность заслушать "аццкийсупермега прорыв" от 777 в части раздела баса и мидбаса, в районе 80Гц, если в хозяйстве есть саб и рес, на котором можно порезать, и рулить задержками.

  13. #552
    Завсегдатай
    Автор темы
    Аватар для l3VGV
    Регистрация
    02.05.2009
    Адрес
    Псков
    Возраст
    44
    Сообщений
    1,027

    По умолчанию Re: Акустическая система Yamaha NS-777

    Цитата Сообщение от Bell Посмотреть сообщение
    Насчет корпуса Ямахи я подумаю стоит ли раскошеливаться на связку StP + мастика
    Если корпус не из листовой жести и не звенит звоном, то не стоит. Не только по сантиарным соображениям, лучше укрепить корпус, чем мазать и клеить подорожники. Моё личное мнение конечно. Если уже есть желание чтото вклеить в корпус, то рекомендую листы 3мм железа, сначала толсто жирно мазать густым клеем, а потом немного пришурупить. Получится гораздо более гораздый аналог всех антивибр. Делал такое на подопытных корпусах АС, вот там вообще нет отзвуков на простук, как в деревянный пень стуки. Вес у 40см ящика такой что страшно.

    ---------- Сообщение добавлено 16:54 ---------- Предыдущее сообщение было 16:52 ----------

    Цитата Сообщение от il57 Посмотреть сообщение
    Повторюсь: разделите аналоговым фильтром на частоте 400 … 600 Гц, прикрутите ещё один усь, и будет вам ацкий прорыв. Мужика тут уже развели на дорогие конденсаторы, чё-та не хрена, как я понял, он не услышал.
    Усилители, а я собрал и опробовал их достаточно: (первый, кажется, в 82 году)конечно на звук влияют, но там уже нюансы ловить (это я про хорошие усилители). Акустика - рулит
    Делал, не было ацкого прорыва. Мультиампинг 4мя усями пробовал, на базе ресивера. Немного перепаял ему там чтобы выходные каналы запаралелить.

    Если будет энтузиазм заняться, то сделаю полный мультиампинг с электронным кросовером на 3 полосы. Но пока энтузиазму нет.

  14. #553
    Новичок Аватар для il57
    Регистрация
    26.03.2016
    Адрес
    Foresttown
    Возраст
    68
    Сообщений
    74

    По умолчанию Re: Акустическая система Yamaha NS-777

    Цитата Сообщение от l3VGV Посмотреть сообщение
    Немного перепаял ему
    Где-то накосячил, похоже. Разницу даже тугой на ухо услышит.
    Когда купил и первый раз послушал, впал в тяжкое уныние: звук исходил непосредственно из колонок. Низкие приходилось поднимать софтовым экволайзером, всё равно не хватало, кроме того, начинался гудёж.
    Частоту раздела прикинул на "глазок", фильтр - попроще, только чтобы проверить догадку об экономии ямаховцев (ещё помня, что среднечастотник должен воспроизводить полосу частот наиболее чувствительную к восприятию). Результат настолько превзошёл ожидания, что ничего менять не стал (да и лень).
    Раньше описывал: звуковые образы - отдельно от акустики, чистый, прозрачный звук. Низкие пришлось убавить и т. д.
    Последний раз редактировалось il57; 18.11.2017 в 16:50.

  15. #554
    Завсегдатай
    Автор темы
    Аватар для l3VGV
    Регистрация
    02.05.2009
    Адрес
    Псков
    Возраст
    44
    Сообщений
    1,027

    По умолчанию Re: Акустическая система Yamaha NS-777

    Вот прошло некоторое время. Опять задумался о вибропоглощателе для корпусов. Звенят, негодяи.

  16. #555
    Завсегдатай Аватар для Shidim
    Регистрация
    16.06.2011
    Адрес
    Челябинск
    Возраст
    55
    Сообщений
    2,137

    По умолчанию Re: Акустическая система Yamaha NS-777

    Вы же вроде их плотно ватой забивали? Я вот другой вариант испробовал, не стал давать семёркам играть ниже 125, до этой частоты играет отдельное звено. Очень недурственно скажу я вам.
    Последний раз редактировалось Shidim; 05.05.2018 в 20:40.

  17. #556
    Завсегдатай
    Автор темы
    Аватар для l3VGV
    Регистрация
    02.05.2009
    Адрес
    Псков
    Возраст
    44
    Сообщений
    1,027

    По умолчанию Re: Акустическая система Yamaha NS-777

    Не, набивал синтепоном. Не плотно, рядом со стенками. Но звон собственно стенок не повлияло.

    На подопытных колонках оклейка изнутри металлом на толстом слое вязкого клея давала отличный результат, только цена печалит.

    Вот думаю стоит ли клеить спец вибопоглотители, учитывая цену вопроса...

    ---------- Сообщение добавлено 15:00 ---------- Предыдущее сообщение было 14:59 ----------

    Цитата Сообщение от Shidim Посмотреть сообщение
    не стал давать семёркам играть выше 125, до этой частоты играет отдельное звено. Очень недурственно скажу я вам.

    Выше или ниже? такто отдельный саб, или даже два это конечно вариант, но звон у меня не на НЧ.

    ---------- Сообщение добавлено 17:27 ---------- Предыдущее сообщение было 15:00 ----------

    Вот нашел годный пост
    https://forum.vegalab.ru/showthread....=1#post1695820

    Цитата Сообщение от funny the rat Посмотреть сообщение
    Когда Эфрусси это писал корпуса делали из 5-7 мм фанеры и зачастую сч не имел выделенного объема да и разделы для нч были под килогерц и выше для 3-ёx полосок и опять же налепив любое болеe-менее тяжелое г..но на стенки мы получим эффект из-за мас-лодинга, тем более значимый, чем более тяжел налепливаемый материал и легче панель. при 5-7мм фанерке эффект весьма заметен.

    Поймите простую вешь, все материалы типа визомат, VB1, blackhole и тд (далее ЛДМ листовые демпфируюшие материалы) выпускаются промышленностью для глушения вибрации тонкостенных металических поверхностей (деталей авто ) масса которых сравнима с массой вибропоглотителя. Cоответственно характеристики в документации даются исxодя из этого - общее звукопоглощение = mass-loading + тепловые потери (перевод вибрации в тепло), a эффект мас-лодинга - функция от массы панели и обратно ей пропорциональна, тепловые потери реально имеют очень маленький эффект на низких частотаx ниже 200 Гц и истановятся весьма заметны на частотах около килогерца. Поэтому практического смысла, их применения в сабаx, не несет.
    Лучше утежелить стенки чем либо другим, а еще лучше просто добавить лишний брейс, эффекта будет больше при аналогичном съедаемом объме.
    Почему?
    Как только вы лепите ЛДМ на 22мм МДФ составляющая мас-лодинга становится малой, тем более малой, чем больше масса панели, а тепловые потери остаются такими же. поэтому низкочастотные вибрации подавляются гораздо меньше чем на более тонких панеляx, но тем не менее эффект заметен, нo заостряю внимание - практически только из-за мас-лодинга т.е. обычная линолеумная плитка сработает аналогично
    Поэтому и некоторый разнобой во мненияx. Кто применяет для стенок 25-30мм МДФ эффекта от ЛДФ в сабаx практически не замечает, у кого стенки потоньше и брейсов поменьше или вообще нет, думают что поймали золотую пулю.
    Скажем так - чем более хлипкий у вас корпус, тем более заметен эффект от применeния ЛДМ, но ирония заключается в том, что зачастую (99.9%) аналогичный по съедаемому объёму один-два-несколько дополнительныx брейсов дают гораздо более заметный эффект.

    Популярность ЛДМ в домашнем аудио в рунете, видимо объясняется тем, что народ массово пытается доработать готовые магазинные решения, а там корпуса xлипкие, и весьма непросто влепить брейсы в готовый корпус, тем более через дырку от 5-6 дюймового вyфера да и инструмент нужен, а с ЛДМ инструмента минимум (канцелярский нож да фен) и лепится все это за час без особых проблем
    ---------- Сообщение добавлено 17:29 ---------- Предыдущее сообщение было 17:27 ----------

    Наш случай. Это какраз тонкие стенки, хотя и изогнутые. Плюс некоторые ребра там есть + я добавил стяжки.

    Может заказать стальных полос да и оклеить изнутри...

  18. #557
    Завсегдатай Аватар для Shidim
    Регистрация
    16.06.2011
    Адрес
    Челябинск
    Возраст
    55
    Сообщений
    2,137

    По умолчанию Re: Акустическая система Yamaha NS-777

    Ниже 125 по -6 (раздел на 200 Гц). Спасибо что указали, поправил. Про два саба верно замечено (было четыре отказался).
    Если хотите в металле увековечить, то свинец в помощь он тяжёлый и работать с ним легче, так как гибок, окисляется правда. Но надеюсь вы всё же не столь радикальны.

  19. #558
    Завсегдатай
    Автор темы
    Аватар для l3VGV
    Регистрация
    02.05.2009
    Адрес
    Псков
    Возраст
    44
    Сообщений
    1,027

    По умолчанию Re: Акустическая система Yamaha NS-777

    В первое сообщение добавил интересную картинку
    https://forum.vegalab.ru/attachment....4&d=1525548044

  20. #559
    Завсегдатай Аватар для Shidim
    Регистрация
    16.06.2011
    Адрес
    Челябинск
    Возраст
    55
    Сообщений
    2,137

    По умолчанию Re: Акустическая система Yamaha NS-777

    Картинка из темы как забугорные чуваки спасали утопшие корпуса 555 частично разобрав, для эффективного просушивания.
    Может вам таким макаром разобрать АС и поставить N-ое количество переборок полного профиля?

  21. #560
    Завсегдатай
    Автор темы
    Аватар для l3VGV
    Регистрация
    02.05.2009
    Адрес
    Псков
    Возраст
    44
    Сообщений
    1,027

    По умолчанию Re: Акустическая система Yamaha NS-777

    Вариант интересный. Но они и объёма сожрут много.

Страница 28 из 36 Первая ... 182627282930 ... Последняя

Социальные закладки

Социальные закладки

Ваши права

  • Вы не можете создавать новые темы
  • Вы не можете отвечать в темах
  • Вы не можете прикреплять вложения
  • Вы не можете редактировать свои сообщения
  •