Показано с 1 по 19 из 19

Тема: USB транспорт в старый CD проигрыватель

  1. #1
    Новичок
    Автор темы
    Аватар для glin
    Регистрация
    08.09.2023
    Адрес
    Крым
    Сообщений
    15

    По умолчанию USB транспорт в старый CD проигрыватель

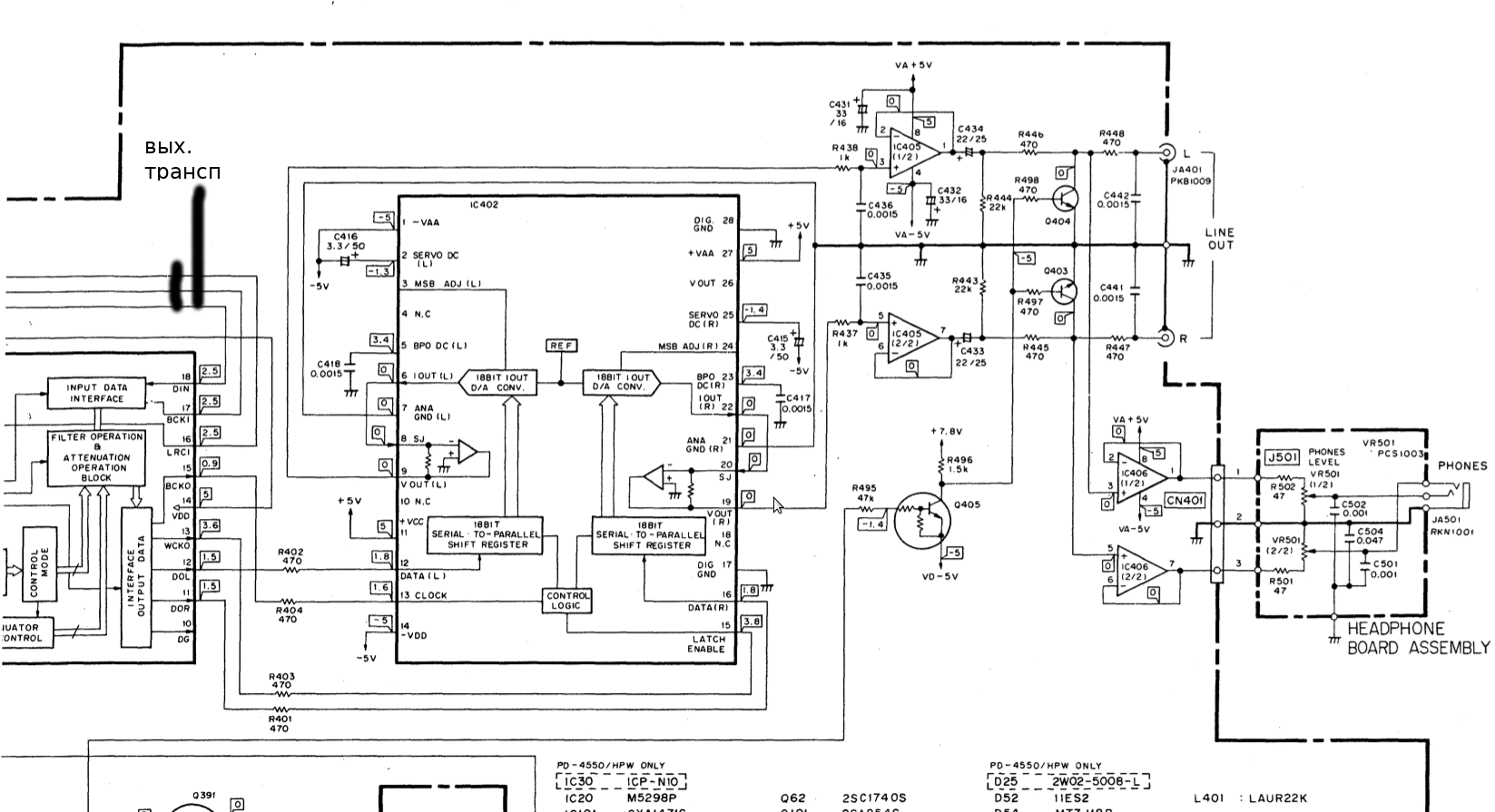
    Здравствуйте уважаемые товарищи. Нужна помощь.
    При подключении USB транспорта Аманеро(китай) к Пионеру на ВВ PCM1700P на выходе сильный цифровой шум. При минимальной громкости на Фубаре (-90дб) звук отличный, если добавить громкость (-80дб) срывается в цифровой шум. Транспорт подключал к цифровому фильтру (4-мя проводами DATA, BCLK, LRCK, GND), т.к. сам ЦАП двухканальный, а фильтр как раз и разделяет данные на два потока.

    Что интересно, год назад я с похожей ситуацией уже сталкивался. В СД Филипс на TDA1545 была та же ситуация, подумал это особенность данного цапа и забросил проект. Тогда пробовал менять транспорт на Рефлекс от Чипа-дипа - ничего не изменилось. От частоты дискретизации и разрешения входного сигнала зависимости нет.

    Я понимаю, что Фубар на малой громкости режет сигнал, но что именно происходит и как заставить работать связку нормально не знаю.
    Миниатюры Миниатюры Нажмите на изображение для увеличения. 

Название:	IMG_20230905_090004.jpg 
Просмотров:	265 
Размер:	5.48 Мб 
ID:	440904   Нажмите на изображение для увеличения. 

Название:	2.png 
Просмотров:	270 
Размер:	494.8 Кб 
ID:	440906   Нажмите на изображение для увеличения. 

Название:	IMG_20230905_084358.jpg 
Просмотров:	151 
Размер:	6.76 Мб 
ID:	440905  
    Последний раз редактировалось glin; 08.09.2023 в 08:56.

  2. #2
    Не хочу! Аватар для Alex
    Регистрация
    20.03.2003
    Адрес
    Worldwide
    Возраст
    63
    Сообщений
    39,459

    По умолчанию Re: USB транспорт в старый CD проигрыватель

    Смущает нормальное звучание на малых уровнях, похоже на не совпадение форматов.
    "Замполит, чайку?"(с)"Охота за Красным Октябрем".
    "Да мне-то что, меняйтесь!"(с)анек.
    <-- http://altor1.narod.ru --> Вопросы - в личку, е-мейл, скайп.

  3. #3
    Новичок
    Автор темы
    Аватар для glin
    Регистрация
    08.09.2023
    Адрес
    Крым
    Сообщений
    15

    По умолчанию Re: USB транспорт в старый CD проигрыватель

    Похоже. Хотя даташит пишет что PCM1700 SERIAL INPUT FORMAT 100% COMPATIBLE WITH INDUSTRY standard PCM56P. Да и в TDA1545 тоже должен быть стандартный филипсовский формат.

    ---------- Сообщение добавлено 12:22 ---------- Предыдущее сообщение было 12:15 ----------

    Фубар подключен к Аманеро по ASIO и минимальный уровень на картинке, вероятно виртуальный, т.к громкость на выходе ОУ почти нормальная. Скорей всего Фубар что то делает с дискретностью данных на тихом уровне. Аимп не дает такого эффекта - просто шумит.

  4. #4
    Не хочу! Аватар для Alex
    Регистрация
    20.03.2003
    Адрес
    Worldwide
    Возраст
    63
    Сообщений
    39,459

    По умолчанию Re: USB транспорт в старый CD проигрыватель

    В 1545 да, если мне память не изменяет, стандартный I2S или RJ, но не в 1700 или 56.
    "Замполит, чайку?"(с)"Охота за Красным Октябрем".
    "Да мне-то что, меняйтесь!"(с)анек.
    <-- http://altor1.narod.ru --> Вопросы - в личку, е-мейл, скайп.

  5. #5
    Новичок
    Автор темы
    Аватар для glin
    Регистрация
    08.09.2023
    Адрес
    Крым
    Сообщений
    15

    По умолчанию Re: USB транспорт в старый CD проигрыватель

    YG в своей статье про эволюцию цапов упоминает, что TDA1545 использует протокол EIAJ вместо I2S (может перепутал местами? и EIAJ используется в звуковых картах). Больше про протокол EIAJ ничего не нашел.

  6. #6
    Не хочу! Аватар для Alex
    Регистрация
    20.03.2003
    Адрес
    Worldwide
    Возраст
    63
    Сообщений
    39,459

    По умолчанию Re: USB транспорт в старый CD проигрыватель

    Кто такой YG не помню, но если мне память не изменяет, EIAJ это вообще коннектор.
    А у 1545 - RJ16 на I2S шине.

    Тут есть заморочка. в которую некоторые попадают - I2S это и название филипсовского формата, так и общее название самой шины, состоящей из WCLK-BCLK-SData (WCLK также часто обозначают как LRCK), которая может быть в режиме ФилипсI2S/LJ/RJ16/RJ24, (RJ32==LJ).
    "Замполит, чайку?"(с)"Охота за Красным Октябрем".
    "Да мне-то что, меняйтесь!"(с)анек.
    <-- http://altor1.narod.ru --> Вопросы - в личку, е-мейл, скайп.

  7. #7
    Новичок
    Автор темы
    Аватар для glin
    Регистрация
    08.09.2023
    Адрес
    Крым
    Сообщений
    15

    По умолчанию Re: USB транспорт в старый CD проигрыватель

    О... кстати, может надоумите, по поводу WCLK. У меня есть старый соневский цап 20152 , так вот у него шина должна содержать WCLK-BCLK-Data и LRCK. Пробовал его подключать от Аманеры по трем BCLK-Data-LRCK - тишина. Соединял WCLK и LRCK - тишина. Брал WCLK с платы плеера - периодически играет, звук то пояляется то исчезает, видимо нет синхронизации. Информации как взять с Аманеры WCLK и LRCK нет.
    Миниатюры Миниатюры Нажмите на изображение для увеличения. 

Название:	Снимок экрана в 2023-09-08 13-37-05.перевернут.png 
Просмотров:	99 
Размер:	56.9 Кб 
ID:	440926  

  8. #8
    Не хочу! Аватар для Alex
    Регистрация
    20.03.2003
    Адрес
    Worldwide
    Возраст
    63
    Сообщений
    39,459

    По умолчанию Re: USB транспорт в старый CD проигрыватель

    Понятия не имею.
    У Sony как всегда - все не как у людей. У них и вордклов какой-то свой.
    У нормальных - LRCK и WCLK это просто разные названия одного и того-же сигнала.
    "Замполит, чайку?"(с)"Охота за Красным Октябрем".
    "Да мне-то что, меняйтесь!"(с)анек.
    <-- http://altor1.narod.ru --> Вопросы - в личку, е-мейл, скайп.

  9. #9
    Завсегдатай Аватар для Delta213
    Регистрация
    23.01.2006
    Адрес
    Астрахань
    Сообщений
    5,535

    По умолчанию Re: USB транспорт в старый CD проигрыватель

    А клок откуда плеер получает? У вас получается цап тактируется от своего клока, а транспорт от своего. Заведите клок от аманеро в ЦФ.
    Подчиненный перед лицом начальствующим должен иметь вид лихой и придурковатый, дабы разумением своим не смущать начальство.
    Указ Петра I от 09.12.1709:

  10. #10
    Завсегдатай Аватар для Turbo_man
    Регистрация
    06.04.2010
    Адрес
    Moscow
    Сообщений
    5,785

    По умолчанию Re: USB транспорт в старый CD проигрыватель

    Цитата Сообщение от Alex Посмотреть сообщение
    похоже на не совпадение форматов.
    Однозначно. Аманера выдаёт сигнал в формате I2S, а ЦФ ждёт сигнал в формате RJ16.

    ---------- Сообщение добавлено 14:39 ---------- Предыдущее сообщение было 14:38 ----------

    Цитата Сообщение от Delta213 Посмотреть сообщение
    Заведите клок от аманеро в ЦФ.
    И это тоже нужно, вместо кварца, но 384Fs. Аманера же даёт 512Fs.

  11. #11
    Новичок
    Автор темы
    Аватар для glin
    Регистрация
    08.09.2023
    Адрес
    Крым
    Сообщений
    15

    По умолчанию Re: USB транспорт в старый CD проигрыватель

    Аманеру вроде можно на RJ16 перестроить - попробую.
    Клок от неё сюда пихать ?
    Миниатюры Миниатюры Нажмите на изображение для увеличения. 

Название:	21.png 
Просмотров:	207 
Размер:	1.16 Мб 
ID:	440932  

  12. #12
    Завсегдатай Аватар для Turbo_man
    Регистрация
    06.04.2010
    Адрес
    Moscow
    Сообщений
    5,785

    По умолчанию Re: USB транспорт в старый CD проигрыватель

    Цитата Сообщение от glin Посмотреть сообщение
    Клок от неё сюда пихать ?
    Нет, на 2-ю ногу XTI. Но 512Fs от Аманеры не годится.

  13. #13
    Новичок
    Автор темы
    Аватар для glin
    Регистрация
    08.09.2023
    Адрес
    Крым
    Сообщений
    15

    По умолчанию Re: USB транспорт в старый CD проигрыватель

    А если USB transport Reflex от чипа-дипа попробовать. У него есть режим ведущий с внешней синхронизацией и на него подать сигнал от ЦФ. Получится на траспорте DATA BCLK LR MCLK - выход, EXT CLK - вход, MCLK = EXT CLK. Правда там пишут надо частотой 256*Fs .
    Последний раз редактировалось glin; 08.09.2023 в 17:38.

  14. #14
    Завсегдатай Аватар для Delta213
    Регистрация
    23.01.2006
    Адрес
    Астрахань
    Сообщений
    5,535

    По умолчанию Re: USB транспорт в старый CD проигрыватель

    Можно и с аманерой, только надо будет поставить генератор на 768фс и делитель на 1,5 для аманеро и на 2 для самого плеера.
    Подчиненный перед лицом начальствующим должен иметь вид лихой и придурковатый, дабы разумением своим не смущать начальство.
    Указ Петра I от 09.12.1709:

  15. #15
    Новичок
    Автор темы
    Аватар для glin
    Регистрация
    08.09.2023
    Адрес
    Крым
    Сообщений
    15

    По умолчанию Re: USB транспорт в старый CD проигрыватель

    Спасибо за подсказки. Пока нет времени продолжить эту работу, но в соседней ветке нашел интересную информацию по влиянию громкости на поток.
    Еще посмотрел, как выглядит на осциллографе регулировка громкости с помощью ползунка WAVE... исчезают старшие биты. На самом минимуме громкости перед полным мьютом, который еще можно выставить мышкой, их исчезает примерно половина от 16ти.
    Сопоставил это с слуховым впечатлением. На синусе 1кГц немного меняется тональность. На музыке изменений не слышно...

    Подаешь синус 1кГц, 16 бит, 0дБ. На экране смотришь полпериода LR и соответствующую дату. Дата представляет из себя биты. Их 16. Расположены они в правой половине (т.к. формат RJ). Начинаешь уменьшать громкость. Визуально пропадают левые биты (те, что ближе к центру). Они старшие. Я не знаю, чего там математически должно быть, но осциллографе левый биты пропадают. Чем ниже громкость, тем больше их исчезает. Самый минимум перед полным мьютом, соответствует исчезновению половины бит.
    Может они не совсем исчезают, потому что оконтовка остается. Все равно видно, что формат 16 RJ, просто внутри этой рамки левых бит нет...
    Получается на эмуляции 16ти битного RJ, а на самом деле 8ми битном потоке у меня все работает.

  16. #16
    Новичок
    Автор темы
    Аватар для glin
    Регистрация
    08.09.2023
    Адрес
    Крым
    Сообщений
    15

    По умолчанию Re: USB транспорт в старый CD проигрыватель

    Всё получилось!
    Перепрошил Аманеру в RJ16 и заиграло. Пробовал в целях эксперимента убрать кварц у ЦФ и кинуть с Аманеры МСЛК - тоже все играет. Пытался напрямую запустить поток RJ16 на ЦАП - звук с сильными искажениями, видимо 18-ти битный фрмат ЦАПа не дружит с RJ16, а ЦФ выдает то, что ему нужно.
    Огромное спасибо учасникам за науку.

  17. #17
    Старый знакомый Аватар для Злой
    Регистрация
    30.10.2009
    Сообщений
    434

    По умолчанию Re: USB транспорт в старый CD проигрыватель

    Цитата Сообщение от glin Посмотреть сообщение
    Пробовал в целях эксперимента убрать кварц у ЦФ и кинуть с Аманеры МСЛК - тоже все играет.
    Значит Аманера мастером и так и надо оставить, иначе могут щелчки пролетать.

  18. #18
    Завсегдатай Аватар для Turbo_man
    Регистрация
    06.04.2010
    Адрес
    Moscow
    Сообщений
    5,785

    По умолчанию Re: USB транспорт в старый CD проигрыватель

    Очень странно, что ЦФ нормально принимает 512фс вместо положенных 384фс. Наверно выходная шина уже не 8фс, а в 512/384 раза выше.

  19. #19
    Новичок
    Автор темы
    Аватар для glin
    Регистрация
    08.09.2023
    Адрес
    Крым
    Сообщений
    15

    По умолчанию Re: USB транспорт РІ старый CD проигрыватель

    Цитата Сообщение от glin Посмотреть сообщение
    О... кстати, может надоумите, по поводу WCLK. У меня есть старый соневский цап 20152 , так вот у него шина должна содержать WCLK-BCLK-Data и LRCK. Пробовал его подключать от Аманеры по трем BCLK-Data-LRCK - тишина. Соединял WCLK и LRCK - тишина. Брал WCLK с платы плеера - периодически играет, звук то пояляется то исчезает, видимо нет синхронизации. Информации как взять с Аманеры WCLK и LRCK нет.
    Опять появилось желание запустить этот цап на аманере.
    Насколько я понял из даташита 20152 , WCLK в данном цапе выполняет роль переключателя режима, в стерео варианте он в два раза чаще LRCK, а в варианте когда каждый цап работает на свой канал имеет другую форму.
    Мне подсказали, что в стерео режиме WCLK можно получить из BCLK разделив его на 8. Только схематически я не знаю как это изобразить. Понял только , что нужен делитель частоты на 155ие5 или 561тм2 или 74хххх.
    Может кто то сможет надоумить как собрать делитель на 8 ?

    ---------- Сообщение добавлено 26.08.2025 в 12:38 ---------- Предыдущее сообщение было 25.08.2025 в 13:53 ----------

    Что то типа такого
    Нажмите на изображение для увеличения. 

Название:	6.gif 
Просмотров:	42 
Размер:	14.2 Кб 
ID:	477266

    или так, но нужна работка по спадающему срезу.

    Нажмите на изображение для увеличения. 

Название:	beginner18-2.gif 
Просмотров:	42 
Размер:	3.9 Кб 
ID:	477267

Социальные закладки

Социальные закладки

Ваши права

  • Вы не можете создавать новые темы
  • Вы не можете отвечать в темах
  • Вы не можете прикреплять вложения
  • Вы не можете редактировать свои сообщения
  •