Страница 1 из 2 12 Последняя
Показано с 1 по 20 из 25

Тема: Для начинающих

  1. #1
    Старый знакомый
    Автор темы

    Регистрация
    15.11.2009
    Сообщений
    714

    По умолчанию Для начинающих

    Приветствую всех, особенно, начинающих!
    Хочу поделиться некоторой информацией и личным опытом, который, надеюсь, поможет тем кто делает самые первые шаги в радиоэлектронике, акустике и вообще всём том, что звучит, моргает и вещает.
    Буду благодарен опытным участникам Форума за советы и критические замечания. С удовольствием отвечу на все интересующие вопросы.
    Ещё раз подчеркну - тема для начинающих, а там видно будет.

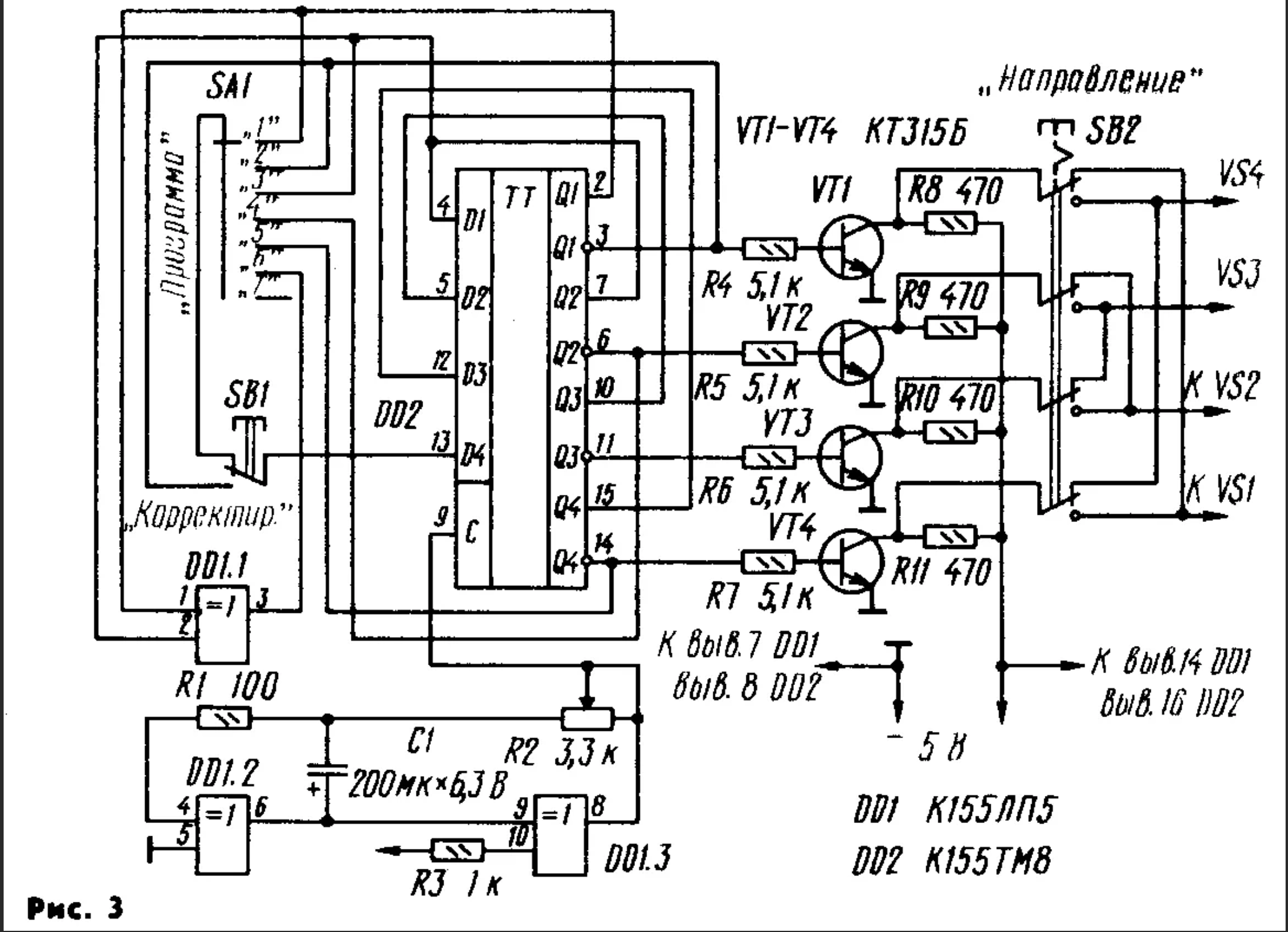
    Для начала схема простых, но очень эффектных четырёхканальных бегущих огней.
    Возможно использование симисторов, что слегка упростит схему.
    И видео работы: https://www.youtube.com/watch?v=bb50O5iXmN8
    Миниатюры Миниатюры Нажмите на изображение для увеличения. 

Название:	две микросхемы*— верный.png 
Просмотров:	288 
Размер:	885.0 Кб 
ID:	371230   Нажмите на изображение для увеличения. 

Название:	симистор управление.jpeg 
Просмотров:	201 
Размер:	219.9 Кб 
ID:	371231  

  2. #2
    Завсегдатай Аватар для Teoretic
    Регистрация
    03.08.2012
    Адрес
    г. Армавир Краснодарского края
    Возраст
    66
    Сообщений
    897

    По умолчанию Re: Для начинающих

    Уверены, что такое для начинающих?
    Во-первых, не показано соединение общего провода питания +5 В с цепью управления симистором.
    Во-вторых, схема гальванически связана с сетью. Не для начинающих.

  3. #3
    Старый знакомый Аватар для Aleksandr_M
    Регистрация
    09.01.2006
    Адрес
    Воронежская область
    Сообщений
    828

    По умолчанию Re: Для начинающих

    Имхо, сейчас "начинающий" такую штуку легче сделает на Ардуине, ну, или на ПИКе, кому что....

  4. #4
    Не хочу! Аватар для Alex
    Регистрация
    20.03.2003
    Адрес
    Worldwide
    Возраст
    63
    Сообщений
    39,057

    По умолчанию Re: Для начинающих

    Для начинающих - выкинуть симисторы с лампочками, и поставить светодиоды с выходов VS1-VS4 в минус.
    "Замполит, чайку?"(с)"Охота за Красным Октябрем".
    "Да мне-то что, меняйтесь!"(с)анек.
    <-- http://altor1.narod.ru --> Вопросы - в личку, е-мейл, скайп.

  5. #5
    Старый знакомый
    Автор темы

    Регистрация
    15.11.2009
    Сообщений
    714

    По умолчанию Re: Для начинающих

    Цитата Сообщение от Teoretic Посмотреть сообщение
    Уверены, что такое для начинающих?..
    Конечно, уверен, сам начинал с аналогичной. Во-первых, показано на втором фото. Во-вторых, ЭТО никого не пугало никогда, даже наоборот.
    Цитата Сообщение от Aleksandr_M Посмотреть сообщение
    ...легче сделает на Ардуине, ну, или на ПИКе, кому что....
    Легче? Это вряд ли.
    Если Не державший в руках ни одной микросхемы начинающий радиолюбитель не поймёт принципа построения логических схем, вряд ли он так вот сразу вникнет в программируемые устройства.
    Начинать надо с малого.
    Цитата Сообщение от Alex Посмотреть сообщение
    ...выкинуть симисторы с лампочками, и поставить светодиоды...
    Как с языка снял! https://www.youtube.com/watch?v=2x5QwVA9b0s
    И ко всем: Большое спасибо за проявленный интерес! Повторю, что буду весьма признателен за любые советы.
    Что дополнить, что изменить? Само видео не слишком топорно смонтировано?

  6. #6
    Частый гость Аватар для Tralfamadorin
    Регистрация
    08.07.2016
    Адрес
    Красногорск
    Возраст
    63
    Сообщений
    357

    По умолчанию Re: Для начинающих

    чисто имхо-

    Скрытый текст

    недолюбливаю схемы в которых при помощи симмисторов из 220 делается 10 Вольт. В начале 90-х был заказец от нарождающихся коммерсантов на дешевый блок питания для светильников с автомобильными галогенками . Все вроде хорошо с симмистором - дешево, просто. Схемка , конечно с оптронами, с однопереходным транзистором - все работало, тем не менее разок в неделю проскакивало чего-нибудь, симистор на миг открывался - соответственно лампочка взрывалась. Конечно , можно было вылизывать защиты от помех , но это время и себестоимость. В общем дешевле оказался импульсник.
    [свернуть]

    Скрытый текст

    Науш-Изо: ТДС- 5,5м,7,15,16,21,25, HiFiMan HE4,Audeze LCD2f, FostexT50RP. ДИНАМИЧ:много
    Усилит-SEна6н9с+6ф6с,OTL(от Danfi)6Н23П+4 шт6C19П-В,Усилитель Токарева,LynxHA61,Lynx HA46, Nazar, Семигор,
    ЦАПы- Camelot Arthur v3.0,Overture 2.3, NOS TDA1541
    [свернуть]

  7. #7
    Старый знакомый Аватар для Aleksandr_M
    Регистрация
    09.01.2006
    Адрес
    Воронежская область
    Сообщений
    828

    По умолчанию Re: Для начинающих

    Цитата Сообщение от Showbiz Посмотреть сообщение
    Если Не державший в руках ни одной микросхемы начинающий радиолюбитель не поймёт принципа построения логических схем
    ...Он всё равно легко "помигает светодиодом" на МК, а потом, если будет желание, "помигает" и несколькими светодиодами в любой последовательности, вот и получится "искомый результат"....

  8. #8
    Не хочу! Аватар для Alex
    Регистрация
    20.03.2003
    Адрес
    Worldwide
    Возраст
    63
    Сообщений
    39,057

    По умолчанию Re: Для начинающих

    Цитата Сообщение от Showbiz Посмотреть сообщение
    Как с языка снял!
    Дык, не первый день замужем....
    "Замполит, чайку?"(с)"Охота за Красным Октябрем".
    "Да мне-то что, меняйтесь!"(с)анек.
    <-- http://altor1.narod.ru --> Вопросы - в личку, е-мейл, скайп.

  9. #9
    Старый знакомый
    Автор темы

    Регистрация
    15.11.2009
    Сообщений
    714

    По умолчанию Re: Для начинающих

    Цитата Сообщение от Tralfamadorin Посмотреть сообщение
    чисто имхо - недолюбливаю схемы в которых при помощи симмисторов из 220 делается 10 Вольт...
    Извините, это что-то личное? Откуда оно и как относится к вышеприведённой схеме?
    Цитата Сообщение от Aleksandr_M Посмотреть сообщение
    ...Он всё равно легко "помигает светодиодом" на МК, а потом...
    Давайте скорее конкретное предложение, а ещё лучше - сделайте небольшое кино на эту тему.
    Цитата Сообщение от Alex Посмотреть сообщение
    Дык...
    А вот подкиньте какую идею, что ещё можно снять на тему входа или ввода начинающих в тему.
    Просто старые крутые перцы всё уже знают и везде побывали, ну а начинающие такую хрень ваяют, что глаза режут, таким весь Ютуб забит. В общем, надеюсь на Вашу помощь и совет!

  10. #10
    Старый знакомый Аватар для Aleksandr_M
    Регистрация
    09.01.2006
    Адрес
    Воронежская область
    Сообщений
    828

    По умолчанию Re: Для начинающих

    Цитата Сообщение от Showbiz Посмотреть сообщение
    сделайте небольшое кино на эту тему
    Таким "кино" уже пол-ютуба забито... https://yandex.ru/video/search?from=...B8%D0%BD%D0%BE
    Цитата Сообщение от Showbiz Посмотреть сообщение
    Давайте скорее конкретное предложение
    В смысле - выложить код(или исходник?) мигания светодиодом для Ардуино или ПИКа? Зачем??? Таких примеров в сети валом...
    ....А если чуть посложнее - вот, например: http://www.diyaudio.ru/forum/index.p...3361#msg163361

  11. #11
    Частый гость Аватар для Tralfamadorin
    Регистрация
    08.07.2016
    Адрес
    Красногорск
    Возраст
    63
    Сообщений
    357

    По умолчанию Re: Для начинающих

    Цитата Сообщение от Showbiz Посмотреть сообщение
    Извините, это что-то личное? Откуда оно и как относится к вышеприведённой схеме?

    Скрытый текст

    Вышеприведенная схема годится только иллюстрации принципа действия симмисторного управления. Как вы думаете разработчики ставят зря оптронные развязки в цепи управления симисторов? У симисторов много как плюсов ( низкая цена, управление большой мощностью) так и много минусов. Например, при перегреве он может перестать реагировать на цепь управления, т е будет постоянно открываться. После охлаждения - нормально работает - управляется. С этим тоже сталкивался. Кратковременные коммутационные помехи, как уже выше писал- тоже спалят ваши лампы. Впрочем у вас конкретно это может и не случится.
    [свернуть]

    Скрытый текст

    Науш-Изо: ТДС- 5,5м,7,15,16,21,25, HiFiMan HE4,Audeze LCD2f, FostexT50RP. ДИНАМИЧ:много
    Усилит-SEна6н9с+6ф6с,OTL(от Danfi)6Н23П+4 шт6C19П-В,Усилитель Токарева,LynxHA61,Lynx HA46, Nazar, Семигор,
    ЦАПы- Camelot Arthur v3.0,Overture 2.3, NOS TDA1541
    [свернуть]

  12. #12
    Старый знакомый
    Автор темы

    Регистрация
    15.11.2009
    Сообщений
    714

    По умолчанию Re: Для начинающих

    Tralfamadorin, откуда Вы взяли, что в схеме из первого поста при помощи симисторов из 230 Вольт "делается" десять? Где это вообще?
    Может, я чего не понимаю в своих схемах?..

  13. #13
    Частый гость Аватар для Tralfamadorin
    Регистрация
    08.07.2016
    Адрес
    Красногорск
    Возраст
    63
    Сообщений
    357

    По умолчанию Re: Для начинающих

    Цитата Сообщение от Showbiz Посмотреть сообщение
    Tralfamadorin, откуда Вы взяли, что в схеме из первого поста при помощи симисторов из 230 Вольт "делается" десять? Где это вообще?
    Посмотрел внимательнее. Лампы 220 - вопросов нет.

    Скрытый текст

    Науш-Изо: ТДС- 5,5м,7,15,16,21,25, HiFiMan HE4,Audeze LCD2f, FostexT50RP. ДИНАМИЧ:много
    Усилит-SEна6н9с+6ф6с,OTL(от Danfi)6Н23П+4 шт6C19П-В,Усилитель Токарева,LynxHA61,Lynx HA46, Nazar, Семигор,
    ЦАПы- Camelot Arthur v3.0,Overture 2.3, NOS TDA1541
    [свернуть]

  14. #14
    Завсегдатай Аватар для Teoretic
    Регистрация
    03.08.2012
    Адрес
    г. Армавир Краснодарского края
    Возраст
    66
    Сообщений
    897

    По умолчанию Re: Для начинающих

    Еще надо указывать аналоги для советских микросхем. А то я тоже выложил свою ЦМУ с цифровыми фильтрами, так жаловались, не найти этих микросхем!

  15. #15
    Старый знакомый
    Автор темы

    Регистрация
    15.11.2009
    Сообщений
    714

    По умолчанию Re: Для начинающих

    Цитата Сообщение от Tralfamadorin Посмотреть сообщение
    ...вопросов нет.
    Вот и славно!
    Что касается гальванической развязки схемы управления и симистора, то она никак не влияет на надёжность работы симистора.
    Оптроны применяют тогда, когда необходимо исключить сетевой потенциал на схеме управления, например в цветомузыкальных установках.
    В так любимых мною Электрониках-004 на заводе иногда в качестве развязки ставили даже реле. )))
    Ну а в бегущих огнях, что тиристоры, что симисторы легко открываются напрямую - транзисторными ключами.

  16. #16
    Завсегдатай Аватар для Teoretic
    Регистрация
    03.08.2012
    Адрес
    г. Армавир Краснодарского края
    Возраст
    66
    Сообщений
    897

    По умолчанию Re: Для начинающих

    Схему все-таки поправьте.
    По какой цепи замыкается ток управления симистором?

  17. #17
    Старый знакомый
    Автор темы

    Регистрация
    15.11.2009
    Сообщений
    714

    По умолчанию Re: Для начинающих

    Цитата Сообщение от Teoretic Посмотреть сообщение
    Схему все-таки поправьте. По какой цепи замыкается ток управления симистором?
    Так со схемой всё в порядке, как и с управлением симистора. Специально сделал скан из первого поста и показал стрелками. Синенькая для транзистора, красненькая для симистора…
    Если не прав, прошу поправить, хотя таким образом открываю симисторы уже сорок лет...
    Миниатюры Миниатюры Нажмите на изображение для увеличения. 

Название:	001.png 
Просмотров:	120 
Размер:	1.08 Мб 
ID:	371384  

  18. #18
    Завсегдатай Аватар для Teoretic
    Регистрация
    03.08.2012
    Адрес
    г. Армавир Краснодарского края
    Возраст
    66
    Сообщений
    897

    По умолчанию Re: Для начинающих

    У Вас на схеме не показаны источники питания, и как они соединены с общим проводом, отсюда и вопросы

  19. #19
    Старый знакомый
    Автор темы

    Регистрация
    15.11.2009
    Сообщений
    714

    По умолчанию Re: Для начинающих

    Полагал, что такие элементарные вещи понятны даже начинающим… Спасибо, исправлюсь...

  20. #20
    Частый гость Аватар для АндрейДи
    Регистрация
    03.01.2016
    Адрес
    Ярославль
    Сообщений
    183

    По умолчанию Re: Для начинающих

    А еще указать первоисточник схемы в журнале Радио №11 от 1986г, где использованы 155ЛА3, 155ЛЕ1 и 155ТМ2. Заодно и описано, как схема работает.

Страница 1 из 2 12 Последняя

Социальные закладки

Социальные закладки

Ваши права

  • Вы не можете создавать новые темы
  • Вы не можете отвечать в темах
  • Вы не можете прикреплять вложения
  • Вы не можете редактировать свои сообщения
  •