Показано с 1 по 14 из 14

Тема: Вперёд-назад на трёх детальках.

  1. #1
    Старый знакомый
    Автор темы
    Аватар для thickman
    Регистрация
    01.03.2006
    Адрес
    Смоленск
    Возраст
    62
    Сообщений
    681

    По умолчанию Вперёд-назад на трёх детальках.

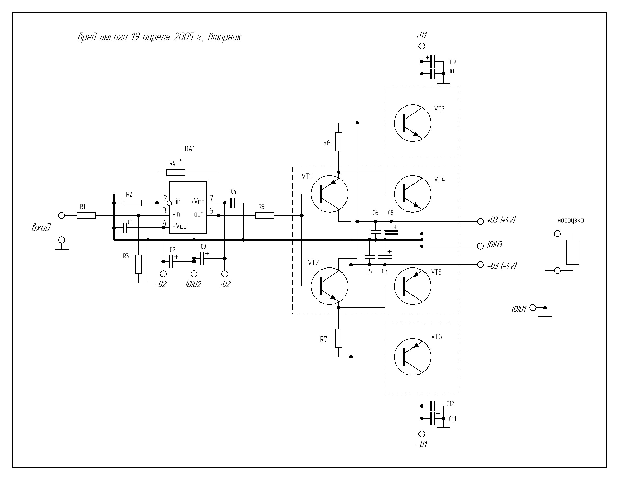
    В базовом варианте три активных компонента всего: один ОУ и пара дарлингтонов. Питание ОУ следящее и включен он повторителем, в результате синфазной болтанки на входах нет, условия работы тепличные, режим малосигнальный, поэтому подойдут и низковольтные операционники.
    Я знаю - левая схемка с токовым ОУ рискует попасть на другой форум в раздел "курьёзы схемотехники", но я не настаиваю на показанном мракобесии, так, лишь бы идея была понятной. Для ОС-ного исполнения – нормальную двойку-тройку в режиме АВ и какой-нить хороший мудрёный композит на ОУ с грамотной общей обратной связью. Но благодаря(гы) ПОС, в симуляторе этот левак устойчив и в таком виде, разве что выход из ограничения некультурный. Модельку прикрепил.
    Правая схема – по мотивам Квода, композит на ОУ здесь тоже не помешал бы. На ПОС и трансформаторе тоже не настаиваю, пмсм, можно оставить поделку с единичным усилением, лишь для линеаризации выходного каскада, а вместо транса и ПОС - лампу применить, или другой УН согласно предпочтениям.
    Миниатюры Миниатюры Нажмите на изображение для увеличения. 

Название:	вперёд-назад.gif 
Просмотров:	1045 
Размер:	150.8 Кб 
ID:	360352  
    Вложения Вложения
    крупный радиолюбитель

  2. #2
    Завсегдатай
    Регистрация
    14.04.2009
    Адрес
    рядом с Москвой
    Сообщений
    4,446

    По умолчанию Re: Вперёд-назад на трёх детальках.

    Во всех моделях оу которые я пробовал в лтс, плавающее питание не работало нормально, надо дискретный аналог собирать.

  3. #3
    Старый знакомый
    Автор темы
    Аватар для thickman
    Регистрация
    01.03.2006
    Адрес
    Смоленск
    Возраст
    62
    Сообщений
    681

    По умолчанию Re: Вперёд-назад на трёх детальках.

    Может, реализация следящего питания была иной? У меня работает модель. В микрокапе крутил лет десять назад эти схемки, тоже проблем не помню. Ну а в железе, едва ли не все немолодые участники форума собирали в юности параллельник А.Агеева со следящим питанием ОУ, и у всех он работал.
    Предполагалось показать три варианта схемы – с коррекцией на входе усилителя (связью назад), с кводовской связью вперед, и их комбинацию вперёд-назад. Пока отказался от коррекции на входе, не очень она мне по душе. А название темы понравилось, решил не менять. На картинках набросок "связи назад" в капе и LTspice:
    Миниатюры Миниатюры Нажмите на изображение для увеличения. 

Название:	коррекция на вход.gif 
Просмотров:	311 
Размер:	6.7 Кб 
ID:	360362   Нажмите на изображение для увеличения. 

Название:	на входе.gif 
Просмотров:	283 
Размер:	180.2 Кб 
ID:	360363  
    крупный радиолюбитель

  4. #4
    Завсегдатай Аватар для fakel
    Регистрация
    30.11.2007
    Адрес
    Оренбург
    Возраст
    42
    Сообщений
    11,265

    По умолчанию Re: Вперёд-назад на трёх детальках.

    Последний раз редактировалось fakel; 18.12.2019 в 22:08.

  5. #5
    Старый знакомый
    Автор темы
    Аватар для thickman
    Регистрация
    01.03.2006
    Адрес
    Смоленск
    Возраст
    62
    Сообщений
    681

    По умолчанию Re: Вперёд-назад на трёх детальках.

    Здесь на форуме показывал двенадцать лет назад: Для максимально простой схемы в раскачку достаточно одного ОУ с подвешенным относительно выхода питанием, для исключения синфазного сигнала ОУ включаем повторителем, для Кu больше единицы заводим ПОС. Корректирующий сигнал подаём в цепь ПОС - смотри рис.1
    Вложения старые удалил нечаянно, но слов топором не вырубить, со слов тоже понятно всё.
    Метода интересна своей универсальностью – подходят низковольтные качественные ОУ и композиты на их основе. В отличии от "А.Агеевского" варианта - ОУ в малосигнальном режиме. И топологии разные можно реализовать, в том числе без общей ООС.
    Ну а трансформатор сигнальный, спасибо Мстатору за счастливую старость, - теперь наножелезяки доступны всем.
    крупный радиолюбитель

  6. #6
    Забанен (навсегда)
    Регистрация
    27.02.2005
    Адрес
    село Самбек
    Сообщений
    2,080

    По умолчанию Re: Вперёд-назад на трёх детальках.

    Цитата Сообщение от thickman Посмотреть сообщение
    Питание ОУ следящее и включен он повторителем, в результате синфазной болтанки на входах нет, условия работы тепличные, режим малосигнальный, поэтому подойдут и низковольтные операционники.
    Как-то лепил подобное.
    Типо мощный повторитель. На входе усилитель напряжения. Общей ООС с выхода повторителя на вход УН не предполагается. Питания U2, U3 "висячие", от мелкого ВЧ преобразователя.

    Нажмите на изображение для увеличения. 

Название:	мощный повторитель_каскод.JPG 
Просмотров:	493 
Размер:	243.7 Кб 
ID:	360374

  7. #7
    Завсегдатай
    Регистрация
    14.04.2009
    Адрес
    рядом с Москвой
    Сообщений
    4,446

    По умолчанию Re: Вперёд-назад на трёх детальках.

    Цитата Сообщение от thickman Посмотреть сообщение
    Ну а трансформатор сигнальный, спасибо Мстатору за счастливую старость, - теперь наножелезяки доступны всем.
    А есть замеры на нч-сч-вч реально намотанных трансов? Всё никак не решу, надо его секционировать или нет

  8. #8
    Завсегдатай Аватар для fakel
    Регистрация
    30.11.2007
    Адрес
    Оренбург
    Возраст
    42
    Сообщений
    11,265

    По умолчанию Re: Вперёд-назад на трёх детальках.


  9. #9
    Старый знакомый
    Автор темы
    Аватар для thickman
    Регистрация
    01.03.2006
    Адрес
    Смоленск
    Возраст
    62
    Сообщений
    681

    По умолчанию Re: Вперёд-назад на трёх детальках.

    Ну да, вначале похожий подход и всё хорошо было, а потом зачем-то голой попой на кактус сели:
    Цитата Сообщение от fakel Посмотреть сообщение
    организуем ему с выхода ВК в попу ОУ вложенную частотнозависимую ООС с 1 или 2мя полюсами
    Мне ближе подход Малиновского из соседней ветки: если уж без общей ООС - тогда качественный повторитель с ПОС и летающим питанием. И на мой непросвещенный взгляд, в это место великолепно подходит неинвертирующий повторитель на ОУ со следящим питанием. Если предположить, что где-то там, от режиссерского пульта до УМ уже был ОУ в малосигнальном режиме и остался незамеченным на слух, тогда почему этот же (или лучший по параметрам) нельзя применить в безОООСном УМ, в том же малосигнальном режиме? Единственный серьезный минус в такой топологии – разделительный трансформатор.


    Цитата Сообщение от mellowman Посмотреть сообщение
    А есть замеры на нч-сч-вч реально намотанных трансов?
    Нету. Пмсм, для разделительного несильноповышающего трансформатора, работающего от источника с низким выходным сопротивлением, требования смягчаются. Особенно на высокопроницаемом нанокристаллическом сердечнике. Но мнения по поводу звучания нанотрансформаторов противоположные. Коллега hydr ругает, типо, за визгливость противную. Другие - в полном восторге за незаметность в тракте. В общем, всё как обычно в аудио, когда речь заходит о слуховых оценках. Голландец Менно Вандервин (по непроверенным данным) в своих тороидальных трансах применяет нанокристаллические сердечники.
    Последний раз редактировалось thickman; 21.12.2019 в 15:23.
    крупный радиолюбитель

  10. #10
    Завсегдатай Аватар для fakel
    Регистрация
    30.11.2007
    Адрес
    Оренбург
    Возраст
    42
    Сообщений
    11,265

    По умолчанию Re: Вперёд-назад на трёх детальках.

    Цитата Сообщение от thickman Посмотреть сообщение
    Единственный серьезный минус в такой топологии – разделительный трансформатор.
    Не, смотри как работают балуны в антеннах. Здесь - тот же принцип

  11. #11
    Старый знакомый
    Автор темы
    Аватар для thickman
    Регистрация
    01.03.2006
    Адрес
    Смоленск
    Возраст
    62
    Сообщений
    681

    По умолчанию Re: Вперёд-назад на трёх детальках.

    - примерно догадываюсь, с какой радости в студийную аппаратуру наторканы согласующие симметричные трансики.
    Упс, на своих картинках и модельках косяк обнаружил. При объединении схем в одну кучу забыл разъединить летающие источники для левой и правой схемок. Надо лейблы переименовать на одной из них. Сразу проявится огрех в работе кводовского компенсатора.
    Последний раз редактировалось thickman; 20.12.2019 в 16:52.
    крупный радиолюбитель

  12. #12
    Завсегдатай Аватар для fakel
    Регистрация
    30.11.2007
    Адрес
    Оренбург
    Возраст
    42
    Сообщений
    11,265

    По умолчанию Re: Вперёд-назад на трёх детальках.

    Цитата Сообщение от thickman Посмотреть сообщение
    а потом зачем-то голой попой на кактус сели:
    См пост https://forum.vegalab.ru/showthread....=1#post2709668
    предложенная мною топология отлично вписывается в концепцию: апериодический ИНУН (ОУ от входа до выхода) + интегрирующий ВК (ВК внутри ОУ, для корреции включен с ОБ, выход ОУ явл инв входом, зеркало и собственно ВК)

  13. #13
    Старый знакомый
    Автор темы
    Аватар для thickman
    Регистрация
    01.03.2006
    Адрес
    Смоленск
    Возраст
    62
    Сообщений
    681

    По умолчанию Re: Вперёд-назад на трёх детальках.

    У меня ОУ хоть и в неинвертирующем включении, однако напряжение на неинвертирующем входе – нулевое в первом приближении относительно плавающей земли. И на выходе крохи относительно того же нуля питания ОУ. То есть, режим кругом малосигнальный, кроме того может выполнять другие полезные функции не выходя из тепличного режима работы, например корректировать искажения спереди или сзади. Ради всего этого я пошёл на серьёзную жертву, оторвал источник сигнала от земли. Крайне непрактичное решение, но мне кажется, оно того стоит. У вас совсем другая схема, если я из неё что-то впишу в свою, тогда, как я себе это представляю, лишусь выстраданных преимуществ, получится вписанный кактус.
    В попу ОУ что-то вписывать – опять видится кактус.
    Заманчиво бы вообще без ПОС, чисто повышающий транс, но это вряд ли, опыта нет. Гадаю вот, сколько на ПОС, а сколько на Ктр отдать.
    крупный радиолюбитель

  14. #14
    Завсегдатай
    Регистрация
    14.04.2009
    Адрес
    рядом с Москвой
    Сообщений
    4,446

    По умолчанию Re: Вперёд-назад на трёх детальках.

    Цитата Сообщение от thickman Посмотреть сообщение
    Заманчиво бы вообще без ПОС, чисто повышающий транс, но это вряд ли, опыта нет. Гадаю вот, сколько на ПОС, а сколько на Ктр отдать.
    Ещё вариант для гадания подкину: сделать R2-R5 потенциометром и использовать как РГ

Социальные закладки

Социальные закладки

Ваши права

  • Вы не можете создавать новые темы
  • Вы не можете отвечать в темах
  • Вы не можете прикреплять вложения
  • Вы не можете редактировать свои сообщения
  •