Страница 1 из 2 12 Последняя
Показано с 1 по 20 из 25

Тема: Как загрубить чувствительность входа транзисторного усилителя?

  1. #1
    Завсегдатай
    Автор темы
    Аватар для dyno
    Регистрация
    12.10.2010
    Адрес
    Минск
    Возраст
    48
    Сообщений
    1,071

    По умолчанию Как загрубить чувствительность входа транзисторного усилителя?

    Доброго.
    Помогите, плз, как загрубить чувствительность без вреда звуку?
    Старый транзисторник, зарисовал схему входа. Если нужно зарисую дальше.
    Сейчас чувствительность порядка 0,2-2,5В, надо бы примерно до 6 - 10В поднять.
    Нажмите на изображение для увеличения. 

Название:	_20190203_203325.JPG 
Просмотров:	835 
Размер:	1.14 Мб 
ID:	338427

  2. #2
    Давно не заходил
    Регистрация
    14.04.2009
    Адрес
    рядом с Москвой
    Сообщений
    4,446

    По умолчанию Re: Как загрубить чувствительность входа транзисторного усилителя?

    Осцилл есть? Лучше всего уменьшить К.У. усилителя.

  3. #3
    Завсегдатай
    Автор темы
    Аватар для dyno
    Регистрация
    12.10.2010
    Адрес
    Минск
    Возраст
    48
    Сообщений
    1,071

    По умолчанию Re: Как загрубить чувствительность входа транзисторного усилителя?

    Не, в схему лезть совсем неохота... Её тогда придётся всю рисовать.
    Нельсон Пасс плохого не посоветует. Просто тогда не было такой потребности, вот и хочу без вмешательств подправить.

  4. #4
    Давно не заходил
    Регистрация
    07.12.2017
    Адрес
    Красноярск
    Возраст
    55
    Сообщений
    193

    По умолчанию Re: Как загрубить чувствительность входа транзисторного усилителя?

    А просто резюк на вход кОм на 50?

  5. #5
    Завсегдатай
    Автор темы
    Аватар для dyno
    Регистрация
    12.10.2010
    Адрес
    Минск
    Возраст
    48
    Сообщений
    1,071

    По умолчанию Re: Как загрубить чувствительность входа транзисторного усилителя?

    Нужно сохранить диапазон, да и не думаю, что это самое правильное решение.
    Скорее тогда замена потенциометра на 50К.

  6. #6
    Давно не заходил
    Регистрация
    07.12.2017
    Адрес
    Красноярск
    Возраст
    55
    Сообщений
    193

    По умолчанию Re: Как загрубить чувствительность входа транзисторного усилителя?

    Цитата Сообщение от dyno Посмотреть сообщение
    Нужно сохранить диапазон, да и не думаю, что это самое правильное решение.
    Скорее тогда замена потенциометра на 50К.
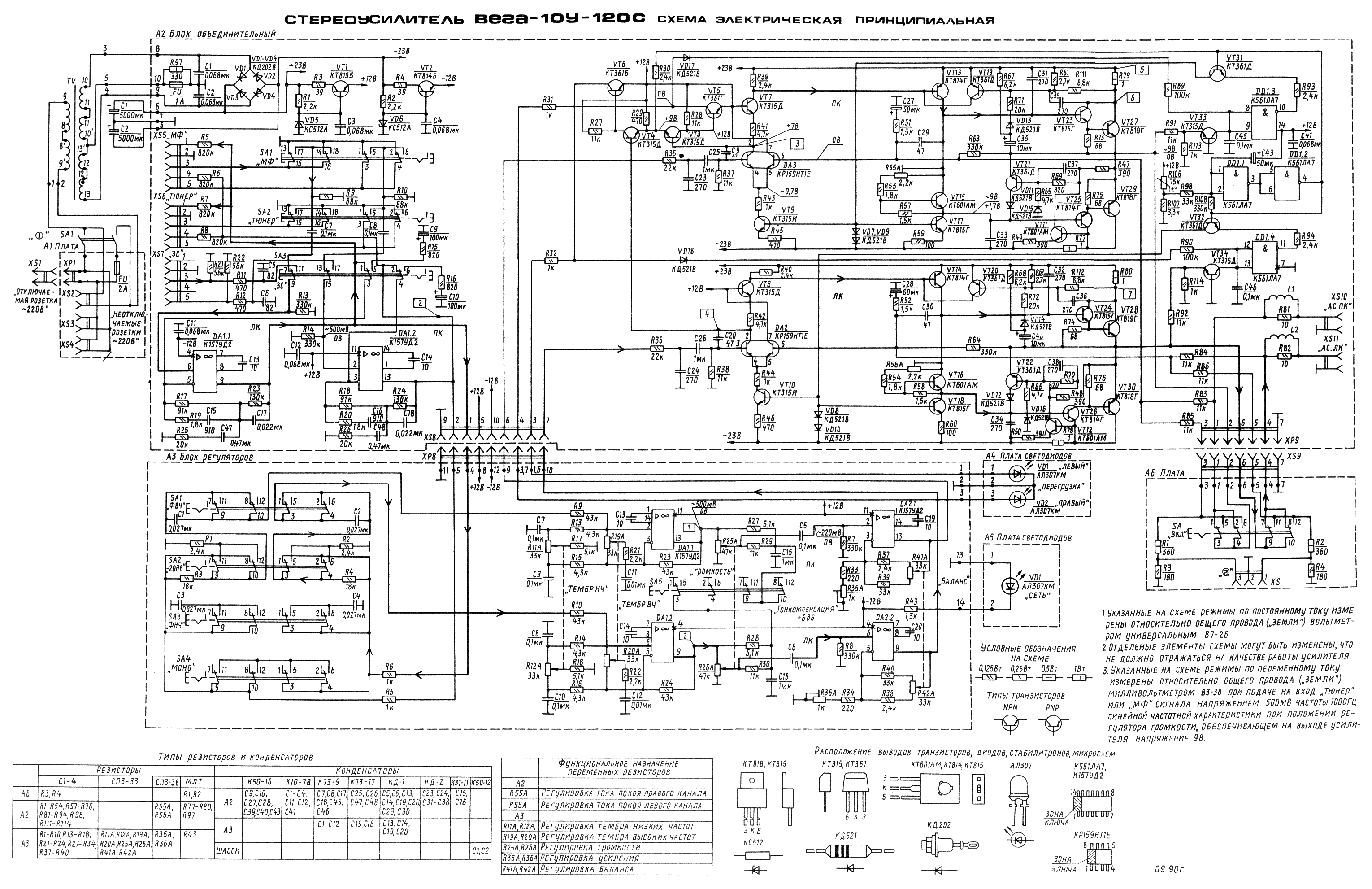
    Я на самом деле сам начинающий. Но на днях парился с хренью ровно наоборот. Прилагаю схему, там на входе УМ резюки в 22кОм (R35, R36) и сигнал на входе УМ был около 5В с темброблока и преда. За резюком уже меньше 2В. Поменял их на 1кОм и подключился c компа напрямую к УМ мимо свистоперделок. Нормуль
    Нажмите на изображение для увеличения. 

Название:	Вега 10у-120с схема ldsound.ru.gif 
Просмотров:	668 
Размер:	480.1 Кб 
ID:	338428
    Последний раз редактировалось adryan; 03.02.2019 в 21:55.

  7. #7
    Завсегдатай Аватар для теоретизирующий практик
    Регистрация
    03.07.2011
    Адрес
    Ставропольский край
    Сообщений
    2,051

    По умолчанию Re: Как загрубить чувствительность входа транзисторного усилителя?

    Цитата Сообщение от dyno Посмотреть сообщение
    Не, в схему лезть совсем неохота...
    Как загубить? Тогда на входные клеммы два дополнительных делителя 11:1 на сопротивлениях 10кОм и 1кОм. Самый простой вариант.
    Анатолий

  8. #8
    Завсегдатай
    Автор темы
    Аватар для dyno
    Регистрация
    12.10.2010
    Адрес
    Минск
    Возраст
    48
    Сообщений
    1,071

    По умолчанию Re: Как загрубить чувствительность входа транзисторного усилителя?

    То есть замена потенциометра на 100К например - не вариант?
    И что будет с нижней границей чувствительности?

  9. #9
    Завсегдатай Аватар для теоретизирующий практик
    Регистрация
    03.07.2011
    Адрес
    Ставропольский край
    Сообщений
    2,051

    По умолчанию Re: Как загрубить чувствительность входа транзисторного усилителя?

    Цитата Сообщение от dyno Посмотреть сообщение
    То есть замена потенциометра на 100К например - не вариант?
    Я бы не ставил. Слишком большой диапазон предустановки. Большое сопротивление потенциально увеличивает шумы, начинают влиять ёмкости монтажа, хоть и немного...

    Цитата Сообщение от dyno Посмотреть сообщение
    И что будет с нижней границей чувствительности?
    Если регулировалась с 0,20 до 2,5В, то станет регулироваться с 2,2 до 25В (примерно). Несложно посчитать, но разница при точном подсчёте небольшая.
    Анатолий

  10. #10
    Завсегдатай
    Автор темы
    Аватар для dyno
    Регистрация
    12.10.2010
    Адрес
    Минск
    Возраст
    48
    Сообщений
    1,071

    По умолчанию Re: Как загрубить чувствительность входа транзисторного усилителя?

    То есть от слабого сигнала типа 1В будет очень тихо играть, что не хотелось бы.

  11. #11
    Hate cookies Аватар для abonent007
    Регистрация
    15.04.2009
    Адрес
    Минск
    Сообщений
    2,430

    По умолчанию Re: Как загрубить чувствительность входа транзисторного усилителя?

    Цитата Сообщение от dyno Посмотреть сообщение
    Старый транзисторник, зарисовал схему входа. Если нужно зарисую дальше.
    Не проще ли название усилителя написать?

    ps. Чувствительность убирается или выбрасыванием из схемы преда, или корректировкой резисторов в ООС самого усилителя

  12. #12
    Завсегдатай
    Автор темы
    Аватар для dyno
    Регистрация
    12.10.2010
    Адрес
    Минск
    Возраст
    48
    Сообщений
    1,071

    По умолчанию Re: Как загрубить чувствительность входа транзисторного усилителя?

    Цитата Сообщение от abonent007 Посмотреть сообщение
    Не проще ли название усилителя написать?
    Soundstream D60 . Стало проще? ;)


    Цитата Сообщение от abonent007 Посмотреть сообщение
    Чувствительность убирается или выбрасыванием из схемы преда, или корректировкой резисторов в ООС самого усилителя
    То есть сейчас она от 0,2 до 2,5 так и реализована? Где это на схеме?

    ЗЫ Корректировать схему собственно усилительной части я собираюсь в последнюю очередь, если не будет другого решения...

  13. #13
    Hate cookies Аватар для abonent007
    Регистрация
    15.04.2009
    Адрес
    Минск
    Сообщений
    2,430

    По умолчанию Re: Как загрубить чувствительность входа транзисторного усилителя?

    Цитата Сообщение от dyno Посмотреть сообщение
    Soundstream D60 . Стало проще? ;)
    Конечно. Это не "старый транзисторник", а типичный усилитель для авто. Соответственно не та ветка
    Кстати на моей памяти за прошлый год было минимум три таких темы "как понизить чувствительность автомобильного усилителя". Имхо проще спросить в ветке по автоусилителям. Особенно без наличия схемы

    ---------- Сообщение добавлено 10:53 ---------- Предыдущее сообщение было 10:51 ----------

    Цитата Сообщение от dyno Посмотреть сообщение
    Корректировать схему собственно усилительной части я собираюсь в последнюю очередь, если не будет другого решения...
    Ну и зря. Прошлый раз там на входе стоял ОУ с задранным усилением. Оно ж не само собой появилось такое усиление

  14. #14
    Частый гость Аватар для zstk-nsk
    Регистрация
    20.11.2015
    Сообщений
    169

    По умолчанию Re: Как загрубить чувствительность входа транзисторного усилителя?

    Без осциллографа уменьшением резисторов R63 и R64 он его почти наверняка в генератор превратит )

  15. #15
    Завсегдатай
    Автор темы
    Аватар для dyno
    Регистрация
    12.10.2010
    Адрес
    Минск
    Возраст
    48
    Сообщений
    1,071

    По умолчанию Re: Как загрубить чувствительность входа транзисторного усилителя?

    А на фрагменте схемы не видно, куда уходит сигнал? Нет там ОУ.
    Нажмите на изображение для увеличения. 

Название:	f31014cb.jpg 
Просмотров:	457 
Размер:	402.4 Кб 
ID:	338464

    ---------- Сообщение добавлено 11:08 ---------- Предыдущее сообщение было 11:07 ----------

    Цитата Сообщение от zstk-nsk Посмотреть сообщение
    Без осциллографа уменьшением резисторов R63 и R64 он его почти наверняка в генератор превратит )
    Такое чувство, что вы схемой богаты?

  16. #16
    Частый гость Аватар для zstk-nsk
    Регистрация
    20.11.2015
    Сообщений
    169

    По умолчанию Re: Как загрубить чувствительность входа транзисторного усилителя?

    Нет конечно, не внимателен был. Может быть проще будет нарисовать схему ? вряд ли она сильно сложная.

  17. #17
    Завсегдатай
    Автор темы
    Аватар для dyno
    Регистрация
    12.10.2010
    Адрес
    Минск
    Возраст
    48
    Сообщений
    1,071

    По умолчанию Re: Как загрубить чувствительность входа транзисторного усилителя?

    Плата двухсторонняя, всё компактно, опыта нет.
    Пока предложили уменьшить номинал резистора 2К. Думаю попробовать 1К, должно быть норм.

  18. #18
    Завсегдатай
    Автор темы
    Аватар для dyno
    Регистрация
    12.10.2010
    Адрес
    Минск
    Возраст
    48
    Сообщений
    1,071

    По умолчанию Re: Как загрубить чувствительность входа транзисторного усилителя?

    Оставил 500ом пока.

  19. #19
    Завсегдатай
    Автор темы
    Аватар для dyno
    Регистрация
    12.10.2010
    Адрес
    Минск
    Возраст
    48
    Сообщений
    1,071

    По умолчанию Re: Как загрубить чувствительность входа транзисторного усилителя?

    Попробуем шагнуть далее.
    Зарисовал как смог схему входного каскада, выходные транзисторы показаны условно. Переключатель перевода в мостовой режим тож не разворачивал. Два диода на схеме это скорее всего стабилитроны, стеклянные, или что-то в этом смысле.
    Варианта два:
    1. Подать сигнал минуя входной каскад
    2. Понизить Ку, чтоб снизить чувствительность усилителя.
    Миниатюры Миниатюры Нажмите на изображение для увеличения. 

Название:	_20190208_210450.JPG 
Просмотров:	187 
Размер:	1,008.9 Кб 
ID:	338954  

  20. #20
    Завсегдатай
    Автор темы
    Аватар для dyno
    Регистрация
    12.10.2010
    Адрес
    Минск
    Возраст
    48
    Сообщений
    1,071

    По умолчанию Re: Как загрубить чувствительность входа транзисторного усилителя?

    Хелп...

    ---------- Сообщение добавлено 15:04 ---------- Предыдущее сообщение было 11:33 ----------

    Нашел схему-аналог. В ней проще ориентироваться.
    Нажмите на изображение для увеличения. 

Название:	8c448e524a05f75663327787e4dc1ffd.jpeg 
Просмотров:	511 
Размер:	27.3 Кб 
ID:	339192

Страница 1 из 2 12 Последняя

Социальные закладки

Социальные закладки

Ваши права

  • Вы не можете создавать новые темы
  • Вы не можете отвечать в темах
  • Вы не можете прикреплять вложения
  • Вы не можете редактировать свои сообщения
  •