Страница 1 из 4 123 ... Последняя
Показано с 1 по 20 из 69

Тема: Собран тяжёлый аналог гибрида AI-51 НЭМ Новосибирск

  1. #1
    Частый гость
    Автор темы
    Аватар для Dimatishov
    Регистрация
    07.10.2005
    Возраст
    48
    Сообщений
    147

    По умолчанию Собран тяжёлый аналог гибрида AI-51 НЭМ Новосибирск

    Приветствую всех.
    Хочу поделится конструкцией полноценного клона известного усилителя AI-51 НЭМ Новосибирск.
    http://www.nemrussia.com/site/jscnem...oduction/ai-50
    Усилитель эксплуатируется несколько лет.

    В продолжение этой темы:
    https://forum.vegalab.ru/showthread.php?t=20135&page=5&

    Конструкция собрана по оригинальной схеме автора, в виду того, что после некоторых экспериментов оказалось, что любые изменения ухудшают схему.
    Усилитель в отличии от оригинала собран на лампе 6С45П в усилителе напряжения. Кенотрон использован 5Ц4С.

    Согласующие трансформаторы расчитаны исходя из статьи: "Триод 6С45П. Мифы и реальность." Олег Разин 19.04.2009 02:16 с сайта
    http://musatoffcv.narod.ru/Docs/6S45P.htm
    Мусатова Константина Владимировича, а так же исходя из советов автора Алексея Бурцева.

    В итоге всё что написано про этот усилитель в просторах интернета услышал у себя. Это конечно не оригинал, не претендую, но концепция та же.
    В итоге мощность усилителя около 70Вт на 4Ом, справляется с любой акустикой, бас конечно не такой как у нормальных транзисторников, но куда намного лучше
    чем у чистого лампоида... Середина - это просто волшебство. Поёт реально как нормальный лампоид - не оторвёшься... Высокие как высокие, удар по тарелкам
    из тестовых треков как удар по тарелкам, не ватный, не шипящий - четкий, резкий как натуральный... (В живую есть где постучать - сравнить). Немного меньше
    детальности чем на транзисторном. Сцена передаётся полностью. Усилитель "всеяден", даже рок ему ни по чём. Гитары отрабатывает на ура. Без каши.

    Пока не собрал ни один транзисторник, который бы перепел этот гибрид... Хотя собрал один по мотивам Александра Котова "Усилитель без драйверного каскада"
    http://akotov.narod.ru/amp.html
    который плиближается к этому гибриду, но по певучести хоть чуть-чуть немного уступает, но это будет другая ветка - опишу там.

    Статью: РАСЧЕТ БЛОКА ПИТАНИЯ УСИЛИТЕЛЯ С ИНДУКТИВНЫМ ВХОДОМ А.Ю. Соколов
    РАСЧЕТ БЛОКА ПИТАНИЯ УСИЛИТЕЛЯ С ИНДУКТИВНЫМ ВХОДОМ А.Ю. Соколов.pdf

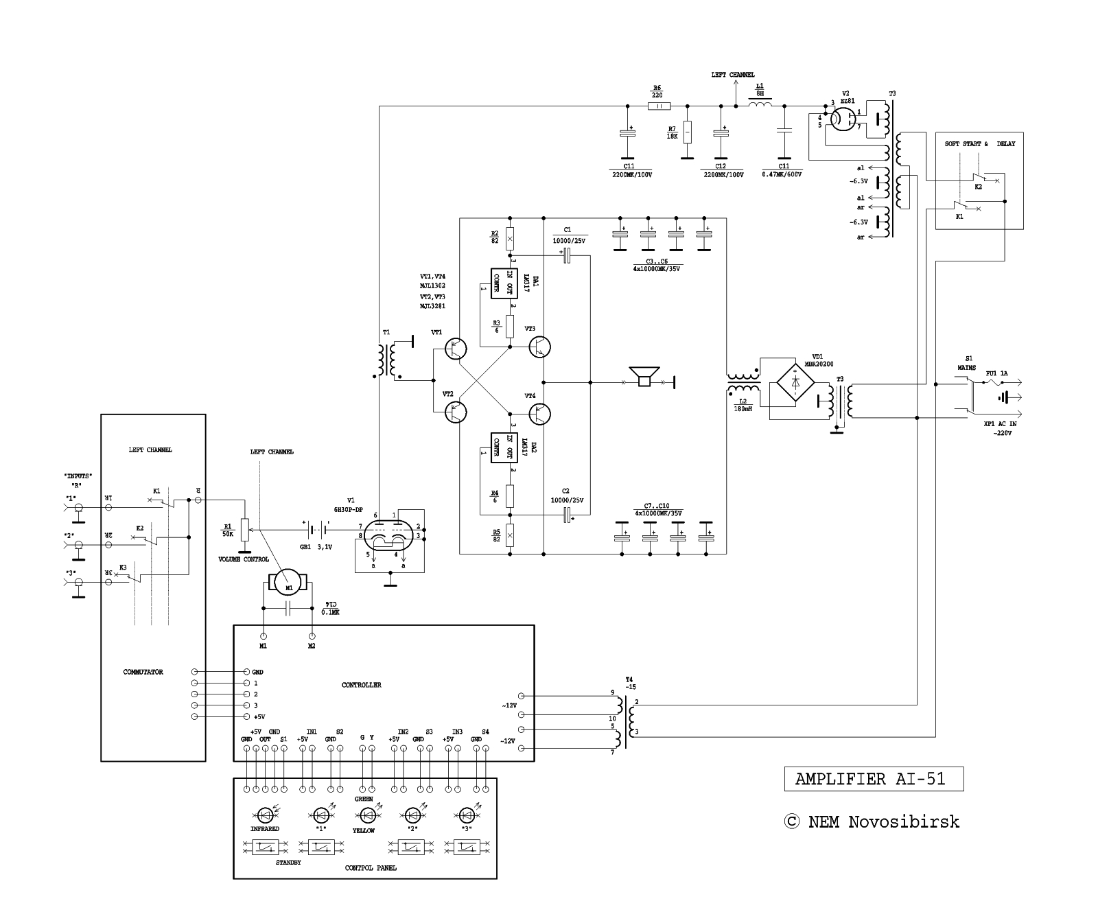
    Схему публикую с разрешения автора (давно было дело). Ну и собственно все получившиеся характеристики усилителя. Можно критиковать.

    1. Схема с ошибкой (только для ознакомления) 2. Искажения при 2V RMS на выходе 3. Искажения при 17V RMS на выходе (ограничение при 18V)
    Нажмите на изображение для увеличения. 

Название:	ai51.jpg 
Просмотров:	3798 
Размер:	220.4 Кб 
ID:	221567 Нажмите на изображение для увеличения. 

Название:	[ASIO] Xonar DX + AMP (2V RMS) ASIO 16-bit, 44 kHz.jpg 
Просмотров:	1266 
Размер:	261.9 Кб 
ID:	221565 Нажмите на изображение для увеличения. 

Название:	[ASIO] Xonar DX + AMP (17V RMS) ASIO 16-bit, 44 kHz.jpg 
Просмотров:	1159 
Размер:	247.7 Кб 
ID:	221568

    Результаты измерения после гальванической развязки измерительного компьютера от сети. RMAA 5.5 запускался на воспроизведение на планшете, на ПК в режиме записи.
    Получили следущие результаты: 1. Планшет 2. Искажения при 2V RMS 3. Искажения при 17V RMS 4. Общие параметры

    Нажмите на изображение для увеличения. 

Название:	Планшет 16-bit, 44 kHz.jpg 
Просмотров:	965 
Размер:	263.5 Кб 
ID:	221624Нажмите на изображение для увеличения. 

Название:	ASUS Xonar DX + AMP (2V RMS) 16-bit, 44 kHz.jpg 
Просмотров:	992 
Размер:	288.3 Кб 
ID:	221622Нажмите на изображение для увеличения. 

Название:	ASUS Xonar DX + AMP (17V RMS) 16-bit, 44 kHz.jpg 
Просмотров:	1032 
Размер:	278.4 Кб 
ID:	221623Нажмите на изображение для увеличения. 

Название:	Test.jpg 
Просмотров:	1093 
Размер:	98.1 Кб 
ID:	221625

    Фото усилителя:
    Миниатюры Миниатюры Нажмите на изображение для увеличения. 

Название:	Gibryd_02.jpg 
Просмотров:	1674 
Размер:	806.2 Кб 
ID:	221570   Нажмите на изображение для увеличения. 

Название:	Gibryd_03.jpg 
Просмотров:	1643 
Размер:	873.4 Кб 
ID:	221569   Нажмите на изображение для увеличения. 

Название:	Gibryd_01.jpg 
Просмотров:	1274 
Размер:	882.7 Кб 
ID:	221571   Нажмите на изображение для увеличения. 

Название:	Gibryd_04.jpg 
Просмотров:	2217 
Размер:	975.0 Кб 
ID:	221572  

    Последний раз редактировалось Dimatishov; 08.11.2014 в 11:01.

  2. #2
    Завсегдатай Аватар для BesPav
    Регистрация
    01.06.2011
    Адрес
    Москва
    Возраст
    44
    Сообщений
    2,767

    По умолчанию Re: Собран тяжёлый аналог гибрида AI-51 НЭМ Новосибирск

    Имхо, надо на схеме проверить тип транзистора VT2...
    ;)

  3. #3
    Частый гость
    Автор темы
    Аватар для Dimatishov
    Регистрация
    07.10.2005
    Возраст
    48
    Сообщений
    147

    По умолчанию Re: Собран тяжёлый аналог гибрида AI-51 НЭМ Новосибирск

    Цитата Сообщение от BesPav Посмотреть сообщение
    Имхо, надо на схеме проверить тип транзистора VT2...
    ;)
    Схема автора... Там ошибочка... Не ко мне

    ---------- Сообщение добавлено 22:07 ---------- Предыдущее сообщение было 22:05 ----------

    Ни разу не видел спектры ламповых усилителей... Вроде страшные, а по значениям всё отлично...

  4. #4
    Завсегдатай Аватар для BesPav
    Регистрация
    01.06.2011
    Адрес
    Москва
    Возраст
    44
    Сообщений
    2,767

    По умолчанию Собран тяжёлый аналог гибрида AI-51 НЭМ Новосибирск

    Цитата Сообщение от Dimatishov Посмотреть сообщение
    Схема автора... Там ошибочка...
    Ага, знаем-знаем мы такие ошибочки... И с LM-ками надо тоже проверить выводы, имхо...

  5. #5
    Завсегдатай Аватар для BesPav
    Регистрация
    01.06.2011
    Адрес
    Москва
    Возраст
    44
    Сообщений
    2,767

    По умолчанию Re: Собран тяжёлый аналог гибрида AI-51 НЭМ Новосибирск

    Цитата Сообщение от Dimatishov Посмотреть сообщение
    Вроде страшные
    Ну с ними же не в ЗАГС... А на слух, действительно, может играть очень вкусно.

  6. #6
    Завсегдатай Аватар для stan marsh
    Регистрация
    17.08.2011
    Адрес
    Москва
    Сообщений
    5,684

    По умолчанию Re: Собран тяжёлый аналог гибрида AI-51 НЭМ Новосибирск

    Цитата Сообщение от Dimatishov Посмотреть сообщение


    Ни разу не видел спектры ламповых усилителей...
    Эээ, а он разве ламповый??? Кстати, спектры у ламповых - разные, есть приличные, есть совсем не.

  7. #7
    Завсегдатай Аватар для BesPav
    Регистрация
    01.06.2011
    Адрес
    Москва
    Возраст
    44
    Сообщений
    2,767

    По умолчанию Re: Собран тяжёлый аналог гибрида AI-51 НЭМ Новосибирск

    Цитата Сообщение от stan marsh Посмотреть сообщение
    Эээ, а он разве ламповый?
    А как он с кенотронным питанием будет неламповым-то?

    Ну гибрид, уж если охота навести строгость в наименовании...

  8. #8
    Частый гость
    Автор темы
    Аватар для Dimatishov
    Регистрация
    07.10.2005
    Возраст
    48
    Сообщений
    147

    По умолчанию Re: Собран тяжёлый аналог гибрида AI-51 НЭМ Новосибирск

    Цитата Сообщение от BesPav Посмотреть сообщение
    А как он с кенотронным питанием будет неламповым-то?
    Проверял и с мостом с транзисторным фильтром (разными) и с двумя обмотками и двумя диодами - не то совсем....
    Кенотрон с нагрузкой мелким кондиком и на дроссель рулит на 100%.

    Методику для выпрямителя можно так же найти в интернете... Найду добавлю...

  9. #9
    Старый знакомый Аватар для Вячеслав 85
    Регистрация
    06.12.2013
    Адрес
    Россия
    Сообщений
    500

    По умолчанию Re: Собран тяжёлый аналог гибрида AI-51 НЭМ Новосибирск

    Поздравляю,что собрали такой аппарат!
    Давно интересовал меня,как играет.
    Но стоит жуть(оригинал)!

  10. #10
    Частый гость
    Регистрация
    04.10.2012
    Адрес
    Украина
    Возраст
    59
    Сообщений
    110

    По умолчанию Re: Собран тяжёлый аналог гибрида AI-51 НЭМ Новосибирск

    эм... В оригинале он больше похож на сварочный полуавтомат. Ваш хоть на усилитель похож. Как играет? Спектры уж больно пугающие. Поздравляю с хорошей работой. Титанический труд вложен. Молодец

  11. #11
    Частый гость Аватар для Бурцев
    Регистрация
    08.05.2006
    Адрес
    Новосибирск
    Возраст
    62
    Сообщений
    368

    По умолчанию Re: Собран тяжёлый аналог гибрида AI-51 НЭМ Новосибирск

    Цитата Сообщение от Dimatishov Посмотреть сообщение

    Схему публикую с разрешения автора (давно было дело).
    Ну и собственно все получившиеся характеристики усилителя.
    Можно пинать, критиковать и т.п...
    :
    Если будет желание и возможность, то замени кенотрон на 5Ц3С.


    Цитата Сообщение от BesPav Посмотреть сообщение
    Имхо, надо на схеме проверить тип транзистора VT2...
    ;)
    C VT2 всё правильно, а вот VT1 нарисован не той проводимости, да и перевернут.


    С уважением.

    Алексей Бурцев

  12. #12
    Старый знакомый Аватар для Serg138
    Регистрация
    22.09.2006
    Адрес
    Гомель, Беларусь
    Возраст
    49
    Сообщений
    791

    По умолчанию Re: Собран тяжёлый аналог гибрида AI-51 НЭМ Новосибирск

    Цитата Сообщение от Dimatishov Посмотреть сообщение
    Вроде страшные, а по значениям всё отлично
    Дима, надо было какой-никакой внешний генератор слепить и подать с него сигнал, а то из-за леса из-за гор частокола кратных сетевой гармоник нифига не видно.
    Интересно, земли драйверного каскада и ВК у тебя соединены?

  13. #13
    Завсегдатай Аватар для BesPav
    Регистрация
    01.06.2011
    Адрес
    Москва
    Возраст
    44
    Сообщений
    2,767

    По умолчанию Re: Собран тяжёлый аналог гибрида AI-51 НЭМ Новосибирск

    Цитата Сообщение от Бурцев Посмотреть сообщение
    C VT2 всё правильно, а вот VT1 нарисован не той проводимости, да и перевернут.
    Алексей, доброе утро!
    Так MJL1302 вроде pnp из этой комплементарной пары?
    Или там еще и подписи "для тех, кто в теме"?

  14. #14
    Завсегдатай Аватар для stan marsh
    Регистрация
    17.08.2011
    Адрес
    Москва
    Сообщений
    5,684

    По умолчанию Re: Собран тяжёлый аналог гибрида AI-51 НЭМ Новосибирск


    Offтопик:
    История в традициях Жрадио, не то не так нарисовали и опубликовали. Сразу-то нельзя было???

  15. #15
    Старый знакомый
    Регистрация
    18.03.2010
    Адрес
    Московская обл возраст: 57
    Сообщений
    627

    По умолчанию Re: Собран тяжёлый аналог гибрида AI-51 НЭМ Новосибирск

    Добрый день!
    Спасибо за открытие ветки по данному усилителю! Давно присматривался
    Так же начал собирать этот усилитель, ветку у себя на сайте открыл...пока под рукой нет оригинальных транзисторов, ставлю Санкены - 2SC2922; 2SA1216.....в драйвер 6С45п....интересно было бы узнать данные на согласующий трансформатор..

  16. #16
    Завсегдатай Аватар для dekko
    Регистрация
    05.04.2006
    Сообщений
    6,005

    По умолчанию Re: Собран тяжёлый аналог гибрида AI-51 НЭМ Новосибирск

    Цитата Сообщение от das2 Посмотреть сообщение
    ветку у себя на сайте открыл...
    дико извиняюсь.... - а это где?

  17. #17
    Завсегдатай Аватар для Semigor
    Регистрация
    21.01.2004
    Адрес
    Ижевск
    Возраст
    68
    Сообщений
    3,726

    По умолчанию Re: Собран тяжёлый аналог гибрида AI-51 НЭМ Новосибирск

    Dimatishov, отличная работа!Один только вопрос, почему был выбран вариант схемы с ЛМ -ками, а не с транзисторами, в качествн ИТ? ЛМ -ки в таком включннии имеют плохую переходную характеристику, кроме того, их применение противоречит общей безосой идеологии построения усилителя.
    транзисторный однотакт любой модификации -это масло сливочное (с) FEDGEN

  18. #18
    Частый гость
    Автор темы
    Аватар для Dimatishov
    Регистрация
    07.10.2005
    Возраст
    48
    Сообщений
    147

    По умолчанию Re: Собран тяжёлый аналог гибрида AI-51 НЭМ Новосибирск

    Цитата Сообщение от Бурцев Посмотреть сообщение
    Если будет желание и возможность, то замени кенотрон на 5Ц3С.
    У друга есть. Поставлю - проверю.
    На фото видно, что у меня так и осталось автосмещение, батарейку так и не поставил -устраивает полностью.
    Если поставить батарейку прирост в качестве услышу?
    И как спектр не сильно поганый?

    ---------- Сообщение добавлено 10:12 ---------- Предыдущее сообщение было 10:10 ----------

    Цитата Сообщение от Serg138 Посмотреть сообщение
    Интересно, земли драйверного каскада и ВК у тебя соединены?
    Да соединены, с целью обеспечения нулевого уровня фона. Если отключить - появляется фон.

    ---------- Сообщение добавлено 10:15 ---------- Предыдущее сообщение было 10:12 ----------

    Цитата Сообщение от Semigor Посмотреть сообщение
    почему был выбран вариант схемы с ЛМ -ками, а не с транзисторами, в качествн ИТ
    Я пробовал разные схемы питания, но всё приводило к ухудшению звука, умертвлению так сказать, и в результате
    остановился на оригинале. А источник тока даже не пробовал менять - в конце концов я думаю Алексей тоже всё перепробовал,
    чтоб окончательно остановиться на таком варианте и запустить его в серию.

    ---------- Сообщение добавлено 10:19 ---------- Предыдущее сообщение было 10:15 ----------

    Цитата Сообщение от das2 Посмотреть сообщение
    интересно было бы узнать данные на согласующий трансформатор..
    Смотря какую железяку будешь ставить - от неё и плясать. В начале есть ссылки как расчитывается такой каскад на 6С45П.

    ---------- Сообщение добавлено 10:22 ---------- Предыдущее сообщение было 10:19 ----------

    Цитата Сообщение от Serg138 Посмотреть сообщение
    Дима, надо было какой-никакой внешний генератор слепить и подать с него сигнал, а то из-за леса из-за гор частокола кратных сетевой гармоник нифига не видно.
    Интересно, земли драйверного каскада и ВК у тебя соединены?
    Расскажи как от них избавится при измерении - сделаем. А так пока что есть - то есть.

  19. #19
    Старый знакомый
    Регистрация
    18.03.2010
    Адрес
    Московская обл возраст: 57
    Сообщений
    627

    По умолчанию Re: Собран тяжёлый аналог гибрида AI-51 НЭМ Новосибирск

    Цитата Сообщение от Dimatishov Посмотреть сообщение
    В начале есть ссылки как расчитывается такой каскад на 6С45П.
    Ок, с этой стаьёй знаком, поставлю 6С45П с дросселем-20Гн /пока с трансом вопрос решаю/


    Цитата Сообщение от dekko Посмотреть сообщение
    дико извиняюсь.... - а это где?
    http://www.diyaudio.ru/forum/index.p....msg218550#new

  20. #20
    Частый гость Аватар для Бурцев
    Регистрация
    08.05.2006
    Адрес
    Новосибирск
    Возраст
    62
    Сообщений
    368

    По умолчанию Re: Собран тяжёлый аналог гибрида AI-51 НЭМ Новосибирск

    Цитата Сообщение от stan marsh Посмотреть сообщение
    Offтопик:
    История в традициях Жрадио, не то не так нарисовали и опубликовали. Сразу-то нельзя было???
    Виноваты, исправимся.


    Цитата Сообщение от Dimatishov Посмотреть сообщение
    У друга есть. Поставлю - проверю.
    На фото видно, что у меня так и осталось автосмещение, батарейку так и не поставил -устраивает полностью.
    Если поставить батарейку прирост в качестве услышу?
    Надо пробовать - а вдруг понравиться. Но я бы начал с замены кенотрона.


    Цитата Сообщение от Dimatishov Посмотреть сообщение
    И как спектр не сильно поганый?
    Фон, конечно, большеват.



    С уважением.

    А.Б.

Страница 1 из 4 123 ... Последняя

Социальные закладки

Социальные закладки

Ваши права

  • Вы не можете создавать новые темы
  • Вы не можете отвечать в темах
  • Вы не можете прикреплять вложения
  • Вы не можете редактировать свои сообщения
  •