Страница 1 из 2 12 Последняя
Показано с 1 по 20 из 38

Тема: ЦАП на тда1540

  1. #1
    Давно не заходил
    Автор темы

    Регистрация
    16.11.2012
    Сообщений
    3

    По умолчанию ЦАП на тда1540

    у меня сломался привод сд, найти лазер для СДМ 2 нереально
    реально с сд на ТДА 1540 сделать внешний ЦАП ?
    если кто-то делал то подскажите
    спасибо
    Последний раз редактировалось Kasito; 16.11.2012 в 22:29.

  2. #2
    Завсегдатай Аватар для фЕДОР ЧАЛЫЙ
    Регистрация
    30.07.2005
    Адрес
    Беларусь
    Возраст
    60
    Сообщений
    1,225

    По умолчанию Re: ЦАП на тда1540

    Мелькала инфа, что то ли на CDM1, то ли на CDM2, без особых проблем ставится "коромысло" с глазом от CDM9.
    А Вы уверены, что проблема в приводе? В подавляющем большинстве случаев, аппарат оживает после глобальной пропайки платы и рекапинга.

  3. #3
    Частый гость Аватар для А.К.
    Регистрация
    16.11.2006
    Адрес
    Ростов-на-Дону
    Возраст
    55
    Сообщений
    157

    По умолчанию Re: ЦАП на тда1540

    Напишите, какая модель сд точно.

  4. #4
    Давно не заходил
    Автор темы

    Регистрация
    16.11.2012
    Сообщений
    3

    По умолчанию Re: ЦАП на тда1540

    sherwood cdp 310r

  5. #5
    Давно не заходил
    Регистрация
    10.04.2009
    Адрес
    Киев
    Возраст
    56
    Сообщений
    754

    По умолчанию Re: ЦАП на тда1540

    Цитата Сообщение от Kasito Посмотреть сообщение
    реально с сд на ТДА 1540 сделать внешний ЦАП ?
    если кто-то делал то подскажите
    Подсказываю

  6. #6
    Давно не заходил
    Автор темы

    Регистрация
    16.11.2012
    Сообщений
    3

    По умолчанию Re: ЦАП на тда1540


  7. #7
    Завсегдатай Аватар для Elms
    Регистрация
    21.12.2008
    Адрес
    Москва
    Возраст
    57
    Сообщений
    3,533

    По умолчанию Re: ЦАП на тда1540

    Цитата Сообщение от Grig Посмотреть сообщение
    Подсказываю
    Ребяты, кому не сложно - выложите здесь схемы монструозного преобразователя интерфейса на логике из поста 11, а то форум требует регистрации...
    У самого ведь пара 1540 валяется...

  8. #8
    Не хочу! Аватар для Alex
    Регистрация
    20.03.2003
    Адрес
    Worldwide
    Возраст
    63
    Сообщений
    39,202

    По умолчанию Re: ЦАП на тда1540

    Цитата Сообщение от Kasito Посмотреть сообщение
    реально с сд на ТДА 1540 сделать внешний ЦАП ?
    Реально, правда смысла не много.

    Цитата Сообщение от Elms Посмотреть сообщение
    У самого ведь пара 1540 валяется...
    Если тебя это так нервирует - продай кому-нибудь, если не нервирует - пусть валяются и дальше
    "Замполит, чайку?"(с)"Охота за Красным Октябрем".
    "Да мне-то что, меняйтесь!"(с)анек.
    <-- http://altor1.narod.ru --> Вопросы - в личку, е-мейл, скайп.

  9. #9
    Давно не заходил
    Регистрация
    10.04.2009
    Адрес
    Киев
    Возраст
    56
    Сообщений
    754

    По умолчанию Re: ЦАП на тда1540

    Цитата Сообщение от Elms Посмотреть сообщение
    Ребяты, кому не сложно - выложите здесь схемы монструозного преобразователя интерфейса на логике из поста 11, а то форум требует регистрации...
    У самого ведь пара 1540 валяется...
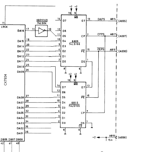
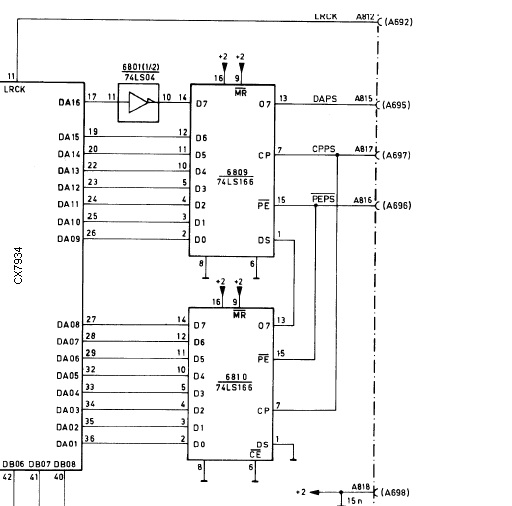
    Нажмите на изображение для увеличения. 

Название:	11-3.jpg 
Просмотров:	725 
Размер:	52.5 Кб 
ID:	170132Нажмите на изображение для увеличения. 

Название:	11-2.jpg 
Просмотров:	770 
Размер:	52.7 Кб 
ID:	170133Нажмите на изображение для увеличения. 

Название:	11-1.JPG 
Просмотров:	799 
Размер:	38.2 Кб 
ID:	170134Нажмите на изображение для увеличения. 

Название:	11-4.jpg 
Просмотров:	730 
Размер:	239.7 Кб 
ID:	170135

  10. #10
    Давно не заходил
    Регистрация
    21.11.2012
    Сообщений
    45

    По умолчанию Re: ЦАП на тда1540

    Подскажите пожалуйста клок цапа на 1540. Кварц стоит на 4,2336Мгц, а какой клок цапа? нигде что -то найти не могу. Померять нечем. У самого дохлый филипс 150 c убитым лазером как у топикастера с СДМ2. Есть TECHNICS SL-PJ38 транспорт с СДМ4-19. Делаю гибрид функционал TECHNICS со звуком 1550. Подаю синхро c цапа на сервопроцессор MN6626 - глючит. С родным кварцем на MN6626 16,9344Мгц без синхро вообще - работает, звук заикается раз в 4 сек. Имею еще фил 104 но курочить не хочу, а этот будет для опытов может что путное получится.
    Последний раз редактировалось serg66; 21.11.2012 в 23:31.

  11. #11
    Давно не заходил
    Регистрация
    10.04.2009
    Адрес
    Киев
    Возраст
    56
    Сообщений
    754

    По умолчанию Re: ЦАП на тда1540

    Цитата Сообщение от serg66 Посмотреть сообщение
    Делаю гибрид функционал TECHNICS со звуком 1550
    ??

  12. #12
    Давно не заходил
    Регистрация
    21.11.2012
    Сообщений
    45

    По умолчанию Re: ЦАП на тда1540

    Grig, Пардон механическая описка со звуком цапов 1540p имелось ввиду и корпусом и удобством управления TECHNICS и хорошим транспортом СДМ4-19. А про клок я спрашиваю т.к. не уверен что он соответствует частоте генератора 4,2336Мгц хотя на 95% он такой и есть. Для решения вопроса синхронизации сервопроцессора TECHNICS - MN6626 работающего на 16,9344Мгц и цапа на 4,2336Мгц нужно сделать внешний клок на кварце 16,9344( вблизи платы цапов для уменьшения наводок) Разделить его на 4 и подать на цап, а частоту генератора на сервопроцессор. Ну где то так.

  13. #13
    Давно не заходил
    Регистрация
    10.04.2009
    Адрес
    Киев
    Возраст
    56
    Сообщений
    754

    По умолчанию Re: ЦАП на тда1540

    Так в чем вопрос?
    16,9344/4=4,2366 и все довольны. Что смущает?

  14. #14
    Давно не заходил
    Регистрация
    21.11.2012
    Сообщений
    45

    По умолчанию Re: ЦАП на тда1540

    Цитата Сообщение от Grig Посмотреть сообщение
    Так в чем вопрос?
    16,9344/4=4,2366 и все довольны. Что смущает?
    Да как бы все нормально я сам себе ответил. Прошу прощения за офтоп.

  15. #15
    Завсегдатай Аватар для Denisius
    Регистрация
    02.02.2007
    Адрес
    ПИТЕР
    Сообщений
    1,585

    По умолчанию Re: ЦАП на тда1540

    serg66, полагаю лучше не делить, а умножать CDCS503 или NB3N501, NB3N511 - обещает быть потише.
    Вложения Вложения
    Касаюсь струн, держу суперсимметрию.

  16. #16
    Давно не заходил
    Регистрация
    21.11.2012
    Сообщений
    45

    По умолчанию Re: ЦАП на тда1540

    Цитата Сообщение от Denisius Посмотреть сообщение
    serg66, полагаю лучше не делить, а умножать CDCS503 или NB3N501, NB3N511 - обещает быть потише.
    Спасибо не знал про такие чипы. Жалко что не позволяют одновременно служить генератором с тактовой как у кварца и регулируемым умножителем частоты либо одно либо другое. Хотелось соорудить внешний клок с отдельным питанием стабильней чем на штатной SAA7000 и на выходе две частоты.

  17. #17
    Завсегдатай Аватар для Denisius
    Регистрация
    02.02.2007
    Адрес
    ПИТЕР
    Сообщений
    1,585

    По умолчанию Re: ЦАП на тда1540

    serg66, н-н-н-да... ну ты бы хоть для приличия огляделся, что ли вокруг. NB3N502 правда "Crystal Reference Input Range of 5 − 27 MHz", но попробовать стоит. А если ген уже есть, то велкам "Input Clock Frequency Range of 2 − 50 MHz".
    Вложения Вложения
    Последний раз редактировалось Denisius; 02.12.2012 в 00:58.
    Касаюсь струн, держу суперсимметрию.

  18. #18
    Давно не заходил
    Регистрация
    21.11.2012
    Сообщений
    45

    По умолчанию Re: ЦАП на тда1540

    Спасибо за наколку я ж оглядывался на предложенные. Еще б найти ее. Вроде на складах есть.
    Последний раз редактировалось serg66; 02.12.2012 в 02:41.

  19. #19
    Завсегдатай Аватар для Denisius
    Регистрация
    02.02.2007
    Адрес
    ПИТЕР
    Сообщений
    1,585

    По умолчанию Re: ЦАП на тда1540

    Касаюсь струн, держу суперсимметрию.

  20. #20
    Давно не заходил
    Регистрация
    21.11.2012
    Сообщений
    45

    По умолчанию Re: ЦАП на тда1540

    Давно не занимался своей темой. Нашел готовый генератор на 33,868Мгц теперь нужно снять с него две частоты /2 -16,9344 и /8 -4,2336 какие будут мысли чем лучше разделить и как 74HCT74 несколько штук пойдет например?

Страница 1 из 2 12 Последняя

Социальные закладки

Социальные закладки

Ваши права

  • Вы не можете создавать новые темы
  • Вы не можете отвечать в темах
  • Вы не можете прикреплять вложения
  • Вы не можете редактировать свои сообщения
  •