Показано с 1 по 4 из 4

Тема: Олимп МПК-005 С-1. Неисправен ГСП.

  1. #1
    Новичок
    Автор темы

    Регистрация
    03.01.2011
    Сообщений
    9

    Вопрос Олимп МПК-005 С-1. Неисправен ГСП.

    Здравствуйте. Имеется проблема:
    Один канал почему то не хочет стирать. Вообще. Замерил напряжение на ГС - на одном канале - 4,5В (AC), а на другом - 0.
    Как модно сейчас говорить: wtf?
    Или проще: В чем может быть дело?

  2. #2
    Новичок
    Автор темы

    Регистрация
    03.01.2011
    Сообщений
    9

    По умолчанию Re: Олимп МПК-005 С-1. Неисправен ГСП.

    up!
    пожалуйста, не дайте пропасть!

  3. #3
    Частый гость Аватар для SanSound
    Регистрация
    18.10.2010
    Адрес
    Новосибирск
    Возраст
    60
    Сообщений
    485

    По умолчанию Re: Олимп МПК-005 С-1. Неисправен ГСП.

    Схема есть? Если есть - выложи, желательно кусок с ГСП. Это во-первых.
    А во-вторых, 4.5 вольта на ГС - это, по-моему, мало. Тут, конечно, зависит от индуктивности головки, частоты и тока стирания, и в какой точке мерить.
    Схему ГСП Олимпа надо, короче...

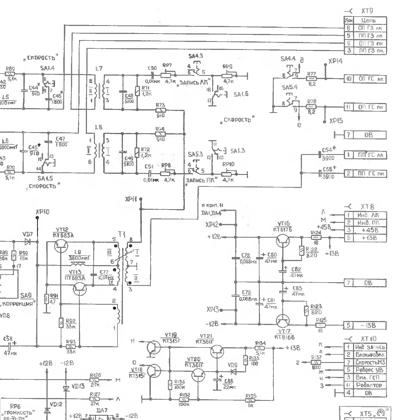
    Ну вот нашел кусок схемы с ГСП Олимпа 005С1
    Нажмите на изображение для увеличения. 

Название:	ГСП_005С1.gif 
Просмотров:	1098 
Размер:	125.5 Кб 
ID:	141378

    Ток стирания идет с обмотки II транса Т1 через С54(С55), ГС, R77(R78) и контактные группы переключателей каналов SA4.4(SA5.4). Их и надо смотреть. Если один канал работает, значит надо смотреть конденсатор, обмотку ГС, резик и контактную группу другого канала. Либо обрыв элемента, либо нет контакта в переключателе. Вроде ничего сложного...
    Последний раз редактировалось SanSound; 05.12.2011 в 08:26.

  4. #4
    Новичок
    Автор темы

    Регистрация
    03.01.2011
    Сообщений
    9

    По умолчанию Re: Олимп МПК-005 С-1. Неисправен ГСП.

    Глянул схему сейчас и не нашел там вот какой инфы: А какое напряжение должно идти на головку стирания?

Метки этой темы

Социальные закладки

Социальные закладки

Ваши права

  • Вы не можете создавать новые темы
  • Вы не можете отвечать в темах
  • Вы не можете прикреплять вложения
  • Вы не можете редактировать свои сообщения
  •