Страница 1 из 5 123 ... Последняя
Показано с 1 по 20 из 97

Тема: Помогите, пожалуйста, с разводкой земли.

  1. #1
    Частый гость
    Автор темы

    Регистрация
    26.09.2009
    Адрес
    Омск
    Возраст
    38
    Сообщений
    496

    По умолчанию Помогите, пожалуйста, с разводкой земли.

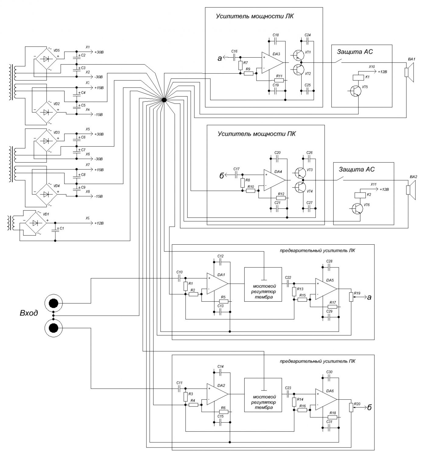
    Собираю усил, надо правильно развести землю.

    Тут я набросал схему (схемы блоков подробно не раскрывал, только то, что касается общего провода).
    Нажмите на изображение для увеличения. 

Название:	разводка земли.jpg 
Просмотров:	2598 
Размер:	214.4 Кб 
ID:	88428

    Мне кажется, что я перемудрил, поправьте пожалуйста если что не так, кто разбирается. Предварительный усилитель и усилитель мощности, всё будет в одном корпусе. Трансформаторы отдельные на каждый канал и отдельный для 12 В. Я так понимаю, что надо избежать образования земляных петель.
    Заранее благодарен.

  2. #2
    Завсегдатай Аватар для MAXIM_A
    Регистрация
    13.11.2007
    Адрес
    МО Салтыковка
    Возраст
    77
    Сообщений
    12,213

    По умолчанию Re: Помогите, пожалуйста, с разводкой земли.

    Земли на до сделать раздельными на каждый канал, силовые и сигнальные тоже должны быть отдельно.
    Андрей Константинович

  3. #3
    Новичок
    Регистрация
    26.04.2008
    Сообщений
    59

    По умолчанию Re: Помогите, пожалуйста, с разводкой земли.

    Вот здесь посмотрите:
    Принцип разводки общего провода:
    https://forum.vegalab.ru/showpost...postcount=6686
    https://forum.vegalab.ru/showpost...postcount=6700

  4. #4
    Забанен (навсегда)
    Регистрация
    27.02.2005
    Адрес
    село Самбек
    Сообщений
    2,080

    По умолчанию Re: Помогите, пожалуйста, с разводкой земли.

    Ромик, надо отдельно "собирать" сигнальные и силовые земли, и уже потом их соединять, аккуратно и вдумчиво. Например, "земляной" конец ВА1 лучше соединить непосредственно с точкой соединения С2-С3, а такой же конец ВА2 - с С6-С7. Вообще в этом вопросе много шаманства, потому как решить это абсолютно корректно невозможно, всё равно в топологии будет кривизна, и основная сложность в том, чтобы отличить приемлемую кривизну от недопустимой.
    Цитата Сообщение от Ромик Посмотреть сообщение
    Я так понимаю, что надо избежать образования земляных петель.
    Самый верный способ избежать земляных петель - нада уметь их видеть. И всё равно полностью их избежать не получится.

  5. #5
    Частый гость Аватар для az967
    Регистрация
    03.05.2008
    Сообщений
    204

    По умолчанию Re: Помогите, пожалуйста, с разводкой земли.

    Кстати, разрешите кто-нибудь мои сомнения в вопросе о силовых и сигнальных землях:

    Есть дифкаскад с каскодом, базы ОБ "опираются" на стабилитрон, зашунтированный конденсаторами (см. схему).

    Нажмите на изображение для увеличения. 

Название:	LTP.GIF 
Просмотров:	651 
Размер:	4.6 Кб 
ID:	88572

    Понятно, что в сигнальную землю ток со стабилитрона течь не должен, а вот насчёт конденсаторов, шунтирующих базу, не уверен. Может со стабилитрона снять опорное напряжение через резистор, а уж потом ёмкости на сигнальную землю, как думаете?

  6. #6
    Завсегдатай Аватар для ИГВИН
    Регистрация
    06.05.2005
    Адрес
    Ростов-на-Дону
    Возраст
    67
    Сообщений
    13,071

    По умолчанию Re: Помогите, пожалуйста, с разводкой земли.

    az967, этот вопрос решается еще одной землей. Еще одной несигнальной.
    На неё должны опираться конденсаторы питания УН, можно делать локальную звезду, и потом толстым лысым проводом землить её на силовую.
    Вот на эту звезду и должны опираться конденсаторы и диоды ОБ.

    Чуть не забыл - земля источника питания УН должна приходит на эту локальную звезду.
    Игорь. Meridian 507.24 => DAC6 v2+свой выхлоп => Noosfera Master => Celestion A2 + Hand-made cable

  7. #7
    Забанен (навсегда)
    Регистрация
    27.02.2005
    Адрес
    село Самбек
    Сообщений
    2,080

    По умолчанию Re: Помогите, пожалуйста, с разводкой земли.

    ИГВИН, если нужно добиться, чтобы с этим УН было слышно "звучание кабелей", то может так и нада делать. Но если нет такой задачи, то и стабилитрон, и конденсаторы в базах каскода лучше "сажать" на ту же землю (ту же "мекку", тот же полигон), что и входной сигнал.

  8. #8
    Частый гость Аватар для az967
    Регистрация
    03.05.2008
    Сообщений
    204

    По умолчанию Re: Помогите, пожалуйста, с разводкой земли.

    Откликнувшимся спасибо. Мысли понятны. Попробую нарисовать постоянные и переменные токи и разобраться самостоятельно .

  9. #9
    Завсегдатай Аватар для .Васильев
    Регистрация
    04.04.2007
    Адрес
    новгородская обл Пестово на Мологе
    Сообщений
    10,818

    По умолчанию Re: Помогите, пожалуйста, с разводкой земли.

    Можно дилетанту сказать, я бы разделил землю на три, сигнальную, слаботочку, куда бы и пустил стабилитрон с обвязкой и силовую. А уж их потом свел на мекку.
    С уважением Максим.

  10. #10
    Регистрация не подтверждена
    Регистрация
    05.08.2004
    Адрес
    Piter
    Сообщений
    4,846

    По умолчанию Re: Помогите, пожалуйста, с разводкой земли.

    Цитата Сообщение от az967 Посмотреть сообщение
    Понятно, что в сигнальную землю ток со стабилитрона течь не должен, а вот насчёт конденсаторов, шунтирующих базу, не уверен. Может со стабилитрона снять опорное напряжение через резистор, а уж потом ёмкости на сигнальную землю, как думаете?
    У стабилитрона 2 тока.
    1. В плюсовой источник питания. Этот ток не суть важно как пойдет, т.к. он почти постоянный.
    2. переменный ток сигнала (ток баз). Его нужно замкнуть в его источник. На схеме не понятно, куда подключаются транзисторы. Если в минус питания, то туда и подключать жопы стабилитрона и конденсаторов (кстати разделять стабилитрон и кондеры не стоит, по сути это одно и то же).

    А может Лысый и прав. Может в сигнальную землю. Хотя я не понимаю, почему именно туда.
    Последний раз редактировалось ZugDuk; 15.06.2010 в 22:25.

  11. #11
    Завсегдатай
    Регистрация
    16.01.2009
    Сообщений
    2,921

    По умолчанию Re: Помогите, пожалуйста, с разводкой земли.

    Цитата Сообщение от Ромик Посмотреть сообщение
    Собираю усил, надо правильно развести землю.
    Выше уже выдвигали правильные советы (кроме лысого), да и в других темах неоднократно обсуждалось, подытожу, как понял я. Во-первых, правильно написал MAXIM_A о том, что земли разных каналов должны быть совершенно независимыми (т.к. они всегда объединены в источнике, то при соединении их и в усилителе, образуется петля, а при независимых земель в усилителе петля будет только на высоких частотах через ёмкости трансформаторов, которую подавляют или небольшими индуктивностями или специальными синфазными трансформаторами последовательно с первичными обмотками силовых трансформаторов, корпуса которых, если это не торы, изолируют от корпуса). Поэтому и земли входных разъёмов надо разорвать, а сами разъёмы изолировать от корпуса. Во-вторых, как уже было сказано, надо разделить сигнальные, слаботочные по питанию и силовые земли, тогда для одного канала общей точкой силовой земли будет общая точка С2, С3, к которой отдельными проводами подключить землю нагрузки (ВА1), С24, С25 и землю R9; общей точкой сигнальной земли будет точка ввода земли от входного разъёма на первый каскад (т.е. это будет точка R1, R2, куда подсоединить земли соответствующего входного разъёма, R13, R15, регулятор тембра, R19, R7) и которую одним проводом подключить к общей силовой земле; общей точкой слаботочной земли по питанию будет общая точка земли соответствующего маломощного блока питания (в данном случае это точка С4, С5), т.е. к ней подключить С12, С13, С28, С29, С18, С19, и одним проводом эту точку подключить к общей силовой земле; в итоге все земли одного канала сходятся в общей точке С2 и С3, аналогично и для другого канала.

  12. #12
    Забанен (навсегда)
    Регистрация
    27.02.2005
    Адрес
    село Самбек
    Сообщений
    2,080

    По умолчанию Re: Помогите, пожалуйста, с разводкой земли.

    Про деление единой земли на несколько, скажем так, локальных земляных узлов. Это можно делать из разных соображений, но есть общий обязательный момент: все земляные цепи одного каскада (например УН), в т.ч. его шины питания "по переменке", должны замыкаться на один такой локальный земляной узел. Это типо как "отче наш". А на форумах можно много чего обчитаться, особенно на аудиофорумах.
    Последний раз редактировалось лысый; 16.06.2010 в 02:03.

  13. #13
    Завсегдатай
    Регистрация
    16.01.2009
    Сообщений
    2,921

    По умолчанию Re: Помогите, пожалуйста, с разводкой земли.

    Цитата Сообщение от лысый Посмотреть сообщение
    Про деление единой земли на несколько, скажем так, локальных земляных узлов. Это можно делать из разных соображений, но есть общий обязательный момент: все земляные цепи одного каскада (например УН), в т.ч. его шины питания "по переменке", должны замыкаться на один такой локальный земляной узел. Это типо как "отче наш". А на форумах можно много чего обчитаться, особенно на аудиофорумах.
    Когда дело касается усилителей (хоть маломощных, хоть мощных) с ООС (а в данной теме именно такой случай), вы совершенно не правы, т.к. в них усиление происходит не относительно земли питания, а относительно равенства на входах "+" и "-", поэтому в них всегда вход "+" должен опираться на сигнальную (т.е. ту же, что и у источника) землю, а делитель ООС на землю нагрузки, только тогда ООС уменьшает искажения на самой нагрузке. Для маломощных усилителей нагрузкой является высокоомный вход следующего каскада, и из-за пренебрежимо малых токов сигнальные земли всех маломощных каскадов можно объединить (как я и предлагаю в посте 11) в одной точке, но в любом случае отдельно от питания.
    Последний раз редактировалось viktor8m; 16.06.2010 в 12:52.

  14. #14
    Завсегдатай Аватар для shkal
    Регистрация
    30.11.2004
    Адрес
    Москва, Russia
    Возраст
    58
    Сообщений
    1,995

    По умолчанию Re: Помогите, пожалуйста, с разводкой земли.

    Цитата Сообщение от viktor8m Посмотреть сообщение
    поэтому в них всегда вход "+" должен опираться на сигнальную (т.е. ту же, что и у источника) землю, а делитель ООС на землю нагрузки
    Это абсолютно неверно, т.к. при таком включении вся разность напряжений между входной землёй и землёй нагрузки будет приложена ко входу и усилена вместе со входным сигналом.
    Цитата Сообщение от viktor8m Посмотреть сообщение
    Для маломощных усилителей нагрузкой является высокоомный вход следующего каскада, и из-за пренебрежимо малых токов
    Это не всегда верно , а для схем на ОУ всегда неверно (кроме нейнв. повторителя)- там нагрузкой являются резисторы собственной цепи ООС.
    Последний раз редактировалось shkal; 16.06.2010 в 13:02.

  15. #15
    Завсегдатай Аватар для Серый Мыш
    Регистрация
    14.01.2005
    Адрес
    Германия
    Сообщений
    2,009

    По умолчанию Re: Помогите, пожалуйста, с разводкой земли.

    Цитата Сообщение от ZugDuk Посмотреть сообщение
    У стабилитрона 2 тока.
    1. В плюсовой источник питания. Этот ток не суть важно как пойдет, т.к. он почти постоянный.
    Слово "почти" тут ключевое. Вся грязь питания превращается в ток стабилитрона. Напряжение на нём будет чистым, а ток "грязным" - в этом суть стабилизации.
    И ток баз здесь куда меньшее зло
    Сергей
    -------
    Снятся людям иногда
    Дорогие провода...

  16. #16
    Забанен (навсегда)
    Регистрация
    27.02.2005
    Адрес
    село Самбек
    Сообщений
    2,080

    По умолчанию Re: Помогите, пожалуйста, с разводкой земли.

    viktor8m, вы явно сильно обчитались всяких аудиофорумов. Впрочем, имеете на то полное право.

  17. #17
    Завсегдатай
    Регистрация
    16.01.2009
    Сообщений
    2,921

    По умолчанию Re: Помогите, пожалуйста, с разводкой земли.

    Цитата Сообщение от shkal Посмотреть сообщение
    Это абсолютно неверно, т.к. при таком включении вся разность напряжений между входной землёй и землёй нагрузки будет приложена ко входу и усилена вместе со входным сигналом.
    Наоборот, по моему посту 11 эта разница благодаря ООС перестаёт влиять на результат усиления, нетрализуется сопротивление земли. Нам ведь требуется, чтобы на нагрузке (т.е. между сигнальным и землянным концами нагрузки) было только напряжение источника (т.е. между сигнальным и землянным выходом), умноженное на коэффициент, определяемый делителем ООС. Если делитель ООС привязан к земле нагрузки, то и сигнал ООС привязан к земле нагрузки, а т.к. в идеале потенциалы на входах "+" и "-" равны, то, приравняв входной сигнал к сигналу ООС, получим формулу усиления, в которую не входит сопротивление земли нагрузки.

    ---------- Добавлено в 11:16 ---------- Предыдущее сообщение в 11:14 ----------

    Цитата Сообщение от shkal Посмотреть сообщение
    Это не всегда верно , а для схем на ОУ всегда неверно (кроме нейнв. повторителя)- там нагрузкой являются резисторы собственной цепи ООС.
    Ну и какое сопротивление цепи ООС по сравнению с токами покоя?

    ---------- Добавлено в 11:18 ---------- Предыдущее сообщение в 11:16 ----------

    Цитата Сообщение от лысый Посмотреть сообщение
    viktor8m, вы явно сильно обчитались всяких аудиофорумов. Впрочем, имеете на то полное право.
    В отличие от вас читаю и учебники, если и вы почитаете, может и вы поймёте, как работает ООС.

  18. #18
    Завсегдатай Аватар для ИГВИН
    Регистрация
    06.05.2005
    Адрес
    Ростов-на-Дону
    Возраст
    67
    Сообщений
    13,071

    По умолчанию Re: Помогите, пожалуйста, с разводкой земли.

    Цитата Сообщение от viktor8m Посмотреть сообщение
    Во-первых, правильно написал MAXIM_A о том, что земли разных каналов должны быть совершенно независимыми (т.к. они всегда объединены в источнике, то при соединении их и в усилителе, образуется петля, а при независимых земель в усилителе петля будет только на высоких частотах через ёмкости трансформаторов, которую подавляют или небольшими индуктивностями или специальными синфазными трансформаторами последовательно с первичными обмотками силовых трансформаторов, корпуса которых, если это не торы, изолируют от корпуса). Поэтому и земли входных разъёмов надо разорвать, а сами разъёмы изолировать от корпуса.
    Согласен, всё верно.
    Одно небольшое замечание: в УНЧ земли входных разъемов иногда приходится соединять с корпусом (одним проводом), т.к. радиатор транзисторов выходного каскада должен быть связан с землей усилителя.
    Если при этом радиаторов два, да еще разнесенных, это создает определенную проблему.
    Отчасти её можно решить, связав землю платы с радиатором не напрямую, а через емкость.

    Цитата Сообщение от viktor8m Посмотреть сообщение
    земли входных разъёмов надо разорвать, а сами разъёмы изолировать от корпуса.
    Согласен.
    ... и с остальным тоже.
    Игорь. Meridian 507.24 => DAC6 v2+свой выхлоп => Noosfera Master => Celestion A2 + Hand-made cable

  19. #19
    Завсегдатай Аватар для shkal
    Регистрация
    30.11.2004
    Адрес
    Москва, Russia
    Возраст
    58
    Сообщений
    1,995

    По умолчанию Re: Помогите, пожалуйста, с разводкой земли.

    Цитата Сообщение от viktor8m Посмотреть сообщение
    Наоборот
    viktor8m, Нарисуйте схему с генератором помехи между землями входа и нагрузки, всё станет понятно.
    З.Ы. Как, с вашей точки зрения, работают дифференциальные усилители ?

  20. #20
    Завсегдатай
    Регистрация
    16.01.2009
    Сообщений
    2,921

    По умолчанию Re: Помогите, пожалуйста, с разводкой земли.

    Цитата Сообщение от ИГВИН Посмотреть сообщение
    Одно небольшое замечание: в УНЧ земли входных разъемов иногда приходится соединять с корпусом (одним проводом), т.к. радиатор транзисторов выходного каскада должен быть связан с землей усилителя.
    Если при этом радиаторов два, да еще разнесенных, это создает определенную проблему.
    Отчасти её можно решить, связав землю платы с радиатором не напрямую, а через емкость.
    Действительно, забыл упомянуть о паразитных ёмкостях цепи выходной транзистор-прокладка-радиатор-корпус. Наверное наилучшим решением будет использование отдельных радиаторов на каждый канал с их изоляцией от корпуса и соединением через ёмкости каждый со своей точкой силовой земли.

    ---------- Добавлено в 11:46 ---------- Предыдущее сообщение в 11:41 ----------

    Цитата Сообщение от shkal Посмотреть сообщение
    viktor8m, Нарисуйте схему с генератором помехи между землями входа и нагрузки, всё станет понятно.
    А зачем рисовать, когда всё легко видно по формуле?

    Цитата Сообщение от shkal Посмотреть сообщение
    З.Ы. Как, с вашей точки зрения, работают дифференциальные усилители ?
    Дифференциальные усилители подавляют помехи от входных соединений, а при несимметричной нагрузке работают как и обычные.

Страница 1 из 5 123 ... Последняя

Социальные закладки

Социальные закладки

Ваши права

  • Вы не можете создавать новые темы
  • Вы не можете отвечать в темах
  • Вы не можете прикреплять вложения
  • Вы не можете редактировать свои сообщения
  •