Заглянул http://www.fcenter.ru/online.shtml?articles/hardware/tower/26194.. Взятые оттуда две картинки привожу здесь, как говорится - найди 10 отличий.
Внимание- вопрос! (С)
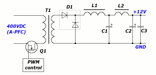
Есть у меня АТХ БП однотактный форвард который не жалко на эксперименты пустить. Есть немножко ;) n-MOSFET. Есть желание. Как думаете, затея стоящая? Ессно, картинки - всего лишь концепт, но думаю с минимальными доработками ими можно воспользоваться практически.
![]()




Социальные закладки