Страница 1 из 8 123 ... Последняя
Показано с 1 по 20 из 155

Тема: LM3886T x4 Параллельно-мостовая схема 200W

  1. #1
    Частый гость
    Автор темы

    Регистрация
    06.01.2008
    Адрес
    Днепропетровск, Украина
    Сообщений
    130

    По умолчанию LM3886T x4 Параллельно-мостовая схема 200W

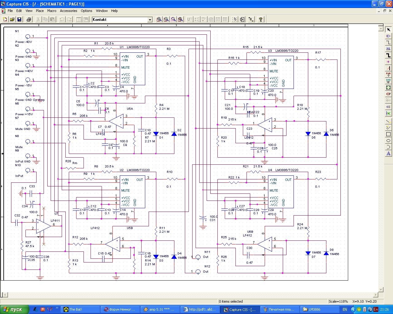
    -Добрый день всем любителям громкого звука, хочу представить вам свою схему "LM3886T x4 Параллельно-мостовая схема". Я ее до конца еще не испытал потому что мощности у моего БП видать не хватает, меряю напряжения на питании когда усилок начинает захлебываться 15вольт Этого видать мало. Сначала были проблемы с фоном, но получилось практически устранить подбирая место для подключения питания и особенно земли, землю пришлось подключить в нескольких местах.

    -Опытные аудиофилы глянте пожалуйста мою электрическую и печатную плату (особенно печатную плату). Я вроде читал что нужно соблюдать топологию звезда для усилков. Можете ктонебуть по подробней растолковать куда и чего и зачем и какие я допустил ошибки в печатной плате своей.
    -И еще один вопросик про Mute я подключил все микросхемы параллельно это вобще можно делать? ну и конденсатор 1000 mF поставил резистор 10 к если 22к стоит начинает немного гудеть.

    Радиаторы от теристоров по 1200 кв. см 2 штуки, получается 600 кв. см на одну микросхему + кулер вполне достаточно. Только я без слюды их посадил, а это голяк! до первого попадания земли на радиатор гг


    Вот и прошло больше чем пол года с того момента когда я создал первый образец рабочий. На данный момент приобрел Тр тор 850 Вт в номинале, емкость фильтрующик кондеров 130000,0 мкФ. Заменил радиаторы на 4шт от Атлона +3400 предварительно удалив фрезерным станком лишние части))). Плату переделал, сделав все по схеме звезда, удалось практически избавиться от фона. Осталось дело за управлением и защитой АС...

    -схема и печатная плата в OrCAD лежит чуть ниже)))

    НАЧИНАЯ С 5 ФОТКИ УЖЕ ГОТОВЫЙ ПРОЭКТ(прошол год с момента когда это все началось))))


    Вот СХЕМА управления+программа + прошивка для усилителя PIC16F874A и PIC16F887
    Миниатюры Миниатюры Нажмите на изображение для увеличения. 

Название:	DSC00753.JPG 
Просмотров:	2573 
Размер:	211.5 Кб 
ID:	25484   Нажмите на изображение для увеличения. 

Название:	DSC00754.JPG 
Просмотров:	2021 
Размер:	236.7 Кб 
ID:	25485   Нажмите на изображение для увеличения. 

Название:	Печатная плата.JPG 
Просмотров:	2381 
Размер:	238.3 Кб 
ID:	25486   Нажмите на изображение для увеличения. 

Название:	Схема.JPG 
Просмотров:	3295 
Размер:	262.1 Кб 
ID:	25487  

    Нажмите на изображение для увеличения. 

Название:	DSC00692.JPG 
Просмотров:	1334 
Размер:	188.2 Кб 
ID:	53527   Нажмите на изображение для увеличения. 

Название:	DSC00647.JPG 
Просмотров:	1013 
Размер:	221.3 Кб 
ID:	53528   Нажмите на изображение для увеличения. 

Название:	DSC00702.JPG 
Просмотров:	1119 
Размер:	210.8 Кб 
ID:	53529   Нажмите на изображение для увеличения. 

Название:	DSC00698.JPG 
Просмотров:	1293 
Размер:	256.7 Кб 
ID:	53530  

    Нажмите на изображение для увеличения. 

Название:	DSC00700.JPG 
Просмотров:	1037 
Размер:	237.3 Кб 
ID:	53531  
    Вложения Вложения
    Последний раз редактировалось Plutishka; 03.10.2009 в 20:17. Причина: непрошло и пол года

  2. #2
    Завсегдатай Аватар для Nick
    Регистрация
    28.03.2005
    Адрес
    NY, USA
    Возраст
    48
    Сообщений
    3,606

    По умолчанию Re: LM3886T x4 Параллельно-мостовая схема 200W

    Цитата Сообщение от Plutishka Посмотреть сообщение
    -И еще один вопросик про Mute я подключил все микросхемы параллельно это вобще можно делать? ну и конденсатор 1000 mF поставил резистор 10 к если 22к стоит начинает немного гудеть.
    В принципе можно, хоть и не очень это хорошо, но резистор надо брать раза в 4 меньше. Думаю лучше поставить 5к.
    Питание +/-40 вольт в таком включении сильно много, если конечно нагрузка не 16ом. Для 4ом лучше ограничится 28 -30 вольтами и 32-34 для 8омной.
    Истина где-то там...

  3. #3
    Частый гость
    Автор темы

    Регистрация
    06.01.2008
    Адрес
    Днепропетровск, Украина
    Сообщений
    130

    По умолчанию Re: LM3886T x4 Параллельно-мостовая схема 200W

    Nick а ты собирал эту схему?

  4. #4
    Завсегдатай Аватар для Nick
    Регистрация
    28.03.2005
    Адрес
    NY, USA
    Возраст
    48
    Сообщений
    3,606

    По умолчанию Re: LM3886T x4 Параллельно-мостовая схема 200W

    Цитата Сообщение от Plutishka Посмотреть сообщение
    Nick а ты собирал эту схему?
    Нет.
    Истина где-то там...

  5. #5
    Старый знакомый
    Регистрация
    08.04.2005
    Адрес
    Краснодар
    Возраст
    37
    Сообщений
    642

    По умолчанию Re: LM3886T x4 Параллельно-мостовая схема 200W

    а кто мне расскажет как с питания 30-0-30 можно получить 200вт?или это на уменьшеную нагрузку(2ома)??

  6. #6
    Завсегдатай Аватар для Nick
    Регистрация
    28.03.2005
    Адрес
    NY, USA
    Возраст
    48
    Сообщений
    3,606

    По умолчанию Re: LM3886T x4 Параллельно-мостовая схема 200W

    Цитата Сообщение от m01971 Посмотреть сообщение
    а кто мне расскажет как с питания 30-0-30 можно получить 200вт?или это на уменьшеную нагрузку(2ома)??
    На 4 ома можно и больше, если схема мостовая (как в этой теме)...
    Истина где-то там...

  7. #7
    Не хочу! Аватар для Alex
    Регистрация
    20.03.2003
    Адрес
    Worldwide
    Возраст
    62
    Сообщений
    39,050

    По умолчанию Re: LM3886T x4 Параллельно-мостовая схема 200W

    Цитата Сообщение от m01971 Посмотреть сообщение
    а кто мне расскажет как с питания 30-0-30 можно получить 200вт?или это на уменьшеную нагрузку(2ома)??
    Прикидывайт по макс. теоретической мощности:
    обычный Р=U^2/8R
    мост P=U^2/2R

    U - это от плюса до минуса, т.е. для двуполярки 30-0-30 это 60в.

    Реальная мощность конечно меньше теоретической, но теоретическая поволяет увидеть границу.
    Для 30-0-30 и 4 ома в обычном раз получается 112Вт, в мосту - 450.
    "Замполит, чайку?"(с)"Охота за Красным Октябрем".
    "Да мне-то что, меняйтесь!"(с)анек.
    <-- http://altor1.narod.ru --> Вопросы - в личку, е-мейл, скайп.

  8. #8
    Частый гость
    Автор темы

    Регистрация
    06.01.2008
    Адрес
    Днепропетровск, Украина
    Сообщений
    130

    По умолчанию Re: LM3886T x4 Параллельно-мостовая схема 200W

    прикольно, сейчас ищу подходяший сердечник-тор хочу намотать. Вот только интересно найти бы того человека котрый собирал подобную схему)))

    Добавлено через 2 минуты
    а и еще вопросик как с Mute быть? я вроде видело что полевик ставят, и невидел что бы муте всех микросхем соединяли вместе, интересно так можно?
    Последний раз редактировалось Plutishka; 08.01.2008 в 15:08. Причина: Добавлено сообщение

  9. #9
    Завсегдатай Аватар для Nick
    Регистрация
    28.03.2005
    Адрес
    NY, USA
    Возраст
    48
    Сообщений
    3,606

    По умолчанию Re: LM3886T x4 Параллельно-мостовая схема 200W

    Цитата Сообщение от Plutishka Посмотреть сообщение
    а и еще вопросик как с Mute быть?
    Я же уже написал что можно . Возможно будет хуже с точки зрения искажений, но это будет скорее зависеть от монтажа, поэтому насколько сказать немогу. Резистор для одной микросхемы считается Rm = (|VEE| − 2.6V)/0.002, где Vee минус питания в вольтах. Для 4-х нужно брать резистор в 4 раза меньше. Полевик ставят как источник тока, так как желательно, с точки зрения искажений, чтобы ток через этот вывод был постоянным. Также можно поставить два сопротивления, стабилитрон и два конденсатора, что тоже сделает ток через Mute более стабильным.
    Истина где-то там...

  10. #10
    Частый гость
    Автор темы

    Регистрация
    06.01.2008
    Адрес
    Днепропетровск, Украина
    Сообщений
    130

    По умолчанию Re: LM3886T x4 Параллельно-мостовая схема 200W

    а как правильно землю разводить? там же еще операционики, что с этими землями делать или лепить эти земли на замлм ЛМ3886? или сначала все земли соеденить отдельно операционников, а потом уже одним отдельным проводником соединить с зеслей ЛМ3886. А и еще глянте как я развел?

  11. #11
    Завсегдатай Аватар для Nick
    Регистрация
    28.03.2005
    Адрес
    NY, USA
    Возраст
    48
    Сообщений
    3,606

    По умолчанию Re: LM3886T x4 Параллельно-мостовая схема 200W

    Цитата Сообщение от Plutishka Посмотреть сообщение
    а как правильно землю разводить? там же еще операционики, что с этими землями делать или лепить эти земли на замлм ЛМ3886? или сначала все земли соеденить отдельно операционников, а потом уже одним отдельным проводником соединить с зеслей ЛМ3886. А и еще глянте как я развел?
    Вообще самоё простое и часто правильное это соединять все земли в одной точке (мекка). Конечно тогда получится сильно много дорожек, поэтому можно некоторые слаботочные соединить друг с другом сразу. Можно и даже очень нужно соединить также друг с другом как можно раньше земляные выводы конденсаторов шунтирующих плюс и минус питания LM3886 а потом соединить это в общую точку тоже. Земляной вывод LM3886 является тоже слаботочным, его надо отдельным проводником в общую точку. Во общих чертах так...
    Истина где-то там...

  12. #12
    Частый гость
    Автор темы

    Регистрация
    06.01.2008
    Адрес
    Днепропетровск, Украина
    Сообщений
    130

    По умолчанию Re: LM3886T x4 Параллельно-мостовая схема 200W

    Уже трансформатор намотал, жалко что сегодня уже позно, а так нетериться проверить. Только у меня акустика всего 2х35ватт Сони, вот думаю для нагрузки что лучше взять лампочки 12в/45Вт автомобильные 5 штук)))?

    Добавлено через 16 часов 22 минуты
    -Сегодня включал с утра звучит-говно, колонки на 35 ват и даже нечуствеется что их рвало. Не чуствуется запаса мощности. Трнасформатор намотал на торе по расчетом железо вроде на 180 ват, провлкой 1,2 мм это на 7-8 Ампер без нагрузки 2х29В. Но меряю когда на полную получается 21вольт(((( Наверно трансформатор не вытяшгивает.Прийдется ехать и брать на даче, там есть трансформатор на 2кВт точно хватит))).
    - И странно что радиаторы поразному греются, может какая-то ассиметря? как узнать?

    Добавлено через 27 минут
    А все ясно сигнал говно, щаз подключил ДВД совсем другое дело)))
    Последний раз редактировалось Plutishka; 10.01.2008 в 23:45. Причина: Добавлено сообщение

  13. #13
    Старый знакомый
    Регистрация
    08.04.2005
    Адрес
    Краснодар
    Возраст
    37
    Сообщений
    642

    По умолчанию Re: LM3886T x4 Параллельно-мостовая схема 200W

    Plutishka, -Сегодня включал с утра говно,
    Plutishka, А все ясно сигнал говно, щаз подключил ДВД совсем другое дело)))
    убей себя ап стену

  14. #14
    Частый гость
    Автор темы

    Регистрация
    06.01.2008
    Адрес
    Днепропетровск, Украина
    Сообщений
    130

    По умолчанию Re: LM3886T x4 Параллельно-мостовая схема 200W

    ГЫ)))

  15. #15
    Частый гость
    Автор темы

    Регистрация
    06.01.2008
    Адрес
    Днепропетровск, Украина
    Сообщений
    130

    По умолчанию Re: LM3886T x4 Параллельно-мостовая схема 200W

    Вот я выложил схемку(LM3886T x4 Параллельно-мостовая схема 200W) и печатную плату все в OrCAD сделано! все работает!
    Вложения Вложения

  16. #16
    Старый знакомый Аватар для Анатоль
    Регистрация
    02.04.2006
    Адрес
    Санкт-Петербург
    Сообщений
    836

    По умолчанию Re: LM3886T x4 Параллельно-мостовая схема 200W

    Цитата Сообщение от Plutishka Посмотреть сообщение
    Вот я выложил схемку(LM3886T x4 Параллельно-мостовая схема 200W) и печатную плату все в OrCAD сделано! все работает!
    У Вас модель LM3886 есть ? Я видел только для LT, но вот в MC или в Orcadе посимулировал бы

    А вы суперсимметричным вариантом LM3886 Нельсона Пасса не интересовались ?
    http://www.diyaudio.com/forums/attac...amp=1149857707
    К примеру усилители в LM4780 параллелят и из пары LM4780 делают суперсимметрию.
    Но думаю , по звуку мауро это уступит.
    Последний раз редактировалось Анатоль; 11.01.2008 в 01:08.

  17. #17
    Частый гость
    Автор темы

    Регистрация
    06.01.2008
    Адрес
    Днепропетровск, Украина
    Сообщений
    130

    По умолчанию Re: LM3886T x4 Параллельно-мостовая схема 200W

    какая еще модель?

  18. #18
    Старый знакомый Аватар для Анатоль
    Регистрация
    02.04.2006
    Адрес
    Санкт-Петербург
    Сообщений
    836

    По умолчанию Re: LM3886T x4 Параллельно-мостовая схема 200W

    А Вы в Orcadе её ручками рисовали? Тогда извините.

  19. #19
    Завсегдатай Аватар для GoFrenDiy™
    Регистрация
    01.06.2004
    Адрес
    Некрасовский
    Возраст
    43
    Сообщений
    1,491

    По умолчанию Re: LM3886T x4 Параллельно-мостовая схема 200W

    ))) я примерно тож самое сделал на 4х ТДА7294... Только у меня без интеграторов (делалось в авто на саб - поставил кондер на вход) ну и схемка у меня немножко позамороченнее... при +-32В получил примерно 380Вт на 4 Ома (~55В амплитуда на выходе). Вот только я укосячил и не сделал фоток... ну может приедет человек - попробую сделать хоть на сотик...
    Источник питания импульсный... Мощность около 500-550Вт... был взят автоусилок б/у, вышвырнуто все что касалось старого усилка, кроме БП и фильтров, сам БП был проапгрейжен дополнительными полевиками, которые даже впаялись в имеющиеся на плате места и был сделан новый транс.
    При выборе источника надо исходить, какая будет нагрузка. допустим динамик 300Вт, то в этом случае надо брать источник на 30-40% больше, т.е. 400-450Вт...

  20. #20
    Частый гость
    Автор темы

    Регистрация
    06.01.2008
    Адрес
    Днепропетровск, Украина
    Сообщений
    130

    По умолчанию Re: LM3886T x4 Параллельно-мостовая схема 200W

    GoFrenDiy™, ну 7294 как хлопушка, трах бах и взорвалась ))) мне не очень нравиться, больше 3886.

    -Да плату мне можно было разработать лучше! вижу недостатки, в скором времени исправлю и выложу.Земельный провод неправильно развел ((( Сначала был фон небольшой, но потом удалось избавиться--очень просто подключил землю в нескольких местах к блоку питания)) методом тыка. И просто чудо перестало вобще гудеть, только если голову в динамик вставить то немного слышно "у-y-y", но это не считается потому что мои компютерные колонки гудят больше)))

    -
    Анатоль, а что в OrCAD можно просимулировать как ведет себя схема после разводки печатных проводников? Или я чего-то не понял, просто схемы я моделировал, но к печатной плате привязки не делал не какой и не слышал про такое. Объясните пожалуйста!

Страница 1 из 8 123 ... Последняя

Социальные закладки

Социальные закладки

Ваши права

  • Вы не можете создавать новые темы
  • Вы не можете отвечать в темах
  • Вы не можете прикреплять вложения
  • Вы не можете редактировать свои сообщения
  •