Страница 90 из 90 Первая ... 80888990
Показано с 1,781 по 1,799 из 1799

Тема: Симметричная топология Холтона На биполярах, биполярно-мосфетный гибрид

  1. #1 Показать/скрыть первое сообщение.
    Завсегдатай
    Автор темы
    Аватар для nikolayms
    Регистрация
    14.06.2006
    Адрес
    г. Первоуральск (рядом с Екатеринбургом)
    Возраст
    45
    Сообщений
    2,870

    По умолчанию Симметричная топология Холтона На биполярах, биполярно-мосфетный гибрид, + лампа в первом ДК

    Вот отсюда #1628 прикручиваем лампу в первом ДК.
    Nik87_V2_250W.rar - Файлы ПП, Замеров услителя Николай87
    Пост 386 - актуальная схема. Нажмите на изображение для увеличения. 

Название:	sch.png 
Просмотров:	11404 
Размер:	30.1 Кб 
ID:	153260
    С поста #33 начинается обсуждение "гибрида"
    , Нажмите на изображение для увеличения. 

Название:	jhhgkyu b.png 
Просмотров:	12218 
Размер:	7.3 Кб 
ID:	153259 это схема с параллельными каскадами биполярных и полевых транзисторов. Отсюда и название.
    Особого внимания достойна схема Павла (Mepavel): пост #302 и пост #290
    К подобному решению выходного каскада прибегает Кжиштоф Ясински в журнале Радиохобби 2 номер 2002 год, стр.13. Только он использует схему Шиклаи в выходном каскаде. Нажмите на изображение для увеличения. 

Название:	2016-10-20_17-14-18.png 
Просмотров:	4127 
Размер:	313.5 Кб 
ID:	276835
    Вложения Вложения
    Последний раз редактировалось nikolayms; 11.07.2017 в 21:59.

  2. #1781
    Завсегдатай
    Автор темы
    Аватар для nikolayms
    Регистрация
    14.06.2006
    Адрес
    г. Первоуральск (рядом с Екатеринбургом)
    Возраст
    45
    Сообщений
    2,870

    По умолчанию Re: Симметричная топология Холтона На биполярах, биполярно-мосфетный гибрид

    SmitGN, опорный источник напряжения бывает, хотя это и верно, частично. Он же и разделительный, по нему идёт сигнал ООС и он развязывает по постоянному напяжению инвертирующий вход усилителя и потенциал земли.
    ВейвКорп - это тоже я.

  3. #1782
    Частый гость
    Регистрация
    09.12.2013
    Адрес
    МО
    Сообщений
    130

    По умолчанию Re: Симметричная топология Холтона На биполярах, биполярно-мосфетный гибрид

    Не понял о чём вы, про кондёр в центре вашего фото, это именно опорный конденсатор, Опорными бывают не только источники, бывают ещё опорные изоляторы, а так же подшипники и много чего другого.

  4. #1783
    Завсегдатай
    Автор темы
    Аватар для nikolayms
    Регистрация
    14.06.2006
    Адрес
    г. Первоуральск (рядом с Екатеринбургом)
    Возраст
    45
    Сообщений
    2,870

    По умолчанию Re: Симметричная топология Холтона На биполярах, биполярно-мосфетный гибрид

    SmitGN, достигли взаимонепонимания. Теперь и я догадался о чём была речь. А я про С13 на черно-белой схеме в топике.
    ВейвКорп - это тоже я.

  5. #1784
    Завсегдатай Аватар для Ромыч
    Регистрация
    30.11.2004
    Адрес
    Новосибирск
    Возраст
    46
    Сообщений
    3,585

    По умолчанию Re: Симметричная топология Холтона На биполярах, биполярно-мосфетный гибрид

    Николай, а по какой именно схеме у тебя сейчас собран усилитель? Их вроде с мелкими вариациями великое множество. Какие транзисторы стоят?
    У каждого мужчины должна быть своя Муза, у каждой женщины - свой Музык.

  6. #1785
    Частый гость
    Регистрация
    08.11.2011
    Сообщений
    363

    По умолчанию Re: Симметричная топология Холтона На биполярах, биполярно-мосфетный гибрид

    разделительный.... но он достаточно сильно на звук влияет... рифа это рифа, но меня сильно обрадовал наш отечественный к73-16в ... попробуй такой
    поставить, может сильно удивить...

  7. #1786
    Завсегдатай
    Автор темы
    Аватар для nikolayms
    Регистрация
    14.06.2006
    Адрес
    г. Первоуральск (рядом с Екатеринбургом)
    Возраст
    45
    Сообщений
    2,870

    По умолчанию Re: Симметричная топология Холтона На биполярах, биполярно-мосфетный гибрид

    Ромыч, я даже прототип уже задарил. Тошибы(ютиси) стоят. Твои транзиля так и лежат скромно. Андрею собирал на новых мотороллах из магазина. Улучшения есть небольшие. Ему понравилось, этот экземпляр он даже не продаёт. Себе держит.

    ---------- Сообщение добавлено 03:46 ---------- Предыдущее сообщение было 03:45 ----------

    Цитата Сообщение от artem vc Посмотреть сообщение
    отечественный к73-16в
    хорошо. Гляну. Печатки есть для экспериментов.
    ВейвКорп - это тоже я.

  8. #1787
    Завсегдатай Аватар для Ромыч
    Регистрация
    30.11.2004
    Адрес
    Новосибирск
    Возраст
    46
    Сообщений
    3,585

    По умолчанию Re: Симметричная топология Холтона На биполярах, биполярно-мосфетный гибрид

    Цитата Сообщение от nikolayms Посмотреть сообщение
    Ромыч, я даже прототип уже задарил. Тошибы(ютиси) стоят. Твои транзиля так и лежат скромно. Андрею собирал на новых мотороллах из магазина. Улучшения есть небольшие. Ему понравилось, этот экземпляр он даже не продаёт. Себе держит.

    Offтопик:
    Да пусть лежат, каждому овощу свой салат ))))
    У каждого мужчины должна быть своя Муза, у каждой женщины - свой Музык.

  9. #1788
    Частый гость
    Регистрация
    08.11.2011
    Сообщений
    363

    По умолчанию Re: Симметричная топология Холтона На биполярах, биполярно-мосфетный гибрид

    судя по прослушиваниям с одного сайта, могу его поискать,он не хуже понтовых дженсоноф

  10. #1789
    Завсегдатай
    Автор темы
    Аватар для nikolayms
    Регистрация
    14.06.2006
    Адрес
    г. Первоуральск (рядом с Екатеринбургом)
    Возраст
    45
    Сообщений
    2,870

    По умолчанию Re: Симметричная топология Холтона На биполярах, биполярно-мосфетный гибрид


    Offтопик:
    5 лет и 10 месяцев теме, мы прозевали юбилей...
    ВейвКорп - это тоже я.

  11. #1790
    Завсегдатай Аватар для 25602
    Регистрация
    07.07.2006
    Адрес
    Украина, Балта
    Возраст
    40
    Сообщений
    2,046

    По умолчанию Re: Симметричная топология Холтона На биполярах, биполярно-мосфетный гибрид


    Offтопик:
    Я тоже свой прозевал - 10 лет на Веге, сегодня глянул - аш абидна шо такой юбилей прозивал прямо на Ивана-Купала , но это нужно поправить

  12. #1791
    Завсегдатай
    Автор темы
    Аватар для nikolayms
    Регистрация
    14.06.2006
    Адрес
    г. Первоуральск (рядом с Екатеринбургом)
    Возраст
    45
    Сообщений
    2,870

    По умолчанию Re: Симметричная топология Холтона На биполярах, биполярно-мосфетный гибрид


    Offтопик:
    Цитата Сообщение от 25602 Посмотреть сообщение
    10 лет на Веге
    и я прозевали двухтысячное сообщение своё не заметил...
    ВейвКорп - это тоже я.

  13. #1792
    Частый гость
    Регистрация
    08.01.2010
    Адрес
    ЗУНР-Ив.Франковск
    Сообщений
    437

    По умолчанию Re: Симметричная топология Холтона На биполярах, биполярно-мосфетный гибрид


    Offтопик:
    Присоеденяюсь! Желаю новых творческих успехов!

  14. #1793
    Частый гость Аватар для Gerasim2
    Регистрация
    27.05.2009
    Адрес
    Ангарск
    Сообщений
    128

    По умолчанию Re: Симметричная топология Холтона На биполярах, биполярно-мосфетный гибрид

    Удачи ,Николай !
    ЗЫ "Гибрид " стал моим первым DIY усилителем

  15. #1794
    Частый гость
    Регистрация
    27.08.2012
    Адрес
    нижегородская обл
    Сообщений
    205

    По умолчанию Re: Симметричная топология Холтона На биполярах, биполярно-мосфетный гибрид

    мои тоже))) не считая всякой фигни))

  16. #1795
    Частый гость
    Регистрация
    09.02.2007
    Сообщений
    114

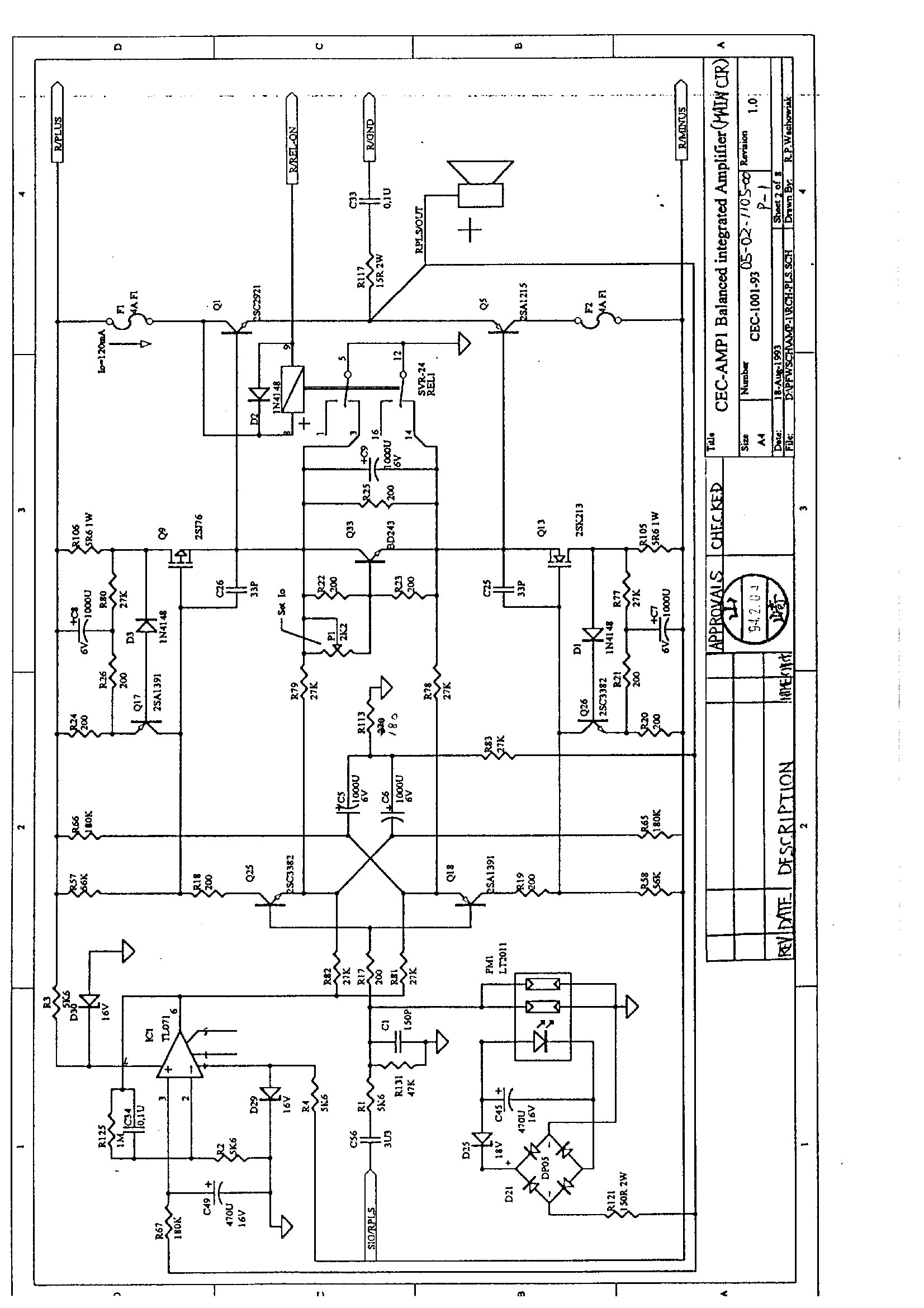
    По умолчанию Re: Симметричная топология Холтона На биполярах, биполярно-мосфетный гибрид, + лампа в первом ДК

    Нажмите на изображение для увеличения. 

Название:	LEF CEC AMP3 power amp Section.jpg 
Просмотров:	954 
Размер:	409.5 Кб 
ID:	277027

    Добрый день ,подскажите люди добрые,имеется проблема с усилителем cec amp53,похожем на тот что на картинке.
    На одном канале звук тихий и хриплый,сервис закопался ,говорит все параметры по постоянному току в норме.
    Куда рыть?
    Может надо в тему ремонта ,но уж больно усилитель похож на то что обсуждается в теме,да и решения cec на мой взгляд интересные .

  17. #1796
    Завсегдатай
    Автор темы
    Аватар для nikolayms
    Регистрация
    14.06.2006
    Адрес
    г. Первоуральск (рядом с Екатеринбургом)
    Возраст
    45
    Сообщений
    2,870

    По умолчанию Re: Симметричная топология Холтона На биполярах, биполярно-мосфетный гибрид, + лампа в первом ДК

    Gerasim2,
    maxlenin,
    благодарю!
    alex71, ну, уж и вовсе нет общего ничего.

    ---------- Сообщение добавлено 19:17 ---------- Предыдущее сообщение было 15:53 ----------

    может быть питание похожее и всё))
    ВейвКорп - это тоже я.

  18. #1797
    Завсегдатай
    Автор темы
    Аватар для nikolayms
    Регистрация
    14.06.2006
    Адрес
    г. Первоуральск (рядом с Екатеринбургом)
    Возраст
    45
    Сообщений
    2,870

    По умолчанию Re: Симметричная топология Холтона На биполярах, биполярно-мосфетный гибрид

    Нажмите на изображение для увеличения. 

Название:	DSCF6032_новый размер.JPG 
Просмотров:	844 
Размер:	255.5 Кб 
ID:	283329 Красоту делать некогда было На задней панельке. Наклейки с логотипом и характеристиками. Всему своё время. Пока так.
    Нажмите на изображение для увеличения. 

Название:	DSCF6033_новый размер.JPG 
Просмотров:	858 
Размер:	210.0 Кб 
ID:	283330Передняя панель из алюминия 8 мм. Окошко под индикацию регулятора громкости WMaudio. Тонировано автомобильной плёнкой.
    ЦАП
    Нажмите на изображение для увеличения. 

Название:	DSCF6025_новый размер.JPG 
Просмотров:	765 
Размер:	241.8 Кб 
ID:	283331 ЦАП Назара, немного изменена печатка.
    ВейвКорп - это тоже я.

  19. #1798
    Завсегдатай
    Автор темы
    Аватар для nikolayms
    Регистрация
    14.06.2006
    Адрес
    г. Первоуральск (рядом с Екатеринбургом)
    Возраст
    45
    Сообщений
    2,870

    По умолчанию Re: Симметричная топология Холтона На биполярах, биполярно-мосфетный гибрид

    Прикрутили c коллегой полевые транзисторы на вход. Так-же, думаю воспользоваться рекомендацией отцепить истоки мосфетов от выхода(пока не реализовано). Если подумать - то при таком включении ток истока будет попадать не на низкоомную нагрузку, а усиливаться биполярным транзистором.
    И почему я решил это сделать - сравнение с УМ ВВ2021 по схеме "на основе оригинальной концепции Вадима Авхимовича г. Одесса, июль 2021г." мой усилитель имеет некоторую пелену. ВВшник более прозрачно играет. Весной встретились в чудесном месте за городом, несколько часов тестили. Вот и думаю, что мой усилок в выходном каскаде может иметь недостаточное усиление по току, когда мосфеты нагружены напрямую на нагрузку.
    Нажмите на изображение для увеличения. 

Название:	схема.png 
Просмотров:	212 
Размер:	12.9 Кб 
ID:	461121
    При этом, я съездил в Омск и сравнил новый прототип со предыдущим в гостях у AcousticLab, над которым трудился Николай Ковезюк, - новый играет лучше! В аудиозаписи был фрагмент, когда зажигается спичка (трек не знаю, к сожалению). Версия на красных платах размазала звук. А свежая прорисовала чётко.

    ---------- Сообщение добавлено 21:36 ---------- Предыдущее сообщение было 21:31 ----------

    Транзисторы на входе поменяны на 2sk117, с ними самый низкий уровень шума получился.

    ---------- Сообщение добавлено 21:40 ---------- Предыдущее сообщение было 21:36 ----------

    Годятся, так же 2sk184, 2sk209, 2sk107, 2sk2145 - сборка.
    Печатки не планируются. Но тем, кто собрал эти усилки ранее вполне доступен апгрейд.

    ---------- Сообщение добавлено 21:47 ---------- Предыдущее сообщение было 21:40 ----------

    Коллега Денис, пока настраивал усилок, тестировал его в сравнении с распространённой китайской платой MX50. У этого усилка полка шума оказалась заметно выше.
    ВейвКорп - это тоже я.

  20. #1799
    Завсегдатай
    Автор темы
    Аватар для nikolayms
    Регистрация
    14.06.2006
    Адрес
    г. Первоуральск (рядом с Екатеринбургом)
    Возраст
    45
    Сообщений
    2,870

    По умолчанию Re: Симметричная топология Холтона На биполярах, биполярно-мосфетный гибрид

    На данном "фотоскриншоте" уровень собственных шумов усилителя на BF245(зелёная кривая) и 2SK117(белая). Сетевые помехи не изменились. Измерения с ноута делались с внешней звуковухой(E-MU 0202 Creative).
    Нажмите на изображение для увеличения. 

Название:	T_sLjsc5_dk.jpg 
Просмотров:	100 
Размер:	287.5 Кб 
ID:	461576
    ВейвКорп - это тоже я.

Страница 90 из 90 Первая ... 80888990

Метки этой темы

Социальные закладки

Социальные закладки

Ваши права

  • Вы не можете создавать новые темы
  • Вы не можете отвечать в темах
  • Вы не можете прикреплять вложения
  • Вы не можете редактировать свои сообщения
  •