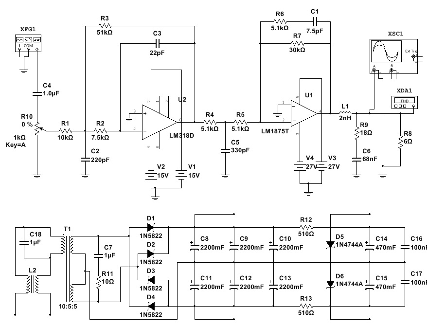
Решил создать ветку посвященную данной схеме для удобства, чтобы не искать отдельные сообщения по разным веткам. Вот собственно схема. и файл cir. И пояснения от автора:
От себя хочу задать несколько вопросов:верхние две- это входной ФНЧ в 2х версиях. 3 нижних- это разные вариации оконечника. входные делители опять же в 3х вариантах Отрабатывалось несколько вариантов для разных задач. Комбинации регулятор-ФНЧ-оконечник можно выбрать на свой вкус.
параметры ФНЧ- у одного Ку5, у другого Ку2, далее- версии оконечников не взводятся, различие в номиналах- были собраны вначале по одной схеме, потом 22пФ кондёры закончились, пришлось менять цепочки коррекции, на слух разницы нет, в одном случае было нужно входное сопротивление 10кОм, так появился 3 вариант оконечника. А вот тип входного конденсатора на слух ОЧЕНЬ слышен...
1. можно ли вместо кондера на входе прикрутить интегратор на opa132? Правильно ли я расчитал номиналы резисторов?
2. Принципиально ли использование инвертирующего ФНЧ? Можно ли сделать вариант II? (просто имеется качественный кондер на 1000 пик, хочется его туда пристроить)
3. Есть 2 шт. LM318. Будут ли они лучше во входном фильтре, чем opa132?
Или ставить сдвоенную 2132 на все нужды и не париться
4. Если сигнал ООС снимать после контактов реле защиты, то как быть с задержкой при включении, ведь цепь ООС будет на некоторое время разомкнута?
Заранее благодарю за помощь
Собираюсь делать такой усь, детали закуплены, пока готов только БП, разводку планирую на smd 0805







Социальные закладки