Страница 57 из 98 Первая ... 47555657585967 ... Последняя
Показано с 1,121 по 1,140 из 1945

Тема: 500-700W Сетевой импульсник

  1. #1 Показать/скрыть первое сообщение.
    Частый гость
    Автор темы

    Регистрация
    01.03.2006
    Адрес
    Литва, Вильнюс
    Возраст
    41
    Сообщений
    175

    По умолчанию 500-700W Сетевой импульсник

    Давно почитываю сей форум, и вот надумал слепить собственный импульсник для усилов. Это полумостовая стабилизированная схема на LM5030 и IR2110, есть ограничения по току, мягкий запуск. Надо еще допроектировать обратную связь и посчитать трансформатор.
    Жду общих коментариев по топологии.
    Миниатюры Миниатюры Нажмите на изображение для увеличения. 

Название:	offline_psu_big2.GIF 
Просмотров:	31550 
Размер:	33.0 Кб 
ID:	15589  

  2. #1121
    Завсегдатай Аватар для Станислафф
    Регистрация
    18.10.2007
    Адрес
    Тольятти
    Возраст
    47
    Сообщений
    1,661

    По умолчанию Re: 500-700W Сетевой импульсник

    Цитата Сообщение от SAB 2 Посмотреть сообщение
    Согласен, только при высокой частоте и малом токе первички
    И нафига в мосте делитель?
    Делитель - не нужен. Но где он в полумосте "ОГРОМНЫЙ", как писал
    Цитата Сообщение от SAB 2 Посмотреть сообщение
    кондёры в делителе уже нужны громадные
    Громадные - конденсаторы фильтра, но они зависят от мощности, а не от типа схемы - мост, полумост.

    В противном случае на трансформаторе получим синусоиду, "нарисованную" частотой преобразователя - усилитель,класс Д.

  3. #1122
    Регистрация не подтверждена Аватар для witali
    Регистрация
    21.02.2005
    Адрес
    Владимир
    Возраст
    49
    Сообщений
    880

    По умолчанию Re: 500-700W Сетевой импульсник

    Цитата Сообщение от SAB 2 Посмотреть сообщение
    witali, не понял тебя?
    Цитата Сообщение от SAB 2 Посмотреть сообщение
    и малом токе первички

    я вот об этом

  4. #1123
    Завсегдатай Аватар для SAB 2
    Регистрация
    15.12.2008
    Адрес
    Арзамас
    Возраст
    42
    Сообщений
    1,412

    По умолчанию Re: 500-700W Сетевой импульсник

    Цитата Сообщение от witali Посмотреть сообщение
    я вот об этом
    и я об том

    Добавлено через 27 минут
    Цитата Сообщение от Станислафф Посмотреть сообщение
    получим синусоиду
    в ибп, никогда мы не получим её.
    Цитата Сообщение от Станислафф Посмотреть сообщение
    В противном случае на трансформаторе получим синусоиду, "нарисованную" частотой преобразователя - усилитель,класс Д.
    Ну ты даёшь!!!!!!!!!!!!!
    Последний раз редактировалось SAB 2; 16.05.2009 в 00:09. Причина: Добавлено сообщение
    DYK DAC v1.1; УМЗЧ "STALKER", "ПараФинн"; акустика - проф НЧ "MARK" DO82C18; СЧ 6ГДШ-5-8; ВЧ "НОЭМА" 25NH-03-8.

  5. #1124
    Завсегдатай Аватар для Станислафф
    Регистрация
    18.10.2007
    Адрес
    Тольятти
    Возраст
    47
    Сообщений
    1,661

    По умолчанию Re: 500-700W Сетевой импульсник

    SAB 2, ты издеваешься, или действительно не понимаешь, о чем речь?

  6. #1125
    Новичок
    Регистрация
    15.01.2009
    Адрес
    Брянск( около)
    Возраст
    66
    Сообщений
    83

    По умолчанию Re: 500-700W Сетевой импульсник

    Цитата Сообщение от witali Посмотреть сообщение
    Offтопик:
    такие вопросы обычно в личку пишут
    Я своё отредактировал, можно меня более не цитировать (это было в состоянии неадекватном, после очередного пыхх выходных и драйвера)...Это тоже off

  7. #1126
    Завсегдатай Аватар для SAB 2
    Регистрация
    15.12.2008
    Адрес
    Арзамас
    Возраст
    42
    Сообщений
    1,412

    По умолчанию Re: 500-700W Сетевой импульсник

    Станислафф, Нет, не издеваюсь, для моста делитель из кондёров не нужен!

    Добавлено через 5 минут
    Op.s, Лучше в личку
    Последний раз редактировалось SAB 2; 16.05.2009 в 19:54. Причина: Добавлено сообщение
    DYK DAC v1.1; УМЗЧ "STALKER", "ПараФинн"; акустика - проф НЧ "MARK" DO82C18; СЧ 6ГДШ-5-8; ВЧ "НОЭМА" 25NH-03-8.

  8. #1127
    Регистрация не подтверждена
    Регистрация
    02.03.2007
    Адрес
    Воронеж
    Возраст
    69
    Сообщений
    708

    По умолчанию Re: 500-700W Сетевой импульсник

    Цитата Сообщение от kvazi Посмотреть сообщение
    а почему стоит боятся сетевого пуш пула?
    ИМХО, боятся не стоит.

  9. #1128
    Завсегдатай Аватар для Станислафф
    Регистрация
    18.10.2007
    Адрес
    Тольятти
    Возраст
    47
    Сообщений
    1,661

    По умолчанию Re: 500-700W Сетевой импульсник

    Цитата Сообщение от SAB 2 Посмотреть сообщение
    Станислафф, Нет, не издеваюсь, для моста делитель из кондёров не нужен!
    Делитель при чем? Он огромен? Тогда конденсатора фильтра каковы по размерам? Мегаогромны?

    Делитель ИМХО не самый габаритный узел ИБП по сравнению с фильтром или трансформатором.

  10. #1129

    По умолчанию Re: 500-700W Сетевой импульсник

    У меня готов шим контроллер и трансик намотан, Немогу найти транзисторы К1120, чем их можно заменить???

  11. #1130
    Частый гость
    Регистрация
    02.02.2009
    Адрес
    г.Челябинск
    Возраст
    34
    Сообщений
    180

    По умолчанию Re: 500-700W Сетевой импульсник

    Цитата Сообщение от Странный Посмотреть сообщение
    У меня готов шим контроллер и трансик намотан, Немогу найти транзисторы К1120, чем их можно заменить???
    По параметрам ищи аналог. Думаю можно и IRF740, IRF744, IRFP460(LC), КП707В2 из доступных у нас по крайней мере...
    Хотя... смотря какая схема еще(по напряжению могут не пройти)

  12. #1131

    По умолчанию Re: 500-700W Сетевой импульсник

    ну ясно КП707В2 были написаны как аналог, но их то же у нас нету)) буду ирф искать...

  13. #1132
    Частый гость
    Регистрация
    03.10.2006
    Адрес
    Екатеринбург
    Возраст
    37
    Сообщений
    199

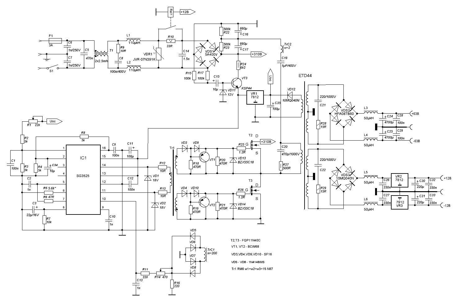
    Вопрос Re: 500-700W Сетевой импульсник

    Господа посмотрите схему на предмет грубых ляпов...а то мало ли запарился...
    Миниатюры Миниатюры Нажмите на изображение для увеличения. 

Название:	Сетевой импульсник2.JPG 
Просмотров:	695 
Размер:	183.7 Кб 
ID:	53583  
    Последний раз редактировалось gromilalex; 25.05.2009 в 06:13.

  14. #1133
    Не хочу! Аватар для Alex
    Регистрация
    20.03.2003
    Адрес
    Worldwide
    Возраст
    63
    Сообщений
    39,056

    По умолчанию Re: 500-700W Сетевой импульсник

    Цитата Сообщение от gromilalex Посмотреть сообщение
    Господа посмотрите схему на предмет грубых ляпов.
    1) надо полагать. что гальваническая развязка выходных напряжений от розетки не требуется?
    2) не очень понятно, зачем для реле ограничения InRush Current делать отдельную 12в обмотку, а не использовать выходное напряжение 12в ?
    3) что далает транзорбер в том месте, где должен стоять варистор ?
    "Замполит, чайку?"(с)"Охота за Красным Октябрем".
    "Да мне-то что, меняйтесь!"(с)анек.
    <-- http://altor1.narod.ru --> Вопросы - в личку, е-мейл, скайп.

  15. #1134
    Старый знакомый Аватар для strannicmd
    Регистрация
    28.04.2006
    Адрес
    Modena (I)
    Возраст
    62
    Сообщений
    903

    По умолчанию Re: 500-700W Сетевой импульсник

    Цитата Сообщение от gromilalex Посмотреть сообщение
    схему на предмет.....
    С смопитаним могут возникнуть сбои.. Например, нагрузка ноль, скважность упадёт, напряжение с обмотки самопитания может и не хватить, или после сработки защиты, как произойдёт перезапуск схемы?! В базу VT2 стоит то ёмкость...

  16. #1135
    Завсегдатай
    Регистрация
    06.01.2007
    Адрес
    г. Пенза
    Возраст
    61
    Сообщений
    2,684

    По умолчанию Re: 500-700W Сетевой импульсник

    Цитата Сообщение от strannicmd Посмотреть сообщение
    С смопитаним могут возникнуть сбои.. Например, нагрузка ноль, скважность упадёт, напряжение с обмотки самопитания может и не хватить, или после сработки защиты, как произойдёт перезапуск схемы?! В базу VT2 стоит то ёмкость...
    На базе будут импульсы 50Гц.

  17. #1136
    Частый гость
    Регистрация
    03.10.2006
    Адрес
    Екатеринбург
    Возраст
    37
    Сообщений
    199

    По умолчанию Re: 500-700W Сетевой импульсник

    Alex,
    1)Я не очень понимаю о какой гальванической развязке Вы спрашиваейте?
    2)С этой обмотки также будут питаться вентиляторы и т.д
    3)Это двунаправленный ограничитель напряжения....


    korolkov24,Схема запуска великолепна!

  18. #1137
    Старый знакомый Аватар для eclipsevl
    Регистрация
    31.01.2009
    Адрес
    Гаага
    Возраст
    31
    Сообщений
    514

    По умолчанию Re: 500-700W Сетевой импульсник

    Цитата Сообщение от Alex Посмотреть сообщение
    гальваническая развязка
    +-63 и +-12 развязаны от земли

  19. #1138
    Не хочу! Аватар для Alex
    Регистрация
    20.03.2003
    Адрес
    Worldwide
    Возраст
    63
    Сообщений
    39,056

    По умолчанию Re: 500-700W Сетевой импульсник

    Цитата Сообщение от gromilalex Посмотреть сообщение
    1)Я не очень понимаю о какой гальванической развязке Вы спрашиваейте?
    Цитата Сообщение от eclipsevl Посмотреть сообщение
    +-63 и +-12 развязаны от земли
    Я вижу значок земли (_|_) с обеих сторон.
    (да, я вижу что они разной "жирности" , но если это разные земли - их надо разными значками обозначать).


    Цитата Сообщение от gromilalex Посмотреть сообщение
    3)Это двунаправленный ограничитель напряжения....
    Я "немножко в курсе" что такое транзорбер 1.5КЕ400 В это место обычно ставят не его а варистор (MOV).
    "Замполит, чайку?"(с)"Охота за Красным Октябрем".
    "Да мне-то что, меняйтесь!"(с)анек.
    <-- http://altor1.narod.ru --> Вопросы - в личку, е-мейл, скайп.

  20. #1139
    Частый гость
    Регистрация
    29.01.2009
    Адрес
    Липецк
    Возраст
    38
    Сообщений
    284

    По умолчанию Re: 500-700W Сетевой импульсник

    Цитата Сообщение от Alex Посмотреть сообщение
    (_|_)
    помоему это попа

  21. #1140
    Не хочу! Аватар для Alex
    Регистрация
    20.03.2003
    Адрес
    Worldwide
    Возраст
    63
    Сообщений
    39,056

    По умолчанию Re: 500-700W Сетевой импульсник

    Не очень также понятно, назначение R9C8, рядом с Y-конденсаторами - туда обычно ставят просто Х-конденсатор 0.5-1мкф.
    С4 тоже стоит увеличить раз в 100-500.
    Парамтеры коммон-мод фильтра не указаны, а вот дифференциальный фильтр (L1L2) - 100мкГн может быть маловато.

    Вообще, мощность судя по всему предполагается приличная, а раз так - я бы и PFC туда поставил
    "Замполит, чайку?"(с)"Охота за Красным Октябрем".
    "Да мне-то что, меняйтесь!"(с)анек.
    <-- http://altor1.narod.ru --> Вопросы - в личку, е-мейл, скайп.

Страница 57 из 98 Первая ... 47555657585967 ... Последняя

Социальные закладки

Социальные закладки

Ваши права

  • Вы не можете создавать новые темы
  • Вы не можете отвечать в темах
  • Вы не можете прикреплять вложения
  • Вы не можете редактировать свои сообщения
  •