Страница 40 из 93 Первая ... 30383940414250 ... Последняя
Показано с 781 по 800 из 1841

Тема: YES - 6

  1. #1 Показать/скрыть первое сообщение.
    Завсегдатай
    Автор темы
    Аватар для Геннадий3
    Регистрация
    04.11.2009
    Адрес
    г.Чапаевск , Самарской обл. , Россия
    Возраст
    76
    Сообщений
    2,475

    По умолчанию YES - 6

    Вот и новый YES образовался . Потому и образовался , что он новый и совсем не похож на предыдущие . Задумывался относительно простым , с минимумом усилительных (инвертирующих) каскадов и современным схемотипом для получения максимального качества именно звука , а не пресловутых нулей и конечно с минимальным "издевательством" над ФЧХ.
    Вот что получилось .
    Схема :

    Нажмите на изображение для увеличения. 

Название:	Схема YES-6.png 
Просмотров:	13278 
Размер:	61.9 Кб 
ID:	405423 - в макете стоят R13=300 Om R14=15 Om

    Как видно это симметричный УН + Интегратор . На входе УНа в качестве диф. каскада использована М1 - широкополосный быстродействующий с хорошей линейностью видео-драйвер НА5002 , представляющий из себя параллельный повторитель ( Кус=1 ) . УН получается по схеме ОЗ (в М1) - ОБ и симметрично нагружен управляемыми ГТ , создающими высокоомную нагрузку , а следовательно обеспечивающими максимальный Кус этого каскада . Для согласования с ним далее используется каскод Хауксфорда с Mosfet-ом на входе с током покоя около 30 мА . Ну и на выходе истоковый повторитель , с выхода которого токовая ООС через делитель задающий Кус заводится на второй вход ( выход М1 ) диф. каскада.
    К стати , диф. напряжение (по симулятору) в рабочем режиме около 20 мкВ .
    А , сразу и посмотрим на "развеселые" картинки симулятора :

    Нажмите на изображение для увеличения. 

Название:	Петлевое.png 
Просмотров:	2992 
Размер:	34.7 Кб 
ID:	405424Нажмите на изображение для увеличения. 

Название:	ИМД.png 
Просмотров:	3186 
Размер:	22.9 Кб 
ID:	405425Нажмите на изображение для увеличения. 

Название:	Интегратор.png 
Просмотров:	2617 
Размер:	26.0 Кб 
ID:	405426Нажмите на изображение для увеличения. 

Название:	Кг.png 
Просмотров:	2563 
Размер:	21.0 Кб 
ID:	405427

    По приведенной выше схеме сделан макет . Монтаж полуобьемный , т.е. далеко не оптимальный . На выходе IRFP взяты только для проверки работоспособности схемы . Что поставить на выход и сколько - далее определимся . На схеме изображена следящая схема стабилизации тока покоя , совмещенная с термостабилизацией . При испытаниях в макете показала прекрасные результаты .
    Ноль на выходе подстраивается R4 и R7 и далее хорошо держится +/-30 mV . Коррекция АФЧХ - С5 и С6 .
    Ну и как обычно, "веселые" картинки с макета :

    Нажмите на изображение для увеличения. 

Название:	Yes-6 -1кГц..PNG 
Просмотров:	3878 
Размер:	85.5 Кб 
ID:	405428Нажмите на изображение для увеличения. 

Название:	Yes-6 -10кГц..PNG 
Просмотров:	3096 
Размер:	86.5 Кб 
ID:	405429Нажмите на изображение для увеличения. 

Название:	YES-6  10+11кГц.PNG 
Просмотров:	2867 
Размер:	84.3 Кб 
ID:	405430Нажмите на изображение для увеличения. 

Название:	Yes-6 -19+20кГц.PNG 
Просмотров:	2819 
Размер:	83.2 Кб 
ID:	405431Нажмите на изображение для увеличения. 

Название:	меандр 20кГц.jpg 
Просмотров:	2953 
Размер:	4.52 Мб 
ID:	405432Нажмите на изображение для увеличения. 

Название:	клипп 20кГц.jpg 
Просмотров:	2811 
Размер:	4.55 Мб 
ID:	405433

    Скорость нарастания в макете получилась около 300 V/uS ( без С2 ) . Задержка GD по симулятору - около 10 nS (тоже без С2 ). Меандр - клипп - 20 кГц - 10 V / дел .
    Послушал тестовый диск ( один канал ,звук не привязан к колонке ) - впечатления очень хорошие . По звуку , как минимум , не хуже предыдущих YES-ов , а временами казалось что и лучше . Звук другой , очень хочется еще послушать .

    Сделан другой макет по идее Алексея-Fakel :

    Нажмите на изображение для увеличения. 

Название:	Схема YES-6F.png 
Просмотров:	8809 
Размер:	44.6 Кб 
ID:	406510
    Последний раз редактировалось Геннадий3; 14.10.2021 в 20:45.

  2. #781
    Частый гость Аватар для nemoli
    Регистрация
    26.10.2015
    Адрес
    г Липецк
    Сообщений
    493

    По умолчанию Re: YES - 6

    Цитата Сообщение от LepekhinV Посмотреть сообщение
    Константиныч, сейчас ещё по платам преда определимся и тоже запись будет.
    А можно вариант платы баланс/небаланс? А то балансных источников нет, а с ПОС поиграть охота.

  3. #782
    Старый знакомый Аватар для Carter
    Регистрация
    09.09.2015
    Сообщений
    675

    По умолчанию Re: YES - 6

    Цитата Сообщение от nemoli Посмотреть сообщение
    А можно вариант платы баланс/небаланс? А то балансных источников нет, а с ПОС поиграть охота.
    Можешь так сделать -
    Нажмите на изображение для увеличения. 

Название:	Untitled-1.jpg 
Просмотров:	273 
Размер:	134.3 Кб 
ID:	426748

  4. #783
    Частый гость Аватар для nemoli
    Регистрация
    26.10.2015
    Адрес
    г Липецк
    Сообщений
    493

    По умолчанию Re: YES - 6

    Цитата Сообщение от Carter Посмотреть сообщение
    Можешь так сделать -
    Благодарю. Как сделать вроде уже писали. Просто хотелось иметь вариативность на готовой плате..

  5. #784
    Старый знакомый Аватар для Carter
    Регистрация
    09.09.2015
    Сообщений
    675

    По умолчанию Re: YES - 6

    Цитата Сообщение от nemoli Посмотреть сообщение
    Благодарю. Как сделать вроде уже писали. Просто хотелось иметь вариативность на готовой плате..
    вариативность=усложнение

    Просто кидай с RCA на РГ или на R18. Потом запилишь коммутатор на двух релюхах.

  6. #785
    Завсегдатай Аватар для LepekhinV
    Регистрация
    20.02.2007
    Адрес
    г.Рязань
    Возраст
    66
    Сообщений
    4,444

    По умолчанию Re: YES - 6

    +1
    В ЛС обсуждали с одним из форумчан вариант коммутации. В принципе возможно, но надо будет добавить пару реле, увеличить ширину платы на 10-12 мм, но (главное) переразвести всю плату.

  7. #786
    Завсегдатай Аватар для Viktor S
    Регистрация
    19.09.2008
    Адрес
    Иркутск
    Возраст
    63
    Сообщений
    4,992

    По умолчанию Re: YES - 6

    Цитата Сообщение от LepekhinV Посмотреть сообщение
    но (главное) переразвести всю плату
    Забей на это.
    Пусть лучше это будет совсем ДРУГАЯ история)

  8. #787
    Старый знакомый Аватар для Alto
    Регистрация
    14.01.2020
    Адрес
    Подмосковье
    Возраст
    52
    Сообщений
    812

    По умолчанию Re: YES - 6

    Цитата Сообщение от Viktor S Посмотреть сообщение
    Забей на это.
    Пусть лучше это будет совсем ДРУГАЯ история)
    Вот точно. Ребят, а сколько будет потребление по +/-50, хочу домотать тор, какой провод брать? Правда витков у меня получается под 400, но если тонким проводом, то наверно влезет.

  9. #788
    Завсегдатай
    Автор темы
    Аватар для Геннадий3
    Регистрация
    04.11.2009
    Адрес
    г.Чапаевск , Самарской обл. , Россия
    Возраст
    76
    Сообщений
    2,475

    По умолчанию Re: YES - 6

    С некоторым запасом на один канал потребление 70-80 мА .

  10. #789
    Завсегдатай Аватар для Ломатель
    Регистрация
    23.01.2006
    Адрес
    г.Орел
    Возраст
    35
    Сообщений
    1,134

    По умолчанию Re: YES - 6

    Цитата Сообщение от nemoli Посмотреть сообщение
    А то балансных источников нет, а с ПОС поиграть охота.
    Вам ничто не мешает подключать RCA в усилителе к балансному ПУ. Так будет даже лучше.
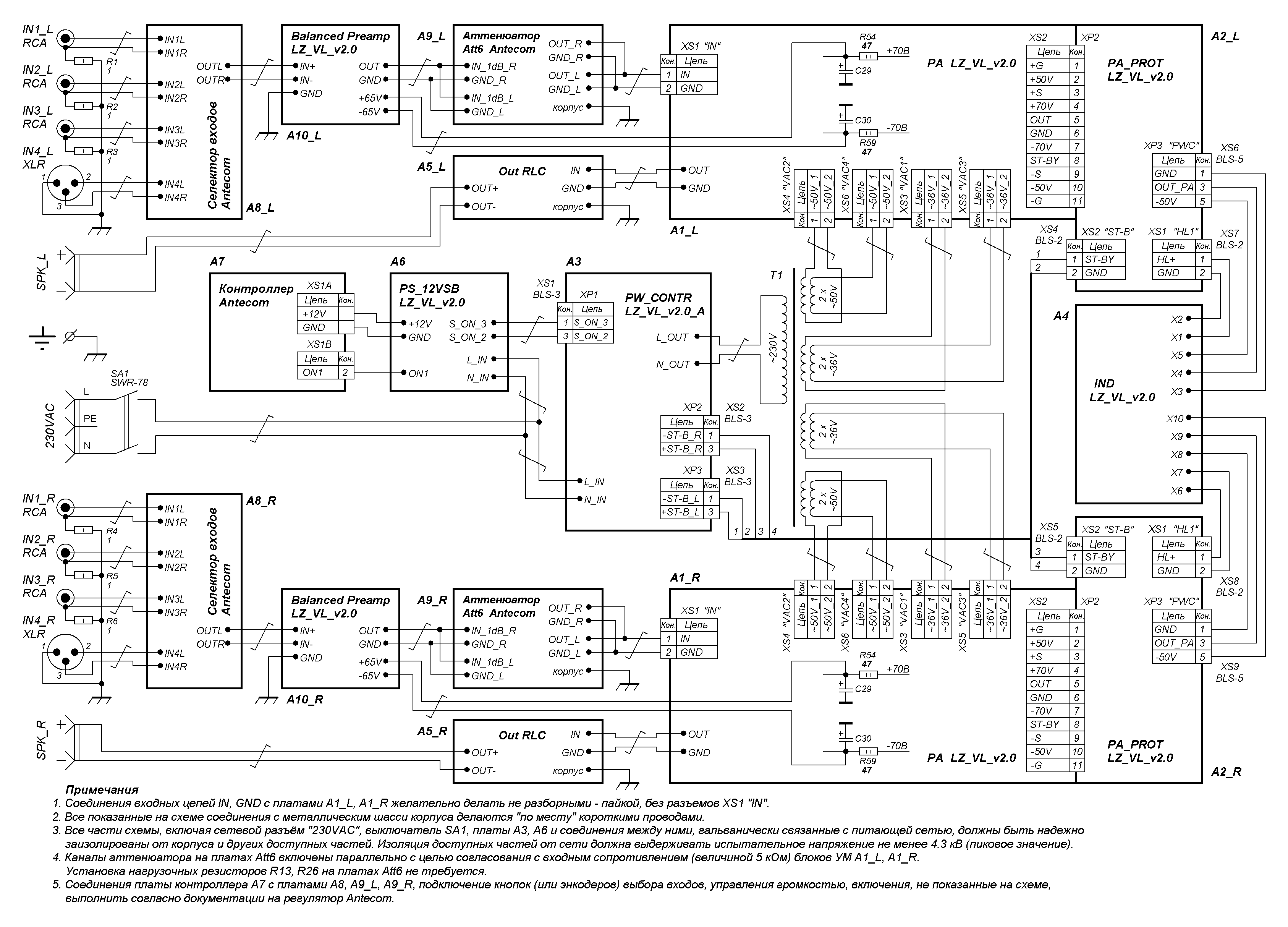
    Как это было сделано в Зуева2014: Нажмите на изображение для увеличения. 

Название:	MAIN LZ_VL_v2.0_A_BP.gif 
Просмотров:	340 
Размер:	183.0 Кб 
ID:	426753


    Offтопик:
    А еще можно и вовсе организовать "псевдобаланс" от источника до УМ - подключить тремя проводниками.
    Неинв(+) выход источника подключить напрямую к (+) ПУ
    Сымитировать инв (-) выход источника - сымитировать импеданс последовательным резистором (или т-фильтром R-C-R) и подключить к нему (-) вход ПУ.
    Земли - напрямую. Так минимизируете влияние земляной петли источник-УМ.
    Денис.

  11. #790
    Частый гость Аватар для nemoli
    Регистрация
    26.10.2015
    Адрес
    г Липецк
    Сообщений
    493

    По умолчанию Re: YES - 6

    Благодарю

  12. #791
    Старый знакомый Аватар для Alto
    Регистрация
    14.01.2020
    Адрес
    Подмосковье
    Возраст
    52
    Сообщений
    812

    По умолчанию Re: YES - 6

    Цитата Сообщение от Геннадий3 Посмотреть сообщение
    С некоторым запасом на один канал потребление 70-80 мА .
    Спасибо!

  13. #792
    Завсегдатай
    Автор темы
    Аватар для Геннадий3
    Регистрация
    04.11.2009
    Адрес
    г.Чапаевск , Самарской обл. , Россия
    Возраст
    76
    Сообщений
    2,475

    По умолчанию Re: YES - 6

    Небольшое дополнение к картинке меандра 200 Гц :

    Нажмите на изображение для увеличения. 

Название:	меандр-200Гц с ПОС..jpg 
Просмотров:	146 
Размер:	552.1 Кб 
ID:	426764

    Нагрузка 4 Ом подключена вместо АС к проводам по 0.03 Ом и по третьему проводу снималась ПОС .
    Вехняя осциллограмма - на клеммах нагрузки , нижняя - на выходе усилителя . Мощность около 10 W .

    Намного информативнее выглядит картинка на более низких частотах - 40-60 Гц , где хорошо видна работа ПОС .
    Но из-за мерцания картинки на этих частотах фотик не смог зафиксировать ее , к сожалению .

  14. #793
    Завсегдатай Аватар для MAXIM_A
    Регистрация
    13.11.2007
    Адрес
    МО Салтыковка
    Возраст
    77
    Сообщений
    12,213

    По умолчанию Re: YES - 6

    Цитата Сообщение от Геннадий3 Посмотреть сообщение
    Небольшое дополнение к картинке меандра 200 Гц :

    Нажмите на изображение для увеличения. 

Название:	меандр-200Гц с ПОС..jpg 
Просмотров:	146 
Размер:	552.1 Кб 
ID:	426764

    Нагрузка 4 Ом подключена вместо АС к проводам по 0.03 Ом и по третьему проводу снималась ПОС .
    Вехняя осциллограмма - на клеммах нагрузки , нижняя - на выходе усилителя . Мощность около 10 W .

    Намного информативнее выглядит картинка на более низких частотах - 40-60 Гц , где хорошо видна работа ПОС .
    Но из-за мерцания картинки на этих частотах фотик не смог зафиксировать ее , к сожалению .
    А на СЧ 1 кГц что-то видно?

  15. #794
    Завсегдатай
    Автор темы
    Аватар для Геннадий3
    Регистрация
    04.11.2009
    Адрес
    г.Чапаевск , Самарской обл. , Россия
    Возраст
    76
    Сообщений
    2,475

    По умолчанию Re: YES - 6

    Цитата Сообщение от MAXIM_A Посмотреть сообщение
    А на СЧ 1 кГц что-то видно?
    Мало что видно - осциллограммы практически одинаковые . ПОС эффективно работает на !00 Гц и ниже - посмотрите картинки на предыдущей странице или еще ранее .

  16. #795
    Старый знакомый Аватар для Carter
    Регистрация
    09.09.2015
    Сообщений
    675

    По умолчанию Re: YES - 6

    Ув. Геннадий, если есть возможность и время, расскажите пожалуйста об отличиях ПОС от кабелечистки Сухова, о плюсах-минусах.

  17. #796
    Завсегдатай
    Автор темы
    Аватар для Геннадий3
    Регистрация
    04.11.2009
    Адрес
    г.Чапаевск , Самарской обл. , Россия
    Возраст
    76
    Сообщений
    2,475

    По умолчанию Re: YES - 6

    Цитата Сообщение от Carter Посмотреть сообщение
    расскажите пожалуйста об отличиях ПОС от кабелечистки Сухова, о плюсах-минусах.
    Схемы Н.Сухова и моя в общем-то похожи с использованием ПОС . У Н.Сухова схема компенсирует падение напряжения на проводах к АС и в результате чего напряжение на выходе усилителя увеличивается ровно на падение напряжения на обоих соединительных проводах , чем и обеспечивается компенсация их сопротивления .
    В моей схеме компенсируются именно нелинейные искажения тока АС . Минимум THD фиксируется строго в определенном положении подстроечного резистора ( настройка очень острая ) . Уход в любую сторону от оптимальной настройки влечет резкий рост КНИ . В итоге эффект от работы моей схемы - снижение THD на 40 дБ и более . Думаю подобного эффекта от кабелечистки не будет .

  18. #797
    Завсегдатай Аватар для MAXIM_A
    Регистрация
    13.11.2007
    Адрес
    МО Салтыковка
    Возраст
    77
    Сообщений
    12,213

    По умолчанию Re: YES - 6

    Цитата Сообщение от Геннадий3 Посмотреть сообщение
    Схемы Н.Сухова и моя в общем-то похожи с использованием ПОС . У Н.Сухова схема компенсирует падение напряжения на проводах к АС и в результате чего напряжение на выходе усилителя увеличивается ровно на падение напряжения на обоих соединительных проводах , чем и обеспечивается компенсация их сопротивления .
    В моей схеме компенсируются именно нелинейные искажения тока АС . Минимум THD фиксируется строго в определенном положении подстроечного резистора ( настройка очень острая ) . Уход в любую сторону от оптимальной настройки влечет резкий рост КНИ . В итоге эффект от работы моей схемы - снижение THD на 40 дБ и более . Думаю подобного эффекта от кабелечистки не будет .
    Эту настройку придется делать при замене АС и проводов ?

  19. #798
    Старый знакомый Аватар для Carter
    Регистрация
    09.09.2015
    Сообщений
    675

    По умолчанию Re: YES - 6

    Цитата Сообщение от MAXIM_A Посмотреть сообщение
    Эту настройку придется делать при замене АС и проводов ?
    Да, каждый раз, вроде писали уже.

    ---------- Сообщение добавлено 13:56 ---------- Предыдущее сообщение было 13:51 ----------

    Цитата Сообщение от Геннадий3 Посмотреть сообщение
    В моей схеме компенсируются именно нелинейные искажения тока АС .
    Геннадий, вы не пробовали вашу ПОС ввести в ИТУН ? Эффективность такая же, есть ли особенности?

  20. #799
    Завсегдатай
    Автор темы
    Аватар для Геннадий3
    Регистрация
    04.11.2009
    Адрес
    г.Чапаевск , Самарской обл. , Россия
    Возраст
    76
    Сообщений
    2,475

    По умолчанию Re: YES - 6

    Цитата Сообщение от Carter Посмотреть сообщение
    не пробовали вашу ПОС ввести в ИТУН ? Эффективность такая же, есть ли особенности?
    Нет не пробовал .ИТУН для повышения выходного сопротивления , а нам надо ноль или небольшой минус .

  21. #800
    Старый знакомый Аватар для Carter
    Регистрация
    09.09.2015
    Сообщений
    675

    По умолчанию Re: YES - 6

    Цитата Сообщение от Геннадий3 Посмотреть сообщение
    Нет не пробовал .ИТУН для повышения выходного сопротивления , а нам надо ноль или небольшой минус .
    Понятно. Спасибо.

Страница 40 из 93 Первая ... 30383940414250 ... Последняя

Социальные закладки

Социальные закладки

Ваши права

  • Вы не можете создавать новые темы
  • Вы не можете отвечать в темах
  • Вы не можете прикреплять вложения
  • Вы не можете редактировать свои сообщения
  •