Страница 3 из 18 Первая 1234513 ... Последняя
Показано с 41 по 60 из 343

Тема: Абсолютный усилитель С. Шпака (нет, не того :))

  1. #1 Показать/скрыть первое сообщение.
    Завсегдатай
    Автор темы
    Аватар для fakel
    Регистрация
    30.11.2007
    Адрес
    Оренбург
    Возраст
    42
    Сообщений
    11,265

    По умолчанию Абсолютный усилитель С. Шпака (нет, не того :))

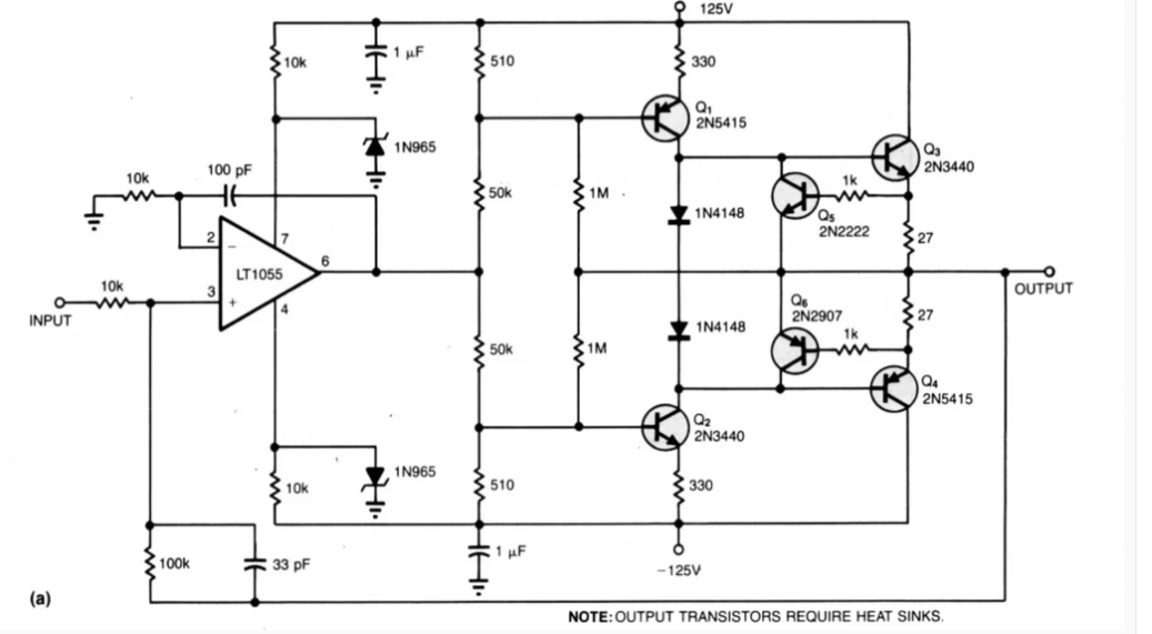
    В декабрьском номере Мурзилки описан усилитель, позиционируемый как абсолютный.
    http://5.server-bezsms.ru/files/4/6y...Rad1o1219.djvu

    Интересна его топология: УН (на опере + транзисторы) + УТ (опер с единичным усилением+ВК), причем в УТ опер и другие каскады, кроме выходных транзисторов, питается от плавающего питания. УН и УТ охвачены каждый своей ООС. ВК работает в кл С, с токовой разгрузкой от опера.

    Хочется спросить автора, знаком ли он с работой Шмидта/Гумели, и почему он не использовал RLC-мост для точной подгонки фазы сигнала выхода опера с выходом ВК?
    Еще, почему он взял следящее питание не выхода, как здесь https://forum.vegalab.ru/showthread.php?t=72414, а со входа?

    ---------- Сообщение добавлено 12:46 ---------- Предыдущее сообщение было 12:37 ----------

    Кстати, R14 R20 в схеме лучше убрать, и соединить эмиттеры VT5 VT6 друг с другом одним резистором

  2. #41
    Завсегдатай
    Автор темы
    Аватар для fakel
    Регистрация
    30.11.2007
    Адрес
    Оренбург
    Возраст
    42
    Сообщений
    11,265

    По умолчанию Re: Абсолютный усилитель С. Шпака (нет, не того :))

    Цитата Сообщение от Hennady Посмотреть сообщение
    Еще Ренардсон, до сих пор что то делает...
    Ссыль, плиз!
    Да и Янга тоже, пжл!

  3. #42
    Завсегдатай
    Регистрация
    13.12.2004
    Адрес
    Юг Украины
    Возраст
    48
    Сообщений
    2,554

    По умолчанию Re: Абсолютный усилитель С. Шпака (нет, не того :))

    Цитата Сообщение от fakel Посмотреть сообщение
    Драйвер Дарлингтона или Шиклаи еще скоростней . Просто надо обеспечить утечку сигнала минуя закрытые б-э переходы ВК. Например, резистором.
    Конденсатора.
    Если бы ОУ стоял типа АД8397, ТХС6012 или ЛТ1210, то он бы мог подрулить выходом, пока В-класс откроется.
    А так, АД8055 с 50мА выходного дай бог перезарядит емкости выходников и замкнет ОС на ВЧ, пока выходники закрыты.
    Чёт мне кажется, что это сорт оф "параллельный ВЧ канал".

    Интересно на осцилограммы посмотреть на тяжелой реактивной нагрузке при уровне сигнала в 100-200мВ на выходе

  4. #43
    Завсегдатай
    Автор темы
    Аватар для fakel
    Регистрация
    30.11.2007
    Адрес
    Оренбург
    Возраст
    42
    Сообщений
    11,265

    По умолчанию Re: Абсолютный усилитель С. Шпака (нет, не того :))

    Цитата Сообщение от Walter Посмотреть сообщение
    Конденсатора.
    Вполне! И там тоже мост легко получается. Прикол в том, что с конденсатором ВК на ВЧ вообще не работает, пока напряжение на конденсаторе не превысит порога открывания транисторов.

    Цитата Сообщение от Walter Посмотреть сообщение
    Чёт мне кажется, что это сорт оф "параллельный ВЧ канал".
    Да, можно и так назвать.

  5. #44
    Давно не заходил
    Регистрация
    09.05.2018
    Адрес
    Voronezh
    Сообщений
    4,712

    По умолчанию Re: Абсолютный усилитель С. Шпака (нет, не того :))

    wert, Вы сами то статью читали? Расчетных нулей там вдвое больше. Речь то не о расчетных, а об измеренных!!! Там же последняя страница почти вся о том, почему измеренные не выходят как расчетные. Потому как расчет с моделью ПРАКТИЧЕСКОГО монтажа, с учетом всех паразитных параметров соединений и связей по полю - это совсем другое моделирование. Упаритесь модель рисовать ПРАКТИЧЕСКОГО монтажа.
    Так есть намерянные пять нулей после запятой в Кг для УМ???

  6. #45
    Завсегдатай
    Регистрация
    14.12.2007
    Адрес
    из преисподнии
    Возраст
    55
    Сообщений
    5,728

    По умолчанию Re: Абсолютный усилитель С. Шпака (нет, не того :))

    Цитата Сообщение от fakel Посмотреть сообщение
    Ссыль, плиз!
    https://www.renardson-audio.com/mjr9.html
    Цитата Сообщение от fakel Посмотреть сообщение
    Да и Янга тоже, пжл!
    Уолта?

    только такая схема:
    Нажмите на изображение для увеличения. 

Название:	Уолт Янг.png 
Просмотров:	434 
Размер:	178.9 Кб 
ID:	363728

  7. #46
    Завсегдатай
    Автор темы
    Аватар для fakel
    Регистрация
    30.11.2007
    Адрес
    Оренбург
    Возраст
    42
    Сообщений
    11,265

    По умолчанию Re: Абсолютный усилитель С. Шпака (нет, не того :))

    Hennady, спс!
    Последний раз редактировалось fakel; 04.02.2020 в 21:42.

  8. #47
    Завсегдатай
    Регистрация
    13.12.2004
    Адрес
    Юг Украины
    Возраст
    48
    Сообщений
    2,554

    По умолчанию Re: Абсолютный усилитель С. Шпака (нет, не того :))

    Цитата Сообщение от VladimirV Посмотреть сообщение
    а об измеренных!!!
    2,83В амплитудных (1Ватт на 8 ом в статье) - 0,0005%
    28В амплитудных (100 Ватт в статье) - 0,0004%
    Разница в амплитудах в 10 раз, и нет разницы в Кг?

    10 кГ и 1к, 1 ватт и 100 и нет практически разницы.
    Толи там еще есть один 0, но автор уперся в искажометр, толи чёт я в сомнениях.

    Усилитель не реагирующий ни на частоту ни на мощность?

  9. #48
    Давно не заходил
    Регистрация
    09.05.2018
    Адрес
    Voronezh
    Сообщений
    4,712

    По умолчанию Re: Абсолютный усилитель С. Шпака (нет, не того :))

    Цитата Сообщение от Walter Посмотреть сообщение
    Что то я в сомнениях.
    Так в этом и фишка! Это ж специально в статье акцентировано.

    И не надо насиловать УМ емкостной нагрузкой. При правильном конструировании емкость нагрузки УМ не должна быть больше 100 pF.
    У меня именно так.

  10. #49
    Завсегдатай Аватар для Михаил45
    Регистрация
    09.03.2007
    Адрес
    Санкт-Петербург
    Возраст
    63
    Сообщений
    2,162

    По умолчанию Re: Абсолютный усилитель С. Шпака (нет, не того :))

    АС с проводами меньше 100пф? Круто.

  11. #50
    Давно не заходил
    Регистрация
    09.05.2018
    Адрес
    Voronezh
    Сообщений
    4,712

    По умолчанию Re: Абсолютный усилитель С. Шпака (нет, не того :))

    Цитата Сообщение от Walter Посмотреть сообщение
    Разница в амплитудах в 10 раз, и нет разницы в Кг?
    Потому что коррекция искажений аддитивная, а не мультипликативная. Параллельно, а не последовательно. Поэтому и такая зависимость.

    ---------- Сообщение добавлено 21:37 ---------- Предыдущее сообщение было 21:35 ----------

    Цитата Сообщение от Михаил45 Посмотреть сообщение
    АС с проводами меньше 100пф? Круто
    Ничо крутого. УМ должен быть в непосредственной близости от динамика. 50-70 см кабеля вполне достаточно. У меня триампинг - и емкость нагрузки минимальная. А длинные провода - это просто разводка питания по разным узлам. Постоянным током.

  12. #51
    Завсегдатай
    Регистрация
    13.12.2004
    Адрес
    Юг Украины
    Возраст
    48
    Сообщений
    2,554

    По умолчанию Re: Абсолютный усилитель С. Шпака (нет, не того :))

    Цитата Сообщение от VladimirV Посмотреть сообщение
    При правильном конструировании емкость нагрузки УМ не должна быть больше 100 pF.
    Есмкость кабеля+емкость катушек вуфера+средника будут уже больше.

  13. #52
    Завсегдатай
    Автор темы
    Аватар для fakel
    Регистрация
    30.11.2007
    Адрес
    Оренбург
    Возраст
    42
    Сообщений
    11,265

    По умолчанию Re: Абсолютный усилитель С. Шпака (нет, не того :))

    Емкость АС отделяется от выхода УМ ФВЧ. У автора - аж двойным. А вот на 1мк было бы интересно глянуть.

  14. #53
    Давно не заходил
    Регистрация
    09.05.2018
    Адрес
    Voronezh
    Сообщений
    4,712

    По умолчанию Re: Абсолютный усилитель С. Шпака (нет, не того :))

    Цитата Сообщение от Walter Посмотреть сообщение
    Есмкость кабеля+емкость катушек вуфера+средника будут уже больше.
    Нету ничего этого в триампинге. УМ подключен непосредственно к ЗК динамика короткими проводами. К каждой по одной, без "+"
    Конфигурация как в базовых станциях сотовой связи. У них радиочастотная часть непосредственно внутри антенны за задней стенкой. А длинный фидер вниз с вышки идет к блокам питания. Которые монтируются внизу, у земли.

  15. #54
    Завсегдатай Аватар для Михаил45
    Регистрация
    09.03.2007
    Адрес
    Санкт-Петербург
    Возраст
    63
    Сообщений
    2,162

    По умолчанию Re: Абсолютный усилитель С. Шпака (нет, не того :))

    Цитата Сообщение от VladimirV Посмотреть сообщение
    Ничо крутого. УМ должен быть в непосредственной близости от динамика. 50-70 см кабеля вполне достаточно. У меня триампинг - и емкость нагрузки минимальная. А длинные провода - это просто разводка питания по разным узлам. Постоянным током.
    А.Понял. Уточняй, пожалуйста, а то я подумал, что ты про некую расчетную нагрузку, поэтому удалил пост.

  16. #55
    Завсегдатай
    Регистрация
    12.07.2006
    Адрес
    Киев
    Сообщений
    2,402

    По умолчанию Re: Абсолютный усилитель С. Шпака (нет, не того :))

    Цитата Сообщение от VladimirV Посмотреть сообщение
    Так есть намерянные пять нулей после запятой в Кг для УМ???
    Лично меня нули после запятой мало волнуют, об этом мои сообщения в этой теме и не только.
    Нули после запятой Кг мало связаны с качеством звука,
    особенно не логично рисовать модель практического монтажа с целью прибавить еще нулей...
    И действительно, уже отмечали в теме, ощущение лет 15-20 назад статья была написана,
    сейчас столько методик измерений реализовано для усилителей, практических а не виртуальных,
    для сложных воздействий, но для журнала Радио осциллограмма и синус воздействие это все, застряли в середине прошлого века, к сожалению.
    Резюмирую, количество нулей Кг после запятой тема не интересная и не связана с качеством звука,
    а усилитель стартопика нужно тестировать и слушать на реальных музыкальных сигналах,
    только тогда можно мечтать о статусе "абсолютного", ну если все сложится...

  17. #56
    Завсегдатай Аватар для hippo64
    Регистрация
    20.05.2010
    Адрес
    Москва
    Возраст
    61
    Сообщений
    4,601

    По умолчанию Re: Абсолютный усилитель С. Шпака (нет, не того :))

    Цитата Сообщение от wert Посмотреть сообщение
    сейчас столько методик измерений реализовано для усилителей, практических а не виртуальных,
    И ни одна не подтверждена практически, кроме хотелок аффтара "методики". И это реальность.

  18. #57
    Завсегдатай
    Регистрация
    12.07.2006
    Адрес
    Киев
    Сообщений
    2,402

    По умолчанию Re: Абсолютный усилитель С. Шпака (нет, не того :))

    Цитата Сообщение от hippo64 Посмотреть сообщение
    И ни одна не подтверждена практически, кроме хотелок аффтара "методики". И это реальность.
    Советую ознакомиться с тулкитами для LabView19, уверяю найдете там десятки новых методик
    и реализованных приборов для оценки усилителей при сложных воздействиях.
    Кроме форума в мире много источников информации, правда без любимого Радио, оскорблений, склок и негодяйства,
    но думаю без последнего все затачивались бы на новизне в сфере усиления звука, в том числе на новых методах и методиках измерения любимых конструкций.
    Последний раз редактировалось wert; 04.02.2020 в 23:51.

  19. #58
    Завсегдатай
    Регистрация
    14.12.2007
    Адрес
    из преисподнии
    Возраст
    55
    Сообщений
    5,728

    По умолчанию Re: Абсолютный усилитель С. Шпака (нет, не того :))

    Цитата Сообщение от Walter Посмотреть сообщение
    Есмкость кабеля+емкость катушек вуфера+средника будут уже больше.
    не всегда обязательно вторым порядком делить.... можно и первым обойтись...

    ---------- Сообщение добавлено 22:50 ---------- Предыдущее сообщение было 22:48 ----------

    Цитата Сообщение от wert Посмотреть сообщение
    Нули после запятой Кг мало связаны с качеством звука,
    может и косвенно, но ИМХО таки связано...

  20. #59
    Завсегдатай Аватар для audiomun
    Регистрация
    31.08.2011
    Адрес
    Санкт-Петербург
    Возраст
    70
    Сообщений
    3,901

    По умолчанию Re: Абсолютный усилитель С. Шпака (нет, не того :))

    Цитата Сообщение от VladimirV Посмотреть сообщение
    И не надо насиловать УМ емкостной нагрузкой. При правильном конструировании емкость нагрузки УМ не должна быть больше 100 pF.
    Если мы стремимся сделать "абсолютный усилитель" - в первую очередь, не надо насиловать сам выход УН, а здесь по факту емкостная нагрузка порядка 100 пФ, в результате чего значение SR - скромные 100 В/мкС , что в данном контексте явно мало.

  21. #60
    Особо опасный рецидивист Аватар для belka
    Регистрация
    03.01.2005
    Адрес
    Евродупло
    Сообщений
    3,859

    По умолчанию Re: Абсолютный усилитель С. Шпака (нет, не того :))

    Цитата Сообщение от audiomun Посмотреть сообщение
    Если мы стремимся сделать "абсолютный усилитель"
    Я помню, что ты всегда жаловал УН и УТ в виде отдельных узлов) Всё правильно, УН должен иметь свой повторитель, одно звено, но свой. Правда, автор в статье прямо указывает, что усилитель может быть несколько более сложным и иметь искажения на несколько порядков более малыми; зачем я это тебе написал, сам не знаю, это для понимающих очевидные вещи)
    Хай-эндЪ не терпит суеты.

Страница 3 из 18 Первая 1234513 ... Последняя

Социальные закладки

Социальные закладки

Ваши права

  • Вы не можете создавать новые темы
  • Вы не можете отвечать в темах
  • Вы не можете прикреплять вложения
  • Вы не можете редактировать свои сообщения
  •