Страница 215 из 227 Первая ... 205213214215216217225 ... Последняя
Показано с 4,281 по 4,300 из 4525

Тема: Усилители на STK

  1. #1 Показать/скрыть первое сообщение.
    https://dzen.ru/sivolobov
    Автор темы
    Аватар для Black_Panther
    Регистрация
    07.06.2004
    Адрес
    Москва, Бибирево.
    Возраст
    46
    Сообщений
    2,397

    По умолчанию Усилители на STK

    В данной теме будем обсуждать все, что связано с STK.

    Для начала вводная - это не микросхема, это гибридная интегральная схема. Толстоплёночная. Конских размеров.

    Since 1970, SANYO has offered the STK series of IMST hybrid ICs for audio power amplifiers onto the market, and the reliability and performance of these ICs have won a high market share for the company.

    Снятые с производства ИМС можно посмотреть тут:
    alldatasheet.com

    Официально STK производились Sanyo, есть непроверенные лично мной источники, уверяющие, что их также выпускала SanKen. STK серия с надписями Technics, Yamaha, Kenwood, Strasser, Ulvac и прочих брендов - это тоже Sanyo, но OEM.

    В данный момент Sanyo Semiconductors перешла под крыло Panasonic, затем последняя отфутболила всё это к ONSEMI, которой выпускаются самые свежие серии: 433-ххх (стерео и многоканальные) и 404-ххх (моно).


    Возьмите за правило: сначала почитали эту ветку, хотя бы первый пост, потом побежали покупать какую-либо STK. В противном случае велик риск нарваться на новодел (неоригинал) или махровую подделку, особенно если покупаете старые популярные серии ИМС, снятые с производства!
    Проектировать новое устройство на ИМС 3-значных, 4-значных и заказных серий можно только в том случае, если на руках уже имеется заведомо работоспособный оригинал.


    И еще: без фото или возможности повертеть в руках при заказе через интернет или по телефону рискуете купить подделку. Не уверены полностью в оригинальности - не покупайте, откажитесь, если нету фото - попросите сказать что написано в верхнем правом углу морды и нет ли яркой однотонной "зелени" в щели между выводов и какого цвета спинка и цвет надписи на ней.

    Как различать оригинал , новодел и подделку:
    Вкратце: ярко-синяя или ярко-зеленая надпись на спинке и серия на морде имеет буквы ET = НЕ БРАТЬ!

    В щели между выводов видно ДВА цвета: плата и маска. Подложка приклеена к радиатору ровно и надписи на подложке (спинка микры) не яркие. Могут быть как бы стершиеся или недопечатанные. Это нормально.
    Щель - это пространство откуда
    ноги (выводы) растут где видно крепление начала выводов к плате интегральной схемы. У старых серий эта щель может быть залита компаундом, похожим на стекло. По ссылке ниже - то самое место:
    https://forum.vegalab.ru/attachment....7&d=1266525585


    Видите текстуру корпуса? Блики, шероховатости - у оригиналов обычно есть.
    https://forum.vegalab.ru/attachment....2&d=1266525017

    Вот такая надпись сзади, как бы стершаяся местами:

    https://forum.vegalab.ru/attachment....3&d=1266525026


    В щели видно сплошную яркую зелень, серия написана с ЕТ: 0AET, 5BET, 2GET, 2LET и т.п., надписи на спинке яркие или легко стираются - АХТУНГ! Перед нами - новодел - неоригинал. Скажем так - работать в номинальном режиме оно будет (50\50, лотерея), звучание же, как у оригинала совершенно не гарантируется.

    Однотонный маслянисто-чёрный цвет морды и яркая синяя надпись на спинке - подделка.


    Как опознать конкретный лютый махровый винтаж:

    https://forum.vegalab.ru/attachment....6&d=1266524167
    Смотрите на STK043.

    https://forum.vegalab.ru/attachment....0&d=1266526095

    Надписи нанесены краской, которую легко смыть или соскрести даже ногтем. Корпус обычно черного маслянистого цвета, как уголь, шероховатый.


    Огромная подборка материалов, включающая информацию о местах приобретения, отличий оригиналов от подделок,редких и "заказных" ОЕМ-ИМС STK серии, фото, ссылки на даташиты и рисунки плат находится в этой ветке, если не полениться ее прочесть.Тут есть 99% ответов на вопросы по STK.

    На сегодняшний момент можно использовать современные серии:

    Одноканальная: STK404-xxx (404-050, 404-070, 404-090, 404-100, 404-120, 404-130, 404-140).
    Двухканальные и многоканальные: STK433-xxx. Подделок не встречал, сведений о таковых нет.
    Важно! 433 серия в непривычном сером корпусе с выштамповкой и надписью Sanyo, вот такая:

    https://forum.vegalab.ru/attachment....4&d=1266525129

    (ширина корпуса и количество ножек варьируется!)

    По статистике, исходя из наблюдения оптимальное соотношение стоимость\мощность согласно efind.ru и прайсам Митинского радиорынка имеют STK404-130, STK404-140
    Введите в строке поиска STK404 и найдете ее фото внутри и снаружи, где купить платы под нее и ее саму,рисунки плат, особенности и обсуждение.
    Также можно купить, по крайней мере, в Москве, самую мощную на данный момент ИМС из линейки 404-ххх: STK404-140. Она продается (напишу позже, забыл номер места), это находится на Митинском радиорынке. Там же можно купить и 404-130. 404-130 также есть на Митинском радиорынке в www.winner-s.ru ,побродив хорошо по рынку можете хоть всю коллекцию 404 серии собрать и сидеть на нее любоваться.

    Если радиорынок или Москва от Вас далеко, поищите, где купить STK вот на этом ресурсе:
    www.efind.ru


    Кроме того, вот список официальных дистрибьюторов On Semiconductors:
    http://www.onsemi.ru.com/PowerSolutions/locateSalesSupport.do

    даташиты на 404 и 433 серию на сайте On Semiconductors:

    http://www.onsemi.ru.com/PowerSolutions/search.do?query=stk4&tabbed=Y&clearFilters=Y&searchType=others&perPage=100

    Прикрепляю файлы:
    Статья по сборке уся на серии 41хх...42хх - stereo18.rar
    Указаны нюансы, как подпаивать регулятор, немного про земли и источник питания и прочее.

    Добавляю старый материал "В питании - сила!" с источником питания для усилителей.

    Эволюция плат моей разработки:

    (в ближайшее время, со схемами и рисунками)

    Все коммерческие вопросы строго в личку.

    апдейт дополню скоро: где купить в Москве 404 и 433 серии выгодней и заведомо аутентичные. А также: причешу галерею, чтобы влезли рисунки плат и схемы с пояснениями.

    ДА, 404-140 В МОСКВЕ НИГДЕ НЕТ В НАЛИЧИИ, САМ ИЩУ.
    Миниатюры Миниатюры Нажмите на изображение для увеличения. 

Название:	STK043 and STK404-070.JPG 
Просмотров:	25542 
Размер:	48.9 Кб 
ID:	77326   Нажмите на изображение для увеличения. 

Название:	STK459_vintage_top.jpg 
Просмотров:	20464 
Размер:	547.3 Кб 
ID:	77332   Нажмите на изображение для увеличения. 

Название:	STK459_vintage_rear.jpg 
Просмотров:	19454 
Размер:	573.9 Кб 
ID:	77333   Нажмите на изображение для увеличения. 

Название:	STK433-070_original.JPG 
Просмотров:	21706 
Размер:	194.8 Кб 
ID:	77334  

    Нажмите на изображение для увеличения. 

Название:	STK1050_vintage_original.JPG 
Просмотров:	15018 
Размер:	263.2 Кб 
ID:	77335   Нажмите на изображение для увеличения. 

Название:	STK404-070_original_ TOP.JPG 
Просмотров:	21300 
Размер:	76.4 Кб 
ID:	77337   Нажмите на изображение для увеличения. 

Название:	STK404-070_original_ REAR.JPG 
Просмотров:	6397 
Размер:	107.5 Кб 
ID:	77338   Нажмите на изображение для увеличения. 

Название:	STK404-070_original_ inside.JPG 
Просмотров:	13333 
Размер:	240.7 Кб 
ID:	77339  

    Нажмите на изображение для увеличения. 

Название:	STK090 - древняя огромная лютая экзотика_естественно_оригинал.jpg 
Просмотров:	17623 
Размер:	56.5 Кб 
ID:	77340   Нажмите на изображение для увеличения. 

Название:	Чип и Дип отжёг_кстати_на фото_все_микры_оригиальные.JPG 
Просмотров:	7828 
Размер:	69.9 Кб 
ID:	77341   Нажмите на изображение для увеличения. 

Название:	STK4132_original.JPG 
Просмотров:	6463 
Размер:	490.1 Кб 
ID:	77342   Нажмите на изображение для увеличения. 

Название:	STK4152_original.JPG 
Просмотров:	17273 
Размер:	261.9 Кб 
ID:	77343  

    Нажмите на изображение для увеличения. 

Название:	STK4152-II_original_top and inside.jpg 
Просмотров:	12034 
Размер:	286.8 Кб 
ID:	77344   Нажмите на изображение для увеличения. 

Название:	Series_mark.jpg 
Просмотров:	8348 
Размер:	72.6 Кб 
ID:	77345  
    Вложения Вложения
    Последний раз редактировалось Black_Panther; 21.06.2016 в 01:58. Причина: Апдейты!
    Моя религия:
    Люблю комфортное, окрашенное приятное звучание.
    STK и дискрет.
    No IRF, no TDA, no class D\T\H.
    DC Servo - must die.
    Мостовой УНЧ - suxx.
    Трансформатора и радиатора много не бывает.
    Импульсные БП - от лукавого.
    За нулями в Кг не гонюсь.

  2. #4281
    Зарегистрировался
    Регистрация
    24.04.2021
    Сообщений
    3

    По умолчанию Re: Усилители на STK

    Цитата Сообщение от AVRAMEZ Посмотреть сообщение
    Конечно смазать будет только лучше ! У нас шприц с КПТ-8 стоит 50 рублей чё там жалеть то на 20 процессоров шприца хватает
    спасибо всем за помощь у на шприц 1 мл стоит 30 гривен это 80 рублей ушел почти весь тюбик на микросхему и транзистор они оба к одному радиатору прикреплены,чуть оставил хочу в компе тоже поменять.. пробовал 30 минут работы усилителя на полную громкость радиатор 60 градусов..думаю это не критично...Нажмите на изображение для увеличения. 

Название:	IMG_3199.JPG 
Просмотров:	269 
Размер:	1.82 Мб 
ID:	396090

  3. #4282
    Завсегдатай Аватар для Audio-Video
    Регистрация
    18.03.2013
    Сообщений
    1,758

    По умолчанию Re: Усилители на STK

    Цитата Сообщение от bitzko Посмотреть сообщение
    у на шприц 1 мл стоит 30 гривен это 80 рублей ушел почти весь тюбик на микросхему
    мазать не умеешь - ТОНКИМ слоем, лезвием канцелярского ножа БЕЗ НОЖА как шпателем проводишь и все ... буквально ОБОЗНАЧИЛ наличиее ее ... вот тогда она РАБОТАЕТ, а так - намазюкал, а толку - ноль.

  4. #4283
    Зарегистрировался
    Регистрация
    24.04.2021
    Сообщений
    3

    По умолчанию Re: Усилители на STK

    Цитата Сообщение от Audio-Video Посмотреть сообщение
    мазать не умеешь - ТОНКИМ слоем, лезвием канцелярского ножа БЕЗ НОЖА как шпателем проводишь и все ... буквально ОБОЗНАЧИЛ наличиее ее ... вот тогда она РАБОТАЕТ, а так - намазюкал, а толку - ноль.
    не спорю может и много мазнул но радиатор тепло отводит греется же,30 минут на полную громкость так что колонки на полу прыгали))) и 60 градусов радиатор...я не знаю может это и много???

  5. #4284
    Новичок
    Регистрация
    03.01.2021
    Адрес
    Воронежская обл
    Сообщений
    18

    По умолчанию Re: Усилители на STK

    На будущее мажь ПАЛЬЦЕМ И ТОНКИМ СЛОЕМ ПОТОМ РУКИ ПОМОЕШЬ! А так ничего страшного лишнюю пасту выдавит просто перерасход пасты удали ту пасту что выдавило из под микры и всё! 60 градусов это нормально даже 90 не сгорит!

    ---------- Сообщение добавлено 07:19 ---------- Предыдущее сообщение было 07:02 ----------

    Нажмите на изображение для увеличения. 

Название:	20210428_071319.jpg 
Просмотров:	207 
Размер:	2.68 Мб 
ID:	396134 хорошая испытанная дешовая

  6. #4285
    Зарегистрировался
    Регистрация
    21.05.2021
    Сообщений
    1

    По умолчанию Re: Усилители на STK

    Как дополнение к информации даю список ИС прекращённых в производстве в 2007 году и замена некоторых из них.
    Вложения Вложения

  7. #4286
    Зарегистрировался
    Регистрация
    21.05.2021
    Сообщений
    5

    По умолчанию Re: Усилители на STK

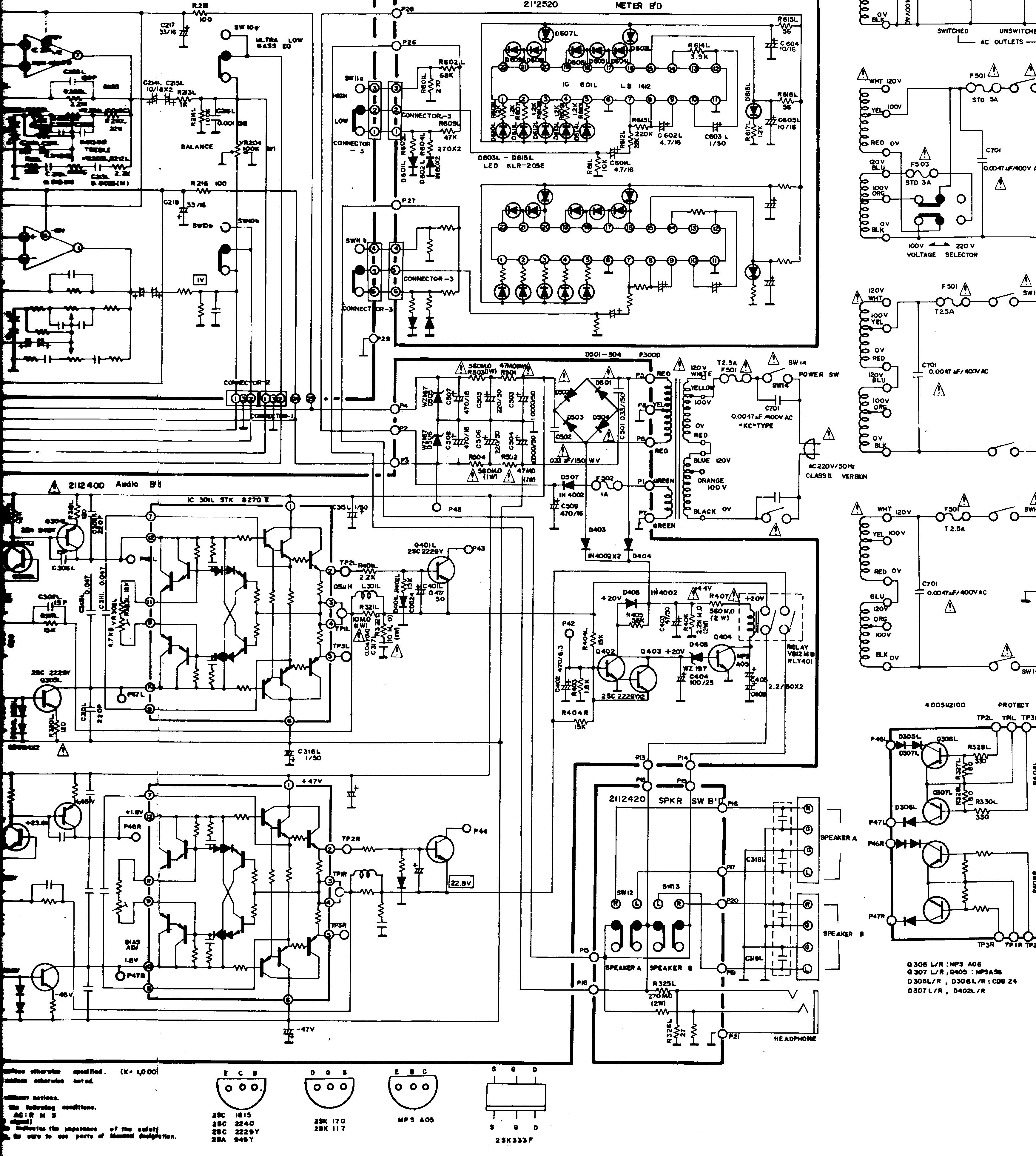
    Подскажите по ремонту усилителя UHER VG836. Подгорели два резистора на плате защиты (R229L и R330L). Судя по схеме, пробиты выходные транзисторы левого канала STK. На что можно заменить оригинальную STK8270?Нажмите на изображение для увеличения. 

Название:	88b74ab8-021a-43c3-a2ce-54ccf3853584.jpg 
Просмотров:	295 
Размер:	236.0 Кб 
ID:	397718Нажмите на изображение для увеличения. 

Название:	VG UHER 836 SCAN 2.jpg 
Просмотров:	273 
Размер:	1.72 Мб 
ID:	397719
    Последний раз редактировалось MustToDont; 21.05.2021 в 16:56.

  8. #4287
    Зарегистрировался
    Регистрация
    26.06.2021
    Сообщений
    1

    По умолчанию Re: Усилители на STK

    AVRAMEZ,
    AVRAMEZ,

    ---------- Сообщение добавлено 14:23 ---------- Предыдущее сообщение было 14:18 ----------

    Добрый день! Хотел Попросить вашей помощи по поводу печатной платы на которой вы получили хороший звук. По вашему совету купил последние stk теперь
    ищу схему и плату для их установки не могли бы вы помочь с советом в том числе с предварительным усилителем на лампе.С уважением Александр.

  9. #4288

    По умолчанию Re: Усилители на STK

    Немного ИВЛ данной теме)
    Валялась долго 4152, стало жалко.
    Накидал печатку , может кому пригодится.
    По расположению перемычек , резисторов, конд
    думаю понятно.
    Миниатюры Миниатюры Нажмите на изображение для увеличения. 

Название:	IMG_20210716_094248779.jpg 
Просмотров:	246 
Размер:	8.19 Мб 
ID:	400886   Нажмите на изображение для увеличения. 

Название:	IMG_20210716_081422242.jpg 
Просмотров:	270 
Размер:	5.18 Мб 
ID:	400887   Нажмите на изображение для увеличения. 

Название:	IMG_20210717_101051568.jpg 
Просмотров:	252 
Размер:	1.59 Мб 
ID:	400950   Нажмите на изображение для увеличения. 

Название:	IMG_20210717_101058681.jpg 
Просмотров:	240 
Размер:	1.90 Мб 
ID:	400951  

    Вложения Вложения
    Последний раз редактировалось Odesskin; 17.07.2021 в 10:15.

  10. #4289
    Новичок
    Регистрация
    03.01.2021
    Адрес
    Воронежская обл
    Сообщений
    18

    По умолчанию Re: Усилители на STK

    платы купил на алиэкспрэсс https://aliexpress.ru/item/100500237...40932e0euxltJb только была большая скидка и купон на 250 р ! итого за 2 платы 600 рублей. не подписаны номиналы радиодеталей но это не проблема ,резисторы все советские млт напряжение +-44 вольта stk 4044xi звук хорош и при +-25 , 30 вольт падает только мощность, а с лампами пробовал разными более всех 6н6п понравилась в классической схеме сигнал с анодов снимал. катодный повторитель фигня, но отошел от ламп! сейчас пред на LM 358 Техас инструмент НЕ с алиэкспрэсс , оригинальная из серьёзной аппаратуры выпаял и звучание мне более всех понравилось окрас звука своеобразный мягкий, хорошее разделение каналов , чёткий бас , Лучше любого преда на лампах на мой вкус хотя я с лампами с 1983 года ! Вся прелесть ламп это трансформаторный выходной каскад пуш пул класс А сугубо моё мнение а всё остальное маркетинг! тем более сейчас когда весь тракт цифровой и каменный предварь на лампе бессмыслица
    Последний раз редактировалось AVRAMEZ; 21.08.2021 в 06:36.

  11. #4290
    Злой Аватар для _Ру_
    Регистрация
    25.05.2015
    Возраст
    42
    Сообщений
    2,185

    По умолчанию Re: Усилители на STK

    Цитата Сообщение от Odesskin Посмотреть сообщение
    По расположению перемычек...думаю понятно.
    Этих?
    Нажмите на изображение для увеличения. 

Название:	Безимени-1.jpg 
Просмотров:	304 
Размер:	103.3 Кб 
ID:	402476

    У меня есть еще вопросы: зачем фотографировать монитор и почему эта суперважная картинка весит 8 мегабайт?

    ---------- Сообщение добавлено 10:11 ---------- Предыдущее сообщение было 10:00 ----------

    Плата удивительная, конечно. Я всякое видел, но такого - никогда.

  12. #4291

    По умолчанию Re: Усилители на STK

    Цитата Сообщение от _Ру_ Посмотреть сообщение
    Этих?
    Нажмите на изображение для увеличения. 

Название:	Безимени-1.jpg 
Просмотров:	304 
Размер:	103.3 Кб 
ID:	402476

    У меня есть еще вопросы: зачем фотографировать монитор и почему эта суперважная картинка весит 8 мегабайт?

    ---------- Сообщение добавлено 10:11 ---------- Предыдущее сообщение было 10:00 ----------

    Плата удивительная, конечно. Я всякое видел, но такого - никогда.
    На плате всего две перемычки самые длинные, остальное резисторы(даташ приложил...). Ну если у вас интернет по талонам и 8мг проблема, извиняюсь)) Разводка платы для компактности с короткими земляными и питающими дорожками, еще и работает отменно) не думаю что сделаете что-то еще компактнее и с минимум перемычек на односторонке. Да и не смотрю на другие платы , а делаю свои из опыта чтения литературы, ну и опыта. Всегда все работает отменно без шумов и возбудов. Каждый делает как нравится же)

  13. #4292
    Частый гость
    Регистрация
    22.10.2006
    Сообщений
    229

    По умолчанию Re: Усилители на STK

    Odesskin, топология на вид весьма грамотная. И даже красивая. Поздравляю.

  14. #4293
    Новичок Аватар для Zerg
    Регистрация
    07.07.2017
    Сообщений
    18

    По умолчанию Re: Усилители на STK

    Приветствую уважаемые форумчани , достался центр у которого stk402-120 используется в мостовом включении на саб , stk мертвая судя по всему , ищу аналог , есть вариант заказа с али такою-же или возможно у этой микросхемы есть современный аналог с похожей схемой включения , возможно кто-то сможет подсказать надежного продавца у которого можно купить качественную копию . Заранее благодарю за ответ

  15. #4294

    По умолчанию Re: Усилители на STK

    Цитата Сообщение от Zerg Посмотреть сообщение
    Приветствую уважаемые форумчани , достался центр у которого stk402-120 используется в мостовом включении на саб , stk мертвая судя по всему , ищу аналог , есть вариант заказа с али такою-же или возможно у этой микросхемы есть современный аналог с похожей схемой включения , возможно кто-то сможет подсказать надежного продавца у которого можно купить качественную копию . Заранее благодарю за ответ
    Врядли найдете. это скорей всего самсунг макс. микра довольно мощная еще и мосту. Я бы советовал купит готовый кит tda8954 у нее как раз хороший разброс оп питанию и простое подключение. есть уже готовые решению в мосту
    Вряд ли найдете оригинал 120. только с донора.
    Нажмите на изображение для увеличения. 

Название:	185341.jpg 
Просмотров:	175 
Размер:	65.5 Кб 
ID:	403046Нажмите на изображение для увеличения. 

Название:	IMG-a1271202f4fb96c04ab98b265ea3d8aa-V.jpg 
Просмотров:	231 
Размер:	206.5 Кб 
ID:	403047
    когда то собирал на 120. очень мощный был звук

  16. #4295
    Новичок
    Регистрация
    29.01.2012
    Сообщений
    2

    По умолчанию Re: Усилители на STK

    Добрый день уважаемые форумчане , прикупил бы плату под STK4152II

  17. #4296
    Частый гость Аватар для VIRU"S
    Регистрация
    11.03.2011
    Адрес
    Санкт-Петербург
    Возраст
    55
    Сообщений
    246

    По умолчанию Re: Усилители на STK

    Цитата Сообщение от Odesskin Посмотреть сообщение
    на односторонке
    По сути плата двухсторонней вышла - тогда уж шины питания прямо к ногам микры тянуть, раз уж они есть

  18. #4297

    По умолчанию Re: Усилители на STK

    В теме тишина, но все же)
    Решил для себя собрать усь
    Долго лежала 4181
    Делюсь печаткой на помидоры) на 4152 играет отлично
    Старый усь на 402-120 сгорел в пожаре( Но сдаваться нельзя, надежда еще есть пока живет Stk ))
    stk4181 БП .rar stk4181v.rar STK4181V_SanyoSemiconDevice.pdf
    Нажмите на изображение для увеличения. 

Название:	IMG_20211014_124112514.jpg 
Просмотров:	200 
Размер:	2.00 Мб 
ID:	406484Нажмите на изображение для увеличения. 

Название:	IMG_20211014_123703523.jpg 
Просмотров:	213 
Размер:	1.88 Мб 
ID:	406483Нажмите на изображение для увеличения. 

Название:	IMG_20211014_123218090.jpg 
Просмотров:	287 
Размер:	4.61 Мб 
ID:	406482Нажмите на изображение для увеличения. 

Название:	IMG_20211014_123202295.jpg 
Просмотров:	241 
Размер:	5.45 Мб 
ID:	406481
    Нажмите на изображение для увеличения. 

Название:	IMG_20211028_232219798.jpg 
Просмотров:	257 
Размер:	1.82 Мб 
ID:	407451Нажмите на изображение для увеличения. 

Название:	IMG_20211028_232226979.jpg 
Просмотров:	208 
Размер:	1.80 Мб 
ID:	407452
    Защита классика upc1237ha
    И синизуб с БП
    8645 бп2.rar защита.rar 8645.rar
    Последний раз редактировалось Odesskin; 29.10.2021 в 23:09.

  19. #4298
    Зарегистрировался
    Регистрация
    28.11.2021
    Сообщений
    4

    По умолчанию Re: Усилители на STK

    Добрый день! Помогите пожалуйста советом. У меня в ресивере Ямаха, собранном на STK403-130Y "испортился" левый тыловой канал - в нём шум типа громкого шороха с очень частыми непрерывными и неравномерными всплесками. Громкость всего этого по ощущениям максимальная или близка к ней. Регулятор громкости и режим MUTE никак на это не влияют. Я не специалист и единственное, что попробовал - вход этого канала на землю. Никак не повлияло. Второй канал фронтальный левый в этой же STK работает нормально. Это одному каналу STK конец пришёл или другие причины могут быть? И ещё вопрос на возможное будущее - можно ли вообще отключить неисправный канал STK и как это сделать?
    Нажмите на изображение для увеличения. 

Название:	AMP1.JPG 
Просмотров:	196 
Размер:	164.9 Кб 
ID:	410281
    Нажмите на изображение для увеличения. 

Название:	AMP2.JPG 
Просмотров:	163 
Размер:	102.2 Кб 
ID:	410282

  20. #4299
    Зарегистрировался
    Регистрация
    30.11.2021
    Сообщений
    4

    По умолчанию Re: Усилители на STK

    друзья не охота перечитывать все 200 страниц форума - есть 3 штуки оригинальных stk4231II есть ли возможность мостового соединения их ? один усилок я собрал на одной из них 2 по 100 его хватает. транс от awia nsx999mk2 где и стояли эти stk.

  21. #4300

    По умолчанию Re: Усилители на STK

    Цитата Сообщение от gryphan Посмотреть сообщение
    друзья не охота перечитывать все 200 страниц форума - есть 3 штуки оригинальных stk4231II есть ли возможность мостового соединения их ? один усилок я собрал на одной из них 2 по 100 его хватает. транс от awia nsx999mk2 где и стояли эти stk.
    Я мостил только 402 серию. думаю с 42 не выйдет. Ну и есть одна проблема, эта сборка и так рассчитана на 8 ом в мосту ниже 12 даже лучше не подходит.
    понижать напругу тоже такой себе вариант.
    Если нужна моща... то к примеру tda8954 порвет все что движется в своем классе.

    ---------- Сообщение добавлено 22:21 ---------- Предыдущее сообщение было 22:17 ----------

    ---------- Сообщение добавлено 22:22 ---------- Предыдущее сообщение было 22:21 ----------

    Цитата Сообщение от Avilin Посмотреть сообщение
    Добрый день! Помогите пожалуйста советом. У меня в ресивере Ямаха, собранном на STK403-130Y "испортился" левый тыловой канал - в нём шум типа громкого шороха с очень частыми непрерывными и неравномерными всплесками. Громкость всего этого по ощущениям максимальная или близка к ней. Регулятор громкости и режим MUTE никак на это не влияют. Я не специалист и единственное, что попробовал - вход этого канала на землю. Никак не повлияло. Второй канал фронтальный левый в этой же STK работает нормально. Это одному каналу STK конец пришёл или другие причины могут быть? И ещё вопрос на возможное будущее - можно ли вообще отключить неисправный канал STK и как это сделать?
    Нажмите на изображение для увеличения. 

Название:	AMP1.JPG 
Просмотров:	196 
Размер:	164.9 Кб 
ID:	410281
    Нажмите на изображение для увеличения. 

Название:	AMP2.JPG 
Просмотров:	163 
Размер:	102.2 Кб 
ID:	410282
    Avilin,
    Проблема в том что фронт и тыл разделены на отдельные сборки. Тут два пути...или перевести сигнал с левого фронта на сборку с правым фронтом, а тыл правый на рабочий канал левого фронта и подключить последовательно тыл на один рабочий канал что бы хоть в моно , но играло.
    Или снова же перевести весь фронт на одну сборку и на тыл подкинуть кит на стк или что то на тда
    Разделили каналы они для того то бы сборки не сильно грелись я так полагаю.

Страница 215 из 227 Первая ... 205213214215216217225 ... Последняя

Социальные закладки

Социальные закладки

Ваши права

  • Вы не можете создавать новые темы
  • Вы не можете отвечать в темах
  • Вы не можете прикреплять вложения
  • Вы не можете редактировать свои сообщения
  •