Страница 208 из 227 Первая ... 198206207208209210218 ... Последняя
Показано с 4,141 по 4,160 из 4525

Тема: Усилители на STK

  1. #1 Показать/скрыть первое сообщение.
    https://dzen.ru/sivolobov
    Автор темы
    Аватар для Black_Panther
    Регистрация
    07.06.2004
    Адрес
    Москва, Бибирево.
    Возраст
    46
    Сообщений
    2,397

    По умолчанию Усилители на STK

    В данной теме будем обсуждать все, что связано с STK.

    Для начала вводная - это не микросхема, это гибридная интегральная схема. Толстоплёночная. Конских размеров.

    Since 1970, SANYO has offered the STK series of IMST hybrid ICs for audio power amplifiers onto the market, and the reliability and performance of these ICs have won a high market share for the company.

    Снятые с производства ИМС можно посмотреть тут:
    alldatasheet.com

    Официально STK производились Sanyo, есть непроверенные лично мной источники, уверяющие, что их также выпускала SanKen. STK серия с надписями Technics, Yamaha, Kenwood, Strasser, Ulvac и прочих брендов - это тоже Sanyo, но OEM.

    В данный момент Sanyo Semiconductors перешла под крыло Panasonic, затем последняя отфутболила всё это к ONSEMI, которой выпускаются самые свежие серии: 433-ххх (стерео и многоканальные) и 404-ххх (моно).


    Возьмите за правило: сначала почитали эту ветку, хотя бы первый пост, потом побежали покупать какую-либо STK. В противном случае велик риск нарваться на новодел (неоригинал) или махровую подделку, особенно если покупаете старые популярные серии ИМС, снятые с производства!
    Проектировать новое устройство на ИМС 3-значных, 4-значных и заказных серий можно только в том случае, если на руках уже имеется заведомо работоспособный оригинал.


    И еще: без фото или возможности повертеть в руках при заказе через интернет или по телефону рискуете купить подделку. Не уверены полностью в оригинальности - не покупайте, откажитесь, если нету фото - попросите сказать что написано в верхнем правом углу морды и нет ли яркой однотонной "зелени" в щели между выводов и какого цвета спинка и цвет надписи на ней.

    Как различать оригинал , новодел и подделку:
    Вкратце: ярко-синяя или ярко-зеленая надпись на спинке и серия на морде имеет буквы ET = НЕ БРАТЬ!

    В щели между выводов видно ДВА цвета: плата и маска. Подложка приклеена к радиатору ровно и надписи на подложке (спинка микры) не яркие. Могут быть как бы стершиеся или недопечатанные. Это нормально.
    Щель - это пространство откуда
    ноги (выводы) растут где видно крепление начала выводов к плате интегральной схемы. У старых серий эта щель может быть залита компаундом, похожим на стекло. По ссылке ниже - то самое место:
    https://forum.vegalab.ru/attachment....7&d=1266525585


    Видите текстуру корпуса? Блики, шероховатости - у оригиналов обычно есть.
    https://forum.vegalab.ru/attachment....2&d=1266525017

    Вот такая надпись сзади, как бы стершаяся местами:

    https://forum.vegalab.ru/attachment....3&d=1266525026


    В щели видно сплошную яркую зелень, серия написана с ЕТ: 0AET, 5BET, 2GET, 2LET и т.п., надписи на спинке яркие или легко стираются - АХТУНГ! Перед нами - новодел - неоригинал. Скажем так - работать в номинальном режиме оно будет (50\50, лотерея), звучание же, как у оригинала совершенно не гарантируется.

    Однотонный маслянисто-чёрный цвет морды и яркая синяя надпись на спинке - подделка.


    Как опознать конкретный лютый махровый винтаж:

    https://forum.vegalab.ru/attachment....6&d=1266524167
    Смотрите на STK043.

    https://forum.vegalab.ru/attachment....0&d=1266526095

    Надписи нанесены краской, которую легко смыть или соскрести даже ногтем. Корпус обычно черного маслянистого цвета, как уголь, шероховатый.


    Огромная подборка материалов, включающая информацию о местах приобретения, отличий оригиналов от подделок,редких и "заказных" ОЕМ-ИМС STK серии, фото, ссылки на даташиты и рисунки плат находится в этой ветке, если не полениться ее прочесть.Тут есть 99% ответов на вопросы по STK.

    На сегодняшний момент можно использовать современные серии:

    Одноканальная: STK404-xxx (404-050, 404-070, 404-090, 404-100, 404-120, 404-130, 404-140).
    Двухканальные и многоканальные: STK433-xxx. Подделок не встречал, сведений о таковых нет.
    Важно! 433 серия в непривычном сером корпусе с выштамповкой и надписью Sanyo, вот такая:

    https://forum.vegalab.ru/attachment....4&d=1266525129

    (ширина корпуса и количество ножек варьируется!)

    По статистике, исходя из наблюдения оптимальное соотношение стоимость\мощность согласно efind.ru и прайсам Митинского радиорынка имеют STK404-130, STK404-140
    Введите в строке поиска STK404 и найдете ее фото внутри и снаружи, где купить платы под нее и ее саму,рисунки плат, особенности и обсуждение.
    Также можно купить, по крайней мере, в Москве, самую мощную на данный момент ИМС из линейки 404-ххх: STK404-140. Она продается (напишу позже, забыл номер места), это находится на Митинском радиорынке. Там же можно купить и 404-130. 404-130 также есть на Митинском радиорынке в www.winner-s.ru ,побродив хорошо по рынку можете хоть всю коллекцию 404 серии собрать и сидеть на нее любоваться.

    Если радиорынок или Москва от Вас далеко, поищите, где купить STK вот на этом ресурсе:
    www.efind.ru


    Кроме того, вот список официальных дистрибьюторов On Semiconductors:
    http://www.onsemi.ru.com/PowerSolutions/locateSalesSupport.do

    даташиты на 404 и 433 серию на сайте On Semiconductors:

    http://www.onsemi.ru.com/PowerSolutions/search.do?query=stk4&tabbed=Y&clearFilters=Y&searchType=others&perPage=100

    Прикрепляю файлы:
    Статья по сборке уся на серии 41хх...42хх - stereo18.rar
    Указаны нюансы, как подпаивать регулятор, немного про земли и источник питания и прочее.

    Добавляю старый материал "В питании - сила!" с источником питания для усилителей.

    Эволюция плат моей разработки:

    (в ближайшее время, со схемами и рисунками)

    Все коммерческие вопросы строго в личку.

    апдейт дополню скоро: где купить в Москве 404 и 433 серии выгодней и заведомо аутентичные. А также: причешу галерею, чтобы влезли рисунки плат и схемы с пояснениями.

    ДА, 404-140 В МОСКВЕ НИГДЕ НЕТ В НАЛИЧИИ, САМ ИЩУ.
    Миниатюры Миниатюры Нажмите на изображение для увеличения. 

Название:	STK043 and STK404-070.JPG 
Просмотров:	25608 
Размер:	48.9 Кб 
ID:	77326   Нажмите на изображение для увеличения. 

Название:	STK459_vintage_top.jpg 
Просмотров:	20503 
Размер:	547.3 Кб 
ID:	77332   Нажмите на изображение для увеличения. 

Название:	STK459_vintage_rear.jpg 
Просмотров:	19503 
Размер:	573.9 Кб 
ID:	77333   Нажмите на изображение для увеличения. 

Название:	STK433-070_original.JPG 
Просмотров:	21750 
Размер:	194.8 Кб 
ID:	77334  

    Нажмите на изображение для увеличения. 

Название:	STK1050_vintage_original.JPG 
Просмотров:	15063 
Размер:	263.2 Кб 
ID:	77335   Нажмите на изображение для увеличения. 

Название:	STK404-070_original_ TOP.JPG 
Просмотров:	21343 
Размер:	76.4 Кб 
ID:	77337   Нажмите на изображение для увеличения. 

Название:	STK404-070_original_ REAR.JPG 
Просмотров:	6420 
Размер:	107.5 Кб 
ID:	77338   Нажмите на изображение для увеличения. 

Название:	STK404-070_original_ inside.JPG 
Просмотров:	13362 
Размер:	240.7 Кб 
ID:	77339  

    Нажмите на изображение для увеличения. 

Название:	STK090 - древняя огромная лютая экзотика_естественно_оригинал.jpg 
Просмотров:	17665 
Размер:	56.5 Кб 
ID:	77340   Нажмите на изображение для увеличения. 

Название:	Чип и Дип отжёг_кстати_на фото_все_микры_оригиальные.JPG 
Просмотров:	7858 
Размер:	69.9 Кб 
ID:	77341   Нажмите на изображение для увеличения. 

Название:	STK4132_original.JPG 
Просмотров:	6488 
Размер:	490.1 Кб 
ID:	77342   Нажмите на изображение для увеличения. 

Название:	STK4152_original.JPG 
Просмотров:	17303 
Размер:	261.9 Кб 
ID:	77343  

    Нажмите на изображение для увеличения. 

Название:	STK4152-II_original_top and inside.jpg 
Просмотров:	12073 
Размер:	286.8 Кб 
ID:	77344   Нажмите на изображение для увеличения. 

Название:	Series_mark.jpg 
Просмотров:	8379 
Размер:	72.6 Кб 
ID:	77345  
    Вложения Вложения
    Последний раз редактировалось Black_Panther; 21.06.2016 в 01:58. Причина: Апдейты!
    Моя религия:
    Люблю комфортное, окрашенное приятное звучание.
    STK и дискрет.
    No IRF, no TDA, no class D\T\H.
    DC Servo - must die.
    Мостовой УНЧ - suxx.
    Трансформатора и радиатора много не бывает.
    Импульсные БП - от лукавого.
    За нулями в Кг не гонюсь.

  2. #4141
    Частый гость
    Регистрация
    22.10.2006
    Сообщений
    229

    По умолчанию Re: Усилители на STK

    Нда, печально. Корпус подделан хорошо. Отличить от оригинала трудно. Зато теперь есть доказательство, что и STK426-530 тоже подделывают. А насчет ремонта, можно попробовать отремонтировать оригинальную STK426-530. Если не затруднит, пришлите фото вскрытой.

  3. #4142
    Новичок
    Регистрация
    11.08.2009
    Сообщений
    93

    По умолчанию Re: Усилители на STK

    не по теме но можно ли перевести RSN от панасоник rsn308m24-p в режим AB просто подав напряжение большое на VL ? как на STK.

  4. #4143
    Частый гость
    Регистрация
    22.10.2006
    Сообщений
    229

    По умолчанию Re: Усилители на STK

    Цитата Сообщение от POSAK Посмотреть сообщение
    не по теме но можно ли перевести RSN от панасоник rsn308m24-p в режим AB просто подав напряжение большое на VL ? как на STK.
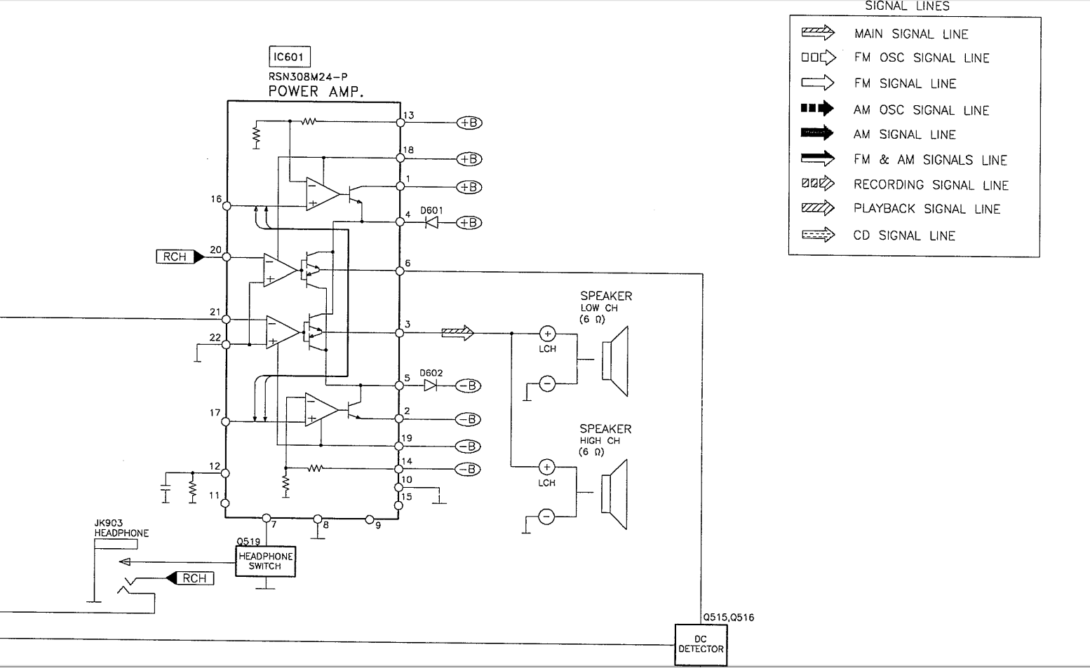
    У RSN308M24-P есть входы –D1 SENS (14) и +D1 SENS (13), к которым тоже подводится VLow через резисторы и которые чего-то измеряют. Сначала надо разобраться для чего это нужно, понять логику работы и сымитировать сигналы на этих выводах. Боюсь, если просто оставить ±VLow на выводах 13, 14, а на выводы 4 и 5 подать высокое напряжение питания, то чего нибудь может сгореть. Но, если не жалко, попробовать можно. Шанс всегда есть.

  5. #4144
    Новичок
    Регистрация
    11.08.2009
    Сообщений
    93

    По умолчанию Re: Усилители на STK

    нету инфы ни где , буду примного благодарен если найдется хоть какая инфа по этим выводам. 14, 13

    http://www.datasheetcafe.com/wp-cont...ck-Diagram.gif

    Нажмите на изображение для увеличения. 

Название:	Screenshot_13.png 
Просмотров:	883 
Размер:	135.6 Кб 
ID:	358357

    kolbasNIC можете пожалуйста посмотреть можно как то перевести в AB? С вашим опытом посмотрите пожалуйста.

  6. #4145
    Частый гость
    Регистрация
    22.10.2006
    Сообщений
    229

    По умолчанию Re: Усилители на STK

    kolbasNIC можете пожалуйста посмотреть можно как то перевести в AB? С вашим опытом посмотрите пожалуйста.
    Вы слишком меня переоцениваете. Никакого особого опыта в этой области у меня нет. Да, когда-то давно (я уже плохо помню это время) несколько раз перевел разные STK в режим АВ, а потом несколько раз помогал это сделать другим. И все.
    Теперь о деле. Вы молодец, уважаемый POSAK. На картинке, которую Вы представили, есть вся нужная информация. Хорошо видно, что выводы 13 и 16/14 и 17 являются входами компараторов, управляющими ключами, переключающими Vhigh. В нашем случае эту часть схемы нужно просто исключить из работы. Этого совсем не сложно добиться просто подав напряжение Vhigh соответственной полярности на выводы 4 и 5, естественно предварительно удалив диоды D601/602 подключенные к этим выводам (т.е. тем самым разорвав цепи подачи на выводы 4 и 5 Vlow). Этого должно быть достаточно. И становится совершенно не важно состояние выводов 13 и 16/14 и 17 и внутренних ключей. Как бы компараторы не переключали ключи, на транзисторы выходного каскада всегда будет подаваться только Vhigh.
    Нажмите на изображение для увеличения. 

Название:	RSN308M24-P block-sch__.jpg 
Просмотров:	632 
Размер:	151.3 Кб 
ID:	358373

  7. #4146
    Новичок
    Регистрация
    11.08.2009
    Сообщений
    93

    По умолчанию Re: Усилители на STK

    kolbasNIC, успешно перевел звук не такой дешманский стал Благодарю .

    STK круче звучит один фиг))

    ---------- Сообщение добавлено 23:09 ---------- Предыдущее сообщение было 00:17 ----------

    Можете подсказать какой регулятор громкости брать под STK 403 - 100 50 KoM или 10 KoM ?
    Последний раз редактировалось POSAK; 20.11.2019 в 00:38.

  8. #4147
    Частый гость
    Регистрация
    22.10.2006
    Сообщений
    229

    По умолчанию Re: Усилители на STK

    Можете подсказать какой регулятор громкости брать под STK 403 - 100 50 KoM или 10 KoM ?
    Это не ко мне, а к топикстартеру, Алексею. Это он, до сих пор продолжает что-то делать на STK, а я последний раз использовал аналоговые регуляторы громкости примерно в 1980 году. Не помню уже ничего, извините.

  9. #4148
    Зарегистрировался
    Регистрация
    21.11.2019
    Сообщений
    1

    По умолчанию Re: Усилители на STK

    Добрый день.
    Не работает пионер vsx-418
    Как я понял сгорели pac014a и pac015a. (На выходах 61в). Цена на них кусается даже у китайцев.
    Порыв интернет понял, что pac014a можно заменить на stk442-110 (130) один к одному.
    На что заменить pac015a из линейки stk?

  10. #4149
    Частый гость
    Регистрация
    22.10.2006
    Сообщений
    229

    По умолчанию Re: Усилители на STK

    PAC015A = STK413-530, можно заменить на STK413-220A, корпус SIP-22
    PAC014A = STK412-530, можно заменить на STK412-430 или STK412-440, корпус SIP-18
    У STK442-110/130 нет режима Н и корпус SIP-14 (порядок выводов не совпадает с PAC014A).

  11. #4150
    Новичок
    Регистрация
    13.06.2019
    Сообщений
    5

    По умолчанию Re: Усилители на STK

    Здравствуйте уважаемые знатоки! Несколько вопросов по STK41x2.

    1. В статье «В питании сила» предлагаетcя для питания усилителя применять 2 выпрямительных моста, в то время, как в datasheet рекомендуется схема питания с одним мостом, запитанным от крайних выводов двух последовательно соединенных вторичных обмоток, а «землю» брать из точки соединения этих обмоток.

    Та же самая схема организации питания (с одним мостом) используется в различных усилителях Technics.
    (извините, не могу понять как прикрепить соответствующий рисунок).

    Вопрос такой – Вы рекомендуете использование 2-х мостов из каких-то теоретических или практических соображений? Прошу правильно понять, проблема выбора по какому пути идти.

    2. О подделках STK. Я так и не понял, что считается подделками - все то, что произведено не Sanyo? STK произведенные ON Semiconductor это тоже подделка или все же полный и качественный аналог?

    С другой стороны достаточно сложно представить себе, что в каких-то подпольных мастерских кто-то штампует эти старого дизайна ГИС, ведь рыночная стоимость (на том же ALI) составляет около 3 долларов, а спрос единичный, практически только отдельные искушенные радиолюбители стремятся приобрести.

    3. Какие минимальные напряжения питания допустимы для нормальной работы STK4122II, STK4142II, STK4152II и STK4172II? В datasheetах указаны предельно допустимые величины и рекомендуемые. И только по диаграммам зависимости выходной мощности от напряжения питания можно косвенно судить, что STK4152II может работать начиная с +/- 15В, а STK4172II при нагрузке 4 Ом от +/- 20В и при нагрузке 8 Ом от +/- 24В.

    И как понимать рекомендуемые величины напряжения питания - эти рекомендуемые величины напряжения соответствуют режиму реальной выходной мощности, когда напряжение питание просаживается?

    Вообще я не очень понимаю, производитель выпускал линейки STK специально для разных напряжений и мощностей (соответственно применяя внутри гибридных схем более или менее мощные и высоковольтные транзисторы, резисторы разных номиналов) или эти линейки формировались за счет отбраковки партий по итогам их испытаний?

    Заранее спасибо!

  12. #4151
    Частый гость
    Регистрация
    22.10.2006
    Сообщений
    229

    По умолчанию Re: Усилители на STK

    Привет
    1. Это к автору статьи.
    2. По большому счету подделки это все, что произведено не Sanyo. Нет достоверных данных о том, что новый владелец бизнеса ON Semiconductor продолжает выпускать все старые линейки STK. Да и зачем, собственно, если даже Sanyo в бытность свою прекратило производство большинства усилителей STK, оставив на плаву всего несколько серий.
    Китайцы же, наоборот, как показал недавний опыт с STK426-530, вовсю продолжают выпускать STK, хотя нам отсюда совершенно непонятно, куда они их девают. Надо просто признать тот факт, что мы не понимаем на чем основан китайский бизнес с подделками STK.
    Подделки страшны в первую очередь тем, что китайские производители даже не пытаются воспроизводить оригинальные схемы STK, а лепят везде упрощенные иногда до нельзя, как правило в классе В. Реально схемотехнически подделки это совсем другие микросхемы.
    3. Вопрос с минимальными напряжениями легко решается опытным путем. Указанные Вами цифры выглядят вполне вменяемо. Рекомендуемые напряжения без всяких подвохов, это рейтинговые напряжения источников питания, указанные обычно для номинальной нагрузки.
    4. Sanyo производило линейки STK специально для разных напряжений и мощностей и никакой отбраковки не производилось.

  13. #4152
    Новичок
    Регистрация
    13.06.2019
    Сообщений
    5

    По умолчанию Re: Усилители на STK

    kolbasNIC - Спасибо за быструю реакцию и толковые ответы !

    По п. 2 - меня конкретно интересуют STK41x2 для ремонта (и модернизации) моего старенького Technics SU-Z200.
    Вроде бы есть возможность приобрести такие в одной солидной фирме, но они под брендом ON Semiconductor, причем на сайте указано, что они больше компанией не выпускаются и не рекомендуются для новых разработок.

    Но вот datasheet на STK41x2 от ON Semiconductor, что бы сравнить с оригиналом внутреннюю схему и параметры, я найти не смог.

    Еще раз спасибо !

  14. #4153
    Частый гость
    Регистрация
    22.10.2006
    Сообщений
    229

    По умолчанию Re: Усилители на STK

    Цитата Сообщение от Shipkov Посмотреть сообщение
    kolbasNIC - Спасибо за быструю реакцию и толковые ответы !

    По п. 2 - меня конкретно интересуют STK41x2 для ремонта (и модернизации) моего старенького Technics SU-Z200.
    Вроде бы есть возможность приобрести такие в одной солидной фирме, но они под брендом ON Semiconductor, причем на сайте указано, что они больше компанией не выпускаются и не рекомендуются для новых разработок.

    Но вот datasheet на STK41x2 от ON Semiconductor, что бы сравнить с оригиналом внутреннюю схему и параметры, я найти не смог.

    Еще раз спасибо !
    Привет
    Микросхемы от ON Semi должны выпускаться по японским техническим условиям и вряд ли схемотехнически отличаются от оригинала (потому что делаются физически на том же самом заводе, что и оригиналы когда-то). Даташитов на STK от ON Semi лично я никогда не видел, видел только от Sanyo с надпечаткой ON Semiconductor и то только на драйвер двигателя для стиральной машины. В Technics SU-Z200 должна стоять STK4152IIM. Что означает эта "М" непонятно, но обычно такие суффиксы добавляют, когда есть небольшие отличия в форме выводов или в одном из параметров. В сети на STK4152II есть даташит от Sanyo. И есть даташит на все семейство STK41x2II:
    Нажмите на изображение для увеличения. 

Название:	STK4xx2 Hybrid Audio-1.jpg 
Просмотров:	591 
Размер:	1.08 Мб 
ID:	358783
    Нажмите на изображение для увеличения. 

Название:	STK4xx2 Hybrid Audio-2.jpg 
Просмотров:	492 
Размер:	560.6 Кб 
ID:	358784

  15. #4154
    Новичок
    Регистрация
    13.06.2019
    Сообщений
    5

    По умолчанию Re: Усилители на STK

    Привет kolbasNIC !

    Да, действительно в родном Technics SU-Z200 стоит STK4152II, но буквы M на корпусе ГИС нет.
    На самом деле, когда мой усилитель стал барахлить (потом уже выяснилось, что выносились потенциометры), я приобрел за смешные деньги еще один ровно такой же, но после ремонта. В последнем была заменена родной STK на STK4172II (ну и еще кое-что было заменено).

    После того, как я восстановил первый, появилась идея начинку второго поместить в RACK корпус и, таким образом, получить возможности для модернизации (устроить дополнительные входы/выходы, заменить потенциометры регулировки громкости, баланса и тембра переключателями, встроить небольшой микшер для параллельного подключения электрогитары и/или синтезатора и некоторые другие функции).

    Дело в том, что у меня небольшая студия и усилитель необходим не только для воспроизведения музыки, но и для ее тестирования на слух например с разными типами колонок (хорошими и не очень), в моно режиме, в линейном режиме и с поднятыми низкими и верхними частотами.

    В общем хочу сделать некий специального назначения инструментальный усилитель, функционально заточенный под мои потребности. Собственно планировал имеющуюся плату с вновь приобретенного усилка использовать в качестве усилителя мощности, а БП, предусилитель, регуляторы и всю коммутацию сделать самому, предусмотрев возможность поблочной модернизации в будущем.

    А сейчас я уже думаю и плату усилителя мощности сделать свою. Она получится компактней оригинала.

    Datasheetы от Sanyo я знаю, просто хотел сравнить их с Datasheetами от ON Semiconductor.

    Всего доброго.

  16. #4155
    Частый гость
    Регистрация
    22.10.2006
    Сообщений
    229

    По умолчанию Re: Усилители на STK

    Все понятно. Спасибо за пояснения. Успехов.

  17. #4156
    Новичок
    Регистрация
    11.08.2009
    Сообщений
    93

    По умолчанию Re: Усилители на STK

    kolbasNIC, можно пожалуйста еще один вопрос что означают выходы 18 , 19 на rsn308m24-p которую модифицировал . Это относиться к компораторам? Вопрос в следующем нужно ли туда вообще подавать что или можно без этих выводов если перевел в AB . Хочу отдельный блок питания подсоединить только на выводы VH + VL , а нужно ли подавать на 18, 19 не пойму.

  18. #4157
    Частый гость
    Регистрация
    22.10.2006
    Сообщений
    229

    По умолчанию Re: Усилители на STK

    Привет
    Выводы 18 и 19 это питание предварительных усилителей и компараторов. Должно подаваться обязательно, иначе звука не будет. После перехода в режим АВ компараторы уже ни на что не влияют и бороться с ними не надо.
    Эти два напряжения (на 18 и 19) неплохо бы подавать от отдельного источника и стабилизировать. Но по величине они должны быть или равны или чуть больше, чем напряжения питания выходного каскада. В теории качество должно возрасти, а на практике все будет зависеть от конкретной реализации ИП и трассировки схем питания.

    ---------- Сообщение добавлено 27.11.2019 в 04:12 ---------- Предыдущее сообщение было 26.11.2019 в 23:35 ----------

    О мощных гибридных микросхемах Panasonic/Matsushita
    Так как время от времени появляются энтузиасты использования мощных гибридок серий RSNххххх, настал момент рассказать чем же они нехороши.
    Фирма Matsushita начала применять мощные гибридные микросхемы собственной разработки с 1983 года. Сначала это были ИС под названиями типа SVI100х, копирующие некоторые заказные модели STK. Затем последовательно появились оригинальные серии SVI200х, SVI210х, SVI300х, SVI310х и SVI320х. Все эти серии представляли собой так называемые усилители New Class A или усилители с синхронным смещением и готовые решения с их использованием довольно высоко котировались среди прочих усилителей. В 1986 году появилась серия SVI400х, которая представляла собой уже так называемый Class AA и которая имела уже совершенно другой способ управления усилителем напряжения и токовым драйвером с использованием моста Уитстона в АС. Эта серия не имела синхронного смещения, но тем не менее тоже представляла собой интересное оригинальное решение, пригодное для построения усилителей высокого качества.
    Первые ИС серии SVIхххх выпускались в точно в таких же корпусах, как и STK до примерно 1991/92 года, когда все мощные гибридные ИС от Matsushita перевели в серые ребристые корпуса и они стали называться уже не просто гибридными ИС, а силовыми модулями BC (BC power modules). И до середины 90-х серии SVIхххх выпускались уже только в виде BC power modules. Главная беда BC power modules заключалась в том, что в целях экономии медные дорожки на внутренней плате были заменены на дорожки из специального композитного сплава с гораздо более скверными параметрами, нежели медь. Таким образом появление ИС в серых ребристых корпусах BC power modules считается началом деградации мощных гибридных усилителей от Matsushita. А появление в середине 90-х разнообразных серий RSNххххх повышенной степени интеграции, в основном представляющих собой многоканальные усилители в режиме Н и выполненных с применением кристаллов аналоговых ИС, уже окончательно закрепило клеймо отвратительного качества за гибридными ИС в серых ребристых корпусах BC power module.
    Сегодня не рекомендуется использовать ИС с любыми названиями в серых ребристых корпусах BC power module для DIY. Если уж так хочется забацать что-нибудь на мощных гибридных микросхемах Matsushita, то придется поискать довольно редкие ранние ИС серий SVIхххх в STKподобных корпусах. Кстати, усилители New Class A и Class AA обеспечивают гораздо более интересное звучание, чем самые лучшие STK и фанатам гибридок имеет смысл поискать старые SVIхххх.
    Последний раз редактировалось kolbasNIC; 28.11.2019 в 00:09.

  19. #4158
    Новичок
    Регистрация
    11.08.2009
    Сообщений
    93

    По умолчанию Re: Усилители на STK

    kolbasNIC,

    спасибо за разъяснение по RSN , я просто хотел отключить питание от выходов которые не нужны вообще типа компораторов 13 и 16/14 и 17 выводов . И подать только на нужные с отдельного блока питания. У меня почему то при включение в сеть идет небольшая постоянка -4В и резко спадает на 0 в выходах каналов . Самое интересное если подключить наушники то постоянка будет всегда -4В с выходов колонок. Странная микруха эта RSN . Вот думаю может компараторы заглючили попробовать от них отключить питание вообще то есть от 13 и 16/14 и 17 выводов.


    Нашел из за чего была постоянка -4 В во время включения . Резистор 4.7 ОМ подающий напряжение на предусилитель 19 RSN оборвался . Заменил все четко)) Самое странное что работало хорошо только при включении была постоянка -4В которая резко снижалась до 0 , - "не было минусового питания на предусилителя вывода 19" мод AB работает четко) греется только как утюг эта RSN штатного радиатора миниатюрного явно не хватает) еще раз благодарю kolbasNIC

    STK все ровно лучше в разы) у RSN не много мутная серединка . Басы подгужывывают но их больше чем на STK жидкие такие . По высоким пойдет нормас но STK красивее звук.
    Последний раз редактировалось POSAK; 02.12.2019 в 19:36.

  20. #4159
    Новичок
    Регистрация
    13.06.2019
    Сообщений
    5

    По умолчанию Re: Усилители на STK

    Уважаемый kolbasNIC!

    Интересует Ваша оценка серии STK-401-90 - STK401-110, особенно в сравнении с STK41x2.

    Заранее спасибо !

  21. #4160
    Частый гость
    Регистрация
    22.10.2006
    Сообщений
    229

    По умолчанию Re: Усилители на STK

    Интересует Ваша оценка серии STK-401-90 - STK401-110, особенно в сравнении с STK41x2.
    Это очень похожие серии. Основное отличие в том, что серия STK41x2 имеет подсерию с суффиксом (II), где увеличена линейность схемы и снижен THD. Серия STK-401-хх0 таких подсерий не имеет. Ну и серия STK-401-хх0 в диапазоне номеров -090...-110 рассчитана на 50...70 Вт выходной мощности. Соответствующая по мощности STK4192 рассчитана на 50 Вт и мощнее её в серии STK41x2 нет. Т.е. серия STK-401-хх0 более мощная, но менее качественная, чем STK41x2(II). Схемотехнически они тоже практически одинаковые, выход и там, и там на квазикомплементарной паре составных транзисторов. В серии STK41x2 есть дополнительный вход Mute для выключения звука.

Страница 208 из 227 Первая ... 198206207208209210218 ... Последняя

Социальные закладки

Социальные закладки

Ваши права

  • Вы не можете создавать новые темы
  • Вы не можете отвечать в темах
  • Вы не можете прикреплять вложения
  • Вы не можете редактировать свои сообщения
  •