Страница 206 из 227 Первая ... 196204205206207208216 ... Последняя
Показано с 4,101 по 4,120 из 4525

Тема: Усилители на STK

  1. #1 Показать/скрыть первое сообщение.
    https://dzen.ru/sivolobov
    Автор темы
    Аватар для Black_Panther
    Регистрация
    07.06.2004
    Адрес
    Москва, Бибирево.
    Возраст
    46
    Сообщений
    2,397

    По умолчанию Усилители на STK

    В данной теме будем обсуждать все, что связано с STK.

    Для начала вводная - это не микросхема, это гибридная интегральная схема. Толстоплёночная. Конских размеров.

    Since 1970, SANYO has offered the STK series of IMST hybrid ICs for audio power amplifiers onto the market, and the reliability and performance of these ICs have won a high market share for the company.

    Снятые с производства ИМС можно посмотреть тут:
    alldatasheet.com

    Официально STK производились Sanyo, есть непроверенные лично мной источники, уверяющие, что их также выпускала SanKen. STK серия с надписями Technics, Yamaha, Kenwood, Strasser, Ulvac и прочих брендов - это тоже Sanyo, но OEM.

    В данный момент Sanyo Semiconductors перешла под крыло Panasonic, затем последняя отфутболила всё это к ONSEMI, которой выпускаются самые свежие серии: 433-ххх (стерео и многоканальные) и 404-ххх (моно).


    Возьмите за правило: сначала почитали эту ветку, хотя бы первый пост, потом побежали покупать какую-либо STK. В противном случае велик риск нарваться на новодел (неоригинал) или махровую подделку, особенно если покупаете старые популярные серии ИМС, снятые с производства!
    Проектировать новое устройство на ИМС 3-значных, 4-значных и заказных серий можно только в том случае, если на руках уже имеется заведомо работоспособный оригинал.


    И еще: без фото или возможности повертеть в руках при заказе через интернет или по телефону рискуете купить подделку. Не уверены полностью в оригинальности - не покупайте, откажитесь, если нету фото - попросите сказать что написано в верхнем правом углу морды и нет ли яркой однотонной "зелени" в щели между выводов и какого цвета спинка и цвет надписи на ней.

    Как различать оригинал , новодел и подделку:
    Вкратце: ярко-синяя или ярко-зеленая надпись на спинке и серия на морде имеет буквы ET = НЕ БРАТЬ!

    В щели между выводов видно ДВА цвета: плата и маска. Подложка приклеена к радиатору ровно и надписи на подложке (спинка микры) не яркие. Могут быть как бы стершиеся или недопечатанные. Это нормально.
    Щель - это пространство откуда
    ноги (выводы) растут где видно крепление начала выводов к плате интегральной схемы. У старых серий эта щель может быть залита компаундом, похожим на стекло. По ссылке ниже - то самое место:
    https://forum.vegalab.ru/attachment....7&d=1266525585


    Видите текстуру корпуса? Блики, шероховатости - у оригиналов обычно есть.
    https://forum.vegalab.ru/attachment....2&d=1266525017

    Вот такая надпись сзади, как бы стершаяся местами:

    https://forum.vegalab.ru/attachment....3&d=1266525026


    В щели видно сплошную яркую зелень, серия написана с ЕТ: 0AET, 5BET, 2GET, 2LET и т.п., надписи на спинке яркие или легко стираются - АХТУНГ! Перед нами - новодел - неоригинал. Скажем так - работать в номинальном режиме оно будет (50\50, лотерея), звучание же, как у оригинала совершенно не гарантируется.

    Однотонный маслянисто-чёрный цвет морды и яркая синяя надпись на спинке - подделка.


    Как опознать конкретный лютый махровый винтаж:

    https://forum.vegalab.ru/attachment....6&d=1266524167
    Смотрите на STK043.

    https://forum.vegalab.ru/attachment....0&d=1266526095

    Надписи нанесены краской, которую легко смыть или соскрести даже ногтем. Корпус обычно черного маслянистого цвета, как уголь, шероховатый.


    Огромная подборка материалов, включающая информацию о местах приобретения, отличий оригиналов от подделок,редких и "заказных" ОЕМ-ИМС STK серии, фото, ссылки на даташиты и рисунки плат находится в этой ветке, если не полениться ее прочесть.Тут есть 99% ответов на вопросы по STK.

    На сегодняшний момент можно использовать современные серии:

    Одноканальная: STK404-xxx (404-050, 404-070, 404-090, 404-100, 404-120, 404-130, 404-140).
    Двухканальные и многоканальные: STK433-xxx. Подделок не встречал, сведений о таковых нет.
    Важно! 433 серия в непривычном сером корпусе с выштамповкой и надписью Sanyo, вот такая:

    https://forum.vegalab.ru/attachment....4&d=1266525129

    (ширина корпуса и количество ножек варьируется!)

    По статистике, исходя из наблюдения оптимальное соотношение стоимость\мощность согласно efind.ru и прайсам Митинского радиорынка имеют STK404-130, STK404-140
    Введите в строке поиска STK404 и найдете ее фото внутри и снаружи, где купить платы под нее и ее саму,рисунки плат, особенности и обсуждение.
    Также можно купить, по крайней мере, в Москве, самую мощную на данный момент ИМС из линейки 404-ххх: STK404-140. Она продается (напишу позже, забыл номер места), это находится на Митинском радиорынке. Там же можно купить и 404-130. 404-130 также есть на Митинском радиорынке в www.winner-s.ru ,побродив хорошо по рынку можете хоть всю коллекцию 404 серии собрать и сидеть на нее любоваться.

    Если радиорынок или Москва от Вас далеко, поищите, где купить STK вот на этом ресурсе:
    www.efind.ru


    Кроме того, вот список официальных дистрибьюторов On Semiconductors:
    http://www.onsemi.ru.com/PowerSolutions/locateSalesSupport.do

    даташиты на 404 и 433 серию на сайте On Semiconductors:

    http://www.onsemi.ru.com/PowerSolutions/search.do?query=stk4&tabbed=Y&clearFilters=Y&searchType=others&perPage=100

    Прикрепляю файлы:
    Статья по сборке уся на серии 41хх...42хх - stereo18.rar
    Указаны нюансы, как подпаивать регулятор, немного про земли и источник питания и прочее.

    Добавляю старый материал "В питании - сила!" с источником питания для усилителей.

    Эволюция плат моей разработки:

    (в ближайшее время, со схемами и рисунками)

    Все коммерческие вопросы строго в личку.

    апдейт дополню скоро: где купить в Москве 404 и 433 серии выгодней и заведомо аутентичные. А также: причешу галерею, чтобы влезли рисунки плат и схемы с пояснениями.

    ДА, 404-140 В МОСКВЕ НИГДЕ НЕТ В НАЛИЧИИ, САМ ИЩУ.
    Миниатюры Миниатюры Нажмите на изображение для увеличения. 

Название:	STK043 and STK404-070.JPG 
Просмотров:	25608 
Размер:	48.9 Кб 
ID:	77326   Нажмите на изображение для увеличения. 

Название:	STK459_vintage_top.jpg 
Просмотров:	20503 
Размер:	547.3 Кб 
ID:	77332   Нажмите на изображение для увеличения. 

Название:	STK459_vintage_rear.jpg 
Просмотров:	19503 
Размер:	573.9 Кб 
ID:	77333   Нажмите на изображение для увеличения. 

Название:	STK433-070_original.JPG 
Просмотров:	21750 
Размер:	194.8 Кб 
ID:	77334  

    Нажмите на изображение для увеличения. 

Название:	STK1050_vintage_original.JPG 
Просмотров:	15063 
Размер:	263.2 Кб 
ID:	77335   Нажмите на изображение для увеличения. 

Название:	STK404-070_original_ TOP.JPG 
Просмотров:	21343 
Размер:	76.4 Кб 
ID:	77337   Нажмите на изображение для увеличения. 

Название:	STK404-070_original_ REAR.JPG 
Просмотров:	6420 
Размер:	107.5 Кб 
ID:	77338   Нажмите на изображение для увеличения. 

Название:	STK404-070_original_ inside.JPG 
Просмотров:	13362 
Размер:	240.7 Кб 
ID:	77339  

    Нажмите на изображение для увеличения. 

Название:	STK090 - древняя огромная лютая экзотика_естественно_оригинал.jpg 
Просмотров:	17665 
Размер:	56.5 Кб 
ID:	77340   Нажмите на изображение для увеличения. 

Название:	Чип и Дип отжёг_кстати_на фото_все_микры_оригиальные.JPG 
Просмотров:	7858 
Размер:	69.9 Кб 
ID:	77341   Нажмите на изображение для увеличения. 

Название:	STK4132_original.JPG 
Просмотров:	6488 
Размер:	490.1 Кб 
ID:	77342   Нажмите на изображение для увеличения. 

Название:	STK4152_original.JPG 
Просмотров:	17303 
Размер:	261.9 Кб 
ID:	77343  

    Нажмите на изображение для увеличения. 

Название:	STK4152-II_original_top and inside.jpg 
Просмотров:	12073 
Размер:	286.8 Кб 
ID:	77344   Нажмите на изображение для увеличения. 

Название:	Series_mark.jpg 
Просмотров:	8379 
Размер:	72.6 Кб 
ID:	77345  
    Вложения Вложения
    Последний раз редактировалось Black_Panther; 21.06.2016 в 01:58. Причина: Апдейты!
    Моя религия:
    Люблю комфортное, окрашенное приятное звучание.
    STK и дискрет.
    No IRF, no TDA, no class D\T\H.
    DC Servo - must die.
    Мостовой УНЧ - suxx.
    Трансформатора и радиатора много не бывает.
    Импульсные БП - от лукавого.
    За нулями в Кг не гонюсь.

  2. #4101

    По умолчанию Re: Усилители на STK

    Цитата Сообщение от POSAK Посмотреть сообщение
    Odesskin ну по схеме выше мне нужно соеденить 1+2 и 5+6 и подавать на них Vh я правильно понял ?
    Вам нужно подать питание в обход диодов, 1 и 6 идут на транзистор их же и отрезаете, но я контакты не просто отрезал, а накинул их туда же на диоды, просто продублировал вход питания , что бы на печатке легче было развести питание и контакт толще 1-2 5-6
    Все верно на 1-2 и 5-6 вы просто подаете высокое напряжение указанное в pdf по VH

  3. #4102
    Новичок
    Регистрация
    11.08.2009
    Сообщений
    93

    По умолчанию Re: Усилители на STK

    Все понял отпишусь на следующей недели как все сделаю заработало или нет , спасибо!

  4. #4103
    Новичок
    Регистрация
    11.08.2009
    Сообщений
    93

    По умолчанию Re: Усилители на STK

    Все сделал но есть одна проблема радиатор гад такой касается корпуса земли всего центра , как лучше всего поступить сделать ямки на радиаторе? Или можно так оставить?

    ---------- Сообщение добавлено 18:34 ---------- Предыдущее сообщение было 18:33 ----------

    Подрезание ножиком не помогает. Можно ли слюду подложить под подкладку и радиатор ? Заметил не большое потрескивание и фон в одном канале только , завтра опять разберу и подложу подкладу если будет потрескивание и фон не большой то не буду заморачиваться и оставлю как есть . Вообще заметил в некоторых STK есть небольшие потрескивания когда музыка не играет в одном канале не сильно громкие с чем связано интересно причем там подложка и радиатор 100% не звонятся между собой.
    Последний раз редактировалось POSAK; 17.06.2019 в 23:20.

  5. #4104

    По умолчанию Re: Усилители на STK

    Цитата Сообщение от POSAK Посмотреть сообщение
    Все сделал но есть одна проблема радиатор гад такой касается корпуса земли всего центра , как лучше всего поступить сделать ямки на радиаторе? Или можно так оставить?

    ---------- Сообщение добавлено 18:34 ---------- Предыдущее сообщение было 18:33 ----------

    Подрезание ножиком не помогает. Можно ли слюду подложить под подкладку и радиатор ? Заметил не большое потрескивание и фон в одном канале только , завтра опять разберу и подложу подкладу если будет потрескивание и фон не большой то не буду заморачиваться и оставлю как есть . Вообще заметил в некоторых STK есть небольшие потрескивания когда музыка не играет в одном канале не сильно громкие с чем связано интересно причем там подложка и радиатор 100% не звонятся между собой.
    У меня в стк тишина полная, даже шум не слышно, многое зависит от платы и разводки
    А вы как звонили стк? со снятым радиатором с центра? у центра шасси тоже на массе сидит, если оно металлическое
    Последний раз редактировалось Odesskin; 18.06.2019 в 14:39.

  6. #4105
    Новичок
    Регистрация
    11.08.2009
    Сообщений
    93

    По умолчанию Re: Усилители на STK

    Почему из выхода out На колонки идет отрицательное напряжение ? Спалилась микросхема?

  7. #4106
    Старый знакомый
    Регистрация
    19.03.2014
    Адрес
    Красноярск
    Возраст
    46
    Сообщений
    651

    По умолчанию Re: Усилители на STK

    POSAK, ну если обвязка и питалово в поряде, и на входе постоянки нет, то да, микре хана.

  8. #4107
    Новичок
    Регистрация
    11.08.2009
    Сообщений
    93

    По умолчанию Re: Усилители на STK

    Вообщем ребят сгорела микросхема похоже с выходов идет отрицательное напряжение почему то , перед этим я успел послушать около недели . Что могу сказать по поводу качества .

    1 . Как не странно STK 412 серия в классе H звучит намного динамичнее чем в AB . В AB все вяло так медленно но чище прозрачнее но все ровно хуже чем STK 403 серии на мой слух .

    2. Те же STK 403 - 70 (100) звучат намного приятнее не знаю с чем связано .

    3. Транзисторный усилитель "почти" в таком же центре Aiwa t8 ( на STK сделан aiwa TD8) на транзисторах SANKEN звучит намного приятнее натуральнее особенно заметно по ВЧ вообще у STK какие то проблемы с ВЧ они не натуральные какие то... на мой слух.

    Короче сделал вывод что STK в плане звучание далеко не идеал буду дальше искать что послушать . Спасибо всем кто помог сделать МОД 1 раз запорол как обычно поднабрался опыта)

    STK 412 теперь не хочу покупать больше , по звуку не зашла в принципе они почти 1 в 1 что 403 что 412 серия , но в 403 агрессии побольше не такая вялая но только в классе AB , без мода 412 вообще сливает по полной.
    Последний раз редактировалось POSAK; 23.06.2019 в 20:11.

  9. #4108

    По умолчанию Re: Усилители на STK

    Цитата Сообщение от POSAK Посмотреть сообщение
    Вообщем ребят сгорела микросхема похоже с выходов идет отрицательное напряжение почему то , перед этим я успел послушать около недели . Что могу сказать по поводу качества .

    1 . Как не странно STK 412 серия в классе H звучит намного динамичнее чем в AB . В AB все вяло так медленно но чище прозрачнее но все ровно хуже чем STK 403 серии на мой слух .

    2. Те же STK 403 - 70 (100) звучат намного приятнее не знаю с чем связано .

    3. Транзисторный усилитель "почти" в таком же центре Aiwa t8 ( на STK сделан aiwa TD8) на транзисторах SANKEN звучит намного приятнее натуральнее особенно заметно по ВЧ вообще у STK какие то проблемы с ВЧ они не натуральные какие то... на мой слух.

    Короче сделал вывод что STK в плане звучание далеко не идеал буду дальше искать что послушать . Спасибо всем кто помог сделать МОД 1 раз запорол как обычно поднабрался опыта)

    STK 412 теперь не хочу покупать больше , по звуку не зашла в принципе они почти 1 в 1 что 403 что 412 серия , но в 403 агрессии побольше не такая вялая но только в классе AB , без мода 412 вообще сливает по полной.
    Я слушаю уже 4 года Bose® Acoustimass® 5 Series 3. У них очень ровная ачх в СЧ вч они играют до 14-15 тыщ и спад, и мне нравится этот спад, Знаете какой инструменты играет до 12 тыщ? никакой) мы слышим только обертоны... Я когда смотрю фильм то шарахаюсь от любого шороха, так они натуральны.. голос как буд-то рядом человек,а ударные на большой громкости как живые.. и все это играет на 402-120 ну понятно что с качественными комплектующими. Я слушал и дорогие усилки разница не значительна, источник куда важнее.. И никакого желания нет переходить на двух,трех полоски, два ширика делают свое дело очень удачно 412 мне тоже не оч понравились они уже заточены на кричалки.

  10. #4109
    Завсегдатай
    Регистрация
    24.01.2009
    Сообщений
    3,233

    По умолчанию Re: Усилители на STK

    Цитата Сообщение от Odesskin Посмотреть сообщение
    Знаете какой инструменты играет до 12 тыщ? никакой) мы слышим только обертоны...
    Так вот по обертонам мы и определяем, какой инструмент звучит. Если оставить только основной тон - все инструменты будут звучать одинаково.

  11. #4110
    Новичок
    Регистрация
    17.02.2019
    Сообщений
    15

    По умолчанию Re: Усилители на STK

    У товарища усилитель Technics SU-V60 на SVI4004. начал хрипеть один канал. Поэтому попробую спросить у вас. Эту сборку можно разобрать и пропаять(прогреть) в середине или она не разборная? И можно ли её на что-то поменять? И можно ли вместо неё поставить на усиление на транзисторах?Нажмите на изображение для увеличения. 

Название:	Screenshot_1.png 
Просмотров:	290 
Размер:	161.6 Кб 
ID:	349593Нажмите на изображение для увеличения. 

Название:	760298.png 
Просмотров:	299 
Размер:	587.4 Кб 
ID:	349594Нажмите на изображение для увеличения. 

Название:	146538778_119271958.jpg 
Просмотров:	350 
Размер:	73.0 Кб 
ID:	349595

  12. #4111
    Старый знакомый
    Регистрация
    19.03.2014
    Адрес
    Красноярск
    Возраст
    46
    Сообщений
    651

    По умолчанию Re: Усилители на STK

    Yurchik, а откуда инфа что неисправна сама микра?
    Учитывая габариты радиаторов, штука похоже горячая, электролиты, особенно мелочь на плате все проверили. Высохших нет?

  13. #4112
    Новичок
    Регистрация
    17.02.2019
    Сообщений
    15

    По умолчанию Re: Усилители на STK

    Иван555, он завёз на ремонт, сказали, что сборка полетела. Хотя я бы на его месте ещё у других проверил. И такой ещё вопрос: если перед этой сборкой снять сигнал и вывести его наружу, то будет он функционировать как предварительный усилитель с последующим выводом на отдельный оконечник? По деньгам сколько стоит эта сборка, то можно найти неплохой оконечный усилитель.

  14. #4113
    Завсегдатай Аватар для Audio-Video
    Регистрация
    18.03.2013
    Сообщений
    1,758

    По умолчанию Re: Усилители на STK

    Цитата Сообщение от Yurchik Посмотреть сообщение
    Эту сборку можно разобрать и пропаять(прогреть) в середине или она не разборная? И можно ли её на что-то поменять? И можно ли вместо неё поставить на усиление на транзисторах?
    на такое кол-во вопросов - только ОДИН верный ответ - обратитесь с другом к нормальному мастеру - он все сделает.

  15. #4114
    Старый знакомый
    Регистрация
    19.03.2014
    Адрес
    Красноярск
    Возраст
    46
    Сообщений
    651

    По умолчанию Re: Усилители на STK

    Цитата Сообщение от Yurchik Посмотреть сообщение
    если перед этой сборкой снять сигнал и вывести его наружу, то будет он функционировать
    как предварительный усилитель с последующим выводом на отдельный оконечник?
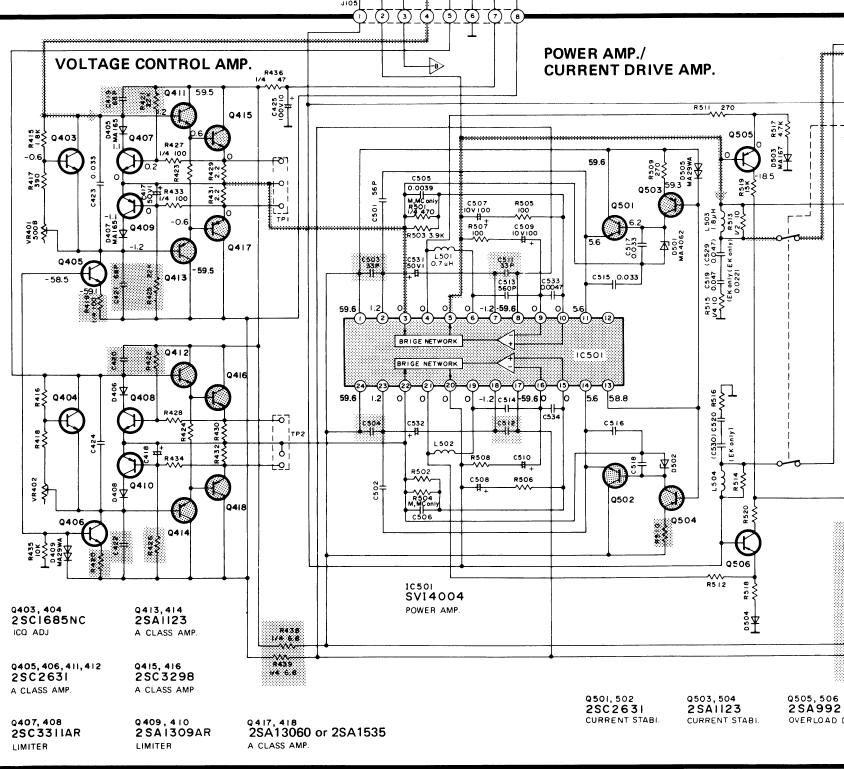
    Судя по питающему напряжению, каскад перед микрой - это усилитель напряжения УМЗЧ. Т.е. это уже часть непосредственно самого усилителя мощности.
    Поэтому сигнал надо брать со входа усилителя напряжения, а не после него. После него амплитуда сигнала слишком большая. Я отметил на рисунке где брать
    сигнал на усилитель. Это на самом входе в эту часть схемы.
    Нажмите на изображение для увеличения. 

Название:	Снимок.PNG 
Просмотров:	238 
Размер:	355.6 Кб 
ID:	349618

  16. #4115
    Новичок
    Регистрация
    17.02.2019
    Сообщений
    15

    По умолчанию Re: Усилители на STK

    Иван555, я понял. Снимать сигнал сразу с выхода платы тонкомпесации, а не с разъёма ТР1 и ТР2.Нажмите на изображение для увеличения. 

Название:	screenshot.jpg 
Просмотров:	240 
Размер:	178.2 Кб 
ID:	349623
    Миниатюры Миниатюры Нажмите на изображение для увеличения. 

Название:	Screenshot_1.png 
Просмотров:	167 
Размер:	161.6 Кб 
ID:	349622  

  17. #4116
    Старый знакомый
    Регистрация
    19.03.2014
    Адрес
    Красноярск
    Возраст
    46
    Сообщений
    651

    По умолчанию Re: Усилители на STK

    Цитата Сообщение от Yurchik Посмотреть сообщение
    Снимать сигнал сразу с выхода платы тонкомпесации
    Чет сдается мне, часть схемы обозначенная как Voltage control amp, это все к усилителю мощности относится. Питание там все еще высокое.
    А вот предыдущая микра питается уже адекватными +-18.8В. C нее я бы и брал. С указанных точек. Разумеется разорвав контакт со схемой после этих точек.
    Нажмите на изображение для увеличения. 

Название:	Снимок.PNG 
Просмотров:	302 
Размер:	258.8 Кб 
ID:	349671

  18. #4117
    Новичок
    Регистрация
    17.02.2019
    Сообщений
    15

    По умолчанию Re: Усилители на STK

    Иван555, понятно. Надо будет проверить. Спасибо.

  19. #4118
    https://dzen.ru/sivolobov
    Автор темы
    Аватар для Black_Panther
    Регистрация
    07.06.2004
    Адрес
    Москва, Бибирево.
    Возраст
    46
    Сообщений
    2,397

    По умолчанию Re: Усилители на STK

    Эххх…

    Давно научился слушать саму музыку, поэтому много лет уже ничего ни с чем не сравниваю, без всяких слепых тестов и выслушивания проводочков и резисторов.

    Свои запасы STK понемногу распродаю авитно и последнюю плату планирую сделать на 405-070, коих у меня 29штук сервисных (SONY ORIGINAL PARTS). Они чистый B класс, Ватт по 40 на 8 Омах. Ну а 404-ххх заниматься буду, пока есть спрос на них и платы с ними.

    Собственно, мой Sherwood AX5505 покрылся мхом, слушаю себе ламповый двухтактный Art Audio Lab m.15 на 6П3С и мне норм.

    Даже на своих синтезаторах предпочитаю пытаться музицировать через лампу.

    Ну и на ламповые преды и буферы многих из круга общения подсадил.

    Да, олампился, но на Аудиопортал не пойду.

    Ну а к STK тоже скажу ламповый буфер не повредит, хотя...вкусовщина.

    Не слушайте меня, я собрался себе на полном серьёзе прикупить эквалайзер Technics SH-GE90 и центр Aiwa NSX-999, я потерян для общества
    Моя религия:
    Люблю комфортное, окрашенное приятное звучание.
    STK и дискрет.
    No IRF, no TDA, no class D\T\H.
    DC Servo - must die.
    Мостовой УНЧ - suxx.
    Трансформатора и радиатора много не бывает.
    Импульсные БП - от лукавого.
    За нулями в Кг не гонюсь.

  20. #4119
    Старый знакомый
    Регистрация
    19.03.2014
    Адрес
    Красноярск
    Возраст
    46
    Сообщений
    651

    По умолчанию Re: Усилители на STK

    Цитата Сообщение от Black_Panther Посмотреть сообщение
    чистый B класс
    Это же фигня.
    В годится только для концертных оралок или сабов. Ступенька на малых сигналах и все такое.

  21. #4120
    https://dzen.ru/sivolobov
    Автор темы
    Аватар для Black_Panther
    Регистрация
    07.06.2004
    Адрес
    Москва, Бибирево.
    Возраст
    46
    Сообщений
    2,397

    По умолчанию Re: Усилители на STK

    Цитата Сообщение от Иван555 Посмотреть сообщение
    В годится только для концертных оралок или сабов. Ступенька на малых сигналах и все такое.
    А Вы на досуге заезжайте в Солсбери, на Naim Audio, да и расскажите им там про это всё, а то бедные англичане c 69 года не в курсе, всё клепают себе класс В да клепают...

    Ну и на Quad тоже можно заскочить
    Моя религия:
    Люблю комфортное, окрашенное приятное звучание.
    STK и дискрет.
    No IRF, no TDA, no class D\T\H.
    DC Servo - must die.
    Мостовой УНЧ - suxx.
    Трансформатора и радиатора много не бывает.
    Импульсные БП - от лукавого.
    За нулями в Кг не гонюсь.

Страница 206 из 227 Первая ... 196204205206207208216 ... Последняя

Социальные закладки

Социальные закладки

Ваши права

  • Вы не можете создавать новые темы
  • Вы не можете отвечать в темах
  • Вы не можете прикреплять вложения
  • Вы не можете редактировать свои сообщения
  •