Страница 2 из 3 Первая 123 Последняя
Показано с 21 по 40 из 43

Тема: Проект выходного дня. Просто. На коленке

  1. #1 Показать/скрыть первое сообщение.
    Старый знакомый
    Автор темы
    Аватар для Konstantin Kuzmenko
    Регистрация
    21.06.2006
    Адрес
    Ukraine
    Возраст
    49
    Сообщений
    697

    По умолчанию Проект выходного дня. Просто. На коленке

    Давненько я не собирал ничего из аудио области. Наткнулся на старую кассетницу с IRF630/9630,240/9420. Так и не вспомнил, зачем оно было куплено когда- то
    Зато чуток погуглив нашел интересную идею простенького УМ. В раздел "для новичков" выкладывать не стал - там лучше всякие TDA2030 предлагать.
    Итак, идея: под имеющееся питание +/-22В собрать что-нить малогабаритное с мощностью 10-20 Вт/4 Ом. Куда уж проще? Вот, выкладываю.
    Схема проста как лапоть, минимум компонентов и габаритов.
    Если кто набросает pcb под эту фитюльку - буду оч. признателен, сам смогу нарисовать не скоро.
    Нажмите на изображение для увеличения. 

Название:	20w-MOSFET-amplifier.gif 
Просмотров:	2861 
Размер:	100.1 Кб 
ID:	232208
    PS кстати, TDA2030/LM1875 может и переиграет эту схему, хз. Иногда от такой простоты получается интересный звук/результат...
    PPS T2 - термодатчик, на общий радиатор

  2. #21

    По умолчанию Re: Проект выходного дня. Просто. На коленке

    Простой усь на LM1875
    Миниатюры Миниатюры Нажмите на изображение для увеличения. 

Название:	ad178a0def8c.gif 
Просмотров:	1048 
Размер:	49.3 Кб 
ID:	232424  

  3. #22
    Старый знакомый
    Автор темы
    Аватар для Konstantin Kuzmenko
    Регистрация
    21.06.2006
    Адрес
    Ukraine
    Возраст
    49
    Сообщений
    697

    По умолчанию Re: Проект выходного дня. Просто. На коленке

    Цитата Сообщение от ИгорьМ Посмотреть сообщение
    Простой усь на LM1875
    Удвоитель выходного тока на зеркалах выглядит интересным и стабильным, для умощнения мощных ОУ вроде неплох.. но на кой там буферный ОУ на входе, ведь в нем нет никакой необходимости

  4. #23
    Завсегдатай Аватар для .Васильев
    Регистрация
    04.04.2007
    Адрес
    новгородская обл Пестово на Мологе
    Сообщений
    10,818

    По умолчанию Re: Проект выходного дня. Просто. На коленке

    Ну интегратор никого не удивляет,не считают лишним .
    С уважением Максим.

  5. #24
    Забанен (навсегда)
    Регистрация
    06.04.2012
    Адрес
    Москва
    Возраст
    65
    Сообщений
    849

    По умолчанию Re: Проект выходного дня. Просто. На коленке

    Цитата Сообщение от ИгорьМ Посмотреть сообщение
    Простой усь
    интересна идея - Усь в инверте
    вот только проводимость транзисторов напутана - сорри (привык когда плюс сверху схемы)
    подобный без буфера и ГТ в ВК делал на ТДА и Тошиба в раскачку ВК - очень не плохо разгружает мощный ОУ
    Последний раз редактировалось lazertok; 04.04.2015 в 12:10.

  6. #25
    Завсегдатай Аватар для .Васильев
    Регистрация
    04.04.2007
    Адрес
    новгородская обл Пестово на Мологе
    Сообщений
    10,818

    По умолчанию Re: Проект выходного дня. Просто. На коленке

    Цитата Сообщение от lazertok Посмотреть сообщение
    интересна идея - Усь в инверте
    вот только проводимость верхнего плеча напутана
    подобный без буфера и ГТ в ВК делал на ТДА и Тошиба в раскачку ВК - очень не плохо разгружает мощный ОУ
    Ничего не напутано.Ничего. Разве а неинвертирующем включении оу невозможна параллельная ООС ?И в инвертируюшем включении оу неральна последовательная ООС.
    С уважением Максим.

  7. #26
    Частый гость Аватар для Romych
    Регистрация
    29.01.2006
    Адрес
    Эстония
    Сообщений
    450

    По умолчанию Re: Проект выходного дня. Просто. На коленке

    Цитата Сообщение от lazertok Посмотреть сообщение
    интересна идея - Усь в инверте
    вот только проводимость транзисторов напутана
    С проводимостью все в порядке, просто схема непривычно нарисована (положительное питание снизу, а отрицательное сверху).

  8. #27
    Новичок Аватар для Welcome61
    Регистрация
    20.03.2006
    Адрес
    Оренбург
    Сообщений
    56

    По умолчанию Re: Проект выходного дня. Просто. На коленке

    Решил спросить в этой теме.
    Увидел такую схему. Нажмите на изображение для увеличения. 

Название:	p.png 
Просмотров:	1066 
Размер:	735.2 Кб 
ID:	233710
    Отзывов не нашел. Может плохо искал?

  9. #28
    Старый знакомый
    Автор темы
    Аватар для Konstantin Kuzmenko
    Регистрация
    21.06.2006
    Адрес
    Ukraine
    Возраст
    49
    Сообщений
    697

    По умолчанию Re: Проект выходного дня. Просто. На коленке

    Welcome61, вот тебе оно же, но слегка упрощенное, да еще и с привитой фичей "супер-А"
    Вложение 233718
    Еще подумал... выкидываем нафиг транзистор термостабилизирующий (он тут уже не нужен, ООС по току снимаем с коллекторных резисторов выходников), заменяем его на межбазовый резистор ~100-150 Ом. И мне так кажется, обе цепочки из 2-ух диодов вовсе необязательно будет ставить на общий с оконечниками радиатор. Красота!

  10. #29
    Новичок Аватар для Welcome61
    Регистрация
    20.03.2006
    Адрес
    Оренбург
    Сообщений
    56

    По умолчанию Re: Проект выходного дня. Просто. На коленке

    Цитата Сообщение от Konstantin Kuzmenko Посмотреть сообщение
    Вложение 233718
    ???

  11. #30
    Частый гость Аватар для stanislau
    Регистрация
    01.02.2010
    Сообщений
    477

    По умолчанию Re: Проект выходного дня. Просто. На коленке

    Увидел такую схему.
    А на самом деле,кто, что думает про этот усилитель?Нужен простой,20-30Вт.Для этого все детали есть.Может здесь есть автор схемы?

  12. #31
    Завсегдатай
    Регистрация
    28.12.2012
    Адрес
    Москва
    Сообщений
    4,089

    По умолчанию Re: Проект выходного дня. Просто. На коленке

    Цитата Сообщение от Konstantin Kuzmenko Посмотреть сообщение
    Вложение 233718
    потрясно
    Вложение не существует или не указан идентификатор (номер). Если вы уверены, что использовали правильную ссылку, свяжитесь с администрацией
    А по описанию, заинтересовало.... ЭА и все такое

  13. #32
    Старый знакомый
    Автор темы
    Аватар для Konstantin Kuzmenko
    Регистрация
    21.06.2006
    Адрес
    Ukraine
    Возраст
    49
    Сообщений
    697

    По умолчанию Re: Проект выходного дня. Просто. На коленке

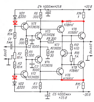
    Счас еще раз пробую.. Нажмите на изображение для увеличения. 

Название:	что-то.png 
Просмотров:	696 
Размер:	75.5 Кб 
ID:	233743

    ---------- Сообщение добавлено 07.35 ---------- Предыдущее сообщение было 06.58 ----------

    Была минутка, дорисовал чуток. подумать на тему германия, шоттки и можно в серию пускать )))
    Нажмите на изображение для увеличения. 

Название:	что-то.png 
Просмотров:	778 
Размер:	76.5 Кб 
ID:	233744

  14. #33
    Старый знакомый
    Регистрация
    11.05.2009
    Адрес
    Казань
    Возраст
    57
    Сообщений
    516

    По умолчанию Re: Проект выходного дня. Просто. На коленке

    А как без термо стабилизации?

  15. #34
    Новичок Аватар для Welcome61
    Регистрация
    20.03.2006
    Адрес
    Оренбург
    Сообщений
    56

    По умолчанию Re: Проект выходного дня. Просто. На коленке

    Цитата Сообщение от Welcome61 Посмотреть сообщение
    Увидел такую схему.
    Григорьев.CIR
    Пытался просимулировать в МС10, не получилось. Нажмите на изображение для увеличения. 

Название:	Снимок.PNG 
Просмотров:	543 
Размер:	21.7 Кб 
ID:	233782
    Последний раз редактировалось Welcome61; 08.04.2015 в 18:47.

  16. #35
    Завсегдатай
    Регистрация
    28.12.2012
    Адрес
    Москва
    Сообщений
    4,089

    По умолчанию Re: Проект выходного дня. Просто. На коленке

    а что не так? у меня МС8, пишет не буду открывать (((

    там С11 случаем не 1000 Фарад ?

  17. #36
    Старый знакомый Аватар для Анатоль
    Регистрация
    02.04.2006
    Адрес
    Санкт-Петербург
    Сообщений
    837

    По умолчанию Re: Проект выходного дня. Просто. На коленке

    Цитата Сообщение от alexcryke Посмотреть сообщение
    там С11 случаем не 1000 Фарад ?
    да
    MC10
    Не ошибается тот, кто ничего не делает и ошибается тот, кто ничего не делает

  18. #37
    Частый гость Аватар для PA-qa7
    Регистрация
    13.01.2012
    Сообщений
    234

    По умолчанию Re: Проект выходного дня. Просто. На коленке

    На коленке это вот:
    Нажмите на изображение для увеличения. 

Название:	15b.jpg 
Просмотров:	773 
Размер:	127.0 Кб 
ID:	233825Нажмите на изображение для увеличения. 

Название:	10.jpg 
Просмотров:	697 
Размер:	132.1 Кб 
ID:	233827 Нажмите на изображение для увеличения. 

Название:	16b.jpg 
Просмотров:	688 
Размер:	124.2 Кб 
ID:	233828
    А у вас весь день на коленях простоишь
    Последний раз редактировалось PA-qa7; 09.04.2015 в 11:44.

  19. #38
    Старый знакомый
    Регистрация
    11.05.2009
    Адрес
    Казань
    Возраст
    57
    Сообщений
    516

    По умолчанию Re: Проект выходного дня. Просто. На коленке

    Жалко, там тема закрыта. Годится под описание темы.
    https://forum.vegalab.ru/showthread.php?p=1817937

  20. #39
    Старый знакомый
    Автор темы
    Аватар для Konstantin Kuzmenko
    Регистрация
    21.06.2006
    Адрес
    Ukraine
    Возраст
    49
    Сообщений
    697

    По умолчанию Re: Проект выходного дня. Просто. На коленке

    Цитата Сообщение от SaMaHa Посмотреть сообщение
    А как без термо стабилизации?
    там https://forum.vegalab.ru/showthread....=1#post2037916 со стабилизацией все хорошо - ОООС по току снимается с резисторов, стоящих в коллекторах оконечников. Достаточно задающие резиторы не ставить на горячий радиатор оконечников и все ок.

  21. #40
    Старый знакомый
    Регистрация
    11.05.2009
    Адрес
    Казань
    Возраст
    57
    Сообщений
    516

    По умолчанию Re: Проект выходного дня. Просто. На коленке

    Тогда надо попробовать смакетировать.

Страница 2 из 3 Первая 123 Последняя

Социальные закладки

Социальные закладки

Ваши права

  • Вы не можете создавать новые темы
  • Вы не можете отвечать в темах
  • Вы не можете прикреплять вложения
  • Вы не можете редактировать свои сообщения
  •