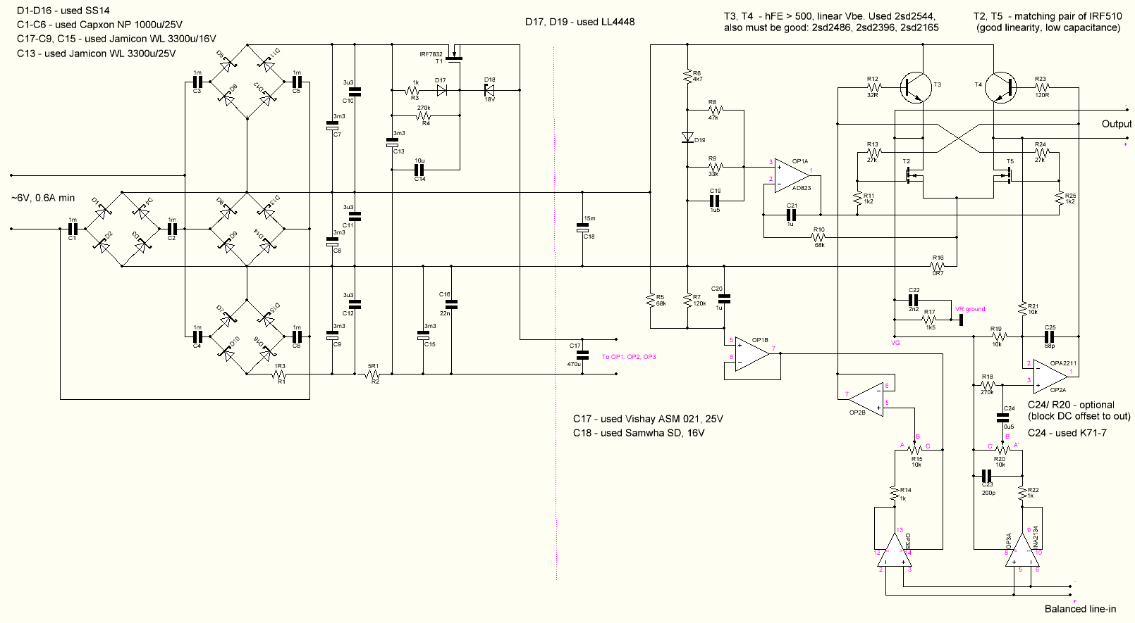
Раз уж зарегался то кину свою схемку и здесь.
Основная фишка - ассиметрично-мостовая схема выхода, в которой одно плечо является виртуальной землей для другого. На входе стоят балансные преобразователи INA2134, с помощью которых эта виртуальная земля и превращается в сигнальную землю второго плеча. На выходе - повторители на транзисторах с высокой беттой, нагруженных на полевики. Этот финт позволил мостовому усилителю состоящему из двух однотактов в классе А иметь спадающий спектр искажений, характерный для одинарных однотактных схем (без преобладания в спектре нечетных гармоник).
Полевики управляются сигналом с противоположного плеча, таким образом (при выборе полевиков с линейном режимом) общий ток выхлопа усилителя практически константен, независя от нагрузки. Общий ток корректируется выделенным ОУ и составляет 360мА/канал при напряжении питания плеча 7В (столько получается после выпрямителя под нагрузкой от 6ивильтового трансформатора (TL48D-060-0833, 2*6V, 833mA). Это позволило поднять энерго эффективность усилителя и развязаться от частотных особенностей конденсаторов фильтра БП. Полевики требуют подбора по характеристике и должны сидеть рядышком на общем радиаторе.
Усилитель имеет два независимых канала усиления с раздельным питанием (иначе невозможно было бы подключать 3х-проводные наушники). Питание для ОУ формируется утроителем и составляет после фильтрации около 19В.
Схема:
Старый вариант:
Новый вариант (от 21 июня):
Результаты теста в RMAA (с использованием звуковухи EMU0404 USB):
![]()
кстати цифры имеют тот же порядок что звуковуха в режиме loopback*а. То есть уровень искажений - на грани погрешности измерения.
скрины меандра при различных нагрузках:
а так же скрин падения напряжения на токозадающем резисторе, свидетельствующий что размах колебаний общего тока, потребляемого выхлопом, составляеет всего около 1мА при размахе сигнала в 4Vpk на 68Омной нагрузке:
А еще вот моделька для 13го мультисима:
befrost_final.zip





Социальные закладки