Существует мнение, что если усилитель воспроизводит синусоидальный сигнал частотой 25 Гц (половина частоты питающей сети), то при этом сердечник трансформатора подмагничивается постоянным током. Общение на радиолюбительских форумах показало, что все сводится (я немного упрощаю) к двум позициям:
1. Постоянка присутствует исключительно в схеме выпрямителя со средней точкой:
Если же у трансформатора две вторички, каждая из которых имеет свой выпрямитель:
то никакого подмагничивания не случится.
2. Применять тороидальные трансформаторы опасно, т.к. из-за отсутствия зазора в сердечнике подмагничивание сказывается на них очень сильно. Поэтому мощность трансформатора надо выбирать раза в два больше, чем нужно.
Я встретился с подмагничиванием в статье Константина Никитина «Электропитание аудиоаппаратуры: мифы и реальность», опубликованной в журнале «Аудио Магазин» №1 за 1998 год. Меня эта информация тогда сильно не зацепила – уж очень маловероятно, что в реальном музыкальном сигнале встретилась составляющая точь-в-точь частотой 25 Гц с большой амплитудой и длительностью.
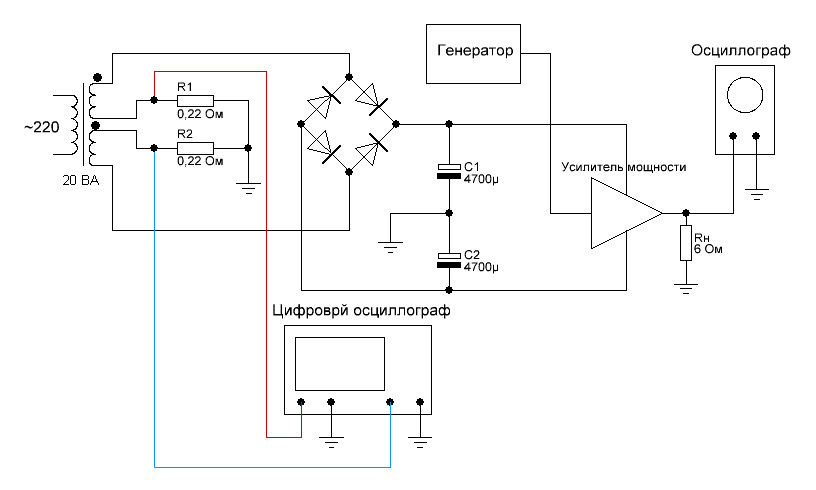
Однако недавно я заинтересовался этим вопросом и довольно быстро выяснил, что у всех этих мнений единственный первоисточник – вышеупомянутая статья. Других публикаций на эту тему я не нашел. Я проанализировал работу трансформатора в таком режиме (теоретически и экспериментально), но несколько сомневался в своих результатах. Поэтому я связался с автором статьи Константином Никитиным, доктором технических наук, профессором, заведующим кафедрой Силовой электроники в Санкт-Петербургском государственном университете телекоммуникаций им. Бонч-Бруевича по электронной почте. И получил полное одобрение следующих «пяти положений о подмагничивании»:
1. При усилении синусоидального сигнала частотой 25 Гц возникает подмагничивание сердечника трансформатора постоянным током, вызывающим насыщение сердечника. Физическая причина подмагничивания при работе выпрямительно-трансформаторной схемы на усилитель проста: усилитель потребляет не постоянный ток, а сигнал с частотой, равной удвоенной частоте усиления. Следовательно, вполне возможны ситуации, когда условия работы трансформатора от периода к периоду сетевой частоты будут существенно разниться. Так как в штатной ситуации трансформатор подводится к насыщению исключительно током холостого хода (рабочие токи обмоток создают равные и противоположные потоки), то достаточно минимального, соизмеримого с током холостого хода (в пересчете на первичную обмотку), тока подмагничивания – и авария обеспечена.
2. Такое подмагничивание характерно для усилителей, выходной каскад которых работает в классе В или АВ и отсутствует у усилителей, выходной каскад которых работает в классе А.
3. На практике частота сигнала не обязательно должна быть именно 25 Гц – трансформатору для насыщения хватает и не нулевой (но достаточно малой) частоты подмагничивания.
4. Подмагничивание происходит как в схеме выпрямителя со средней точкой и одним общим диодным мостом, так и в схеме с отдельными обмотками трансформатора и отдельными мостами в каждом плече. С точки зрения подмагничивания схемы не эквивалентны, но оно есть везде.
5. В силу того, что в реальном звуковом сигнале составляющие «критических» частот имеют малую амплитуду и продолжительность, указанная опасность невелика, но вот на спецсигналах может быть спровоцирована ситуация, когда всё будет плохо.
Теперь по поводу тороидальных трансформаторов. Мощность трансформатора никак не связана с сопротивляемостью подмагничиванию, поэтому увеличение мощности практически ничего не даст. Как и величина сопротивления обмоток. Отсутствие зазора в сердечнике ситуацию ухудшает, но не так сильно, как обычно считают – в броневых и стержневых трансформаторах зазор достаточно мал, и в реальности разница между таким маленьким зазором и его полным отсутствием малозаметна.
Гораздо лучшие результаты дает снижение рабочей индукции трансформатора, правда это тоже не выход.
Но на самом деле со всем этим можно не заморачиваться – на реальном сигнале если подмагничивание и произойдет, то несильно и кратковременно, так что ничего плохого не случится. Так же, как и кратковременное наличие частоты 25 Гц при тестировании колонок свип-синусом.
Подробнее см. Подмагничивание сердечника трансформатора постоянным током




Социальные закладки