Страница 2 из 3 Первая 123 Последняя
Показано с 21 по 40 из 44

Тема: Альтернатива Никитинскому регулятору

  1. #1 Показать/скрыть первое сообщение.
    Частый гость
    Автор темы
    Аватар для levgy
    Регистрация
    18.02.2006
    Возраст
    55
    Сообщений
    327

    По умолчанию Альтернатива Никитинскому регулятору

    Придумал такую штуку. После регулятора всё равно опер ставить (например перед LMкой, особенно если она в инверте), а тут уже опер прикручен. При 6 контактах и этих номиналах максимальное ослабление почти 46Дб и 64 уровня регулировки. Контактов меньше. Если использовать в качестве ключей полевые ключи то они своей ёмкостью ещё и фильтр создадут от высоких частот. Я примерял КР293КП1А (откр R=5ом закр С=120пф вроде так). Так как ключи прикручены к земле они будут иметь очень малую нелинейность и потери контакта как на реле от раза к разу у них не будет. На осце зависимость регулировки. Поругайте
    Миниатюры Миниатюры Нажмите на изображение для увеличения. 

Название:	рег гр 01.GIF 
Просмотров:	2255 
Размер:	26.6 Кб 
ID:	57750  

  2. #21
    Частый гость
    Регистрация
    23.12.2008
    Сообщений
    151

    По умолчанию Re: Альтернатива Никитинскому регулятору

    То есть Вы настраивали на симуляторе методом тыка. Нормальный метод, сам часто пользуюсь. Но Вы конечно понимаете, что выгнутая вниз кривая не значит логарифмическая. Например, если возникнет желание сделать цифровую индикацию ослабления( что с Никитинским регулятором элементарно), то Ваш регулятор будет врать. Весь вопрос насколько. Если 1дБ - не страшно, но надо уметь заранее высчитывать номиналы исходя из диапазона и допустимой погрешности. Математический аппарат нужен, так сказать.

  3. #22
    Частый гость
    Автор темы
    Аватар для levgy
    Регистрация
    18.02.2006
    Возраст
    55
    Сообщений
    327

    По умолчанию Re: Альтернатива Никитинскому регулятору

    Yurasvs, Ну конечно от логарифмического отличается, но для регулирования громкости это не важно. Точное соответствие логарифмическому закону важно на измерительных приборах, а для слуха главное чтобы более менее плавно регулировалась громкость и для понта циферки высвечивались. Например на обычной аппаратуре циферки от "0" до "100" и никто не беспокоится что это не от 0дб до 100дб

    Добавлено через 2 минуты
    Иногда "метод тыка" очень действенный, если не единственно возможный.
    Последний раз редактировалось levgy; 22.07.2009 в 19:01. Причина: Добавлено сообщение

  4. #23
    Не хочу! Аватар для Alex
    Регистрация
    20.03.2003
    Адрес
    Worldwide
    Возраст
    63
    Сообщений
    39,105

    По умолчанию Re: Альтернатива Никитинскому регулятору

    Цитата Сообщение от levgy Посмотреть сообщение
    Alex, а в обычном не инвертирующем включении опер разве не с вычитанием работает.
    ОУ всегда "с вычитанием" работает, ибо усиливает разность сигналов на своих входах.
    "Замполит, чайку?"(с)"Охота за Красным Октябрем".
    "Да мне-то что, меняйтесь!"(с)анек.
    <-- http://altor1.narod.ru --> Вопросы - в личку, е-мейл, скайп.

  5. #24
    Завсегдатай Аватар для Nick
    Регистрация
    28.03.2005
    Адрес
    NY, USA
    Возраст
    48
    Сообщений
    3,606

    По умолчанию Re: Альтернатива Никитинскому регулятору

    Цитата Сообщение от levgy Посмотреть сообщение
    На осце зависимость регулировки. Поругайте
    Проблемы могут быть с точностью, на малых уровнях. Я бы советовал посчитать.
    Истина где-то там...

  6. #25
    Частый гость
    Автор темы
    Аватар для levgy
    Регистрация
    18.02.2006
    Возраст
    55
    Сообщений
    327

    По умолчанию Re: Альтернатива Никитинскому регулятору

    Nick Провёл эксперимент: погрел обычный ширпотребовский 0,125вт 1к резистор над паяльником до тёплого состояния, сопротивление изменилось на 1тыс. т е стало 1,001. При таком изменении симулятор показал изменение на минимальной ступени регулировки громкости на 0,57дб. На второй уже в полтора раза меньше изменение. Но если оба входных резистора расположить рядом (что и будет), нагревание их будет одинаковым и изменений не практически не будет, симулятор в этом случае показал разницу в 0,01дб на минимальной громкости, на остальных ступенях соответственно ещё меньше.

    Добавлено через 3 минуты
    Alex
    -Нет, у тебя опер вычитание делает.
    -а в обычном не инвертирующем включении опер разве не с вычитанием работает.
    -ОУ всегда "с вычитанием" работает, ибо усиливает разность сигналов на своих входах.

    Ну и в чем тогда проблема
    Последний раз редактировалось levgy; 23.07.2009 в 12:58. Причина: Добавлено сообщение

  7. #26
    Завсегдатай Аватар для Nick
    Регистрация
    28.03.2005
    Адрес
    NY, USA
    Возраст
    48
    Сообщений
    3,606

    По умолчанию Re: Альтернатива Никитинскому регулятору

    Цитата Сообщение от levgy Посмотреть сообщение
    Nick Провёл эксперимент: погрел обычный ширпотребовский 0,125вт 1к резистор над паяльником до тёплого состояния, сопротивление изменилось на 1тыс. т е стало 1,001. При таком изменении симулятор показал изменение на минимальной ступени регулировки громкости на 0,57дб. На второй уже в полтора раза меньше изменение.
    Я имел ввиду разбаланс между каналами, при использовании например 0.1%.
    Последний раз редактировалось Nick; 24.07.2009 в 11:45.
    Истина где-то там...

  8. #27
    Частый гость
    Автор темы
    Аватар для levgy
    Регистрация
    18.02.2006
    Возраст
    55
    Сообщений
    327

    По умолчанию Re: Альтернатива Никитинскому регулятору

    0,1% как раз и есть то что я привёл->0.57дб, но резисторы можно ведь в пары подобрать и никакого разбаланса не будет

  9. #28

    По умолчанию Re: Альтернатива Никитинскому регулятору

    Разница в 0,1% дает: 20*Log(1,001) = 0,0087дб.

  10. #29
    Не хочу! Аватар для Alex
    Регистрация
    20.03.2003
    Адрес
    Worldwide
    Возраст
    63
    Сообщений
    39,105

    По умолчанию Re: Альтернатива Никитинскому регулятору

    Цитата Сообщение от levgy Посмотреть сообщение
    Ну и в чем тогда проблема
    В наличии ещеодного каскада усиления, а тем более опера.
    Я например, вовсе не горю желанием ставить еще один (хватит и тех что с ЦАПе на выходе стоят).
    "Замполит, чайку?"(с)"Охота за Красным Октябрем".
    "Да мне-то что, меняйтесь!"(с)анек.
    <-- http://altor1.narod.ru --> Вопросы - в личку, е-мейл, скайп.

  11. #30
    Частый гость
    Автор темы
    Аватар для levgy
    Регистрация
    18.02.2006
    Возраст
    55
    Сообщений
    327

    По умолчанию Re: Альтернатива Никитинскому регулятору

    gross Провёл эксперимент: погрел обычный ширпотребовский 0,125вт 1к резистор над паяльником до тёплого состояния, сопротивление изменилось, из 1к стало 1,001к - это 0,1% от 1к. При таком изменении входного резистора симулятор показал изменение на минимальной ступени регулировки громкости на 0,57дб - было -45,58дб стало -46,15дб. На второй ступени изменение уже в полтора раза меньше.

    Добавлено через 3 минуты
    Alex а с выхода ЦАПового опера прямо на усилитель мощности у тебя идёт (рег. гр. не всчёт), наверно чего-нибудь ещё есть в промежутке
    Последний раз редактировалось levgy; 30.07.2009 в 13:23. Причина: Добавлено сообщение

  12. #31
    Завсегдатай Аватар для dekko
    Регистрация
    05.04.2006
    Сообщений
    6,013

    По умолчанию Re: Альтернатива Никитинскому регулятору


    Offтопик:
    самый короткий,чисто аудиофильский тракт у патефона...

  13. #32
    Частый гость
    Автор темы
    Аватар для levgy
    Регистрация
    18.02.2006
    Возраст
    55
    Сообщений
    327

    По умолчанию Re: Альтернатива Никитинскому регулятору

    Ещё плюс данной схемы по сравнению с Никитинским: Все контакты используются только при максимальном ослаблении сигнала, с увеличением громкости количество задействованных контактов уменьшается и при максимальной громкости все контакты разомкнуты и на сигнал не влияют. В Никитинском сигнал всегда идёт через все контакты.

    Присоветуйте опер в эту схему.
    Резисторы подключенные к минусовому входу опера можно умножить на 10 (получим 10к и 5к соответственно)

  14. #33
    Не хочу! Аватар для Alex
    Регистрация
    20.03.2003
    Адрес
    Worldwide
    Возраст
    63
    Сообщений
    39,105

    По умолчанию Re: Альтернатива Никитинскому регулятору

    Цитата Сообщение от levgy Посмотреть сообщение
    Alex а с выхода ЦАПового опера прямо на усилитель мощности у тебя идёт (рег. гр. не всчёт), наверно чего-нибудь ещё есть в промежутке
    В каком "промежутке"?
    Ничего у меня там нет, зачем ? С ЦАПа плеера идет на рег.гр, с него на первый каскад усилителя, с него - на второй, со второго - на колонки....
    Более чем 2-х каскадные усилителя я редко делаю.
    "Замполит, чайку?"(с)"Охота за Красным Октябрем".
    "Да мне-то что, меняйтесь!"(с)анек.
    <-- http://altor1.narod.ru --> Вопросы - в личку, е-мейл, скайп.

  15. #34
    Частый гость
    Автор темы
    Аватар для levgy
    Регистрация
    18.02.2006
    Возраст
    55
    Сообщений
    327

    По умолчанию Re: Альтернатива Никитинскому регулятору

    Ну у меня пока LMка в инверте, входное 1к, перед ней всё равно нужен какой-нибудь каскад, вот и будет опер с регулятором громкости.
    Опер присоветуй для этой схемы.

  16. #35
    Частый гость Аватар для Gishu
    Регистрация
    21.03.2005
    Возраст
    52
    Сообщений
    193

    По умолчанию Re: Альтернатива Никитинскому регулятору

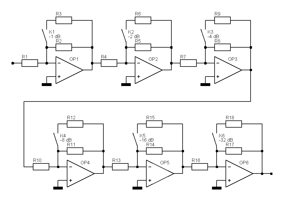
    Вот вариант совсем не аудиофильский, но для измерительной техники децибеллы регулировать будет точно (конечно, с учетом идеальности операционников). Номиналы резисторов кому надо посчитает
    Миниатюры Миниатюры Нажмите на изображение для увеличения. 

Название:	dbell.png 
Просмотров:	332 
Размер:	5.0 Кб 
ID:	58626  

  17. #36
    Не хочу! Аватар для Alex
    Регистрация
    20.03.2003
    Адрес
    Worldwide
    Возраст
    63
    Сообщений
    39,105

    По умолчанию Re: Альтернатива Никитинскому регулятору

    Цитата Сообщение от levgy Посмотреть сообщение
    Ну у меня пока LMка в инверте, входное 1к, перед ней всё равно нужен какой-нибудь каскад, вот и будет опер с регулятором громкости.
    Для ЛМки, никитинский регулятор громкости - слишком жирно будет...



    Цитата Сообщение от levgy Посмотреть сообщение
    Опер присоветуй для этой схемы.
    АД8099
    "Замполит, чайку?"(с)"Охота за Красным Октябрем".
    "Да мне-то что, меняйтесь!"(с)анек.
    <-- http://altor1.narod.ru --> Вопросы - в личку, е-мейл, скайп.

  18. #37
    Частый гость
    Автор темы
    Аватар для levgy
    Регистрация
    18.02.2006
    Возраст
    55
    Сообщений
    327

    По умолчанию Re: Альтернатива Никитинскому регулятору

    -Для ЛМки, никитинский регулятор громкости - слишком жирно будет...
    Вот я и буду по своей схеме делать.

    Gishu Наподобе схему я уже рисовал, только контакты были не в ООС а на входах, её наверно даже к tda2005 не поставить, на куче оперов искажухи наберётся целая куча

  19. #38
    Частый гость Аватар для Gishu
    Регистрация
    21.03.2005
    Возраст
    52
    Сообщений
    193

    По умолчанию Re: Альтернатива Никитинскому регулятору

    Цитата Сообщение от levgy Посмотреть сообщение
    её наверно даже к tda2005 не поставить, на куче оперов искажухи наберётся целая куча
    ну да, согласен.

  20. #39
    Не хочу! Аватар для Alex
    Регистрация
    20.03.2003
    Адрес
    Worldwide
    Возраст
    63
    Сообщений
    39,105

    По умолчанию Re: Альтернатива Никитинскому регулятору

    Цитата Сообщение от levgy Посмотреть сообщение
    -Для ЛМки, никитинский регулятор громкости - слишком жирно будет...
    Вот я и буду по своей схеме делать.
    Дак и твой- тоже жирно.
    Если конечно, не ставить 293КП1 - с ними мне уже ЛМ-ку жалко


    ЛМке хватит обычного потенциометра с головой. ДАже PGA2310 - для нее уже небольшой оверкилл.
    "Замполит, чайку?"(с)"Охота за Красным Октябрем".
    "Да мне-то что, меняйтесь!"(с)анек.
    <-- http://altor1.narod.ru --> Вопросы - в личку, е-мейл, скайп.

  21. #40
    Завсегдатай Аватар для dekko
    Регистрация
    05.04.2006
    Сообщений
    6,013

    По умолчанию Re: Альтернатива Никитинскому регулятору

    Цитата Сообщение от Alex Посмотреть сообщение
    ЛМке хватит обычного потенциометра с головой
    а если разница слышна? и не в пользу потенциометра? искать круче потенциометр или на релюшках собрать?

Страница 2 из 3 Первая 123 Последняя

Социальные закладки

Социальные закладки

Ваши права

  • Вы не можете создавать новые темы
  • Вы не можете отвечать в темах
  • Вы не можете прикреплять вложения
  • Вы не можете редактировать свои сообщения
  •