Страница 175 из 227 Первая ... 165173174175176177185 ... Последняя
Показано с 3,481 по 3,500 из 4525

Тема: Усилители на STK

  1. #1 Показать/скрыть первое сообщение.
    https://dzen.ru/sivolobov
    Автор темы
    Аватар для Black_Panther
    Регистрация
    07.06.2004
    Адрес
    Москва, Бибирево.
    Возраст
    46
    Сообщений
    2,397

    По умолчанию Усилители на STK

    В данной теме будем обсуждать все, что связано с STK.

    Для начала вводная - это не микросхема, это гибридная интегральная схема. Толстоплёночная. Конских размеров.

    Since 1970, SANYO has offered the STK series of IMST hybrid ICs for audio power amplifiers onto the market, and the reliability and performance of these ICs have won a high market share for the company.

    Снятые с производства ИМС можно посмотреть тут:
    alldatasheet.com

    Официально STK производились Sanyo, есть непроверенные лично мной источники, уверяющие, что их также выпускала SanKen. STK серия с надписями Technics, Yamaha, Kenwood, Strasser, Ulvac и прочих брендов - это тоже Sanyo, но OEM.

    В данный момент Sanyo Semiconductors перешла под крыло Panasonic, затем последняя отфутболила всё это к ONSEMI, которой выпускаются самые свежие серии: 433-ххх (стерео и многоканальные) и 404-ххх (моно).


    Возьмите за правило: сначала почитали эту ветку, хотя бы первый пост, потом побежали покупать какую-либо STK. В противном случае велик риск нарваться на новодел (неоригинал) или махровую подделку, особенно если покупаете старые популярные серии ИМС, снятые с производства!
    Проектировать новое устройство на ИМС 3-значных, 4-значных и заказных серий можно только в том случае, если на руках уже имеется заведомо работоспособный оригинал.


    И еще: без фото или возможности повертеть в руках при заказе через интернет или по телефону рискуете купить подделку. Не уверены полностью в оригинальности - не покупайте, откажитесь, если нету фото - попросите сказать что написано в верхнем правом углу морды и нет ли яркой однотонной "зелени" в щели между выводов и какого цвета спинка и цвет надписи на ней.

    Как различать оригинал , новодел и подделку:
    Вкратце: ярко-синяя или ярко-зеленая надпись на спинке и серия на морде имеет буквы ET = НЕ БРАТЬ!

    В щели между выводов видно ДВА цвета: плата и маска. Подложка приклеена к радиатору ровно и надписи на подложке (спинка микры) не яркие. Могут быть как бы стершиеся или недопечатанные. Это нормально.
    Щель - это пространство откуда
    ноги (выводы) растут где видно крепление начала выводов к плате интегральной схемы. У старых серий эта щель может быть залита компаундом, похожим на стекло. По ссылке ниже - то самое место:
    https://forum.vegalab.ru/attachment....7&d=1266525585


    Видите текстуру корпуса? Блики, шероховатости - у оригиналов обычно есть.
    https://forum.vegalab.ru/attachment....2&d=1266525017

    Вот такая надпись сзади, как бы стершаяся местами:

    https://forum.vegalab.ru/attachment....3&d=1266525026


    В щели видно сплошную яркую зелень, серия написана с ЕТ: 0AET, 5BET, 2GET, 2LET и т.п., надписи на спинке яркие или легко стираются - АХТУНГ! Перед нами - новодел - неоригинал. Скажем так - работать в номинальном режиме оно будет (50\50, лотерея), звучание же, как у оригинала совершенно не гарантируется.

    Однотонный маслянисто-чёрный цвет морды и яркая синяя надпись на спинке - подделка.


    Как опознать конкретный лютый махровый винтаж:

    https://forum.vegalab.ru/attachment....6&d=1266524167
    Смотрите на STK043.

    https://forum.vegalab.ru/attachment....0&d=1266526095

    Надписи нанесены краской, которую легко смыть или соскрести даже ногтем. Корпус обычно черного маслянистого цвета, как уголь, шероховатый.


    Огромная подборка материалов, включающая информацию о местах приобретения, отличий оригиналов от подделок,редких и "заказных" ОЕМ-ИМС STK серии, фото, ссылки на даташиты и рисунки плат находится в этой ветке, если не полениться ее прочесть.Тут есть 99% ответов на вопросы по STK.

    На сегодняшний момент можно использовать современные серии:

    Одноканальная: STK404-xxx (404-050, 404-070, 404-090, 404-100, 404-120, 404-130, 404-140).
    Двухканальные и многоканальные: STK433-xxx. Подделок не встречал, сведений о таковых нет.
    Важно! 433 серия в непривычном сером корпусе с выштамповкой и надписью Sanyo, вот такая:

    https://forum.vegalab.ru/attachment....4&d=1266525129

    (ширина корпуса и количество ножек варьируется!)

    По статистике, исходя из наблюдения оптимальное соотношение стоимость\мощность согласно efind.ru и прайсам Митинского радиорынка имеют STK404-130, STK404-140
    Введите в строке поиска STK404 и найдете ее фото внутри и снаружи, где купить платы под нее и ее саму,рисунки плат, особенности и обсуждение.
    Также можно купить, по крайней мере, в Москве, самую мощную на данный момент ИМС из линейки 404-ххх: STK404-140. Она продается (напишу позже, забыл номер места), это находится на Митинском радиорынке. Там же можно купить и 404-130. 404-130 также есть на Митинском радиорынке в www.winner-s.ru ,побродив хорошо по рынку можете хоть всю коллекцию 404 серии собрать и сидеть на нее любоваться.

    Если радиорынок или Москва от Вас далеко, поищите, где купить STK вот на этом ресурсе:
    www.efind.ru


    Кроме того, вот список официальных дистрибьюторов On Semiconductors:
    http://www.onsemi.ru.com/PowerSolutions/locateSalesSupport.do

    даташиты на 404 и 433 серию на сайте On Semiconductors:

    http://www.onsemi.ru.com/PowerSolutions/search.do?query=stk4&tabbed=Y&clearFilters=Y&searchType=others&perPage=100

    Прикрепляю файлы:
    Статья по сборке уся на серии 41хх...42хх - stereo18.rar
    Указаны нюансы, как подпаивать регулятор, немного про земли и источник питания и прочее.

    Добавляю старый материал "В питании - сила!" с источником питания для усилителей.

    Эволюция плат моей разработки:

    (в ближайшее время, со схемами и рисунками)

    Все коммерческие вопросы строго в личку.

    апдейт дополню скоро: где купить в Москве 404 и 433 серии выгодней и заведомо аутентичные. А также: причешу галерею, чтобы влезли рисунки плат и схемы с пояснениями.

    ДА, 404-140 В МОСКВЕ НИГДЕ НЕТ В НАЛИЧИИ, САМ ИЩУ.
    Миниатюры Миниатюры Нажмите на изображение для увеличения. 

Название:	STK043 and STK404-070.JPG 
Просмотров:	25547 
Размер:	48.9 Кб 
ID:	77326   Нажмите на изображение для увеличения. 

Название:	STK459_vintage_top.jpg 
Просмотров:	20468 
Размер:	547.3 Кб 
ID:	77332   Нажмите на изображение для увеличения. 

Название:	STK459_vintage_rear.jpg 
Просмотров:	19459 
Размер:	573.9 Кб 
ID:	77333   Нажмите на изображение для увеличения. 

Название:	STK433-070_original.JPG 
Просмотров:	21709 
Размер:	194.8 Кб 
ID:	77334  

    Нажмите на изображение для увеличения. 

Название:	STK1050_vintage_original.JPG 
Просмотров:	15018 
Размер:	263.2 Кб 
ID:	77335   Нажмите на изображение для увеличения. 

Название:	STK404-070_original_ TOP.JPG 
Просмотров:	21303 
Размер:	76.4 Кб 
ID:	77337   Нажмите на изображение для увеличения. 

Название:	STK404-070_original_ REAR.JPG 
Просмотров:	6397 
Размер:	107.5 Кб 
ID:	77338   Нажмите на изображение для увеличения. 

Название:	STK404-070_original_ inside.JPG 
Просмотров:	13335 
Размер:	240.7 Кб 
ID:	77339  

    Нажмите на изображение для увеличения. 

Название:	STK090 - древняя огромная лютая экзотика_естественно_оригинал.jpg 
Просмотров:	17626 
Размер:	56.5 Кб 
ID:	77340   Нажмите на изображение для увеличения. 

Название:	Чип и Дип отжёг_кстати_на фото_все_микры_оригиальные.JPG 
Просмотров:	7829 
Размер:	69.9 Кб 
ID:	77341   Нажмите на изображение для увеличения. 

Название:	STK4132_original.JPG 
Просмотров:	6465 
Размер:	490.1 Кб 
ID:	77342   Нажмите на изображение для увеличения. 

Название:	STK4152_original.JPG 
Просмотров:	17273 
Размер:	261.9 Кб 
ID:	77343  

    Нажмите на изображение для увеличения. 

Название:	STK4152-II_original_top and inside.jpg 
Просмотров:	12036 
Размер:	286.8 Кб 
ID:	77344   Нажмите на изображение для увеличения. 

Название:	Series_mark.jpg 
Просмотров:	8349 
Размер:	72.6 Кб 
ID:	77345  
    Вложения Вложения
    Последний раз редактировалось Black_Panther; 21.06.2016 в 01:58. Причина: Апдейты!
    Моя религия:
    Люблю комфортное, окрашенное приятное звучание.
    STK и дискрет.
    No IRF, no TDA, no class D\T\H.
    DC Servo - must die.
    Мостовой УНЧ - suxx.
    Трансформатора и радиатора много не бывает.
    Импульсные БП - от лукавого.
    За нулями в Кг не гонюсь.

  2. #3481
    Частый гость
    Регистрация
    22.10.2006
    Сообщений
    229

    По умолчанию Re: Усилители на STK

    Цитата Сообщение от Radiomind Посмотреть сообщение
    Всем привет. Не получается разобрать микросхему подручными средствами. Крушить не хочется. Может, кто подскажет, как сделать это лучше, чтоб не сломать.
    И ещё. Где в Москве купить STK4162MK2?
    https://yadi.sk/i/sL1iLfEhmdbJH

  3. #3482
    Новичок
    Регистрация
    02.10.2012
    Адрес
    Углич
    Сообщений
    71

    По умолчанию Re: Усилители на STK

    Цитата Сообщение от Radiomind Посмотреть сообщение
    Всем привет. Не получается разобрать микросхему подручными средствами. Крушить не хочется. Может, кто подскажет, как сделать это лучше, чтоб не сломать.
    И ещё. Где в Москве купить STK4162MK2?
    Ходил по Митинскому рынку. Нашёл STK только с зелёными буквами на радиаторе и серии 77ET. Брать не стал по рекомендациям с ветки. У себя, в Ярославле, нашёл точно такую же микросхему. Решил взять, попробовать, от безысходности). В итоге, всё работает нормально. Может, не так страшен чёрт....

  4. #3483
    Частый гость Аватар для nemoli
    Регистрация
    26.10.2015
    Адрес
    г Липецк
    Сообщений
    493

    По умолчанию Re: Усилители на STK

    Здравствуйте, извините что не много не по теме. Попался тут усилитель сони TA-FE310R. Вышла из строя STK4162ll
    Есть вроде в Китае.
    http://qoo.by/YfV
    http://qoo.by/YfX
    Есть вроде в Германии и Британии.
    http://www.ebay.com/itm/STK4162II-Hy...QAAOSwzLlXgng9

    http://www.ebay.com/itm/STK4162LL-In...0AAOSwvFZW8AvN

    Можно ли как себя обезопасить от некачественного товара? Если попросить продавца выслать фото, на что стоит обратить внимание? Или есть еще способы?

  5. #3484
    Новичок
    Регистрация
    26.03.2016
    Адрес
    Челябинская область
    Сообщений
    31

    По умолчанию Re: Усилители на STK

    Китайцы демонтаж присылают, зачастую рабочий. Бывает, что попадаются подделки, но они, как написано в шапке, имеют серию с буквами ET. Можно поискать какой-нибудь музыкальный центр Sony или Technics начала нулевых, посмотреть на него даташит - в них часто встречается STK4162ll или STK4152ll.

  6. #3485

    По умолчанию Re: Усилители на STK

    Цитата Сообщение от nemoli Посмотреть сообщение
    Здравствуйте, извините что не много не по теме. Попался тут усилитель сони TA-FE310R. Вышла из строя STK4162ll
    Есть вроде в Китае.
    http://qoo.by/YfV
    http://qoo.by/YfX
    Есть вроде в Германии и Британии.
    http://www.ebay.com/itm/STK4162II-Hy...QAAOSwzLlXgng9

    http://www.ebay.com/itm/STK4162LL-In...0AAOSwvFZW8AvN

    Можно ли как себя обезопасить от некачественного товара? Если попросить продавца выслать фото, на что стоит обратить внимание? Или есть еще способы?
    Не найдете оригинал. или искать муз центр с такой серией как донора. Или переделать под LM3886 разницу вы не услышите.

  7. #3486
    Регистрация не подтверждена
    Регистрация
    04.08.2006
    Адрес
    Украина, г. Киев
    Возраст
    63
    Сообщений
    225

    По умолчанию Re: Усилители на STK

    nemoli, Купите здесь. Похожи на оригинал. Я у них брал другие. Пришел оригинал.

  8. #3487
    Частый гость Аватар для nemoli
    Регистрация
    26.10.2015
    Адрес
    г Липецк
    Сообщений
    493

    По умолчанию Re: Усилители на STK

    MonoSphere

    Китайцы демонтаж присылают
    Да, списывался с китайцами, так и есть.
    Спасибо всем отозвавшимся.

  9. #3488
    Частый гость Аватар для nemoli
    Регистрация
    26.10.2015
    Адрес
    г Липецк
    Сообщений
    493

    По умолчанию Re: Усилители на STK

    Побеспокою еще раз. Продавец прислал оригинальное фото. Ни кто не сталкивался с негативом по этой серии?

  10. #3489
    Новичок Аватар для sega_sa
    Регистрация
    17.02.2012
    Сообщений
    13

    По умолчанию Re: Усилители на STK

    Очень хороший усилитель. Очень высокая детализация. Думаю одна из самых высоких среди stk-шек. Но есть минусы. Это НЧ. Потребуется темброблок и тонкомпенсированный регулятор громкости. Только пассивные, иначе смажется детализация. Также очень сложно побороть фон 50гц в динамиках.

  11. #3490

    По умолчанию Re: Усилители на STK

    Цитата Сообщение от labuch60 Посмотреть сообщение
    Спасибо огромное за столь подробное разъяснение! Хоть я уже и заказал новую микросборку, но информация будет полезна не только мне, но и многим чайникам, таким как я.
    Уважаемые форумчане, помогите с даташитом на stk403-240а, перекопал весь и-нет не смог найти. Хочу послушать stk, сравнить с tda.

  12. #3491
    Новичок
    Регистрация
    26.03.2016
    Адрес
    Челябинская область
    Сообщений
    31

    По умолчанию Re: Усилители на STK

    Цитата Сообщение от ХРЕННИКОВ ТИХОН Посмотреть сообщение
    Уважаемые форумчане, помогите с даташитом на stk403-240а, перекопал весь и-нет не смог найти. Хочу послушать stk, сравнить с tda.
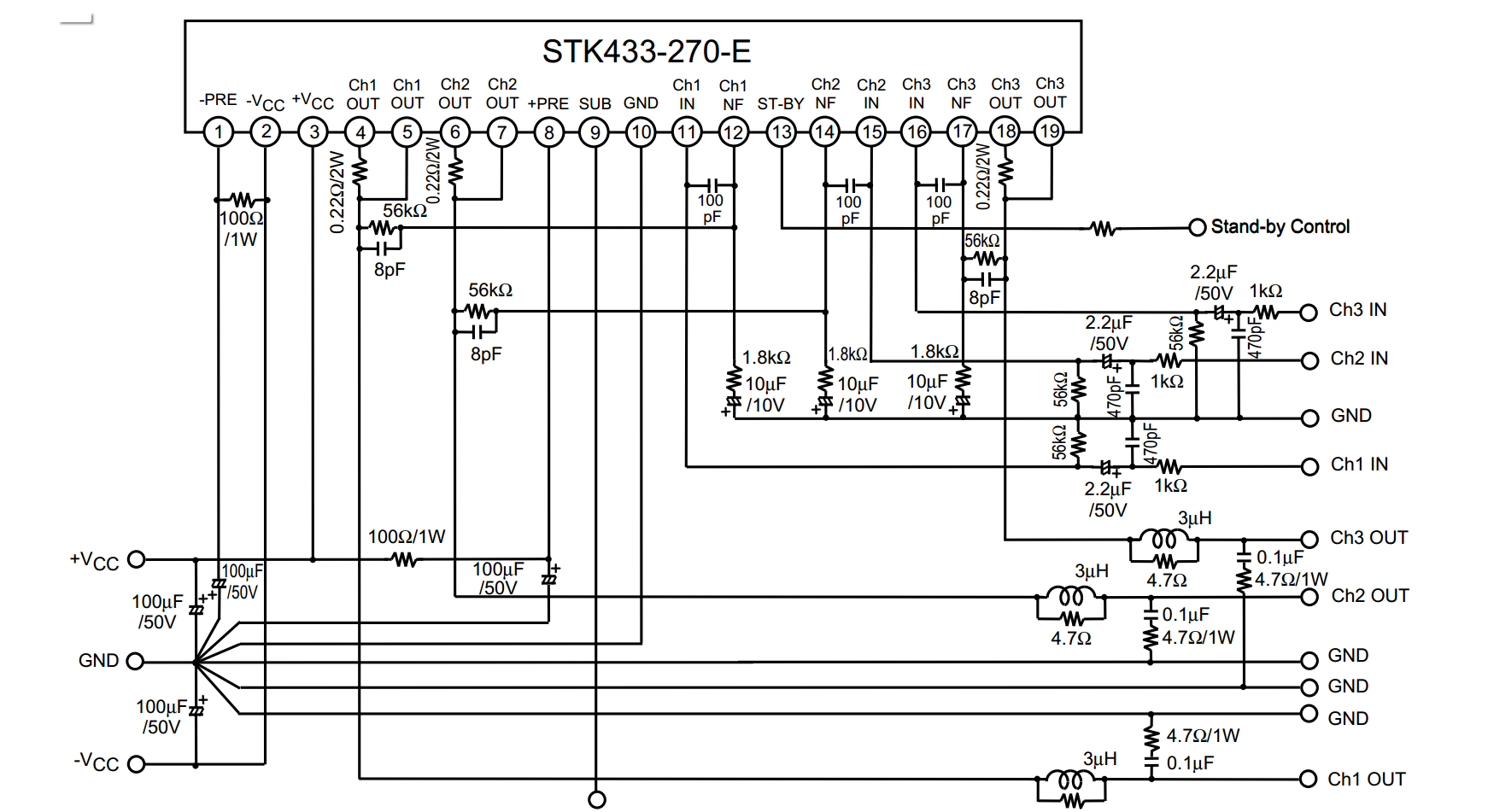
    Тоже самое, что и 433-240. Параметры идентичны. Можно найти даташит на STK433-270, легко гуглится. В нем все указано.Нажмите на изображение для увеличения. 

Название:	1.PNG 
Просмотров:	580 
Размер:	87.2 Кб 
ID:	289952Нажмите на изображение для увеличения. 

Название:	2.PNG 
Просмотров:	1144 
Размер:	236.8 Кб 
ID:	289953

  13. #3492
    Старый знакомый
    Регистрация
    19.03.2014
    Адрес
    Красноярск
    Возраст
    46
    Сообщений
    651

    По умолчанию Re: Усилители на STK

    Мужики, подскажите по STK404-140. Запутался, почему везде индекс в конце разный?
    Где то пишут просто STK404-140, где то STK404-140N-E, где то STK404-140S
    Чего брать то? Какая лучше?
    Коэффициэнт искажений даже в даташитах не нашел нигде. Что за фигня?

  14. #3493
    Частый гость Аватар для miroslav_mm
    Регистрация
    03.05.2015
    Адрес
    Kiev-City
    Сообщений
    114

    По умолчанию Re: Усилители на STK

    Иван555, без разницы какие буквы в конце, это формат корпуса, изгиб ног.
    Нажмите на изображение для увеличения. 

Название:	401-140.PNG 
Просмотров:	730 
Размер:	64.0 Кб 
ID:	290475

  15. #3494
    Старый знакомый
    Регистрация
    19.03.2014
    Адрес
    Красноярск
    Возраст
    46
    Сообщений
    651

    По умолчанию Re: Усилители на STK

    miroslav_mm, в твоей таблице 401-140, а не 404-140.
    И почему такой высокий коэффициэнт искажений? 0.4 это ж ни в какие ворота!

  16. #3495
    Частый гость Аватар для miroslav_mm
    Регистрация
    03.05.2015
    Адрес
    Kiev-City
    Сообщений
    114

    По умолчанию Re: Усилители на STK

    Ой, сорян, не тот скрин сделал...
    Нажмите на изображение для увеличения. 

Название:	404.png 
Просмотров:	710 
Размер:	50.2 Кб 
ID:	290734
    Последний раз редактировалось miroslav_mm; 03.04.2017 в 21:28.

  17. #3496
    Старый знакомый
    Регистрация
    19.03.2014
    Адрес
    Красноярск
    Возраст
    46
    Сообщений
    651

    По умолчанию Re: Усилители на STK

    А теперь точно тот?

    Вложение не существует или не указан идентификатор (номер). Если вы уверены, что использовали правильную ссылку, свяжитесь с администрацией
    ---------- Сообщение добавлено 23:09 ---------- Предыдущее сообщение было 20:58 ----------

    Мужики, никто не знает куда автор темы подевался?
    В лс не отвечает. Пинцет как хочу две платки на оригинальных STK404-140!

  18. #3497
    Частый гость
    Регистрация
    22.10.2006
    Сообщений
    229

    По умолчанию Re: Усилители на STK

    И почему такой высокий коэффициэнт искажений? 0.4 это ж ни в какие ворота!
    Ответ простой; потому, что это "г-но", но это шутка конечно, хотя в ней большая доля правды. На самом деле такой уровень THD характерен для подобных УНЧ. Более того, на максимальной громкости THD достигает 10%. Точнее не так, громкость при которой THD = 10% считается максимальной. THD зависит от громкости и указание его конкретной величины это некое лукавство. Можно так представить дело, что покажется, что THD совсем небольшой. Легитимнее давать графическую зависимость THD от выходной мощности, тем более, что THD сильно зависит и от частоты. STKшки у которых указанный уровень THD = 0,008% чаще всего имеют точно такую же схему как и их собратья с худшим THD. Большей линейности достигают якобы заменой и подбором компонентов. По крайней мере на это намекали в ранних фирменных материалах Sanyo.
    STK404-140, где то STK404-140N-E, где то STK404-140S
    В данном случае суффикс "S" означает тип корпуса. У STK404-140, это 4201, а у STK404-140S — 4205. Суффикс "N" чаще всего означает специсполнение по конкретному заказу и может касаться чего угодно: формы выводов, отличием в схеме и т.п., а суффикс "E" обычно означает отличие в некоторых компонентах, что может повлечь за собой изменение основных параметров, например выходной мощности. С этим суффиксом параметры обычно похуже. Глобальных правил нет, в качестве суффиксов используются почти все буквы латинского алфавита, но суффикс "S" наверное самый распространенный.
    Величина THD = 0,4% выбрана не зря. Обычно АС на которые нагружены STKшки весьма низкого качества и их собственная нелинейность полностью маскирует эти 0,4%. Так что не надо бояться, ваши АС все равно весь звук превратят в кашу.

    Мужики, никто не знает куда автор темы подевался?
    Надо подождать. Он появится, но может и не скоро. Уходит в астрал надолго.

  19. #3498
    Старый знакомый
    Регистрация
    19.03.2014
    Адрес
    Красноярск
    Возраст
    46
    Сообщений
    651

    По умолчанию Re: Усилители на STK

    Цитата Сообщение от kolbasNIC Посмотреть сообщение
    STKшки у которых указанный уровень THD = 0,008% чаще всего имеют точно такую же схему как и их собратья с худшим THD
    Ну просто я привык что обычно на усилок указывается номинальная мощность и связанный с ней коэффициэнт искажений.
    Понятно что на максе и при клипе он зашкалит. А так, тупо 0.4 как то не показатель вообще. При какой мощности это, непонятно.
    Цитата Сообщение от kolbasNIC Посмотреть сообщение
    Надо подождать. Он появится, но может и не скоро. Уходит в астрал надолго.
    Пичаль.
    Ну надеюсь появится еще.
    Цитата Сообщение от kolbasNIC Посмотреть сообщение
    Так что не надо бояться, ваши АС все равно весь звук превратят в кашу.
    Как так? Они не держат нагрузку? Или имеете ввиду что собственные искажения АС все равно гораздо больше?
    Так то у меня восьмиомные АС, трехполоски, с фильтрами первого порядка. Не должны они сильно портить звук.
    Все сам, на слух настраивал ))

  20. #3499
    Частый гость
    Регистрация
    22.10.2006
    Сообщений
    229

    По умолчанию Re: Усилители на STK

    Как так? Они не держат нагрузку? Или имеете ввиду что собственные искажения АС все равно гораздо больше?
    Так то у меня восьмиомные АС, трехполоски, с фильтрами первого порядка. Не должны они сильно портить звук.
    Все сам, на слух настраивал ))
    Это большой и неписьменный разговор, уважаемый Иван555, но Вы начали рассуждать в правильном направлении. Замечу только одно. Попробуйте замерить на графике АЧХ зоны перекрытия полос. При фильтрах первого порядка зона перекрытия должна получиться шириной буквально в килогерц. Так вот, вся эта зона будет сплошными искажениями, т.к. в ней звук будет приходить от разных источников и складываться у Вас на ушах самым причудливым образом. Поверьте, этого вполне достаточно для того, чтобы не заморачиваться величиной THD у усилителя.

  21. #3500
    Старый знакомый
    Регистрация
    19.03.2014
    Адрес
    Красноярск
    Возраст
    46
    Сообщений
    651

    По умолчанию Re: Усилители на STK

    kolbasNIC, ну понятно, спасибо!
    Не, мерить я нифига не умею, нет у меня ни осцилографа и нифига кроме мультиметра, да и вообще с рассчетами у меня проблемы

Страница 175 из 227 Первая ... 165173174175176177185 ... Последняя

Социальные закладки

Социальные закладки

Ваши права

  • Вы не можете создавать новые темы
  • Вы не можете отвечать в темах
  • Вы не можете прикреплять вложения
  • Вы не можете редактировать свои сообщения
  •