Страница 134 из 227 Первая ... 124132133134135136144 ... Последняя
Показано с 2,661 по 2,680 из 4525

Тема: Усилители на STK

  1. #1 Показать/скрыть первое сообщение.
    https://dzen.ru/sivolobov
    Автор темы
    Аватар для Black_Panther
    Регистрация
    07.06.2004
    Адрес
    Москва, Бибирево.
    Возраст
    46
    Сообщений
    2,397

    По умолчанию Усилители на STK

    В данной теме будем обсуждать все, что связано с STK.

    Для начала вводная - это не микросхема, это гибридная интегральная схема. Толстоплёночная. Конских размеров.

    Since 1970, SANYO has offered the STK series of IMST hybrid ICs for audio power amplifiers onto the market, and the reliability and performance of these ICs have won a high market share for the company.

    Снятые с производства ИМС можно посмотреть тут:
    alldatasheet.com

    Официально STK производились Sanyo, есть непроверенные лично мной источники, уверяющие, что их также выпускала SanKen. STK серия с надписями Technics, Yamaha, Kenwood, Strasser, Ulvac и прочих брендов - это тоже Sanyo, но OEM.

    В данный момент Sanyo Semiconductors перешла под крыло Panasonic, затем последняя отфутболила всё это к ONSEMI, которой выпускаются самые свежие серии: 433-ххх (стерео и многоканальные) и 404-ххх (моно).


    Возьмите за правило: сначала почитали эту ветку, хотя бы первый пост, потом побежали покупать какую-либо STK. В противном случае велик риск нарваться на новодел (неоригинал) или махровую подделку, особенно если покупаете старые популярные серии ИМС, снятые с производства!
    Проектировать новое устройство на ИМС 3-значных, 4-значных и заказных серий можно только в том случае, если на руках уже имеется заведомо работоспособный оригинал.


    И еще: без фото или возможности повертеть в руках при заказе через интернет или по телефону рискуете купить подделку. Не уверены полностью в оригинальности - не покупайте, откажитесь, если нету фото - попросите сказать что написано в верхнем правом углу морды и нет ли яркой однотонной "зелени" в щели между выводов и какого цвета спинка и цвет надписи на ней.

    Как различать оригинал , новодел и подделку:
    Вкратце: ярко-синяя или ярко-зеленая надпись на спинке и серия на морде имеет буквы ET = НЕ БРАТЬ!

    В щели между выводов видно ДВА цвета: плата и маска. Подложка приклеена к радиатору ровно и надписи на подложке (спинка микры) не яркие. Могут быть как бы стершиеся или недопечатанные. Это нормально.
    Щель - это пространство откуда
    ноги (выводы) растут где видно крепление начала выводов к плате интегральной схемы. У старых серий эта щель может быть залита компаундом, похожим на стекло. По ссылке ниже - то самое место:
    https://forum.vegalab.ru/attachment....7&d=1266525585


    Видите текстуру корпуса? Блики, шероховатости - у оригиналов обычно есть.
    https://forum.vegalab.ru/attachment....2&d=1266525017

    Вот такая надпись сзади, как бы стершаяся местами:

    https://forum.vegalab.ru/attachment....3&d=1266525026


    В щели видно сплошную яркую зелень, серия написана с ЕТ: 0AET, 5BET, 2GET, 2LET и т.п., надписи на спинке яркие или легко стираются - АХТУНГ! Перед нами - новодел - неоригинал. Скажем так - работать в номинальном режиме оно будет (50\50, лотерея), звучание же, как у оригинала совершенно не гарантируется.

    Однотонный маслянисто-чёрный цвет морды и яркая синяя надпись на спинке - подделка.


    Как опознать конкретный лютый махровый винтаж:

    https://forum.vegalab.ru/attachment....6&d=1266524167
    Смотрите на STK043.

    https://forum.vegalab.ru/attachment....0&d=1266526095

    Надписи нанесены краской, которую легко смыть или соскрести даже ногтем. Корпус обычно черного маслянистого цвета, как уголь, шероховатый.


    Огромная подборка материалов, включающая информацию о местах приобретения, отличий оригиналов от подделок,редких и "заказных" ОЕМ-ИМС STK серии, фото, ссылки на даташиты и рисунки плат находится в этой ветке, если не полениться ее прочесть.Тут есть 99% ответов на вопросы по STK.

    На сегодняшний момент можно использовать современные серии:

    Одноканальная: STK404-xxx (404-050, 404-070, 404-090, 404-100, 404-120, 404-130, 404-140).
    Двухканальные и многоканальные: STK433-xxx. Подделок не встречал, сведений о таковых нет.
    Важно! 433 серия в непривычном сером корпусе с выштамповкой и надписью Sanyo, вот такая:

    https://forum.vegalab.ru/attachment....4&d=1266525129

    (ширина корпуса и количество ножек варьируется!)

    По статистике, исходя из наблюдения оптимальное соотношение стоимость\мощность согласно efind.ru и прайсам Митинского радиорынка имеют STK404-130, STK404-140
    Введите в строке поиска STK404 и найдете ее фото внутри и снаружи, где купить платы под нее и ее саму,рисунки плат, особенности и обсуждение.
    Также можно купить, по крайней мере, в Москве, самую мощную на данный момент ИМС из линейки 404-ххх: STK404-140. Она продается (напишу позже, забыл номер места), это находится на Митинском радиорынке. Там же можно купить и 404-130. 404-130 также есть на Митинском радиорынке в www.winner-s.ru ,побродив хорошо по рынку можете хоть всю коллекцию 404 серии собрать и сидеть на нее любоваться.

    Если радиорынок или Москва от Вас далеко, поищите, где купить STK вот на этом ресурсе:
    www.efind.ru


    Кроме того, вот список официальных дистрибьюторов On Semiconductors:
    http://www.onsemi.ru.com/PowerSolutions/locateSalesSupport.do

    даташиты на 404 и 433 серию на сайте On Semiconductors:

    http://www.onsemi.ru.com/PowerSolutions/search.do?query=stk4&tabbed=Y&clearFilters=Y&searchType=others&perPage=100

    Прикрепляю файлы:
    Статья по сборке уся на серии 41хх...42хх - stereo18.rar
    Указаны нюансы, как подпаивать регулятор, немного про земли и источник питания и прочее.

    Добавляю старый материал "В питании - сила!" с источником питания для усилителей.

    Эволюция плат моей разработки:

    (в ближайшее время, со схемами и рисунками)

    Все коммерческие вопросы строго в личку.

    апдейт дополню скоро: где купить в Москве 404 и 433 серии выгодней и заведомо аутентичные. А также: причешу галерею, чтобы влезли рисунки плат и схемы с пояснениями.

    ДА, 404-140 В МОСКВЕ НИГДЕ НЕТ В НАЛИЧИИ, САМ ИЩУ.
    Миниатюры Миниатюры Нажмите на изображение для увеличения. 

Название:	STK043 and STK404-070.JPG 
Просмотров:	25535 
Размер:	48.9 Кб 
ID:	77326   Нажмите на изображение для увеличения. 

Название:	STK459_vintage_top.jpg 
Просмотров:	20456 
Размер:	547.3 Кб 
ID:	77332   Нажмите на изображение для увеличения. 

Название:	STK459_vintage_rear.jpg 
Просмотров:	19446 
Размер:	573.9 Кб 
ID:	77333   Нажмите на изображение для увеличения. 

Название:	STK433-070_original.JPG 
Просмотров:	21696 
Размер:	194.8 Кб 
ID:	77334  

    Нажмите на изображение для увеличения. 

Название:	STK1050_vintage_original.JPG 
Просмотров:	15017 
Размер:	263.2 Кб 
ID:	77335   Нажмите на изображение для увеличения. 

Название:	STK404-070_original_ TOP.JPG 
Просмотров:	21292 
Размер:	76.4 Кб 
ID:	77337   Нажмите на изображение для увеличения. 

Название:	STK404-070_original_ REAR.JPG 
Просмотров:	6394 
Размер:	107.5 Кб 
ID:	77338   Нажмите на изображение для увеличения. 

Название:	STK404-070_original_ inside.JPG 
Просмотров:	13329 
Размер:	240.7 Кб 
ID:	77339  

    Нажмите на изображение для увеличения. 

Название:	STK090 - древняя огромная лютая экзотика_естественно_оригинал.jpg 
Просмотров:	17617 
Размер:	56.5 Кб 
ID:	77340   Нажмите на изображение для увеличения. 

Название:	Чип и Дип отжёг_кстати_на фото_все_микры_оригиальные.JPG 
Просмотров:	7820 
Размер:	69.9 Кб 
ID:	77341   Нажмите на изображение для увеличения. 

Название:	STK4132_original.JPG 
Просмотров:	6460 
Размер:	490.1 Кб 
ID:	77342   Нажмите на изображение для увеличения. 

Название:	STK4152_original.JPG 
Просмотров:	17267 
Размер:	261.9 Кб 
ID:	77343  

    Нажмите на изображение для увеличения. 

Название:	STK4152-II_original_top and inside.jpg 
Просмотров:	12028 
Размер:	286.8 Кб 
ID:	77344   Нажмите на изображение для увеличения. 

Название:	Series_mark.jpg 
Просмотров:	8346 
Размер:	72.6 Кб 
ID:	77345  
    Вложения Вложения
    Последний раз редактировалось Black_Panther; 21.06.2016 в 01:58. Причина: Апдейты!
    Моя религия:
    Люблю комфортное, окрашенное приятное звучание.
    STK и дискрет.
    No IRF, no TDA, no class D\T\H.
    DC Servo - must die.
    Мостовой УНЧ - suxx.
    Трансформатора и радиатора много не бывает.
    Импульсные БП - от лукавого.
    За нулями в Кг не гонюсь.

  2. #2661
    Старый знакомый Аватар для piter200
    Регистрация
    02.12.2008
    Сообщений
    783

    По умолчанию Re: Усилители на STK

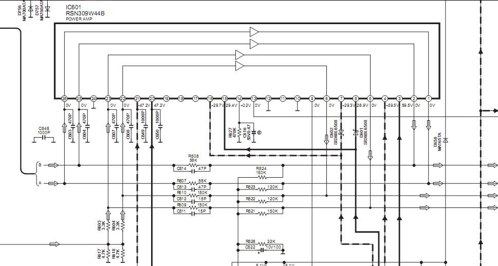
    Разбарахолил муз.центр с активным кроссом. На НЧ стоит некая сборка - RSN 309W44 (на фото). Гугл на вопрос ничего внятного не ответил. Думал скачать схему на сам аппарат,но панели с надписями (вроде Панасоник был) выбросил.
    В общем вопрос - кто знает что за сборка?
    Миниатюры Миниатюры Нажмите на изображение для увеличения. 

Название:	0011.JPG 
Просмотров:	2390 
Размер:	352.2 Кб 
ID:	179440  

  3. #2662
    Завсегдатай Аватар для Vjumajlo
    Регистрация
    11.04.2009
    Адрес
    ДВР
    Возраст
    64
    Сообщений
    4,276

    По умолчанию Re: Усилители на STK

    Цитата Сообщение от piter200 Посмотреть сообщение
    Думал скачать схему ... вроде Панасоник был
    Что-то такое? - http://www.elektroda.pl/rtvforum/topic912428.html
    и ещё картинка - Нажмите на изображение для увеличения. 

Название:	RSN309W44B.jpg 
Просмотров:	2732 
Размер:	68.9 Кб 
ID:	179451
    В голове есть не только рот, чтобы говорить и есть, но и мозг, чтобы хоть иногда вспоминать, что он там есть.
    Думай. Думай всегда…
    И даже, если нечем думать, напрягись - мысль обязательно появится. Иначе ты никто. (Вова)

  4. #2663
    Старый знакомый Аватар для piter200
    Регистрация
    02.12.2008
    Сообщений
    783

    По умолчанию Re: Усилители на STK

    Очень похоже, не ожидал 4 канала, видимо мост, так как выхода два. Сегодня сверю схему с оригиналом. Еще бы найти описалово.

    ---------- Добавлено в 10:41 ---------- Предыдущее сообщение в 10:25 ----------

    Наконец не поленился, и скачал книгу "5000 микросхемных усилителей" http://dfiles.ru/files/tz7toxtxp там нашел RSN309W44A - 4Х100 Вт на 6 Ом. Правда только схема, никаких характеристик

  5. #2664
    Завсегдатай Аватар для Vjumajlo
    Регистрация
    11.04.2009
    Адрес
    ДВР
    Возраст
    64
    Сообщений
    4,276

    По умолчанию Re: Усилители на STK

    Цитата Сообщение от piter200 Посмотреть сообщение
    нашел RSN309W44A - 4Х100 Вт на 6 Ом. Правда только схема, никаких характеристик
    Дам одну характеристику. Лет 5-6 назад тоже для панаса покупал в Японии этот модуль за 80 баксов(+/-, точно не помню). Так что, аккуратнее с ним, если будешь что-то делать.
    В голове есть не только рот, чтобы говорить и есть, но и мозг, чтобы хоть иногда вспоминать, что он там есть.
    Думай. Думай всегда…
    И даже, если нечем думать, напрягись - мысль обязательно появится. Иначе ты никто. (Вова)

  6. #2665
    Регистрация не подтверждена
    Регистрация
    18.07.2012
    Адрес
    Павловский Посад
    Возраст
    35
    Сообщений
    479

    По умолчанию Re: Усилители на STK

    Я лет 5 назад слушал на такой, точь такой кусок платы! Это класс h+ там 2 уровня питания! Звучит гадко ФУФУФУ !зато защиты всякие в ней работают как часы кз ,температура,перенапряжение все это есть ! У меня таких микр штук 6 новых, но слушать это чудище дома не советую А какие вам характеристики нужны?? Vjumajlo вам уже скинул схему там даж напряжения подписаны!сопротивление нагрузки 6 ом 100 ватт! говна там не меньше 0,4%

  7. #2666
    Старый знакомый Аватар для piter200
    Регистрация
    02.12.2008
    Сообщений
    783

    По умолчанию Re: Усилители на STK

    Как интересно. Сегодня повнимательней рассмотрел схему. Выяснил, что STK470-020 - регулятор напряжения, а я его принял за усилитель. Класс Н очень экономичный и вроде не сильно плохой. Но я ничего и не собирался на этой RSN делать, может подарю кому, хоть буду знать что

  8. #2667
    Завсегдатай Аватар для Audio-Video
    Регистрация
    18.03.2013
    Сообщений
    1,758

    По умолчанию Re: Усилители на STK

    Цитата Сообщение от piter200 Посмотреть сообщение
    RSN309W44A
    - если интересно - отпиши в личку - сброшу сборный архивчик по этой серии.

  9. #2668
    Завсегдатай Аватар для Alexander
    Регистрация
    30.08.2008
    Адрес
    РФ Саратов
    Сообщений
    4,349

    По умолчанию Re: Усилители на STK

    Цитата Сообщение от piter200 Посмотреть сообщение
    RSN делать, может подарю кому, хоть буду знать что
    Был у меня старенький ДК на этой микросхеме,искажения заявлены в сотые доли процента тогда и описание на неё находил,выходные транзисторы там полевые.

  10. #2669
    Регистрация не подтверждена
    Регистрация
    18.07.2012
    Адрес
    Павловский Посад
    Возраст
    35
    Сообщений
    479

    По умолчанию Re: Усилители на STK

    Цитата Сообщение от piter200 Посмотреть сообщение
    Как интересно. Сегодня повнимательней рассмотрел схему. Выяснил, что STK470-020 - регулятор напряжения, а я его принял за усилитель. Класс Н очень экономичный и вроде не сильно плохой. Но я ничего и не собирался на этой RSN делать, может подарю кому, хоть буду знать что
    какраз про стк так и хотел сказать сама плата устроена так что транс за радиатором и каркас на котором все это расположено буквой П устроен

  11. #2670
    Старый знакомый Аватар для piter200
    Регистрация
    02.12.2008
    Сообщений
    783

    По умолчанию Re: Усилители на STK

    Цитата Сообщение от Audio-Video Посмотреть сообщение
    - если интересно - отпиши в личку - сброшу сборный архивчик по этой серии.
    Безусловно не откажусь от любой инфы по данной серии, тем более что подобные муз.центры (не имеющие USB) сейчас продают почти даром, и инфа не помешает )

  12. #2671

    По умолчанию Re: Усилители на STK

    Здравствуйте.
    Надо было спаять другу усилитель на его STK4141V. Нарисовал печатку и вот что получилось :

    Детали остались от прошлого проекта (наверное очень жирно для этой микросхемы). Играет нормально но не более того, ТДА7294 мне больше понравилась. Все они однозначно слили усилителю Никитина.
    Прилагаю печать ( из за малого размера корпуса нужны была маленкая платка):
    http://www.sendspace.com/file/vinkce

    Извините незнаю как сдесь заливать фаилы.
    С уважением Дмитрий.

  13. #2672
    Частый гость Аватар для B4B4
    Регистрация
    10.03.2008
    Адрес
    Камчатка
    Сообщений
    121

    По умолчанию Re: Усилители на STK

    Цитата Сообщение от Soulmaster Посмотреть сообщение
    ТДА7294 мне больше понравилась
    Может по причине разницы в мощности? 4141 всего 25 ватт. Я сравнивал 4191(92), и по слуховым впечатлениям 7294 уступала. Только по низким частотам были сомнения или-или. По верхам STK переигрывала полностью.

  14. #2673

    По умолчанию Re: Усилители на STK

    Цитата Сообщение от B4B4 Посмотреть сообщение
    Может по причине разницы в мощности? 4141 всего 25 ватт. Я сравнивал 4191(92), и по слуховым впечатлениям 7294 уступала. Только по низким частотам были сомнения или-или. По верхам STK переигрывала полностью.
    STK играет довольно громко, питание +-32 В. А так проверялось на достаточно низкой громкости до 15 ватт на слух. ТДА7294 делалась по схеме и печати от Audiokiller на более скромнных комплектующих. Может сказываются FET на выходе у последней да и у Никитина.

    С уважением.

    P.S: STK делалась по datasheet.

  15. #2674
    Регистрация не подтверждена
    Регистрация
    18.07.2012
    Адрес
    Павловский Посад
    Возраст
    35
    Сообщений
    479

    По умолчанию Re: Усилители на STK

    Однозначно Стк слила Лм3886 причем по даташитовской схеме (не говоря уже про другие модификации с буферами и тд)

  16. #2675
    Частый гость Аватар для B4B4
    Регистрация
    10.03.2008
    Адрес
    Камчатка
    Сообщений
    121

    По умолчанию Re: Усилители на STK

    Цитата Сообщение от Soulmaster Посмотреть сообщение
    А так проверялось на достаточно низкой громкости до 15 ватт на слух..
    Такое сравнение не совсем коректно. Какой процент от максимальной мощности 15 ватт у каждой из микросхем? Насколько выростут искажения у каждой из них? Скажу иначе - кому легче везти 15 мешков песка, КАКАЗу или УАЗу? Многое зависит от акустики (чувствительность).

  17. #2676

    По умолчанию Re: Усилители на STK

    Цитата Сообщение от B4B4 Посмотреть сообщение
    Такое сравнение не совсем коректно. Какой процент от максимальной мощности 15 ватт у каждой из микросхем? Насколько выростут искажения у каждой из них? Скажу иначе - кому легче везти 15 мешков песка, КАКАЗу или УАЗу? Многое зависит от акустики (чувствительность).
    Возможно вы и правы насчет искажений, но проверялась передача музыки по чисто слуховым ощущениям. Несмотря на datasheet STK при +-32 В она по максимальной громкости не уступала (проверьте граф зависимости мощности от напряжения усилителя) ни ТДА ни Никитину. С другими усилителями не проверял.

    Свое мнение не кому не навязываю, просто решил поделится личным впечатлением и печаткой ( довольно компактная и без возбудов) может кому и пригодится.

    С уважением.

  18. #2677
    Регистрация не подтверждена
    Регистрация
    18.07.2012
    Адрес
    Павловский Посад
    Возраст
    35
    Сообщений
    479

    По умолчанию Re: Усилители на STK

    Stk это позавчерашний день, как сказал Романов!

  19. #2678
    Частый гость Аватар для B4B4
    Регистрация
    10.03.2008
    Адрес
    Камчатка
    Сообщений
    121

    По умолчанию Re: Усилители на STK

    Цитата Сообщение от HD 7970 Посмотреть сообщение
    как сказал Романов!
    авторитет

  20. #2679
    Регистрация не подтверждена
    Регистрация
    18.07.2012
    Адрес
    Павловский Посад
    Возраст
    35
    Сообщений
    479

    По умолчанию Re: Усилители на STK

    Цитата Сообщение от B4B4 Посмотреть сообщение
    авторитет
    Не авторитет, а правду говорит человек !
    Последний раз редактировалось HD 7970; 30.03.2013 в 15:37.

  21. #2680
    Частый гость Аватар для B4B4
    Регистрация
    10.03.2008
    Адрес
    Камчатка
    Сообщений
    121

    По умолчанию Re: Усилители на STK

    Цитата Сообщение от HD 7970 Посмотреть сообщение
    правду говорит
    Правда у каждого своя, а истина одна!

Страница 134 из 227 Первая ... 124132133134135136144 ... Последняя

Социальные закладки

Социальные закладки

Ваши права

  • Вы не можете создавать новые темы
  • Вы не можете отвечать в темах
  • Вы не можете прикреплять вложения
  • Вы не можете редактировать свои сообщения
  •