Страница 128 из 227 Первая ... 118126127128129130138 ... Последняя
Показано с 2,541 по 2,560 из 4525

Тема: Усилители на STK

  1. #1 Показать/скрыть первое сообщение.
    https://dzen.ru/sivolobov
    Автор темы
    Аватар для Black_Panther
    Регистрация
    07.06.2004
    Адрес
    Москва, Бибирево.
    Возраст
    46
    Сообщений
    2,397

    По умолчанию Усилители на STK

    В данной теме будем обсуждать все, что связано с STK.

    Для начала вводная - это не микросхема, это гибридная интегральная схема. Толстоплёночная. Конских размеров.

    Since 1970, SANYO has offered the STK series of IMST hybrid ICs for audio power amplifiers onto the market, and the reliability and performance of these ICs have won a high market share for the company.

    Снятые с производства ИМС можно посмотреть тут:
    alldatasheet.com

    Официально STK производились Sanyo, есть непроверенные лично мной источники, уверяющие, что их также выпускала SanKen. STK серия с надписями Technics, Yamaha, Kenwood, Strasser, Ulvac и прочих брендов - это тоже Sanyo, но OEM.

    В данный момент Sanyo Semiconductors перешла под крыло Panasonic, затем последняя отфутболила всё это к ONSEMI, которой выпускаются самые свежие серии: 433-ххх (стерео и многоканальные) и 404-ххх (моно).


    Возьмите за правило: сначала почитали эту ветку, хотя бы первый пост, потом побежали покупать какую-либо STK. В противном случае велик риск нарваться на новодел (неоригинал) или махровую подделку, особенно если покупаете старые популярные серии ИМС, снятые с производства!
    Проектировать новое устройство на ИМС 3-значных, 4-значных и заказных серий можно только в том случае, если на руках уже имеется заведомо работоспособный оригинал.


    И еще: без фото или возможности повертеть в руках при заказе через интернет или по телефону рискуете купить подделку. Не уверены полностью в оригинальности - не покупайте, откажитесь, если нету фото - попросите сказать что написано в верхнем правом углу морды и нет ли яркой однотонной "зелени" в щели между выводов и какого цвета спинка и цвет надписи на ней.

    Как различать оригинал , новодел и подделку:
    Вкратце: ярко-синяя или ярко-зеленая надпись на спинке и серия на морде имеет буквы ET = НЕ БРАТЬ!

    В щели между выводов видно ДВА цвета: плата и маска. Подложка приклеена к радиатору ровно и надписи на подложке (спинка микры) не яркие. Могут быть как бы стершиеся или недопечатанные. Это нормально.
    Щель - это пространство откуда
    ноги (выводы) растут где видно крепление начала выводов к плате интегральной схемы. У старых серий эта щель может быть залита компаундом, похожим на стекло. По ссылке ниже - то самое место:
    https://forum.vegalab.ru/attachment....7&d=1266525585


    Видите текстуру корпуса? Блики, шероховатости - у оригиналов обычно есть.
    https://forum.vegalab.ru/attachment....2&d=1266525017

    Вот такая надпись сзади, как бы стершаяся местами:

    https://forum.vegalab.ru/attachment....3&d=1266525026


    В щели видно сплошную яркую зелень, серия написана с ЕТ: 0AET, 5BET, 2GET, 2LET и т.п., надписи на спинке яркие или легко стираются - АХТУНГ! Перед нами - новодел - неоригинал. Скажем так - работать в номинальном режиме оно будет (50\50, лотерея), звучание же, как у оригинала совершенно не гарантируется.

    Однотонный маслянисто-чёрный цвет морды и яркая синяя надпись на спинке - подделка.


    Как опознать конкретный лютый махровый винтаж:

    https://forum.vegalab.ru/attachment....6&d=1266524167
    Смотрите на STK043.

    https://forum.vegalab.ru/attachment....0&d=1266526095

    Надписи нанесены краской, которую легко смыть или соскрести даже ногтем. Корпус обычно черного маслянистого цвета, как уголь, шероховатый.


    Огромная подборка материалов, включающая информацию о местах приобретения, отличий оригиналов от подделок,редких и "заказных" ОЕМ-ИМС STK серии, фото, ссылки на даташиты и рисунки плат находится в этой ветке, если не полениться ее прочесть.Тут есть 99% ответов на вопросы по STK.

    На сегодняшний момент можно использовать современные серии:

    Одноканальная: STK404-xxx (404-050, 404-070, 404-090, 404-100, 404-120, 404-130, 404-140).
    Двухканальные и многоканальные: STK433-xxx. Подделок не встречал, сведений о таковых нет.
    Важно! 433 серия в непривычном сером корпусе с выштамповкой и надписью Sanyo, вот такая:

    https://forum.vegalab.ru/attachment....4&d=1266525129

    (ширина корпуса и количество ножек варьируется!)

    По статистике, исходя из наблюдения оптимальное соотношение стоимость\мощность согласно efind.ru и прайсам Митинского радиорынка имеют STK404-130, STK404-140
    Введите в строке поиска STK404 и найдете ее фото внутри и снаружи, где купить платы под нее и ее саму,рисунки плат, особенности и обсуждение.
    Также можно купить, по крайней мере, в Москве, самую мощную на данный момент ИМС из линейки 404-ххх: STK404-140. Она продается (напишу позже, забыл номер места), это находится на Митинском радиорынке. Там же можно купить и 404-130. 404-130 также есть на Митинском радиорынке в www.winner-s.ru ,побродив хорошо по рынку можете хоть всю коллекцию 404 серии собрать и сидеть на нее любоваться.

    Если радиорынок или Москва от Вас далеко, поищите, где купить STK вот на этом ресурсе:
    www.efind.ru


    Кроме того, вот список официальных дистрибьюторов On Semiconductors:
    http://www.onsemi.ru.com/PowerSolutions/locateSalesSupport.do

    даташиты на 404 и 433 серию на сайте On Semiconductors:

    http://www.onsemi.ru.com/PowerSolutions/search.do?query=stk4&tabbed=Y&clearFilters=Y&searchType=others&perPage=100

    Прикрепляю файлы:
    Статья по сборке уся на серии 41хх...42хх - stereo18.rar
    Указаны нюансы, как подпаивать регулятор, немного про земли и источник питания и прочее.

    Добавляю старый материал "В питании - сила!" с источником питания для усилителей.

    Эволюция плат моей разработки:

    (в ближайшее время, со схемами и рисунками)

    Все коммерческие вопросы строго в личку.

    апдейт дополню скоро: где купить в Москве 404 и 433 серии выгодней и заведомо аутентичные. А также: причешу галерею, чтобы влезли рисунки плат и схемы с пояснениями.

    ДА, 404-140 В МОСКВЕ НИГДЕ НЕТ В НАЛИЧИИ, САМ ИЩУ.
    Миниатюры Миниатюры Нажмите на изображение для увеличения. 

Название:	STK043 and STK404-070.JPG 
Просмотров:	25533 
Размер:	48.9 Кб 
ID:	77326   Нажмите на изображение для увеличения. 

Название:	STK459_vintage_top.jpg 
Просмотров:	20454 
Размер:	547.3 Кб 
ID:	77332   Нажмите на изображение для увеличения. 

Название:	STK459_vintage_rear.jpg 
Просмотров:	19444 
Размер:	573.9 Кб 
ID:	77333   Нажмите на изображение для увеличения. 

Название:	STK433-070_original.JPG 
Просмотров:	21695 
Размер:	194.8 Кб 
ID:	77334  

    Нажмите на изображение для увеличения. 

Название:	STK1050_vintage_original.JPG 
Просмотров:	15017 
Размер:	263.2 Кб 
ID:	77335   Нажмите на изображение для увеличения. 

Название:	STK404-070_original_ TOP.JPG 
Просмотров:	21290 
Размер:	76.4 Кб 
ID:	77337   Нажмите на изображение для увеличения. 

Название:	STK404-070_original_ REAR.JPG 
Просмотров:	6394 
Размер:	107.5 Кб 
ID:	77338   Нажмите на изображение для увеличения. 

Название:	STK404-070_original_ inside.JPG 
Просмотров:	13328 
Размер:	240.7 Кб 
ID:	77339  

    Нажмите на изображение для увеличения. 

Название:	STK090 - древняя огромная лютая экзотика_естественно_оригинал.jpg 
Просмотров:	17615 
Размер:	56.5 Кб 
ID:	77340   Нажмите на изображение для увеличения. 

Название:	Чип и Дип отжёг_кстати_на фото_все_микры_оригиальные.JPG 
Просмотров:	7820 
Размер:	69.9 Кб 
ID:	77341   Нажмите на изображение для увеличения. 

Название:	STK4132_original.JPG 
Просмотров:	6460 
Размер:	490.1 Кб 
ID:	77342   Нажмите на изображение для увеличения. 

Название:	STK4152_original.JPG 
Просмотров:	17267 
Размер:	261.9 Кб 
ID:	77343  

    Нажмите на изображение для увеличения. 

Название:	STK4152-II_original_top and inside.jpg 
Просмотров:	12027 
Размер:	286.8 Кб 
ID:	77344   Нажмите на изображение для увеличения. 

Название:	Series_mark.jpg 
Просмотров:	8344 
Размер:	72.6 Кб 
ID:	77345  
    Вложения Вложения
    Последний раз редактировалось Black_Panther; 21.06.2016 в 01:58. Причина: Апдейты!
    Моя религия:
    Люблю комфортное, окрашенное приятное звучание.
    STK и дискрет.
    No IRF, no TDA, no class D\T\H.
    DC Servo - must die.
    Мостовой УНЧ - suxx.
    Трансформатора и радиатора много не бывает.
    Импульсные БП - от лукавого.
    За нулями в Кг не гонюсь.

  2. #2541
    Частый гость Аватар для VIRU"S
    Регистрация
    11.03.2011
    Адрес
    Санкт-Петербург
    Возраст
    55
    Сообщений
    246

    По умолчанию Re: Усилители на STK

    Ваша МС очень сильно похожа на правду. У меня в "чулане" лежит давний усилитель на 4231, если потерпите
    малость, я его вскрою и сделаю фотки (как-нибудь с зеркальцем или придумаю чего). Там оригинал стопудово

    ---------- Добавлено в 12:49 ---------- Предыдущее сообщение в 12:46 ----------

    Цитата Сообщение от Andrey67 Посмотреть сообщение
    Только не стоит пытаться "сдернуть" корпус
    У меня по вскрытию отработана технология - ничего не повреждается

  3. #2542
    Новичок
    Регистрация
    16.01.2013
    Адрес
    Хабаровск
    Возраст
    40
    Сообщений
    18

    По умолчанию Re: Усилители на STK

    Цитата Сообщение от VIRU"S Посмотреть сообщение
    Ваша МС очень сильно похожа на правду.
    В оригинальности этой МС у меня сомнения, хотя продавец сказал, что она у него лежала года 4-5, пока я не пришел у него забирать и то последняя была, так что придется искать еще вторую, для УМЗЧ, если МС понравится в исполнении, то он может еще привести но цена вместо 470р., станет 900р.

  4. #2543
    Завсегдатай Аватар для MikeF
    Регистрация
    04.11.2004
    Адрес
    Кемерово
    Возраст
    42
    Сообщений
    3,107

    По умолчанию Re: Усилители на STK


    Offтопик:
    Цитата Сообщение от John-G Посмотреть сообщение
    цена вместо 470р., станет 900р.
    Просто жесть. За такие деньги на россыпи можно сделать интереснее. Мне лично нравится когда МС стоит рублей 100-200, тогда это экономически оправданно, компактно, но 900р
    Для связи: Skype и почта на моём сайте в профиле.
    С уважением,
    Михаил.

  5. #2544
    Регистрация не подтверждена Аватар для Andrey67
    Регистрация
    26.04.2010
    Сообщений
    280

    По умолчанию Re: Усилители на STK

    MikeF, Небольшое заблуждение. СТК - это та-же россыпь. И выльется в те-же деньги. Я еще не встречал ни одного УНЧ на дискрете с такими же "ходовыми" качествами, как 42хх серия СТК за аналогичные деньги. Судите сами - стоимость самой сборки - 15 у.е. за оригинал (правда в последнее время это более утопично, чем реально). Остальная обвязка - стоит столько же, сколько и для дискрета. Правда задача с СТК облегчена ее законченностью, а с дискретом придется повоевать. Да и работает зараза УНЧ на СТК 42хх серии уже с 2000-х годов безотказно.
    Про новые серии - к сожалению не могу сказать таких же "теплых" слов. Хотя 404-ххх серия то же трудится неплохо. Но звучание уже не такое "завораживающее", как у предшественников (во всяком случае мне пока еще не нравится). А касательно микросхем (ЛМ и ТДК) - тут даже сравнивать нечего. Это совершенно разный звук.

    Единственное, что СТК в оригинале все меньше и меньше, и тема скоро станет совсем неактуальной. Вот это и есть основной недостаток сборок от САНЬЕ.

  6. #2545
    Завсегдатай Аватар для MikeF
    Регистрация
    04.11.2004
    Адрес
    Кемерово
    Возраст
    42
    Сообщений
    3,107

    По умолчанию Re: Усилители на STK


    Offтопик:
    Дело хозяйское, но 900р - это очень дорого, транзисторов можно целую кучу купить...
    Для связи: Skype и почта на моём сайте в профиле.
    С уважением,
    Михаил.

  7. #2546
    Регистрация не подтверждена Аватар для Andrey67
    Регистрация
    26.04.2010
    Сообщений
    280

    По умолчанию Re: Усилители на STK

    MikeF, А много не надо - всего два десятка. Но выхлоп с аналогичными параметрами - обойдется несколько дороже.

  8. #2547
    Завсегдатай Аватар для MikeF
    Регистрация
    04.11.2004
    Адрес
    Кемерово
    Возраст
    42
    Сообщений
    3,107

    По умолчанию Re: Усилители на STK

    Разве там какие-то особые параметры? Мне кажется две пары банальных 5200/1943 (а это примерно 200р насколько помню) будут не хуже одной пары неизвестных транзисторов в STK.
    Для связи: Skype и почта на моём сайте в профиле.
    С уважением,
    Михаил.

  9. #2548
    Частый гость Аватар для igmar
    Регистрация
    10.05.2010
    Сообщений
    399

    По умолчанию Re: Усилители на STK

    STK 426.doc
    Цитата Сообщение от MikeF Посмотреть сообщение
    Мне кажется две пары банальных 5200/1943 (а это примерно 200р насколько помню) будут не хуже одной пары неизвестных транзисторов в STK.
    из последних. так сказать - новодел. стоимость в рублях под 400. хотя есть своя ложка дёгтя. при таких напряжениях целесообразнее собирать на LME49810 с теми же банальными. но это совсем другая история. в руках держал на китай не похожа. все признаки SAN.

  10. #2549
    Завсегдатай Аватар для MikeF
    Регистрация
    04.11.2004
    Адрес
    Кемерово
    Возраст
    42
    Сообщений
    3,107

    По умолчанию Re: Усилители на STK

    Вот эта штука уже имеет смысл, куда-нибудь в активные колонки поставить, чтоб орало и греться сильно не должно из-за шим треккера
    Для связи: Skype и почта на моём сайте в профиле.
    С уважением,
    Михаил.

  11. #2550
    Частый гость Аватар для VIRU"S
    Регистрация
    11.03.2011
    Адрес
    Санкт-Петербург
    Возраст
    55
    Сообщений
    246

    По умолчанию Re: Усилители на STK

    Цитата Сообщение от John-G Посмотреть сообщение
    придется искать еще вторую, для УМЗЧ
    Там два канала или надо больше ?

    Цитата Сообщение от MikeF Посмотреть сообщение
    Offтопик:
    Сообщение от John-G
    цена вместо 470р., станет 900р.
    Просто жесть. За такие деньги на россыпи можно сделать интереснее. Мне лично нравится когда МС стоит рублей 100-200, тогда это экономически оправданно, компактно, но 900р

    Offтопик:
    Так это продавец сказал. А вообще, многие уже поняли что экономия ведёт к нищете. И, кстати, в любой области чел.
    жизни - чем меньше платишь, тем меньше получаешь.


    Цитата Сообщение от MikeF Посмотреть сообщение
    две пары банальных 5200/1943 (а это примерно 200р насколько помню) будут не хуже
    Вы их купИте штук по пятьдесят, может и подберёте две пары не хуже, а сколько это стоит ?
    Раз на то пошло, экономически оправданной будет покупка старого УМ из разукомплектованного муз.центра по объяве или
    в комке

  12. #2551
    Завсегдатай Аватар для MikeF
    Регистрация
    04.11.2004
    Адрес
    Кемерово
    Возраст
    42
    Сообщений
    3,107

    По умолчанию Re: Усилители на STK


    Offтопик:
    Цитата Сообщение от VIRU"S Посмотреть сообщение
    многие уже поняли что экономия ведёт к нищете. И, кстати, в любой области чел.
    жизни - чем меньше платишь, тем меньше получаешь.
    Многие поняли, что в аудио цена со звуком не всегда вяжется.

    Цитата Сообщение от VIRU"S Посмотреть сообщение
    Вы их купИте штук по пятьдесят, может и подберёте две пары не хуже, а сколько это стоит ?
    об этом вообще не стоит разговаривать, т.к. комплементарность транзисторов в стк неизвестна.
    Для связи: Skype и почта на моём сайте в профиле.
    С уважением,
    Михаил.

  13. #2552
    Частый гость Аватар для VIRU"S
    Регистрация
    11.03.2011
    Адрес
    Санкт-Петербург
    Возраст
    55
    Сообщений
    246

    По умолчанию Re: Усилители на STK

    Цитата Сообщение от MikeF Посмотреть сообщение
    Многие поняли, что в аудио цена со звуком не всегда вяжется

    Offтопик:
    Непонятно, как это вяжется с пред. сообщениями, но могу сказать определённо - покупая качественные
    дорогие компоненты, Вы не тратите деньги, а вкладываете их и, даже, если в звуке не получено то, что хотелось,
    Вы ничего не теряете, по большому счёту. А покупая дешёвый хлам, при неудаче его останется только выкинуть,
    т.к. ничего лучшего от него не добиться.


    Цитата Сообщение от MikeF Посмотреть сообщение
    комплементарность транзисторов в стк неизвестна
    При такой простой схемотехнике определяющим явл. кач. комплектующих и их подбор.

  14. #2553
    Регистрация не подтверждена Аватар для Andrey67
    Регистрация
    26.04.2010
    Сообщений
    280

    По умолчанию Re: Усилители на STK

    MikeF, Транзисторы выхлопа от Санье достаточно известны. Упирать на их якобы нонеймовость - несколько абсурдно. А вот подобрать пару взамен "выгоревших" - пока еще никому не удалось. Речь, правда, идет о сборках 80-90-х годов. Про более поздний период не скажу.
    И снова - собрать нечто похожее на 42-ую серию можно, но хлопотно и обойдется в ту же стоимость. Возьмите и подсчитайте. Ненужные вопросы отпадут сами по себе.

    Как историю могу привести пример из собственной практики - лет десять назад набо было по срочному восстановить сборку от СТК для схемы управления достаточно мощным двигателем постоянного тока для принтера Эпсон. Не получилось. Даже с учетом практически идеального подбора мощников - транзисторы горели после 2-3 часов работы.

  15. #2554
    Завсегдатай Аватар для MikeF
    Регистрация
    04.11.2004
    Адрес
    Кемерово
    Возраст
    42
    Сообщений
    3,107

    По умолчанию Re: Усилители на STK

    Каждому своё. Я бы например с радостью отдал 900р за AD1862, т.к. считаю что эта микросхема стоит этих денег, в STK даже деталей (если делать на россыпи) на 900р не наберется, не говоря уж про лазерную подгонку и прочие трудозатраты. За что платить - вот в чем вопрос? Только для тех кто хочет что-то починить или не может сам разработать схему или в конце концов найти готовую.
    Для связи: Skype и почта на моём сайте в профиле.
    С уважением,
    Михаил.

  16. #2555
    Новичок
    Регистрация
    16.01.2013
    Адрес
    Хабаровск
    Возраст
    40
    Сообщений
    18

    По умолчанию Re: Усилители на STK

    Цитата Сообщение от VIRU"S Посмотреть сообщение
    Там два канала или надо больше ?
    Планирую собрать автоусилитель 4*100Вт + саб 200-300Вт. Саб еще не знаю на чем собрать дискретка (Ланзар, Холтон) или МС (STK4048II)? Правда для такого усилителя потребуется не слабый ИБП.

  17. #2556
    Частый гость Аватар для vadykaF
    Регистрация
    12.05.2010
    Адрес
    Новосибирск
    Сообщений
    470

    По умолчанию Re: Усилители на STK

    На саб собирайте дискретку, так надежнее будет.

  18. #2557
    Новичок
    Регистрация
    24.01.2013
    Сообщений
    1

    По умолчанию Re: Усилители на STK

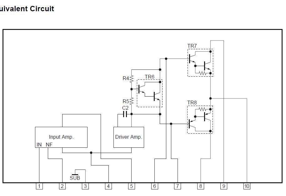
    Добрый день. Достался мне не работающий активный саб yamaha ( усилок на STK). Померял чего смог - на выходе постоянка "-30".Выпаял STK404-070 . После выпайки усилительной микросхемы, постоянка на выходе пропала. Сделал вывод что сгорела микросхема(не знаю, правильный или нет). Заказал новую.
    Вот думаю, может она не просто так скончалась, может есть причины и после впайки новой все повториться. Нашел даташит на микросхему, но не очень понятно что они имею ввиду под обозначением входов.
    Нажмите на изображение для увеличения. 

Название:	Безымянный3.JPG 
Просмотров:	683 
Размер:	34.3 Кб 
ID:	175201
    Не понятно что такое PRE и POWERTR? и что должно быть на входе этих ножек, по задумке производителя...
    Нажмите на изображение для увеличения. 

Название:	Безымянный.JPG 
Просмотров:	624 
Размер:	39.5 Кб 
ID:	175203
    Не понятно почему на схеме моего сабвуфера из сервисного мануала, например, PRE + и PRE- имеют разные величины 14,2 и -35,7? Может так быть? По логике должно быть либо +35,7 и -35,7 либо +14,2 и -14,2.
    Нажмите на изображение для увеличения. 

Название:	Безымянный5.JPG 
Просмотров:	1034 
Размер:	150.1 Кб 
ID:	175202
    Так же не понятно как у них получилось на 6 и 7 ноге 1,1 и -1,1 V ? если в мануале 7 нога вообще не используется.
    У меня без микросхемы получается на 6 ноге +35, а на 7 - 0. Что вроде как соответствует схеме из даташита.
    Нажмите на изображение для увеличения. 

Название:	Безымянный2.JPG 
Просмотров:	829 
Размер:	49.3 Кб 
ID:	175204
    Но я очень слаб в анализе схем, поэтому прошу помощи чтоб разобраться и не спалить новую микросхему, а они вроде как из прочитаного, горят на раз. Да и микросхема нынче очень редкая, все местные отказали в заказе, пришлось заказывать на ebay.

  19. #2558
    Частый гость Аватар для VIRU"S
    Регистрация
    11.03.2011
    Адрес
    Санкт-Петербург
    Возраст
    55
    Сообщений
    246

    По умолчанию Re: Усилители на STK

    Цитата Сообщение от yama Посмотреть сообщение
    на схеме моего сабвуфера из сервисного мануала, например, PRE + и PRE- имеют разные величины 14,2 и -35,7?
    Померяйте на плате - совпадает или нет, а заодно и 35,7 В. Это для начала

  20. #2559
    Старый знакомый Аватар для ValeraGuzikov
    Регистрация
    20.04.2010
    Адрес
    Ровеньки ЛНР
    Возраст
    60
    Сообщений
    521

    По умолчанию Re: Усилители на STK

    В копилку ветки ..может кому пригодятся

    STK 4048-II.rarSTK 4231-II.rar

  21. #2560
    Частый гость Аватар для igmar
    Регистрация
    10.05.2010
    Сообщений
    399

    По умолчанию Re: Усилители на STK

    Цитата Сообщение от ValeraGuzikov Посмотреть сообщение
    В копилку ветки ..может кому пригодятся
    аккуратно. а случайно печатки с STK433-070E нет.???
    Последний раз редактировалось igmar; 26.01.2013 в 13:08.

Страница 128 из 227 Первая ... 118126127128129130138 ... Последняя

Социальные закладки

Социальные закладки

Ваши права

  • Вы не можете создавать новые темы
  • Вы не можете отвечать в темах
  • Вы не можете прикреплять вложения
  • Вы не можете редактировать свои сообщения
  •