Страница 10 из 36 Первая ... 8910111220 ... Последняя
Показано с 181 по 200 из 703

Тема: Акустическая система Yamaha NS-777

  1. #1 Показать/скрыть первое сообщение.
    Завсегдатай
    Автор темы
    Аватар для l3VGV
    Регистрация
    02.05.2009
    Адрес
    Псков
    Возраст
    44
    Сообщений
    1,027

    По умолчанию Акустическая система Yamaha NS-777

    Давно у меня приютились данные ас, неплохо играть с ними во всякие шутеры, хорошо смотреть кино. В музыке себя не проявили. С одной стороны от неудачного расположения в комнате, с другой - отсутствие вменяемого усилителя.

    Решил тут недавно проверить как оно там внутри, не завелась ли моль в звукопоглотителе(сразу скажу - не завелась). Заодно посмотреть в деталях как оно устроено.


    Корпуса устроены из МДФ толщиной 16мм. Покрыто радикально ч0рной пленкой "под лак". Скрепляется всё добро - термоклеем(сначала меня это удивило, теперь понимаю что решение вполне рабочее, хорошо разогретый термоклей проникает в поры материала и держится на нем как и ПВА или прочие клеи, отрывается только с толстым слоем волокон). Видно что скреплено всё с помощью уголков и брусков из ДВП.
    Нажмите на изображение для увеличения. 

Название:	IMG_0212-2.jpg 
Просмотров:	6954 
Размер:	330.8 Кб 
ID:	261148 Нажмите на изображение для увеличения. 

Название:	IMG_0221.JPG 
Просмотров:	4539 
Размер:	1.78 Мб 
ID:	261149 Нажмите на изображение для увеличения. 

Название:	IMG_0218.JPG 
Просмотров:	5105 
Размер:	1.75 Мб 
ID:	261150

    Сверху и снизу от НЧ динамиков расположены подушки толстого поролона. Провода закреплены к стенкам скобами, с прокладкой из мягких тряпочек сделаных неясно из чего, мягкие, волокнистые из разноцветного всякого. Такаяже тряпочка покрывает всю нижнюю панель, сверху ватиновая распушенная подушка.

    На СЧ динамик болтами через уплотнитель одевается стакан из пластика, изнутри стакан заполнен ватином, входное отверстие проводов плотно залито термоклеем. Стакан толстый, пластик не хрупкий.



    Переходим к неприятным сторонам нашего балета.

    Ребра жесткости закреплены на непонятного состава твердый черный клей. Казалосьбы, что может пойти не так( кроме того что нормальная распорка по всему периметру всего 1)...
    Нажмите на изображение для увеличения. 

Название:	IMG_0217-2.jpg 
Просмотров:	4116 
Размер:	328.2 Кб 
ID:	261151

    Вот всё что обозначено цветными стрелочками, это всё щели. Боковые стенки выгнуты с радиусом ~756мм, к задней стенке конечно никто не стал их пришлифовывать, там треугольная щель(сзади она не видна - закрывается отделочной пленкой). Между ребром и стенками - тоже щели, толщина разная, от 1мм до 0.1мм, в зависимости от расстояния от передней или задней стенкой(ребра прилегают к боковым стенкам только в центре). В результате на простук даже не определить где там ребро...

    Ещё немного, чтобы было понятнее:

    Нажмите на изображение для увеличения. 

Название:	IMG_0222.JPG 
Просмотров:	3880 
Размер:	221.6 Кб 
ID:	261152



    Как же так оно получилось А вот как:

    Нажмите на изображение для увеличения. 

Название:	IMG_0225.JPG 
Просмотров:	3967 
Размер:	447.5 Кб 
ID:	261153


    Давайте экономить клей? А конечно давайте, ведь кризис!



    Среднюю распорку я снимать не стал, втёр в щели эпоксидной шпатлевки. А вот все остальные снимаются легко - сначала термофеном отогреваю брусочек, затем угол поддеваю отверткой, а затем разогретым термофеном тонким металлическим шпателем аккуратно режу черный клей.

    Далее черное оттирается шкуркой, мажу свежим клеем, и ставлю обратно.



    У второй колонки брусочки держащие лицевую панель, отвалились от лицевой панели. На боковинах держатся, а вот на лицевой - нет. Зато ребра проклеены почти по всей длине.


    Ещё интересная картинка про корпус 555. вот неясно, это там пропилы видны или ещё чтото...
    Нажмите на изображение для увеличения. 

Название:	17078864.jpg 
Просмотров:	3685 
Размер:	44.3 Кб 
ID:	319404
    Последний раз редактировалось l3VGV; 05.05.2018 в 22:22.

  2. #181
    Новичок
    Регистрация
    15.09.2012
    Сообщений
    20

    По умолчанию Re: Акустическая система Yamaha NS-777

    Цитата Сообщение от Astronavt Посмотреть сообщение
    Да тут давали уже ссылки. Ну вот по ним собственно эти данные и есть:
    http://stereo.ru/before/test.php%3Fa...83&page=4.html
    http://www.hifi-voice.com/testy-a-re...ha-ns-777.html
    http://www.salonav.com/arch/2008/10/028-7raz.shtml

    Звучит комната как ...опа. Или настройки компонентов, или все вместе.
    Еще раз, а то тут любят передергивать. Понятно что это не хайэнд.
    Я не зря писал выше, что решающие значение имеют физические параметры излучателей, и конструктив. Я лишь говорю, что дорабатывать их бессмысленно. Вы ямаховцев и аутентичное состояние этих ас не переплюнете. Там все работает на максимум, и для своего класса и конструктива великолепно. А Хайэнд вот например. Как говорится - любой каприз за ваши бабки ))):


    https://www.youtube.com/watch?v=4sRR7XqTed8
    За ссылки огромное спасибо. Это и хотел посмотреть.
    Насчет улучшения комнаты и настроек компонентов, наверно, вопрос лучше обсуждать в другой теме (если неправ, ТС наверно поправит), хотя слушать и настраивать нужно все вместе, полностью согласен
    Насчет того - дорабатывать NS 777 или нет, и что именно в первую очередь, как видно из обсуждения, каждый решает сам. Варианты: 1. Не делать ничего с колонками, возможно, послушать АС в других условиях и успокоиться, сосредоточившись на других улучшениях (комната, компоненты и т.д.). 2. Переделать (усовершенствовать корпус) 3. Переделать начинку (электронику). 4. Экспериментировать по всем указанным направлениям.
    Вообще очень неплохо, что есть возможность предварительно посмотреть как это лучше сделать и хоть примерно оценить эффект. Иногда действительно от чего-то лучше сразу отказаться.

    ---------- Сообщение добавлено 06.53 ---------- Предыдущее сообщение было 06.41 ----------

    Цитата Сообщение от l3VGV Посмотреть сообщение
    Пока кипят страсти я таки вклеил стяжку со второй страницы. Сделал пока 2 перемычки, сверху стяжку а на ребрах - распорку. На простук получилось очень круто, послезвучие очень короткое и высокое. Полагаю после набивки поглотителя будет совсем глухо.
    Очень интересно, что же у Вас получится в итоге !!!!! Практический результат как итог теоретических рассуждений, подтверждает их правильность или выявляет ошибку , поэтому должен присутствовать обязательно (IMHO). В противном случае все сводится к балабольству (здесь полностью соглашусь с Astronavt). Мы при обсуждении как-то уж больно заметно в теорию углубились (хотя тоже надо). Хотелось бы больше увидеть и практических результатов, если кто что сделал именно с NS 777.

    ---------- Сообщение добавлено 07.01 ---------- Предыдущее сообщение было 06.53 ----------

    Цитата Сообщение от Astronavt Посмотреть сообщение
    Судя по кроссоверу он работает без аттенюатора. То есть чувствительность ас.


    Ну да, у него чего-то в этом духе было. Какой-то 2... четырехзначный по-моему с тороидальным трансформатором..
    Благодарю Вас за подсказку. Я тоже так предполагал, хотя элементы кроссовера наверно тоже в какой-то степени могут влиять?.
    Если у кого-то будет datasheet штатного твиттера NS 777, убедительная просьба поделиться со всеми.
    Кстати, Yamaha AS 1000 тоже именно в "таком же духе". Наверно, этот усилок можно хоть на данном этапе предварительно исключить из перечня причин ...опы? Кстати, небезинтересно, у кого конкретно с какими усилками NS 777 "поет" наиболее хорошо и музыкально? Или наиболее отвратно? Или это другая тема?

    ---------- Сообщение добавлено 07.11 ---------- Предыдущее сообщение было 07.01 ----------

    Цитата Сообщение от Shidim Посмотреть сообщение
    Я признаться не то что бы набивал , А такие шары из синтипона скатывал и подвешивал, в зоне НЧ динов.Но"шары" те зело большие были.
    Тогда я за не набивать, а войлоком стенки обклеить, а ещё лучше
    "шумкой", дабы массы прибавило. Есть у меня задумки внести изменения, насколько эффективные имперически только выяснить можно будет, так как повторюсь микрофоном не обладаю и хронологию изменений к лучшему не зафиксирую. Корпус укреплю со снятием бафла, установлю шпангоуты, "шумкой" оклею корпус изнутри, кондёры (ранее менял электролиты на КА73-16) заменю, на что то более.... Если представится случай с человеком обладающим сакральными знаниями измерений и интерпретаций тех измерений сойтись, попробую пищаль другую и в 3,5 полосы (писал об этом). Ну и по КДП ещё доработаю. Вот так вижу твик на перспективу. Подумав.... если будет зуд великий.Нравятся АС мне как есть сейчас
    Чо-то у меня появляются смутные подозрения, что уже сейчас Ваш экземпляр только внешне напоминает NS 777 (еще меньше, чем мой, IMHO). Твиттер-то вроде заменен, кондюки в кроссовере тоже, плюс "зело большие шары". А после реализации всей программы он даже остатки сходства с NS 777 может утратить (снятие и обратная установка бафла, как мне кажется, очень проблематичное, серьезное и трудоемкое вмешательство). Да еще изменение числа полос, неизбежно связанное с новой настройкой.... Если АС нравятся как сейчас, то зачем твикать, дальнейшей переделкой можно окончательно их испортить.... В каждом деле важно вовремя остановиться (IMHO) Насчет зуда как причины радикальной переделки NS 777 в порядке шутки напомню В.С.Черномырдина: "У кого чешется - чешите в другом месте"

    ---------- Сообщение добавлено 07.37 ---------- Предыдущее сообщение было 07.11 ----------

    Цитата Сообщение от Shidim Посмотреть сообщение
    Ну так после таких постов у вас и не Yamaha NS-777, а корпус с драйверами от неё. Не удивлюсь если и впрямь звучит как о....па
    А вот я удивлен: посты-то как на NS 777 влияют? Вы серьезно считаете, что в результате переписки здесь может наступить кирдык звучанию АС ? Это самая оригинальная мысль по поводу NS 777 (IMHO) !
    Может, не после постов, а все-таки после переделки?! Тем более, и переделывал и оценивал что получилось еще до каких - либо постов!!!! Постарался уточнить собственное выражение (даже пост #168 исправил) - ....опа - это звук NS 777 в исходном состоянии, причем именно мой комплект, а не какой-то другой (другие не отслушивал). Впрочем, у меня может быть чересчур завышенные требования к звучанию системы (причина указана выше). Вам-то больше повезло, уже после замены твиттера все зазвучало, если я правильно понял описание Вашего опыта переделки...
    У меня переделка многое исправила, хотя далеко не все.
    Наверно, стоит отметить, что заметное улучшение звука произошло без переделок помещения, изменения расстановки АС и смены компонентов.
    Кстати говоря, здесь пока не упоминали результаты замены обычного кабеля АС на посеребренный (только не муляж а настоящий). В определенных условиях это тоже может дать положительный эффект. У кого есть такая возможность, может и есть смысл попробовать (IMHO). Некоторые конфигурации систем (не все) могут зазвучать существенно лучше. У кого-то есть опыт?
    Последний раз редактировалось Sergi; 02.04.2016 в 09:55.

  3. #182
    Новичок Аватар для il57
    Регистрация
    26.03.2016
    Адрес
    Foresttown
    Возраст
    68
    Сообщений
    74

    По умолчанию Re: Акустическая система Yamaha NS-777

    Цитата Сообщение от alex200155 Посмотреть сообщение
    выложите пожалуйста испытанную схему с номиналами
    Александр, если будете собирать активный фильтр, то советую Вам дополнить его корректором Линквица (точнее его модификацией). Элементы его рассчитаны так, что АЧХ ниже 100Гц в верхнем положении ползунка R1 получается зеркальной по отношению к АЧХ из Stereo.ru приведённой в п. 48. Подъём начинается примерно на 100Гц, достигает максимума (+12dB) на 35…40 Гц и спадает ниже 30 Гц.
    R1C1 и сабсоник c частотой среза 25 Гц на DA2 в схеме фильтра предназначены для исключения проникновения в НЧ полосу частот ниже частоты настройки ФИ.
    Сдвоенный резистор R12 с выхода фильтра переносится на выход корректора.
    Начальную настройку (с помощью R1 и R16) можно провести, прослушивая одни и те же музыкальные фрагменты через наушники и через Ямахи. Мне, например, после настройки слушать музыку через наушники расхотелось. Нужда в регуляторе тембра отпала, слушаю через «ДИРЕКТ».
    Нажмите на изображение для увеличения. 

Название:	Корректор Линквица.GIF 
Просмотров:	932 
Размер:	73.0 Кб 
ID:	263183

  4. #183
    Новичок
    Регистрация
    15.09.2012
    Сообщений
    20

    По умолчанию Re: Акустическая система Yamaha NS-777

    Цитата Сообщение от Astronavt Посмотреть сообщение
    Да тут давали уже ссылки. Ну вот по ним собственно эти данные и есть:
    http://stereo.ru/before/test.php%3Fa...83&page=4.html
    http://www.hifi-voice.com/testy-a-re...ha-ns-777.html
    http://www.salonav.com/arch/2008/10/028-7raz.shtml
    По рекомендованной ссылке http://www.salonav.com/arch/2008/10/028-7raz.shtml нашел сравнительные данные по различным АС, включая Yamaha NS-555. Если я правильно понял из предыдущих постов, многие вроде бы по умолчанию считают ее близкой по конструкции и характеристикам к NS 777. Более того, возникает ряд существенных вопросов именно по NS 777.

    Автор статьи вот что пишет про NS 555. «Трехполосные колонки с фазоинвертором, настроенным на 46 Гц. Номинальное сопротивление — 7, 5 Ом, что даже выше заявленного значения. На высоких частотах оно падает до 6 Ом, но на работу усилителя это не повлияет. Полосы делятся на частотах 1300 и 4500 Гц, причем фильтр между СЧ и ВЧ-драйверами поворачивает фазу на 130 градусов. Это говорит о высокой реактивной составляющей нагрузки, которая может привести к самовозбуждению усилителя» (цитировано дословно)
    Описание методики замеров параметров АС вызывает (IMHO) сомнения в корректности полученных результатов: не указана марка измерительного микрофона, проводилась ли калибровка измерительной системы, плюс замеры в незаглушенном помещении – это, как мне кажется, называется на коленке (это мое предположение!). В любом случае неизвестная точность измерений (не исключен плюс-минус километр) и сомнительная интерпретация результатов сильно снижает их ценность при обсуждении NS 777 (могу ошибаться).
    Не берусь комментировать весь пассаж (пусть останется на совести автора), но поворот фазы на 130 градусов на границе раздела СЧ-ВЧ в Yamaha NS-555 – это фазокогерентно или нет, и как это вращение совместить с графиком ГВЗ из поста # 145? И какой тогда сдвиг в других диапазонах частот? Спрашиваю потому, что в свое время Technics развернул целую кампанию по раскрутке "фазолинейной" акустики типа SB 7000 и аналогичных ей систем этой же линейки. Фазолинейность выдвигалась как базовый показатель высокого качества АС (прошу поправить если я что-то путаю).
    Если аналогичное происходит в NS 777, это, видимо не лучшим образом может влиять на звук (одна из возможных причин ...опы, IMHO).
    Или наоборот, такое вращение фазы на указанном отрезке воспроизводимого диапазона свидетельствует о высоком качестве, и так должно быть во всех АС? Или же это эксклюзивное ноу-хау ямаховцев? Ну или я чего-то неправильно понимаю, тогда прошу поправить и пояснить.
    Интересно, а реально в этих АС фаза "крутится" (как пишет автор) или нет?
    И насколько реальна угроза самовозбуждения усилителя при подключении NS 555 (естественно, и NS 777 тоже)? Может это служить причиной выхода из строя твиттеров NS 777, о чем пишут многие владельцы? Или это просто безграмотный автор решил "блеснуть ерудицией" и заодно попугать клиентов (ведь и такое возможно, судя по ляпам в тексте статьи)? Похоже, ему это удалось... По крайней мере никто здесь такую опасность пока не обсуждал.
    Если все это не относится к NS 777, тогда к чему эта ссылка вообще?
    Может кто-нибудь квалифицированно прояснит ситуацию?
    Последний раз редактировалось Sergi; 03.04.2016 в 07:30.

  5. #184
    Новичок
    Регистрация
    15.03.2013
    Адрес
    г. Челябинск
    Возраст
    70
    Сообщений
    33

    По умолчанию Re: Акустическая система Yamaha NS-777

    Я технарь, и доверяю в первую очередь приборам. Но перед покупкой NS 777, сравнивал слушая в салонах принесённую с собой фонограмму около 10 вариантов различных систем этой ценовой категории с разбросом +30% -10%. Данная акустика отлично отрабатывала свою стоимость. Модели я сейчас не помню - прошло около 3 лет. Были колонки, у которых верха звучали чуть прозрачней, но красивее баса не было. Повторюсь, что не замерял а сравнивал на слух мгновенно переключая выход усилителя, так, что это мои объективные ощущения, но как говорится о вкусах не спорят.

    ---------- Сообщение добавлено 21.35 ---------- Предыдущее сообщение было 21.31 ----------

    il57,Спасибо за схему!

  6. #185
    Завсегдатай
    Автор темы
    Аватар для l3VGV
    Регистрация
    02.05.2009
    Адрес
    Псков
    Возраст
    44
    Сообщений
    1,027

    По умолчанию Re: Акустическая система Yamaha NS-777

    Для качественной приклейки фанерных шайб смастерил шлифовательную приспособу. Пригодились неиспользованные ребра, деревянный брусок, шкурка и жидкие гвозди. С помощью плоскошлифовалки сделал в бруске небольшое U образное углубление, нанес по все площади жидкие гвозди, и прижал всю конструкцию струбцинами к ребрам. Гвозди при высыхании не изменили своих размеров, и полусилось подходящая штука для притирки. Несколько движений, и шайба прилегает к выпуклой стенке практически полностью, ПВА при затягивании шурупов выдавливается почти весь.

    Изначально пытался прижать шкурку к стенке и пошлифоваться прямо внутри, но это оказалось крайне неудобно.
    Миниатюры Миниатюры Нажмите на изображение для увеличения. 

Название:	IMG_0247.JPG 
Просмотров:	877 
Размер:	290.2 Кб 
ID:	263305   Нажмите на изображение для увеличения. 

Название:	IMG_0248.JPG 
Просмотров:	846 
Размер:	126.9 Кб 
ID:	263306  

  7. #186
    Завсегдатай
    Автор темы
    Аватар для l3VGV
    Регистрация
    02.05.2009
    Адрес
    Псков
    Возраст
    44
    Сообщений
    1,027

    По умолчанию Re: Акустическая система Yamaha NS-777

    Во время сверловки обнаружил что в некоторых местах сверло буквально проваливается внутрь. Предполагаю что стенка не из цельного 16мм листа МДФ, а нечто наподобие https://forum.vegalab.ru/attachment....0&d=1222189416 , Волнуюсь, но как проверить - незнаю. Проверить не отрывая пленку или верхнюю/нижнюю крышки.

  8. #187
    Новичок
    Регистрация
    15.09.2012
    Сообщений
    20

    По умолчанию Re: Акустическая система Yamaha NS-777

    Цитата Сообщение от l3VGV Посмотреть сообщение
    Во время сверловки обнаружил что в некоторых местах сверло буквально проваливается внутрь. Предполагаю что стенка не из цельного 16мм листа МДФ, а нечто наподобие https://forum.vegalab.ru/attachment....0&d=1222189416 , Волнуюсь, но как проверить - незнаю. Проверить не отрывая пленку или верхнюю/нижнюю крышки.
    Как мне кажется, даже при такой особенности конструкции стенок криминала особого нет. Кстати, буквально на днях встречал упоминание что толщина стенок не 16 а 12 мм. Вот это принципиально (можно пролететь). Кстати, как мне кажется, толщина стенок должна быть такая же как и передней панели, вряд ли они листы MDF с разной толщиной использовали. Скорее всего, все кроилось из одного и того же листа (даже из соображений снижения себестоимости). Ну фрезернуть в стационарных условиях отверстия под динамики и фаски - это да (не слишком хлопотно), а вот разную толщину - ну зачем эти лишние сложности? Люди то явно не особенно заморачивались по поводу каки-то там резонансов. При сверлении ограничитель на сверло обязателен (я так думаю, Вы его наверняка используете). При монтаже шурупы не перетягивать, а после затвердевания основная часть нагрузки все равно ляжет на клеевое соединение. Оно, судя по картинке, у Вас получается достаточной площади. Силовая нагрузка на стяжки то все равно не очень большая должна быть, иначе стенки поведет (MDF может со временем под нагрузкой деформироваться, не стоит про это забывать!!!!) Кстати, может быть из этих соображений изготовитель такие элементы и не использовал (почти все внутренние детали несут очень небольшую нагрузку)
    Последний раз редактировалось Sergi; 11.04.2016 в 20:30.

  9. #188
    Завсегдатай
    Автор темы
    Аватар для l3VGV
    Регистрация
    02.05.2009
    Адрес
    Псков
    Возраст
    44
    Сообщений
    1,027

    По умолчанию Re: Акустическая система Yamaha NS-777

    Так точно, ограничитель используется. Вшурупливаюсь на 7мм.

  10. #189
    Новичок
    Регистрация
    15.09.2012
    Сообщений
    20

    По умолчанию Re: Акустическая система Yamaha NS-777

    Цитата Сообщение от Shidim Посмотреть сообщение
    Итак силой коллективной мысли участники ветки пришли к выводу, что раздел на 1Кгц это.....
    Итак НЧ сверху 400-600, СЧ сверху 2000-3000, ВЧ в замену ......
    Попробовал изменить таким образом частоты раздела в кроссовере. Заметно лучше стало звучать, очень заметно (говорю только про свой комплект)...Правы оказались flipper и antiluser в своих предположениях по поводу целесообразности подобных настроек. Больше ничего не менял, колонки стоят где и раньше. Изменения только за счет подстройки фильтров.

  11. #190
    Завсегдатай Аватар для Shidim
    Регистрация
    16.06.2011
    Адрес
    Челябинск
    Возраст
    55
    Сообщений
    2,187

    По умолчанию Re: Акустическая система Yamaha NS-777

    I3VGV Корпус сделан из прессованной бумаги. С распорками действительно осторожно, я когда баловался ими делал в распор с усилием на одной АС в нижнем левом углу передняя панель выскочила из паза посадки. Пришлось вклеивать вновь. Распорки должны садится в корпус на клей слегка в прослабленном состоянии.

    Sergi Разделы выполнили именно так: 400-600 и 2000-3000. Может схему фильтра с номиналами опубликуете. Замеров видимо не будет, тогда хотя бы субъективно опишите изменение в звучании.
    Выше указанные форумчане высказывали мысли о смещении разделов и я понимаю с какой технической точки зрения они это предлагали. Я так же понимаю почему инженеры Ямахи сделали разделы именно там где сделали. А вы какой концепцией руководствовались при смене частот раздела?

  12. #191
    Новичок
    Регистрация
    15.09.2012
    Сообщений
    20

    По умолчанию Re: Акустическая система Yamaha NS-777

    Цитата Сообщение от Shidim Посмотреть сообщение
    Sergi Разделы выполнили именно так: 400-600 и 2000-3000. Может схему фильтра с номиналами опубликуете. Замеров видимо не будет, тогда хотя бы субъективно опишите изменение в звучании.
    Благодарю Вас за интерес к моим сообщениям. Схему и номиналы рассчитываю показать чуть позже, потому что сейчас все только в самом первом приближении, просто чтобы попробовать насколько оправданны такие переделки. Вполне могло оказаться, что особо это на звук не повлияло бы (на фоне множества остальных проблем). Цель у меня была и есть конкретная - избавиться от наиболее слышимых искажений (насколько это возможно). В стоковом варианте я такие инструменты как скрипка или рояль вообще из-за искажений узнавал с трудом, настолько тембр был жесткий и достаточно далекий от натурального. Скрипка с "металлом в голосе"! И при этом звук какой-то обедненно - "ватный", без обертонов. Поскольку жена работает в оркестре, прямо дома есть возможность сравнить с настоящим, живым звучанием. Сейчас (после корректировки частоты среза фильтра) эта "химия" в звучании заметно снизилась, хотя полностью не исчезла. Сч динамик судя по всему, действительно выше 2 - 2,5 - 3 кгц довольно заметно "обогащает" звук какими-то гармониками, поэтому раздел СЧ - ВЧ лучше делать как порекомендовал flipper. По крайней мере, шелковый твиттер в этом диапазоне звучит заметно "культурнее" (во всяком случае, на мой слух). Убедился что это имеет смысл, теперь рассчитываю произвести хотя бы простейшую подстройку, то что будет доступно. Потом можно будет что-то порекомендовать. Единственно, мой вариант скорее будет иметь теоретический интерес из-за другого твиттера.
    Последний раз редактировалось Sergi; 16.04.2016 в 21:09.

  13. #192
    Завсегдатай
    Регистрация
    25.10.2008
    Адрес
    Рязань
    Возраст
    55
    Сообщений
    1,155

    По умолчанию Re: Акустическая система Yamaha NS-777

    Шелковые пищи звучат окрашено. Абсолютно все что я слышал. Просто у людей уши к ним привыкли. А точнее - приучили.

    Sergi, как и что вы там пытаетесь делить - не понимая ничего ни в фазах, ни в резонансах, ни в возбуждениях - не понятно уже мне. Ну да ладно. Напомню только - что "расстояние" от хорошей ас до ужасной - десятая микрофарада. А до "прекрасной" еще меньше. Поэтому подход - "прикинуть" на плюс-минус километр в таких вещах, методом научного тыка - это... весело. )
    Смысл этого твитера в высоком разрешении и динамике. И порция металла (с которой активные адепты хай-фай непрерывно борються) в вч должна быть - достаточно послушать естественные окружающие звуки, особенно техногенные. К звучанию классических инструментов, на этих ас, у меня так же особых претензий не возникло. Проблема может быть только с избыточностью фи в конкретной комнате или расстановке, он может перекрывать основной тембр - я уже говорил.

    p.s.
    Последний раз редактировалось Astronavt; 25.04.2016 в 01:44.

  14. #193
    Новичок Аватар для il57
    Регистрация
    26.03.2016
    Адрес
    Foresttown
    Возраст
    68
    Сообщений
    74

    По умолчанию Re: Акустическая система Yamaha NS-777

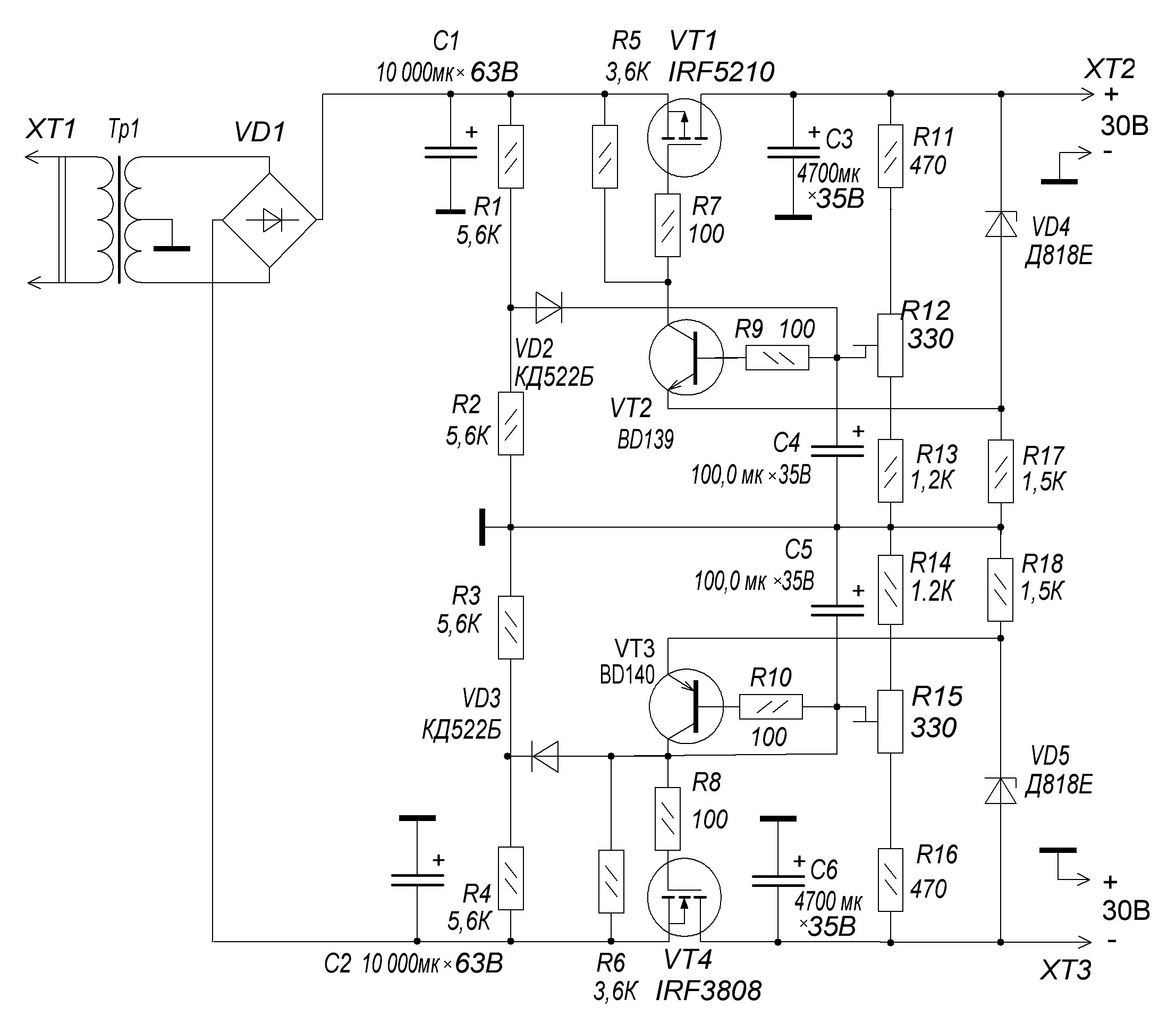
    Нажмите на изображение для увеличения. 

Название:	Стабилизатор + - 30&#104.GIF 
Просмотров:	649 
Размер:	87.9 Кб 
ID:	266839
    Цитата Сообщение от alex200155 Посмотреть сообщение
    il57,Спасибо за схему!
    Александр, похоже тема заглохла. Ладно. У меня есть друг аудиофил, так он решил проблему «в лоб» - взял кредит на несколько лет в банке и купил в «крутом салоне» акустику от именитых производителей. Как звучит акустика в салоне и как в городской квартире – отдельная тема. Наша с Вами акустика – бедная родственница. После известных Вам (копеечных так-то) модернизаций моя система легко переиграла его «монстров» (признано всеми, правда не совсем трезвыми, «экспертами»).
    Важное замечание: во всех ресиверах (усилителях), что я ремонтировал (да просто схемы смотрел) производители сильно экономят на ёмкостях фильтра питания. На низах (да и не только) это сильно сказывается. Чтобы не городить дополнительную батарею электролитов – места нет, да и ни к чему всё это, советую встроить в ресивер небольшую плату стабилизатора напряжения, неоднократно мною проверенную. Падение напряжения на регулирующих транзисторах от 1,5В. Обычно хватает 3В, поэтому полевики ставятся на небольшие радиаторы на плате. Прогон на большой громкости в течение дня (к неудовольствию соседей) показал, что радиаторы едва тёплые.
    Схема стабилизатора – абсолютно устойчива, на трёх амперах в нагрузке пульсации не более 2 мВ (когда впихиваешь в готовую конструкцию, к сожалению, побольше), но эффект улучшения звучания явно выражен.
    Вложение 266838
    Последний раз редактировалось il57; 20.05.2016 в 20:12.

  15. #194
    Частый гость Аватар для zmax
    Регистрация
    07.02.2007
    Адрес
    Москва
    Возраст
    48
    Сообщений
    199

    По умолчанию Re: Акустическая система Yamaha NS-777

    Цитата Сообщение от flipper Посмотреть сообщение
    Да не кидаю я камней.. Просто плохо понимаю, как можно неровное слушать. Для меня это крайне болезненно. Как можно понять, что там замыслил звукореж, если у тебя из динамиков вообще другое лезет? Да никак.
    Так много студий на Ямахе сидит,Abbey Road на B&W... зачем тогда портить задумку режиссера другой акустикой и усилителем?

  16. #195
    Завсегдатай
    Автор темы
    Аватар для l3VGV
    Регистрация
    02.05.2009
    Адрес
    Псков
    Возраст
    44
    Сообщений
    1,027

    По умолчанию Re: Акустическая система Yamaha NS-777

    Цитата Сообщение от il57 Посмотреть сообщение
    Александр, похоже тема заглохла.
    Щас обновлю немного отвлекся, увы.

    Цитата Сообщение от il57 Посмотреть сообщение
    Важное замечание: во всех ресиверах (усилителях), что я ремонтировал (да просто схемы смотрел) производители сильно экономят на ёмкостях фильтра питания.
    там на всём экономят ибо кризис. кризис никогда не кончается. да и ресивер то собственно он не для музыки делается. а в кино продолжительная мощность не нужна по всем каналам одновременно(а НЧ гудением так и вообще сабвуфер занимается). поэтому там то что там есть, малые емкости, спорная разводка, плотнейшая компоновка мешающая в кучу аналог и цифру.

    ---------- Сообщение добавлено 16.39 ---------- Предыдущее сообщение было 16.26 ----------

    Работы продолжаются по теме стяжек и распорок. На данный момент используются шпильки м8, фанерные плитки и шурупы 2.5мм.

    На фотографиях показан текущий прогресс, всего установлено 4 боковых стяжки, 2 фронтальных стяжки и 3 боковых распорки. Получается чередование стяжка-распорка. Стягиваю и распираю несильно, буквально 0.7-1мм, это легко контролировать зная что резьба м8 имеет шаг 1.25мм. Корпус стал значительно глуше реагировать на простук. В "ближайшее" время постараюсь записать это и выложить сюда. Но в целом направление верное.

    Также на лицевую панель приклеил пару ребер жесткости. На фотографиях видно куда, материал - доска шириной 35мм и толщиной 15. Конечно то куда они установлены не являются излучающими поверхностями, но хоть немножко увеличат жесткость крепления динамиков.

    Закуплены метры синтепона для запихивания внутрь корпуса. Но всё опять упирается в непонимание как измерить влияние такого наполнения. Куда класть микрофон, куда подводить звук, неясно.

    Также в родных пластиковых стаканах на НЧ заменил кусочки синтепона на распушоный синтепух.


    По вопросам вибопоглотителя - мучаюсь. Ставить автомобильный? Нет данных о его безопасности для здоровья. Хотя такие вопросы пару раз поднимались на других форумах, ответы были в стиле "чо ты паришся ставь я поставил год назад и не умер ещё!". А ну как от него рак и плоскостопие развиваются? Тоже непонятность кругом. Может вымазать пластилином да приклеить толстой фольги поверху? Опятьже вопрос оценки эффективности. Может после стяжочно-распорочного мода это уже не даст заметного эффекта.
    Миниатюры Миниатюры Нажмите на изображение для увеличения. 

Название:	IMG_0260.JPG 
Просмотров:	854 
Размер:	207.7 Кб 
ID:	268836   Нажмите на изображение для увеличения. 

Название:	IMG_0259.JPG 
Просмотров:	818 
Размер:	145.0 Кб 
ID:	268835   Нажмите на изображение для увеличения. 

Название:	IMG_0258.JPG 
Просмотров:	361 
Размер:	133.2 Кб 
ID:	268834  
    Последний раз редактировалось l3VGV; 14.06.2016 в 14:42.

  17. #196
    Завсегдатай
    Автор темы
    Аватар для l3VGV
    Регистрация
    02.05.2009
    Адрес
    Псков
    Возраст
    44
    Сообщений
    1,027

    По умолчанию Re: Акустическая система Yamaha NS-777

    Создал ветку про вред битумного всего.
    https://forum.vegalab.ru/showthread.php?t=75214

    Прошу участвовать!

  18. #197
    Частый гость Аватар для Lapa
    Регистрация
    27.01.2008
    Сообщений
    174

    По умолчанию Re: Акустическая система Yamaha NS-777

    Цитата Сообщение от l3VGV Посмотреть сообщение
    По вопросам вибопоглотителя - мучаюсь. Ставить автомобильный? Нет данных о его безопасности для здоровья.
    Если Вы его кушать не будете, то ничего не будет.
    Если есть сомнения, то попросите у продавца гигиенический сертификат. Должен быть по закону.

    Работа конечно титаническая проделана, вот серьезно.

  19. #198
    Добрый Аватар для Gudronov
    Регистрация
    12.11.2009
    Адрес
    Брянск
    Возраст
    57
    Сообщений
    12,122

    По умолчанию Re: Акустическая система Yamaha NS-777

    Цитата Сообщение от l3VGV Посмотреть сообщение
    Создал ветку про вред битумного всего.
    https://forum.vegalab.ru/showthread.php?t=75214

    Прошу участвовать!
    Не обессудьте, поучаствовал уже.

    Цитата Сообщение от l3VGV Посмотреть сообщение
    По вопросам вибопоглотителя - мучаюсь. Ставить автомобильный?А ну как от него рак и плоскостопие развиваются?
    Не. От него у автопроизводителей развивается привычка втюхивать клиентам дребезжащие консервные банки, а у производителей акустики - картонные муляжи с муляжами головок и прочего. Вот клиент и мажет одни и другие короба чем попало, включая прополис и гудрон. Прекрасно понимая, что толку не будет, для этого семи пядей во лбу быть не нужно, никакие примочки тут не помогут.

  20. #199
    Завсегдатай
    Автор темы
    Аватар для l3VGV
    Регистрация
    02.05.2009
    Адрес
    Псков
    Возраст
    44
    Сообщений
    1,027

    По умолчанию Re: Акустическая система Yamaha NS-777

    Произвел оценку эффекта от модернизации. Даже по картинкам видно - эфект есть.

    Заодно прилагаю и записанный файл. Идёт 3 серии постукиваний. Сначала в обработанный корпус, затем в обычный.
    Миниатюры Миниатюры Нажмите на изображение для увеличения. 

Название:	Простук.png 
Просмотров:	279 
Размер:	9.9 Кб 
ID:	269274  
    Вложения Вложения

  21. #200
    Завсегдатай Аватар для Shidim
    Регистрация
    16.06.2011
    Адрес
    Челябинск
    Возраст
    55
    Сообщений
    2,187

    По умолчанию Re: Акустическая система Yamaha NS-777

    Итак,корпус заглушен. Как это отразилось на субъективной оценке звучания? Из первого поста ясно, что "в музыке себя не проявили". Каков итог то?

Страница 10 из 36 Первая ... 8910111220 ... Последняя

Социальные закладки

Социальные закладки

Ваши права

  • Вы не можете создавать новые темы
  • Вы не можете отвечать в темах
  • Вы не можете прикреплять вложения
  • Вы не можете редактировать свои сообщения
  •