Страница 9 из 282 Первая ... 789101119 ... Последняя
Показано с 161 по 180 из 5621

Тема: Усилитель мощности ZD-50

  1. #1 Показать/скрыть первое сообщение.
    Завсегдатай
    Автор темы
    Аватар для Nick
    Регистрация
    28.03.2005
    Адрес
    NY, USA
    Возраст
    48
    Сообщений
    3,606

    По умолчанию Усилитель мощности ZD-50

    В общем я думаю эта ветка будет для вопросов по конструкции и наладке данного усилителя (cтатья тут, схема тут).
    Размер плат 57x190mm. Плата 4-х слойная, в целях уменьшения индуктивности цепей питания питания ВК и соответсвенно конструктивных искажений.
    Замечания по сборке:
    1. Резисторы R44, R45 необходимо устанавливать над платой, на расстоянии около 5...10мм, т.е. корпуса резисторов не должны касаться платы, и ближайших элементов тоже.
    2. R71 не запаивается.
    3. Блок питания должен быть отдельный на каждый канал, как например смотрите тут.
    4. На схеме нет выходного фильтра - я использовал 18 витков на 8 мм оправе провод 1.5 мм и параллельно 10 ом резистор, они были размещены прямо на выходных клемах. Также параллельно выходным клемам желательно поставить последовательную цепочку из плёночного 0.1μF и 2Вт 10 Ohm резистора.
    Ошибки:
    1. В BOM-е: R4, C4 и R6 - не устанавливаются - их нет на схеме и плате; Q1, Q2, Q3 - MMBTA06; Q4, Q5, Q6 - MMBTA56.
    2. В статье: подбирать по минимуму напряжения на выходе U2 нужно R23 (80k6), а не R22 как указано в статье.
    Ссылки на другие ветки:
    1. Как разрабатывался усилитель тут
    2. Про сравнения с другими усилителями тут

    Герберы можно взять тут

    Платы возможно можно заказать тут

    FAQ
    (спасибо ANHO) - тут
    Миниатюры Миниатюры Нажмите на изображение для увеличения. 

Название:	pcb-d712107.jpg 
Просмотров:	23848 
Размер:	94.0 Кб 
ID:	43108   Нажмите на изображение для увеличения. 

Название:	pcb-d7121072.jpg 
Просмотров:	23203 
Размер:	31.3 Кб 
ID:	43110   Нажмите на изображение для увеличения. 

Название:	pcb-d7121074.jpg 
Просмотров:	25276 
Размер:	46.4 Кб 
ID:	43111  
    Вложения Вложения
    Последний раз редактировалось Nick; 20.03.2018 в 18:51. Причина: Update

  2. #161
    Завсегдатай
    Автор темы
    Аватар для Nick
    Регистрация
    28.03.2005
    Адрес
    NY, USA
    Возраст
    48
    Сообщений
    3,606

    По умолчанию Re: Усилитель мощности ZD-50

    Цитата Сообщение от RAVe Посмотреть сообщение
    этапы моего процесса пайки тут
    Резисторы R44 и R45 греются прилично, их лучше закреплять на 0.5см над платой. Если есть возможность, перепаяй их выше, хотя чтобы они не прикасались к плате.

    Добавлено через 38 секунд
    Цитата Сообщение от RAVe Посмотреть сообщение
    Слушай, Nick, а душа то радуется когда усил слушаешь?
    Ага, иногда даже поёт.
    Последний раз редактировалось Nick; 25.01.2009 в 02:04. Причина: Добавлено сообщение
    Истина где-то там...

  3. #162
    Завсегдатай
    Автор темы
    Аватар для Nick
    Регистрация
    28.03.2005
    Адрес
    NY, USA
    Возраст
    48
    Сообщений
    3,606

    По умолчанию Re: Усилитель мощности ZD-50

    Поставил экраны на трансформатоы из мюметалла. Децибел на 10-15 стали наводки меньше. Снял графики для Mad Optic-a. Графики искажений сняты звуковой картой без всяких компенсаций на разных мощностях, 1кГц. -10дБ соответсвуют 11.4В RMS. Верхний усилитель, нижний лупбэк.
    Вложения Вложения
    Истина где-то там...

  4. #163
    Завсегдатай
    Автор темы
    Аватар для Nick
    Регистрация
    28.03.2005
    Адрес
    NY, USA
    Возраст
    48
    Сообщений
    3,606

    По умолчанию Re: Усилитель мощности ZD-50

    Вот как это выглядит.
    Миниатюры Миниатюры Нажмите на изображение для увеличения. 

Название:	trans01.jpg 
Просмотров:	916 
Размер:	69.8 Кб 
ID:	44326   Нажмите на изображение для увеличения. 

Название:	trans02.jpg 
Просмотров:	813 
Размер:	54.2 Кб 
ID:	44327   Нажмите на изображение для увеличения. 

Название:	trans03.jpg 
Просмотров:	770 
Размер:	132.0 Кб 
ID:	44328   Нажмите на изображение для увеличения. 

Название:	trans04.jpg 
Просмотров:	1350 
Размер:	149.5 Кб 
ID:	44331  

    Истина где-то там...

  5. #164
    Завсегдатай Аватар для MAXIM_A
    Регистрация
    13.11.2007
    Адрес
    МО Салтыковка
    Возраст
    77
    Сообщений
    12,213

    По умолчанию Re: Усилитель мощности ZD-50

    Цитата Сообщение от Nick Посмотреть сообщение
    Ага, иногда даже поёт.
    Nick привет!
    У меня то-же поёт триампинг с твоими усилами, да ещё как!!!
    Немного, не по теме: приобрёл Blu-ray прогрыватель, как здорово играет, даже старые диски зазвучали по новому.
    А фирмеyный Blu-ray disk вообще, полный улёт (24бит, 196кгц) - даже сравнить не с чем.
    Ваше мнение?
    Андрей Константинович

  6. #165
    Завсегдатай
    Автор темы
    Аватар для Nick
    Регистрация
    28.03.2005
    Адрес
    NY, USA
    Возраст
    48
    Сообщений
    3,606

    По умолчанию Re: Усилитель мощности ZD-50

    Цитата Сообщение от MAXIM_A Посмотреть сообщение
    А фирмеyный Blu-ray disk вообще, полный улёт (24бит, 196кгц) - даже сравнить не с чем.
    Ваше мнение?
    Моё мнение, что 24бита играют лучше. Я в основном слушаю 24/96 и SACD.
    Истина где-то там...

  7. #166
    Джем
    Регистрация
    10.08.2008
    Адрес
    Харьков
    Возраст
    63
    Сообщений
    2,165

    По умолчанию Re: Усилитель мощности ZD-50

    Цитата Сообщение от Nick Посмотреть сообщение
    Поставил экраны на трансформатоы из мюметалла
    Сильно дорогая фиговина?

  8. #167
    Завсегдатай
    Автор темы
    Аватар для Nick
    Регистрация
    28.03.2005
    Адрес
    NY, USA
    Возраст
    48
    Сообщений
    3,606

    По умолчанию Re: Усилитель мощности ZD-50

    Цитата Сообщение от Djemshut Посмотреть сообщение
    Сильно дорогая фиговина?
    На эти два транса ушло долларов на 50.
    Истина где-то там...

  9. #168
    Завсегдатай Аватар для MAXIM_A
    Регистрация
    13.11.2007
    Адрес
    МО Салтыковка
    Возраст
    77
    Сообщений
    12,213

    По умолчанию Re: Усилитель мощности ZD-50

    Цитата Сообщение от Nick Посмотреть сообщение
    Моё мнение, что 24бита играют лучше. Я в основном слушаю 24/96 и SACD.
    К сожалению у нас очень маленький выбор, и дорого - диск стоит 40$
    Андрей Константинович

  10. #169
    Завсегдатай Аватар для anatol0
    Регистрация
    14.05.2005
    Адрес
    Москва
    Возраст
    66
    Сообщений
    2,336

    По умолчанию Re: Усилитель мощности ZD-50

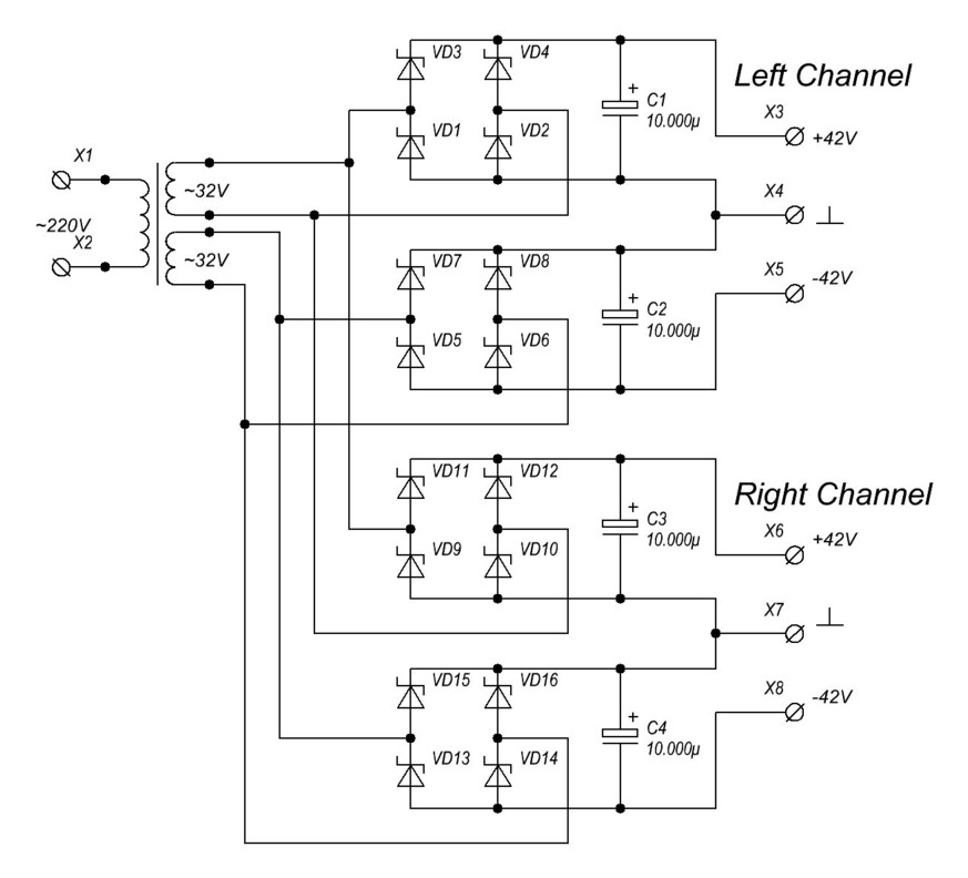
    Николай, скажите, пожалуйста, выпрямительные диоды на радиаторах? и насколько они греются?
    Ветеран броуновского движения

  11. #170
    Завсегдатай
    Автор темы
    Аватар для Nick
    Регистрация
    28.03.2005
    Адрес
    NY, USA
    Возраст
    48
    Сообщений
    3,606

    По умолчанию Re: Усилитель мощности ZD-50

    Цитата Сообщение от anatol0 Посмотреть сообщение
    Николай, скажите, пожалуйста, выпрямительные диоды на радиаторах? и насколько они греются?
    Не, не на радиаторах. Греются терпимо. Если конечно расчитывать на ток (средний) больше 2-3А, то надо ставить радиаторы.
    Истина где-то там...

  12. #171
    Частый гость
    Регистрация
    14.01.2006
    Сообщений
    321

    По умолчанию Re: Усилитель мощности ZD-50

    Цитата Сообщение от Nick Посмотреть сообщение
    Не, не на радиаторах. Греются терпимо.
    А какие диоды используешь?

  13. #172
    Завсегдатай
    Автор темы
    Аватар для Nick
    Регистрация
    28.03.2005
    Адрес
    NY, USA
    Возраст
    48
    Сообщений
    3,606

    По умолчанию Re: Усилитель мощности ZD-50

    Цитата Сообщение от Selin Посмотреть сообщение
    А какие диоды используешь?
    http://www.onsemi.com/pub_link/Colla...MBR40250-D.PDF Использую потому, что были, они не оптимальны.
    Истина где-то там...

  14. #173
    Частый гость
    Регистрация
    14.01.2006
    Сообщений
    321

    По умолчанию Re: Усилитель мощности ZD-50

    А какие будут оптимальными?

    PS: у меня есть как раз 8 шт. MBR15100CT - думал их поставить... (вот эти: http://www.galaxycn.com/jsp/upload/0...BR15100CT).pdf )
    Последний раз редактировалось Selin; 25.01.2009 в 12:30.

  15. #174
    Завсегдатай
    Автор темы
    Аватар для Nick
    Регистрация
    28.03.2005
    Адрес
    NY, USA
    Возраст
    48
    Сообщений
    3,606

    По умолчанию Re: Усилитель мощности ZD-50

    Цитата Сообщение от Selin Посмотреть сообщение
    А какие будут оптимальными?

    PS: у меня есть как раз 8 шт. MBR15100CT - думал их поставить... (вот эти: http://www.galaxycn.com/jsp/upload/0...BR15100CT).pdf )
    Думаю, что подойдут. Вот этот даташит получше http://elektronik-lavpris.dk/files/sup2/MBR1560CT.pdf
    Истина где-то там...

  16. #175
    Частый гость
    Регистрация
    14.01.2006
    Сообщений
    321

    По умолчанию Re: Усилитель мощности ZD-50

    Цитата Сообщение от Nick Посмотреть сообщение
    Вот этот даташит получше
    Ну... у меня именно BL, потому и исправил даташит на "родной"

    И в чем заключается неоптимальность MBR40250 ? - излишне мощные?...

    И еще, пардон за ламерский вопрос, какой вариант предпочтительнее?...
    Или без разницы? (кроме меньшего нагрева диодов, возможно...)
    Миниатюры Миниатюры Нажмите на изображение для увеличения. 

Название:	1.JPG 
Просмотров:	488 
Размер:	33.6 Кб 
ID:	44337   Нажмите на изображение для увеличения. 

Название:	2.JPG 
Просмотров:	840 
Размер:	23.7 Кб 
ID:	44338  

  17. #176
    Завсегдатай
    Автор темы
    Аватар для Nick
    Регистрация
    28.03.2005
    Адрес
    NY, USA
    Возраст
    48
    Сообщений
    3,606

    По умолчанию Re: Усилитель мощности ZD-50

    Цитата Сообщение от Selin Посмотреть сообщение
    Ну... у меня именно BL, потому и исправил даташит на "родной"

    И в чем заключается неоптимальность MBR40250 ? - излишне мощные?...

    И еще, пардон за ламерский вопрос, какой вариант предпочтительнее?...
    Или без разницы? (кроме меньшего нагрева диодов, возможно...)
    Говорят есть небольшая разница, если транс не очень хороший. Я лично не проверял, но думаю, что в твоём случае можно и второй вариант.
    Последний раз редактировалось Nick; 25.01.2009 в 13:13.
    Истина где-то там...

  18. #177
    Частый гость
    Регистрация
    14.01.2006
    Сообщений
    321

    По умолчанию Re: Усилитель мощности ZD-50

    Цитата Сообщение от Nick Посмотреть сообщение
    Говорят есть небольшая разница, но можно и второй вариант.
    Т.е. первый таки цут-цут, но лутше - да?... (просто больше диодов уйдет)

    И совсем уже глупый вопрос (но лучше таки я перестрахуюсь) - так можно делать - да?
    Миниатюры Миниатюры Нажмите на изображение для увеличения. 

Название:	3.JPG 
Просмотров:	479 
Размер:	75.9 Кб 
ID:	44341  

  19. #178
    Завсегдатай
    Автор темы
    Аватар для Nick
    Регистрация
    28.03.2005
    Адрес
    NY, USA
    Возраст
    48
    Сообщений
    3,606

    По умолчанию Re: Усилитель мощности ZD-50

    Цитата Сообщение от Selin Посмотреть сообщение
    Т.е. первый таки цут-цут, но лутше - да?... (просто больше диодов уйдет)

    И совсем уже глупый вопрос (но лучше таки я перестрахуюсь) - так можно делать - да?
    Можно но ненужно Или ты хочешь сразу сделать чтобы можно было 2 транса подключать ?
    Истина где-то там...

  20. #179

    По умолчанию Re: Усилитель мощности ZD-50

    Nick,

    Cпасибо за измерения!

  21. #180
    Старый знакомый Аватар для scarp
    Регистрация
    16.12.2006
    Адрес
    С-Петербург/ Вырица
    Сообщений
    838

    По умолчанию Re: Усилитель мощности ZD-50

    Цитата Сообщение от Nick Посмотреть сообщение
    Поставил экраны на трансформатоы из мюметалла.
    А без крышек, только с боковым экраном, можешь посмотреть ослабление фона?

Страница 9 из 282 Первая ... 789101119 ... Последняя

Метки этой темы

Социальные закладки

Социальные закладки

Ваши права

  • Вы не можете создавать новые темы
  • Вы не можете отвечать в темах
  • Вы не можете прикреплять вложения
  • Вы не можете редактировать свои сообщения
  •