Страница 1 из 2 12 Последняя
Показано с 1 по 20 из 35

Тема: Соединение земель

  1. #1
    Не хочу!
    Автор темы
    Аватар для Alex
    Регистрация
    20.03.2003
    Адрес
    Worldwide
    Возраст
    63
    Сообщений
    39,057

    По умолчанию Соединение земель

    Вот есть такая схемка.
    На два входа у ФНЧ слева не смотрите, работает или один, или второй (другой при этом на земле).
    С ФНЧ сигнал раздвояецца на два выхода через ОУ в инверте.
    ФНЧ (он там как AMP-2 обозначен) стоит на отдельной платке-модуле, остальное все на другой плате.
    Чет я тут с землями в трех соснах заблудился - нутром чую где-то фигня зарылась.
    Нажмите на изображение для увеличения. 

Название:	grounds.png 
Просмотров:	266 
Размер:	21.1 Кб 
ID:	458125

    Есть идеи?
    "Замполит, чайку?"(с)"Охота за Красным Октябрем".
    "Да мне-то что, меняйтесь!"(с)анек.
    <-- http://altor1.narod.ru --> Вопросы - в личку, е-мейл, скайп.

  2. #2
    Завсегдатай Аватар для 4321
    Регистрация
    14.03.2012
    Сообщений
    1,316

    По умолчанию Re: Соединение земель

    да переделай
    однообразие нарушено

  3. #3
    Завсегдатай Аватар для dortonyan
    Регистрация
    03.06.2009
    Адрес
    BLR
    Возраст
    39
    Сообщений
    4,037

    По умолчанию Re: Соединение земель

    Что-то на схеме все в кучу: сигнальные земли, и силовые.
    Я так полагаю, что вопрос связан с наличием двух нагрузок на выходе, у каждой из которых своя земля?

    На данной схеме опорная земля для обоих выходов общая (GNDV, она же R8/C5).
    Соот-но обе нагрузки R_LOAD1/2 должны "землиться" в эту точку. И если нагрузка достаточно низкоомная, то туда же придется включать еще и шунты питания AMP3/4.
    Если физически так сделать не получается, то AMP3/4 лучше выполнить по схеме сумматоров. Тогда у каждого на выходе будет своя земляная мекка.

  4. #4
    Завсегдатай Аватар для Slava!!!
    Регистрация
    22.03.2005
    Сообщений
    1,499

    По умолчанию Re: Соединение земель

    В чем может быть источник проблемы - в наличии некоего напряжения помехи между GNDV и общей точкой конденсаторов C6, C7 модуля AMP-2. Поскольку модуль AMP-2 на отдельной плате, провод между общей точкой конденсаторов C6, C7 и GNDA может быть достаточно длинным. Плюс соединение GNDV-GNDA.

    На НЧ проблем не должно быть - собственный PSRR U11A подавит помеху. На ВЧ возможны варианты.

    У меня в многоампинговом усилителе в буфере регулятора громкости земли соединены аналогично - раздельные сигнальные земли каналов и отдельно земля питания ОУ, соединяемая с сигнальными землями через БП. Схема ловила хорошо слышимую помеху от точки доступа WI-FI, висящей рядом на USB-кабеле, чего до установки в систему новой буферной платы не наблюдалось. Проблема была решена физическим выносом точки доступа на расстояние от усилителя. Но очевидно, что помехоустойчивость схемы недостаточна и с этим надо что-то делать.

  5. #5
    Не хочу!
    Автор темы
    Аватар для Alex
    Регистрация
    20.03.2003
    Адрес
    Worldwide
    Возраст
    63
    Сообщений
    39,057

    По умолчанию Re: Соединение земель

    Цитата Сообщение от dortonyan Посмотреть сообщение
    Что-то на схеме все в кучу: сигнальные земли, и силовые.
    Да в том-то и дело, что старались максимально разделить, в итоге сами немного запуталсь.

    Цитата Сообщение от dortonyan Посмотреть сообщение
    Я так полагаю, что вопрос связан с наличием двух нагрузок на выходе, у каждой из которых своя земля?
    Нагрузки пассивные, считай резисторы, никак между собой не связанные.

    Цитата Сообщение от dortonyan Посмотреть сообщение
    На данной схеме опорная земля для обоих выходов общая (GNDV, она же R8/C5).
    Соот-но обе нагрузки R_LOAD1/2 должны "землиться" в эту точку.
    Второй выход не так важен как первый, к тому-же - физически AMP4 расположен рядом с БП, тянуть в GNDV далеко.
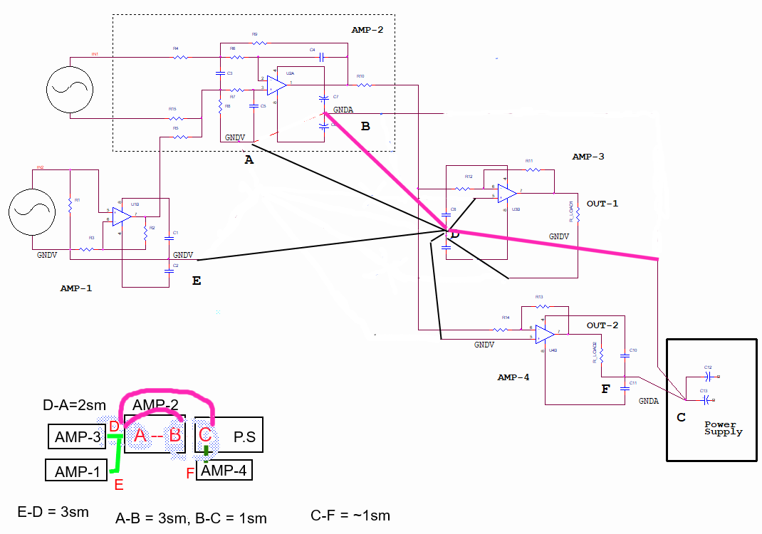
    А первая нагрузка и так туда включена, см. новую картинку, она более точная:

    Нажмите на изображение для увеличения. 

Название:	grounds1.png 
Просмотров:	183 
Размер:	24.2 Кб 
ID:	458151


    Цитата Сообщение от Slava!!! Посмотреть сообщение
    В чем может быть источник проблемы - в наличии некоего напряжения помехи между GNDV и общей точкой конденсаторов C6, C7 модуля AMP-2.
    Я перерисовал кратинку более точно - общая С6С7 и GNDV соединены в модуле AMP-2.
    Точки В и С - в 1см друг от друга, и сидят на полигоне.
    A и D тоже рядом и на полигоне.
    "Замполит, чайку?"(с)"Охота за Красным Октябрем".
    "Да мне-то что, меняйтесь!"(с)анек.
    <-- http://altor1.narod.ru --> Вопросы - в личку, е-мейл, скайп.

  6. #6
    Завсегдатай Аватар для Openreel
    Регистрация
    02.09.2006
    Адрес
    Санкт-Петербург
    Возраст
    51
    Сообщений
    3,521

    По умолчанию Re: Соединение земель

    АМП3,АМП4 работают от одного сигнала, однотипные, но силовая земля к оным приходит совсем разными путями и нагрузка включена разно. Не знаю, чего хотели этим достигнуть, если уж решили пилить полигон и делать мекку, то почему нельзя нагрузку АМП4 прицепить к точке А, или нагрузку АМП3 прицепить в точку Д. Так оно хоть однообразно будет.
    Или на разводке амп2 и амп3 местами поменять.
    WBR, Michael.
    Цель расчетов - понимание, а не числа (с) Хемминг.

  7. #7
    Не хочу!
    Автор темы
    Аватар для Alex
    Регистрация
    20.03.2003
    Адрес
    Worldwide
    Возраст
    63
    Сообщений
    39,057

    По умолчанию Re: Соединение земель

    Цитата Сообщение от Openreel Посмотреть сообщение
    АМП3,АМП4 работают от одного сигнала, однотипные,
    Это они по схеме "однотипные" а по сути - сильно разные, с разным Ку и разной нагрузкой, у AMP4 она более "токовая".


    Цитата Сообщение от Openreel Посмотреть сообщение
    то почему нельзя нагрузку АМП4 прицепить к точке А,
    Потому что там ток на выходе раз в 10-20 больше чему AMP3, плюс дорожка от нагрузки AMP4 до точки А будет сантиметров 5, а земля F - рядом.

    P.S. Оставьте AMP4 в покое, он-то как раз в последнюю очерель интересует.
    Смущение у меня вызывает AMP3, подключение средней токи его элеткролитов и (+)входа его ОУ.
    "Замполит, чайку?"(с)"Охота за Красным Октябрем".
    "Да мне-то что, меняйтесь!"(с)анек.
    <-- http://altor1.narod.ru --> Вопросы - в личку, е-мейл, скайп.

  8. #8
    Завсегдатай Аватар для Openreel
    Регистрация
    02.09.2006
    Адрес
    Санкт-Петербург
    Возраст
    51
    Сообщений
    3,521

    По умолчанию Re: Соединение земель

    Цитата Сообщение от Alex Посмотреть сообщение
    Смущение у меня вызывает AMP3, подключение средней токи его элеткролитов и (+)входа его ОУ.
    Землю дорисуй линией C-A, вместо C-B, тогда ответ сам придет. Не достаточно данных для однозначного определения задачи, если оно на почти постоянке это одно, а если там полоса в переменку уходит, то придется учитывать взаимные наводки от проводников мекки... .плюс линии питания там где-то рядом.
    А ты как первый раз, что случилось?!
    WBR, Michael.
    Цель расчетов - понимание, а не числа (с) Хемминг.

  9. #9
    Не хочу!
    Автор темы
    Аватар для Alex
    Регистрация
    20.03.2003
    Адрес
    Worldwide
    Возраст
    63
    Сообщений
    39,057

    По умолчанию Re: Соединение земель

    Цитата Сообщение от Openreel Посмотреть сообщение
    А ты как первый раз, что случилось?!
    Да вот, че-то подумалось...
    Решил с народом посоветоваться.
    "Замполит, чайку?"(с)"Охота за Красным Октябрем".
    "Да мне-то что, меняйтесь!"(с)анек.
    <-- http://altor1.narod.ru --> Вопросы - в личку, е-мейл, скайп.

  10. #10
    Завсегдатай Аватар для 4321
    Регистрация
    14.03.2012
    Сообщений
    1,316

    По умолчанию Re: Соединение земель

    + АМ 3
    надо к GNDA подключить
    ты же от туда выход получаешь.
    Через блокировочные проходит ток выхода.

  11. #11
    Не хочу!
    Автор темы
    Аватар для Alex
    Регистрация
    20.03.2003
    Адрес
    Worldwide
    Возраст
    63
    Сообщений
    39,057

    По умолчанию Re: Соединение земель

    Цитата Сообщение от 4321 Посмотреть сообщение
    + АМ 3
    надо к GNDA подключить
    В смысле Rload1 подключить не к А а к С, или D подключить не к А а к С, или и то и другое к С?
    "Замполит, чайку?"(с)"Охота за Красным Октябрем".
    "Да мне-то что, меняйтесь!"(с)анек.
    <-- http://altor1.narod.ru --> Вопросы - в личку, е-мейл, скайп.

  12. #12
    Завсегдатай Аватар для 4321
    Регистрация
    14.03.2012
    Сообщений
    1,316

    По умолчанию Re: Соединение земель

    вход + к блокировочным предидушего АМР2
    А вот нагрузку к D точке.
    Зачем потянул к А ?

  13. #13

    По умолчанию Re: Соединение земель

    Это вопросы уровня РСВ лэйаута ;)
    Импульсно всё, в этом мире бушующем..

  14. #14
    Не хочу!
    Автор темы
    Аватар для Alex
    Регистрация
    20.03.2003
    Адрес
    Worldwide
    Возраст
    63
    Сообщений
    39,057

    По умолчанию Re: Соединение земель

    Цитата Сообщение от 4321 Посмотреть сообщение
    вход + к блокировочным предидушего АМР2
    А вот нагрузку к D точке.
    Зачем потянул к А ?
    Я так и хотел сделать - именно эти две цепи меня в даннной схеме и смущали!
    Собственно, первое уже было сделано еще до того как открыл эту тему.
    Второе - может завтра попробую.

    Цитата Сообщение от IVX Посмотреть сообщение
    Это вопросы уровня РСВ лэйаута ;
    Конечно.

    ---------- Сообщение добавлено 17:59 ---------- Предыдущее сообщение было 17:24 ----------

    А если убрать соеденение CNDV-GNDA в AMP2 (красная линия на схеме), и соединить А с С ?
    "Замполит, чайку?"(с)"Охота за Красным Октябрем".
    "Да мне-то что, меняйтесь!"(с)анек.
    <-- http://altor1.narod.ru --> Вопросы - в личку, е-мейл, скайп.

  15. #15
    Завсегдатай Аватар для dortonyan
    Регистрация
    03.06.2009
    Адрес
    BLR
    Возраст
    39
    Сообщений
    4,037

    По умолчанию Re: Соединение земель

    Цитата Сообщение от Alex Посмотреть сообщение
    Второй выход не так важен как первый, к тому-же - физически AMP4 расположен рядом с БП, тянуть в GNDV далеко.
    А первая нагрузка и так туда включена, см. новую картинку, она более точная:
    Нажмите на изображение для увеличения. 

Название:	grounds1.png 
Просмотров:	183 
Размер:	24.2 Кб 
ID:	458151
    Если так, то нормально все.
    Только мекку вместо точки "А" надо сделать в точке "D". И силовые земли AMP-1 AMP-2 оторвать от сигнальных.

  16. #16
    Не хочу!
    Автор темы
    Аватар для Alex
    Регистрация
    20.03.2003
    Адрес
    Worldwide
    Возраст
    63
    Сообщений
    39,057

    По умолчанию Re: Соединение земель

    Цитата Сообщение от dortonyan Посмотреть сообщение
    Если так, то нормально все.
    Только мекку вместо точки "А" надо сделать в точке "D".
    Ну фактически между ними 2.5мм, это один полигон.

    Вот, перерисовал еще раз.

    Нажмите на изображение для увеличения. 

Название:	grounds2.png 
Просмотров:	91 
Размер:	49.2 Кб 
ID:	458203

    Цитата Сообщение от dortonyan Посмотреть сообщение
    И силовые земли AMP-1 AMP-2 оторвать от сигнальных.
    Нарисуй.
    "Замполит, чайку?"(с)"Охота за Красным Октябрем".
    "Да мне-то что, меняйтесь!"(с)анек.
    <-- http://altor1.narod.ru --> Вопросы - в личку, е-мейл, скайп.

  17. #17
    Завсегдатай Аватар для Openreel
    Регистрация
    02.09.2006
    Адрес
    Санкт-Петербург
    Возраст
    51
    Сообщений
    3,521

    По умолчанию Re: Соединение земель

    Примерно так.
    Нажмите на изображение для увеличения. 

Название:	grounds2.png 
Просмотров:	96 
Размер:	63.3 Кб 
ID:	458204

    Расположение геморное, блоки на плате привязаны высочайшим указом, или можно двигать?
    WBR, Michael.
    Цель расчетов - понимание, а не числа (с) Хемминг.

  18. #18
    Не хочу!
    Автор темы
    Аватар для Alex
    Регистрация
    20.03.2003
    Адрес
    Worldwide
    Возраст
    63
    Сообщений
    39,057

    По умолчанию Re: Соединение земель

    Привязаны, но нарисуй как бы ты из подвинул - может пригодится на будущее.
    "Замполит, чайку?"(с)"Охота за Красным Октябрем".
    "Да мне-то что, меняйтесь!"(с)анек.
    <-- http://altor1.narod.ru --> Вопросы - в личку, е-мейл, скайп.

  19. #19
    Старый знакомый Аватар для Ursula
    Регистрация
    31.03.2010
    Адрес
    Санкт-Петербург
    Сообщений
    536

    По умолчанию Re: Соединение земель

    У тебя корпус аппарата какой, цельнометаллический?

  20. #20
    Не хочу!
    Автор темы
    Аватар для Alex
    Регистрация
    20.03.2003
    Адрес
    Worldwide
    Возраст
    63
    Сообщений
    39,057

    По умолчанию Re: Соединение земель

    Урсуа, ты куда попала?
    О корпусе пока небыло сказано ни слова.
    "Замполит, чайку?"(с)"Охота за Красным Октябрем".
    "Да мне-то что, меняйтесь!"(с)анек.
    <-- http://altor1.narod.ru --> Вопросы - в личку, е-мейл, скайп.

Страница 1 из 2 12 Последняя

Социальные закладки

Социальные закладки

Ваши права

  • Вы не можете создавать новые темы
  • Вы не можете отвечать в темах
  • Вы не можете прикреплять вложения
  • Вы не можете редактировать свои сообщения
  •