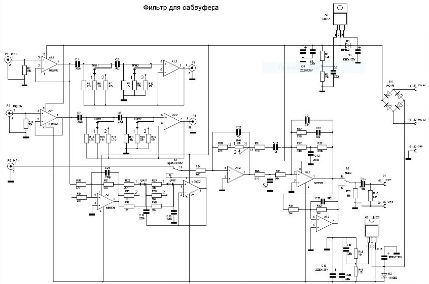
Надобна схема более-менее приличного (желательно более) фильтра типа применяемого в системах 2.1 с регулируемой частотой среза раздел может быть весьма высоким. То есть ниже среза на сумматор и на на НЧ звено (желательно регулировка фазы???), а выше деление на 2 канала, Желательно на ОУ при этом количество применнённых корпусов безразлично.



Социальные закладки