Страница 1 из 13 12311 ... Последняя
Показано с 1 по 20 из 248

Тема: Усилитель РР с трансформаторным фазоинвертором Алекс 2х50W - TK

  1. #1
    Частый гость
    Автор темы

    Регистрация
    27.07.2017
    Адрес
    г. Иваново
    Сообщений
    105

    По умолчанию Усилитель РР с трансформаторным фазоинвертором Алекс 2х50W - TK

    Характеристики усилителя в режиме триод - при ОС= 0 дб 12.5 ватт-Кни=0.2%
    30 ватт-Кни=0.65%, 50 ватт-Кни=1.86%, Пиковая мощность 70 ватт.
    При ОС= -3 дб 12.5 ватт-Кни=0.18% 30 ватт-Кни=0.45%,
    Соотношение сигнал - шум - 90 дб.
    Нагрузка 8 и 4 оМ. Питание 220 вольт -5А. Чувствительность 350-775мВ.Ток покоя выходных ламп КТ-150 = 105 мА (Напряжение в контрольных точках - 105 mV). РЕЖИМ КЛАССА А!!!. Регулировка смещения позволяет использовать в этом усилителе любые лампы - КТ88, КТ120,( Со своими напряжениями смещения) Напряжение анодов 515 вольт. Диапазон воспроизводимых частот 8Гц-60 кГц! (При неравномерности -3 дб) и 12Гц-35кГц при неравномерности - 1 дб.
    По замерам выходное сопротивление усилителя ( с катодной ООС) = 0.9 - 1 оМ. ( Вместо положенных 4-5 оМ без катодной ООС), что обуславливает плотные нижние частоты. И лучшее согласование с акустическими системами.
    Потребление 600 вт.
    Размеры усилителя 475х370х245 ( с ручками и ножками)
    Вес без комплекта ламп 30кг
    Усилитель работает без ООС или при ООС равной -3дб ( Перегрузочная способность каскадов до +10 дб) Кто заинтересовался - пишите! Отвечу на все вопросы! Усилитель собран по схеме двойное моно.
    Давайте рассмотрим этот усилитель. Сверху находятся лампы 6922,6Н30П ,6SN7 и КТ-150. Лампа 6922 имеют красную подсветку, а лампы 6Н30П - голубую Панель, закрывающая отсек ламп съемная. Вес усилителя за счет веса трансформаторов довольно здорово смещен назад. А при такой конфигурации просто снимается верхняя панель и свободно выставляются режимы ламп и индикаторов уровня выходного сигнала, после чего просто закрывается. Спереди находятся регуляторы уровня и регуляторы тембра (НЧ и ВЧ), переключатель BYPASS( обход - отключающий темброблок) и переключатель входов, индикаторы уровня и сетевой выключатель(усиленный реле 15 ампер). Имеется блок мягкого пуска. На задней панели стоят барашковые клеммы для подключении акустических систем сопротивлением 4 и 8 оМ. Далее стоит сетевой разъем с предохранителем 5А. Стоит переключатель обратной связи 0 и -3 дб. И кнопка выбора режима выходных ламп триод- пентод по ультралинейной схеме. Далее стоят входные гнезда вход CD, ANALOG, и VINIL. Селектор входных сигналов - релейный и собран на реле марки OMRON , японской фирмы. Входные гнезда - тюльпаны. Чувствительность входов одинакова - 350-775mV (До 1.0 v). Перевернем усилитель и посмотрим его кишки. Здесь стоят платы сетевого фильтра со схемой плавного пуска, выпрямителей, фильтров и стабилизаторов предкаскадов. Стоят платы стабилизаторов накала предкаскадов и напряжения смещения. Стоит плата компараторов на LM339 осуществляющую необходимую задержку включения анодного напряжения, а так же платы реле включения анодного напряжения и переключения режимов триод- пентод. Платы логарифмических преобразователей для стрелочных индикаторов и их регулировка осуществляется сверху, как и всех режимов.
    Предварительный каскад на лампе 6SN7 по схеме Бета-повторителя позволяет получить выходной сигнал, с размахом до 16 вольт(при нагрузке (50ком) при искажениях не более 0.1% и при входном сигнале до 1 вольта.При Uвх= 0.25V - искажения 0.05%. Кроме того на плате есть джампер, позволяющий выбирать режим этого каскада. Или со стабилизатором тока ( ВSP-129) или по классической схеме. Трансформаторный фазоинвертор на лампе 6Н30П с катодным стабилизатором тока (BSP-129) позволяет получить синфазный выходной сигнал, с размахом 80 вольт при искажениях не более 0.3% и при одинаковых уровнях и исключает применение переходных конденсаторов в этом каскаде. Для лучшей ремонтоспособности на платах стоят разъемы, облегчающие съем плат и замену элементной базы.
    Включение анодного напряжения выходных ламп происходит так. Анодное напряжение (стабилизированное) ламп раскачки медленно нарастает примерно за 40 сек. Одновременно разогревается нить накала ламп раскачки, а значит и растет анодный ток. На катодном резисторе пред каскада появляется напряжение смещения и вызывает срабатывание компаратора, который и включает реле анодного напряжения выходных ламп, которые за это время уже разогрелись до нужной температуры. Примерно за 1 минуту, после холодного включения и при повторном включении это время сокращается, так как и температура накала ламп не сразу падает.
    Стрелочный индикатор подключается через плату логарифмического преобразователя, что бы наблюдать и уровни малых сигналов. Темброблок включен при не нажатой клавише BYPASS, а при нажатии сигнал обходит каскад темброблока ( чистый - не корректированный сигнал) ( индикатор горит - это обход)
    При включении через 1-2 сек слышен щелчок реле блока мягкого включения (Индикаторы светятся частично). По истечении 60- 90 сек включается анодное напряжение выходных ламп. Включается и подсветка ( желтого цвета правого и левого каналов) - могут включаться не одновременно. Регуляторы срабатывания компараторов включения анодного напряжения выходных ламп находятся на центральной плате входных ламп 6SN7. Про их настройку, если нужно поясню отдельно. Вообще все настройки ведутся только после прогрева всех ламп в течении 1 часа. Так же на платах выходных ламп КТ-150 находятся регуляторы токов покоя выходных ламп. Выбор за слушателем. Усилитель поставляется полностью настроенным. Если нужны рисунки печатных плат - все могу выслать в разных форматах. После прослушивания этого усилителя были выявлены самые предпочтительные режимы его работы. Это режим триод ( подсветка переключателя не горит) и ООС = 0 дб. Но для музыки разного плана есть 4 режима работы усилителя - с ООС и без. ТРИОД и ПЕНТОД. А для особо любознательных на платах выходных каскадов есть джамперы, переключающие усилитель в режим без катодной ООС. ( Переставлять надо все 4 джампера) А так же при включении темброблока немного мутнеет звук ( Это мнение экспертов и особенности всех темброблоков, которые вносят фазовые сдвиги в разных частотных полосах) В этой модели усилителя добавлен блок конденсаторов фильтра питания анодных цепей выходных ламп , что увеличивает эту емкость в два раза и увеличивает динамику усилителя.
    Усилитель поставляется с включенным стабилизатором тока в предкаскадах и с включенной катодной ООС!!!
    Приятного прослушивания!!

    Александр Михайлович Заботин.

    Нажмите на изображение для увеличения. 

Название:	Вид слева 2.jpg 
Просмотров:	782 
Размер:	195.0 Кб 
ID:	415493Нажмите на изображение для увеличения. 

Название:	Вид справа 2.jpg 
Просмотров:	786 
Размер:	245.4 Кб 
ID:	415494Нажмите на изображение для увеличения. 

Название:	С добавочными конденсаторами 5.png 
Просмотров:	1106 
Размер:	1.14 Мб 
ID:	415495
    Последний раз редактировалось Sacha; 22.01.2022 в 02:02.

  2. #2
    Завсегдатай Аватар для fakel
    Регистрация
    30.11.2007
    Адрес
    Оренбург
    Возраст
    42
    Сообщений
    11,273

    По умолчанию Re: Усилитель РР с трансформаторным фазоинвертором Алекс 2х50W - TK

    А схема где?

  3. #3
    Завсегдатай Аватар для hippo64
    Регистрация
    20.05.2010
    Адрес
    Москва
    Возраст
    61
    Сообщений
    4,605

    По умолчанию Re: Усилитель РР с трансформаторным фазоинвертором Алекс 2х50W - TK

    Цитата Сообщение от fakel Посмотреть сообщение
    А схема где?
    Тоже продается. Время такое Бесплатно только птички поют.

  4. #4
    Завсегдатай Аватар для fakel
    Регистрация
    30.11.2007
    Адрес
    Оренбург
    Возраст
    42
    Сообщений
    11,273

    По умолчанию Re: Усилитель РР с трансформаторным фазоинвертором Алекс 2х50W - TK

    Предв каска че-то мало усиливает, у бета-повторителя должно быть близко к мю - в чем причина?
    д
    Транс у диффкаскада на 6Н30П - в анодах?

    А с сетки ведомого плеча на землю кондер есть же?

    В катодную ООС входит обмотка динамика?
    Последний раз редактировалось fakel; 22.01.2022 в 12:28.

  5. #5
    Частый гость
    Автор темы

    Регистрация
    27.07.2017
    Адрес
    г. Иваново
    Сообщений
    105

    По умолчанию Re: Усилитель РР с трансформаторным фазоинвертором Алекс 2х50W - TK

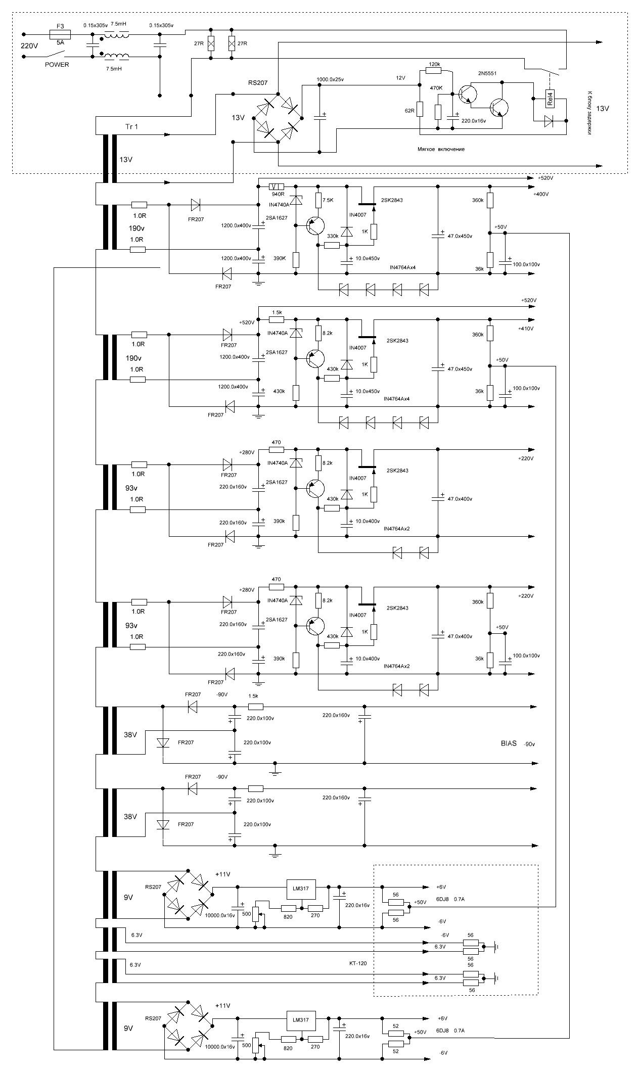
    Я в шапке спросил- если кого интересует - спрашивайте. Вот схема усилительного канала.Нажмите на изображение для увеличения. 

Название:	Схема  полная 6N30P +BSP129 c трансом 2.JPG 
Просмотров:	1668 
Размер:	316.3 Кб 
ID:	415521 И схема блока питания к нему. Нажмите на изображение для увеличения. 

Название:	Схема выпрямителя новый для КТ-150.JPG 
Просмотров:	840 
Размер:	325.7 Кб 
ID:	415522 Если нужны данные трансформаторов - вышлю!

  6. #6
    Завсегдатай Аватар для fakel
    Регистрация
    30.11.2007
    Адрес
    Оренбург
    Возраст
    42
    Сообщений
    11,273

    По умолчанию Re: Усилитель РР с трансформаторным фазоинвертором Алекс 2х50W - TK

    Цитата Сообщение от Sacha Посмотреть сообщение
    Если нужны данные трансформаторов - вышлю!
    Давай!

    Еще вопросы в дополнение к предыдущим

    Цель иcпользования межкаскадного транса? Сеточные токи кл А2? Напруги 470В хватает на обычный резистивный каскад

  7. #7
    Частый гость
    Автор темы

    Регистрация
    27.07.2017
    Адрес
    г. Иваново
    Сообщений
    105

    По умолчанию Re: Усилитель РР с трансформаторным фазоинвертором Алекс 2х50W - TK

    Он шунтирован резистором. Кроме того - если у Вас используется фазоинвертор с резистивной нагрузкой, то нагрузив его резистором утечки выходных ламп ( а для ламп серии КТ-88, КТ-120 , КТ-150) который по паспорту не более 47 ком - то у Вас выходное напряжение фазоинвертора упадет до некуда и обрастет кучей гармоник, А по данной схеме выдерживаются паспортные данные на выходные лампы по резистору утечки. А что бывает при несоблюдении этого условия - знаете - лампы идут со временем в разнос! А что бы суметь прокачать емкости межкаскадника и выбрана сильнотоковая лампа 6Н30П ( 6Н6П) Поэтому и верхний диапазон данного фазоинвертора доходит до 50-60 кгЦ по уровню -1 дб. Да и межкаскадник намотан для уменьшения внутренней емкости с шагом при намотке в 0.02-0.0.03 мм. А в случае , если бы я поставил на раскачку каскад SE - то межкаскадник бы был с сечением не менее 12-14 см\кв. ( засчет тока подмагничивания) У меня же его сечение сердечника всего 5 см\кв. Т.к ток подмагничивания взаимно уничтожается. Межкаскадник - на железе ПЛ. Две одинаковые катушки. Ну вот данные межкаскадника.Нажмите на изображение для увеличения. 

Название:	ПЛ 16x32x65  надо к проекту  6Н30П Так нужно - мотаем -2.JPG 
Просмотров:	570 
Размер:	142.3 Кб 
ID:	415527 Железо 0.08. И его надо мотать только на станке с автоукладчиком, т.к мотается с шагом! Я специально для этого сделал станок для намотки трансформаторов с автоукладчиком. Он здесь же опубликован . А то бы я мотал их до посинения! А вот его частотная характеристика по низам. А верха как и говорил - 50-60 кгЦ.Нажмите на изображение для увеличения. 

Название:	Частотка НЧ - межкаскадник.png 
Просмотров:	376 
Размер:	184.6 Кб 
ID:	415528

  8. #8
    Завсегдатай Аватар для DIM
    Регистрация
    14.05.2005
    Адрес
    Санкт Петербург
    Возраст
    54
    Сообщений
    2,953

    По умолчанию Re: Усилитель РР с трансформаторным фазоинвертором Алекс 2х50W - TK

    https://frank.pocnet.net/sheets/086/k/KT88.pdf
    Это к величине "резистора утечки".
    С уважением, Дмитрий Чуманов.

  9. #9
    Завсегдатай Аватар для fakel
    Регистрация
    30.11.2007
    Адрес
    Оренбург
    Возраст
    42
    Сообщений
    11,273

    По умолчанию Re: Усилитель РР с трансформаторным фазоинвертором Алекс 2х50W - TK

    Цитата Сообщение от Sacha Посмотреть сообщение
    Он шунтирован резистором.
    Кто?

    Цитата Сообщение от Sacha Посмотреть сообщение
    Кроме того - если у Вас используется фазоинвертор с резистивной нагрузкой, то нагрузив его резистором утечки выходных ламп ( а для ламп серии КТ-88, КТ-120 , КТ-150) который по паспорту не более 47 ком - то у Вас выходное напряжение фазоинвертора упадет до некуда и обрастет кучей гармоник,
    С чего бы? Выходное 6Н30П 1кОм, ей 47к как слону дробина

    Цитата Сообщение от Sacha Посмотреть сообщение
    А по данной схеме выдерживаются паспортные данные на выходные лампы по резистору утечки.
    Ну можно и Лофти-Уайт замутить

    Ну и стандартные улучшайки

    Сетку верхнего этажа первого каскада можно прицепить к истоку ПТ - транзистору похорошеет
    Хвост диффкаскада запитать от минусового смещения

    Вход ООС ДК при выключенной ООС болтается в воздухе, лучше заземлить

    Межкаскадник на схеме дважды неправильно сфазирован - по плечам и по входам-выходам. С такой фазировкой бифиляр будет иметь громадную емкость

  10. #10
    Частый гость
    Автор темы

    Регистрация
    27.07.2017
    Адрес
    г. Иваново
    Сообщений
    105

    По умолчанию Re: Усилитель РР с трансформаторным фазоинвертором Алекс 2х50W - TK

    Нажмите на изображение для увеличения. 

Название:	KT-120.jpg 
Просмотров:	403 
Размер:	180.0 Кб 
ID:	415530
    Вложения Вложения

  11. #11
    Завсегдатай Аватар для fakel
    Регистрация
    30.11.2007
    Адрес
    Оренбург
    Возраст
    42
    Сообщений
    11,273

    По умолчанию Re: Усилитель РР с трансформаторным фазоинвертором Алекс 2х50W - TK

    Что обмотка катодной ООС отдельно от выходной обмотки - это плохо

  12. #12
    Частый гость
    Автор темы

    Регистрация
    27.07.2017
    Адрес
    г. Иваново
    Сообщений
    105

    По умолчанию Re: Усилитель РР с трансформаторным фазоинвертором Алекс 2х50W - TK

    Подсоединение как Вы говорите хвоста дифкаскада к минусовому напряжению применяется, только если в катодах стоят резисторы в хвосте. И оно подается только лишь затем, что бы его увеличить и компенсировать потери от его большой величины напряжения. И , кстати если используется такое ( резистивное) решение заметьте, что в анодах дифкаскада стоят резисторы разной величины. Т.к лампы в нем работают. Первая - с общим катодом, а вторая с общей сеткой. И чтобы уравнять выходные напряжения плеч это и делается. В этом же каскаде в катоде стоит стабилизатор тока и в принципе как бы резистор хвоста уже имеет бесконечное сопротивлени ( теоретически) И в таком каскаде не нужны подпорки отрицательным напряжением. И выходные напряжения плеч абсолютно равны по умолчанию.

  13. #13
    Завсегдатай Аватар для fakel
    Регистрация
    30.11.2007
    Адрес
    Оренбург
    Возраст
    42
    Сообщений
    11,273

    По умолчанию Re: Усилитель РР с трансформаторным фазоинвертором Алекс 2х50W - TK

    Вторичка выходника на схеме не заземлена

    Цитата Сообщение от Sacha Посмотреть сообщение
    Подсоединение как Вы говорите хвоста дифкаскада к минусовому напряжению применяется, только если в катодах стоят резисторы в хвосте.
    Не обязательно. ИТ на голодном пайке может просаживать свое сопротивление на пиках амплитуды

  14. #14
    Частый гость
    Автор темы

    Регистрация
    27.07.2017
    Адрес
    г. Иваново
    Сообщений
    105

    По умолчанию Re: Усилитель РР с трансформаторным фазоинвертором Алекс 2х50W - TK

    С какой стати? Зачем обмотки катодной ОС должны быть связаны со вторичкой? Объясните! А транзистор BSP- 129 относится к категориии, которые имеют напряжение отсечки равное 0. А землю я действительно к выходной обмотке забыл подключить Очепятка! Моя вина. По данному схемному решению изготовлено несколько усилителей для моих заказчиков. Все параметры тщательно проверялись приборами и прослушиванием группой экспертов ( музыкантов). В описании написано мнение этой группы. Можно упростить данное схемное решение убрав темброблок. Я его ставил только по желанию заказчиков. И то он имеет очень малую глубину регулировки ( +- 6 дб) и стоит только для небольшой регулировки ( подстройки под разную акустику и разные помещения, где ведется прослушивание) И если его убрать, то можно и исключить из тракта единственный конденсатор - переходной на фазоинвертор. Но тогда регулятор входного уровня надо ставить на вход, что не желательно. И темброблок по мнению экспертов чуть замыливает звук. Но не все из их группы это заметили. Да и режим пентода я бы выкинул. Делал только для того, что бы заказчики поняли разницу в звучании разного включения ламп - триод - пентод. Разница большая. Пентод в основном на агрессивном музыкальном материале. Мое мнение - триод рулит! Под всякий материал. К тому же - ввод катодной ОС( 10%) уменьшает усиление выходного каскада на ту же или даже большую величину и требует большего напряжения раскачки. Данная схема фазоинвертора выдает по RMS выходное напряжение порядка 70 вольт при искажениях 0.3 % . И мы получаем большой запас по раскачке! Я уже давно знаю, что общая ООС ОЧЕНЬ портит звук, но тем не менее применяется почти во всех усилителях, выпускаемых в нынешнее время. К примеру знаменитый в свое время усилитель английской фирмы TVA-1 ( 70 г) имеет общую ООС порядка - 22дб!! И при её отсоединении при мощности 3 вт имеет искажения 15-20% !! ТОлько при включенной ООС он приобретает нужные паспортные данные. Но звук - никакой. Дело еще в том, что в то время еще не было HI-END и требований к этому классу усилителей! Тем не менее сейчас все продолжают собирать усилители по схемам 50-90 годов!
    Последний раз редактировалось Sacha; 22.01.2022 в 13:55.

  15. #15
    Завсегдатай Аватар для fakel
    Регистрация
    30.11.2007
    Адрес
    Оренбург
    Возраст
    42
    Сообщений
    11,273

    По умолчанию Re: Усилитель РР с трансформаторным фазоинвертором Алекс 2х50W - TK

    Цитата Сообщение от Sacha Посмотреть сообщение
    И выходные напряжения плеч абсолютно равны по умолчанию.
    Но лампы работают не в одинаковых условиях. Ведущее на полвходного меньше, ведомое - на те же полвходного - больше. См https://forum.vegalab.ru/showthread.php?t=81779

    Цитата Сообщение от Sacha Посмотреть сообщение
    С какой стати?
    См ВАХи ПТ (обрати внимание на начальный участок)

    Цитата Сообщение от fakel Посмотреть сообщение
    Предв каскад че-то мало усиливает, у бета-повторителя должно быть близко к мю - в чем причина?
    Ау!

    Цитата Сообщение от Sacha Посмотреть сообщение
    Зачем обмотки катодной ОС должны быть связаны со вторичкой? Объясните!
    Чтобы как можно точнее отслеживать напряжение на клеммах АС

    Цитата Сообщение от Sacha Посмотреть сообщение
    Мое мнение - триод рулит!
    Согласен. Но ему для нормальной раскачки нужен плюс в сетке. А тут и межкаскадник есть уже! Ставьте перед ним 2х-тактный катодный повторитель и вперед!

    Цитата Сообщение от Sacha Посмотреть сообщение
    общая ООС ОЧЕНЬ портит звук
    Просто мало кто умеет ее готовить, тем более в ламповиках. Последнее грамотное использование было тут http://www.radiolamp.ru/shem1/pages/52/

    Цитата Сообщение от Sacha Посмотреть сообщение
    HI-END и требований
    Золотые провода при ущербной схемотехнике - большая часть высокого конца

    Цитата Сообщение от Sacha Посмотреть сообщение
    А транзистор BSP- 129 относится к категориии, которые имеют напряжение отсечки равное 0
    И что? С какого напряжения сток-исток у него начинается пентодный режим?

  16. #16
    Частый гость
    Автор темы

    Регистрация
    27.07.2017
    Адрес
    г. Иваново
    Сообщений
    105

    По умолчанию Re: Усилитель РР с трансформаторным фазоинвертором Алекс 2х50W - TK

    Вот эмуляция в мультисиме.Нажмите на изображение для увеличения. 

Название:	Входной каскад.png 
Просмотров:	289 
Размер:	189.2 Кб 
ID:	415536 А общей ООС у меня нет и готовить ничего не надо! Я не повар, а радиоинженер и музыкант.

  17. #17
    Завсегдатай Аватар для fakel
    Регистрация
    30.11.2007
    Адрес
    Оренбург
    Возраст
    42
    Сообщений
    11,273

    По умолчанию Re: Усилитель РР с трансформаторным фазоинвертором Алекс 2х50W - TK

    Цитата Сообщение от Sacha Посмотреть сообщение
    К тому же - ввод катодной ОС( 10%) уменьшает усиление выходного каскада на ту же или даже большую величину и требует большего напряжения раскачки.
    Ее не совсем правильно вводят. Она действует на обе сетки - упр. и экр. а надо только на упр. Для этого на экр. надо ввести равную ей ПОС от отдельной обмотки

    Цитата Сообщение от Sacha Посмотреть сообщение
    А общей ООС у меня нет и готовить ничего не надо!
    Ну там нужно обойти вых транс по ВЧ

    Цитата Сообщение от Sacha Посмотреть сообщение
    Я не повар, а радиоинженер и музыкант
    Какое из них профильное?

  18. #18
    Завсегдатай Аватар для DIM
    Регистрация
    14.05.2005
    Адрес
    Санкт Петербург
    Возраст
    54
    Сообщений
    2,953

    По умолчанию Re: Усилитель РР с трансформаторным фазоинвертором Алекс 2х50W - TK

    Цитата Сообщение от fakel Посмотреть сообщение
    Ее не совсем правильно вводят. Она действует на обе сетки - упр. и экр. а надо только на упр. Для этого на экр. надо ввести равную ей ПОС от отдельной обмотки
    Достаточно питать экранные сетки от своего отдельного ИП. ПОС не нужна.
    С уважением, Дмитрий Чуманов.

  19. #19
    Частый гость
    Автор темы

    Регистрация
    27.07.2017
    Адрес
    г. Иваново
    Сообщений
    105

    По умолчанию Re: Усилитель РР с трансформаторным фазоинвертором Алекс 2х50W - TK

    Для fakel - почему и предпочтительней режим триод. В основном я радиоинженер. Через мои руки , поскольку я и музыкант прошло при ремонтах целая куча ламповых аппаратов за 70 лет моей жизни всевозможных фирм. И я усекал все их недостатки и достоинства. А это мои силовые торы с 24 выводами.Нажмите на изображение для увеличения. 

Название:	Тор мой.jpg 
Просмотров:	368 
Размер:	295.2 Кб 
ID:	415540 И их моточные данные. Нажмите на изображение для увеличения. 

Название:	Транс силовой Тор 550 вт - 115x70x64-4.JPG 
Просмотров:	387 
Размер:	99.7 Кб 
ID:	415541 Про выходник смотрите https://www.youtube.com/watch?v=0MFfQIILYnI&t=27s И про конденсатоы ( переходные) Сами возмите и проверьте. Замерьте прямо на конденсаторе посмотрите осцилограмму. /ПРи синусе все будет в норме - по нулям. А музыкальный сигнал имеет не симметричную форму и положительные полуволны не равны отрицательным ( в зависимости от музыкального материала) И на нем от этих изменений полуволн возникает напряжение равное разницы величин этих полуволн. И эта разница складывается с сеточным смещением последующего каскада и , естественно модулирует основной сигнал. А вот если конденсатор включить последовательно с обмоткой переходного трансформатора то влиияние уже не будет. Разве что только на мизерное подмагничивание транса ( переходного. Но здесь еще одна непрятность - образуется контур конденсатор - индуктивность обмотки транса. Получается резонансная частота. Вот и выбирайте! Я много разных схем пробовал и пришел именно к этому варианту. И сейчас заказов очень много, а зимой я не работаю, т.к у меня мастерская ( слесарная) не отапливаемая. Заказы и из Франции, и Канады. А в Германии у меня уже два усилителя. Собирайте- не пожалеете! Звук обалденный! И вот мнение А. Лихницкого.

    Так существует ли в действительности феномен транзисторного и лампового звучания? Думаю, что на интуитивном уровне можно отдать предпочтение лампе, как вакуумному
    проводнику, перед имеющим кристаллическую структуру транзистором. Однако, кроме малоубедительных результатов прослушивания, данных, что транзистор при правильном
    его использовании звучит хуже, чем лампа, нет.
    В то же время среди разработчиков „хай-эндовых” усилителей постепенно сформировалось мнение, что дело вовсе не в транзисторах, а в ООС, без которой не обходится ни
    один усилитель на транзисторах. Стало ясно: ООС разрушает музыкальный сигнал.
    Объяснение это пришло, когда выяснилось, что в петле ООС циркулируют запаздывающие копии сигнала. Причиной образования этих копий стали сложные физические
    явления в проводниках и других используемых в усилителе элементах.
    Как это ни парадоксально, вред от ООС в усилителях оказался большим, чем применение в них такого анахронизма, как выходной трансформатор.
    Если же усилитель на лампах выполнить в схемотехнике, близкой к транзисторным усилителям (то есть начать применять ООС), то преимущество ламп перед транзисторами
    будет сведено на нет.
    Косвенным подтверждением этого можно считать постепенное исчезновение с аудиорынка сложных ламповых усилителей типа „OTL” (с бестрансформаторным выходом) по
    цене от 4 до 10 тысяч долларов и одновременное появление на нем простеньких усилителей на триодах с трансформаторным выходом по цене больше 200 тысяч долларов.
    Думаю, что, если в транзисторном усилителе удастся когда-нибудь полностью избавиться от ООС, ламповый барьер будет преодолен

    А. Лихницкий
    Последний раз редактировалось Sacha; 22.01.2022 в 15:17.

  20. #20
    Завсегдатай Аватар для fakel
    Регистрация
    30.11.2007
    Адрес
    Оренбург
    Возраст
    42
    Сообщений
    11,273

    По умолчанию Re: Усилитель РР с трансформаторным фазоинвертором Алекс 2х50W - TK

    Цитата Сообщение от DIM Посмотреть сообщение
    Достаточно питать экранные сетки от своего отдельного ИП. ПОС не нужна.
    Вариант. Но тогда ИП будет плавать. Для цирклотрона - в самый раз!

    Цитата Сообщение от Sacha Посмотреть сообщение
    Для fak и предпочтительней режим триод.
    В триодном режиме местная ООС (та, что работает в ультралинее) - максимальна
    https://next-tube.com/articles/Veen2/Veen2EN.pdf

Страница 1 из 13 12311 ... Последняя

Социальные закладки

Социальные закладки

Ваши права

  • Вы не можете создавать новые темы
  • Вы не можете отвечать в темах
  • Вы не можете прикреплять вложения
  • Вы не можете редактировать свои сообщения
  •