Показано с 1 по 13 из 13

Тема: Подружить RPi (Volumio) с Avid 442

  1. #1
    Новичок
    Автор темы
    Аватар для aleev
    Регистрация
    14.02.2020
    Сообщений
    29

    По умолчанию Подружить RPi (Volumio) с Avid 442

    Добрый день, коллеги!
    Есть задумка - прошу прокомментировать и, по возможности, помочь в достижении желаемого.

    Имеются:
    - Raspberry Pi 3+ с установленным Volumio
    - Счетверенный интерфейс Avid 442 IO (ЦАП 4хAD1860, фильтры 2хSM5813, приемник CS8412 )
    - Плата преобразования i2S сигнала на AK4137 (кандидат на использование)
    - Плата преобразования i2S сигнала на CS8421 (альтернативный кандидат на использование)

    Глобально хочется получить в одном корпусе:
    - Потоковый стример (Volumio) c ЦАП (2хAD1860) - RPi => I2S (без клока) => Конвертер => I2S => SM5813 => 2хAD1860 с родным выхлопом
    - ЦАП (2хAD1860) со входом SPDIF - CS8412 => SM5813 => 2хAD1860 с родным выхлопом

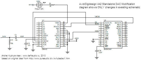
    По второму пункту в Интернете есть работающая схема перекоммутации - и здесь вопросов нет.
    Нажмите на изображение для увеличения. 

Название:	avid442_dac.jpg 
Просмотров:	221 
Размер:	81.0 Кб 
ID:	381067

    По Volumio пытаюсь подключить следуя следующей логике:
    Выход I2S RPi не несет в себе сигнал Clock
    Нажмите на изображение для увеличения. 

Название:	RPi_Gpio.jpg 
Просмотров:	192 
Размер:	100.7 Кб 
ID:	381068
    Этот выход подключаю ко входу конвертера
    Нажмите на изображение для увеличения. 

Название:	AK4137.jpg 
Просмотров:	225 
Размер:	223.8 Кб 
ID:	381069
    Выход с конвертера подключаю по дата-шиту к SM5813, которую перенес на панельку и отогнул необходимые для коммутации ножки.

    Сигнала на выходах AD1860 нет

    Собственно вопрос:
    Какие настройки входа и выхода AK4137 нужно выставлять?

    Варианты такие:
    вход
    1. I2S (I2S format also called Philips format 16-32bit)
    2. LJ (left-aligned format 16-32bit)
    3. RJ24 (right-aligned also called Sony format 24bit)
    4. RJ32 (right-aligned also called Sony format 32bit)

    выход
    • I2S format
    • LJ (left-justified format)
    • RJ (right-justified format)
    Все три могут быть:
    16bit 20bit 24bit 32bit data 44.1K 48K 88.2K 96K 176.4K 192K 352.8K 384K sampling rate

    Исходя из документации думаю, что этот выход для адекватного восприятия SM5813 должен быть RJ 16 bit.

    Пробовал по-разному - не получается.

    Если кто-то уже разбирался - буду крайне благодарен за совет.
    Если готовы помочь разобраться мне - сниму и опубликую здесь осциллограммы сигналов в разных вариациях.

    Заранее благодарен.
    Последний раз редактировалось aleev; 28.09.2020 в 12:48.

  2. #2
    Частый гость Аватар для Chaa
    Регистрация
    23.08.2006
    Адрес
    Курган
    Сообщений
    377

    По умолчанию Re: Подружить RPi (Volumio) с Avid 442

    А на контактах GPIO (12, 35, 40) есть данные при воспроизведении файла?
    То есть вопрос в том, правильно ли настроен вывод на I2S в Volumio. Там должен быть выбран вывод через I2S и "generic-dac" или "hifiberry-dac".

  3. #3
    Новичок
    Автор темы
    Аватар для aleev
    Регистрация
    14.02.2020
    Сообщений
    29

    По умолчанию Re: Подружить RPi (Volumio) с Avid 442

    В Volumio выбран внешний DAC. Пробовал и generic и hifiberry - в обоих случаях сигнал на пинах PRi есть.
    Я их подаю на AK4137, установив вход (по моему пониманию) PCM I2S.
    НА выходе перебирал все варианты RJ 16-bit - звука нет.

    Я же правильно понимаю - это RJ?
    Нажмите на изображение для увеличения. 

Название:	SM5813_RJ.png 
Просмотров:	154 
Размер:	42.6 Кб 
ID:	381070

  4. #4
    Частый гость Аватар для Chaa
    Регистрация
    23.08.2006
    Адрес
    Курган
    Сообщений
    377

    По умолчанию Re: Подружить RPi (Volumio) с Avid 442

    От микросхемы AK4137 вы передаете в ЦФ четыре линии: 24 MCKO, 27 SDTO, 28 OBICK и 29 OLRCK.
    А на них есть данные?

  5. #5
    Не хочу! Аватар для Alex
    Регистрация
    20.03.2003
    Адрес
    Worldwide
    Возраст
    63
    Сообщений
    39,057

    По умолчанию Re: Подружить RPi (Volumio) с Avid 442

    Цитата Сообщение от aleev Посмотреть сообщение
    Я же правильно понимаю - это RJ?
    Это RJ16.
    RJ - самый неуниверсальный формат, поскольку ему надо сразу указывать разрядность - 16, 24 32.
    Philips-I2S и LJ в этом плане получше.
    "Замполит, чайку?"(с)"Охота за Красным Октябрем".
    "Да мне-то что, меняйтесь!"(с)анек.
    <-- http://altor1.narod.ru --> Вопросы - в личку, е-мейл, скайп.

  6. #6
    Новичок
    Автор темы
    Аватар для aleev
    Регистрация
    14.02.2020
    Сообщений
    29

    По умолчанию Re: Подружить RPi (Volumio) с Avid 442

    Да, передаю 4 линии на фильтр. Фильтр стоит в панельке и именно эти ноги отогнуты в стороны + SYNC (он на землю).
    Остальные ноги соединены по схеме устройства. Все, как на этой схеме, но вход не с CS8412, а с AK4137
    Нажмите на изображение для увеличения. 

Название:	avid442_dac.jpg 
Просмотров:	138 
Размер:	81.0 Кб 
ID:	381071

    Сигнал есть. Вечером смогу дать скриншоты с осциллографа.

    To Alex: Я понял, но какой есть - SM5813 иначе ведь не сконфигуришь...

    ---------- Сообщение добавлено 23:36 ---------- Предыдущее сообщение было 23:21 ----------

    Скриншоты ниже.
    Смущает малая амплитуда MCLK - всего 400 мВ

    ---------- Сообщение добавлено 23:55 ---------- Предыдущее сообщение было 23:36 ----------
    Миниатюры Миниатюры Нажмите на изображение для увеличения. 

Название:	DATA_LRCK.jpg 
Просмотров:	136 
Размер:	128.7 Кб 
ID:	381109   Нажмите на изображение для увеличения. 

Название:	DATA_BCK.jpg 
Просмотров:	155 
Размер:	152.1 Кб 
ID:	381110   Нажмите на изображение для увеличения. 

Название:	MCLK_BCK.jpg 
Просмотров:	139 
Размер:	153.1 Кб 
ID:	381111   Нажмите на изображение для увеличения. 

Название:	CS8421.png 
Просмотров:	135 
Размер:	339.4 Кб 
ID:	381112  

    Последний раз редактировалось aleev; 28.09.2020 в 23:35.

  7. #7
    Не хочу! Аватар для Alex
    Регистрация
    20.03.2003
    Адрес
    Worldwide
    Возраст
    63
    Сообщений
    39,057

    По умолчанию Re: Подружить RPi (Volumio) с Avid 442

    Цитата Сообщение от aleev Посмотреть сообщение
    Смущает малая амплитуда MCLK - всего 400 мВ
    Ну одно из двух - или там сигнал посажен или измерения некорректные.
    Может щуп в скопе поганый, или фильтр какой включен? Я Овоны только на картинке видел, но думаю что если у него есть развертка 50нс/кл. и аквизишн 500мб/с, то нещастных 22МГц он показывать должен.
    "Замполит, чайку?"(с)"Охота за Красным Октябрем".
    "Да мне-то что, меняйтесь!"(с)анек.
    <-- http://altor1.narod.ru --> Вопросы - в личку, е-мейл, скайп.

  8. #8
    Новичок
    Автор темы
    Аватар для aleev
    Регистрация
    14.02.2020
    Сообщений
    29

    По умолчанию Re: Подружить RPi (Volumio) с Avid 442

    Спасибо. Поковыряюсь завтра. Правильно понимаю, что кроме амплитуды MCLK все в порядке?

  9. #9
    Частый гость Аватар для Chaa
    Регистрация
    23.08.2006
    Адрес
    Курган
    Сообщений
    377

    По умолчанию Re: Подружить RPi (Volumio) с Avid 442

    Посмотрите еще в ЦАП схему MUTE. Так как у вас SPDIF приемник не работает, возможно выход ЦАП отключен.

  10. #10
    Новичок
    Автор темы
    Аватар для aleev
    Регистрация
    14.02.2020
    Сообщений
    29

    По умолчанию Re: Подружить RPi (Volumio) с Avid 442

    Вряд ли. Индикаторы прыгают и шум идёт.

    ---------- Сообщение добавлено 18:19 ---------- Предыдущее сообщение было 10:12 ----------

    Alex, большое спасибо - заменил комплект щупов (просто выходы с платы ak4137 без подключения к SM5813):
    Нажмите на изображение для увеличения. 

Название:	DATA+BCK.jpg 
Просмотров:	125 
Размер:	135.3 Кб 
ID:	381135Нажмите на изображение для увеличения. 

Название:	DATA+LRCK.jpg 
Просмотров:	124 
Размер:	106.5 Кб 
ID:	381136Нажмите на изображение для увеличения. 

Название:	DATA+MCLK.jpg 
Просмотров:	141 
Размер:	165.1 Кб 
ID:	381137Нажмите на изображение для увеличения. 

Название:	LRCK+MCLK.jpg 
Просмотров:	135 
Размер:	160.3 Кб 
ID:	381138
    При подключении MCLK проседает до вольта (вероятно на проводе падает - вроде 9 см...) На AD1860 клок нестабильный и еще ниже уровнем.
    На выходе на слух хрип в такт музыке ((

    ---------- Сообщение добавлено 18:21 ---------- Предыдущее сообщение было 18:19 ----------

    Забыл - при подключении щупа на данные или lrck амплитуда mclk увеличивается и индикаторы интенсивнее моргают, но все равно хрип.

  11. #11
    Не хочу! Аватар для Alex
    Регистрация
    20.03.2003
    Адрес
    Worldwide
    Возраст
    63
    Сообщений
    39,057

    По умолчанию Re: Подружить RPi (Volumio) с Avid 442

    Цитата Сообщение от aleev Посмотреть сообщение
    При подключении MCLK проседает до вольта (вероятно на проводе падает - вроде 9 см...)
    Чтобы так просело на 9см провода, это должен быть не провод а грифель от карандаша...
    "Замполит, чайку?"(с)"Охота за Красным Октябрем".
    "Да мне-то что, меняйтесь!"(с)анек.
    <-- http://altor1.narod.ru --> Вопросы - в личку, е-мейл, скайп.

  12. #12
    Старый знакомый Аватар для Андрей К
    Регистрация
    03.08.2011
    Адрес
    Россия, г.Самара.
    Возраст
    59
    Сообщений
    486

    По умолчанию Re: Подружить RPi (Volumio) с Avid 442

    aleev, фильтр в курсе что на него идет мастерклок 512фс?

  13. #13
    Новичок
    Автор темы
    Аватар для aleev
    Регистрация
    14.02.2020
    Сообщений
    29

    По умолчанию Re: Подружить RPi (Volumio) с Avid 442

    Упссс .. вероятно не в курсе. А как изменить на ak4137?

    ---------- Сообщение добавлено 13:09 ---------- Предыдущее сообщение было 09:52 ----------

    To Андрей К:
    Андрей, спасибо огромное - переконфигурил фильтр на прием 512fs и все заработало!
    Если сообществу интересно - по завершении этого "комбайна" дам полную раскладку по коммутации.

    Еще раз всем большое спасибо!

Социальные закладки

Социальные закладки

Ваши права

  • Вы не можете создавать новые темы
  • Вы не можете отвечать в темах
  • Вы не можете прикреплять вложения
  • Вы не можете редактировать свои сообщения
  •