Добрый день!!!
Просьба к уважаемым участникам форума...
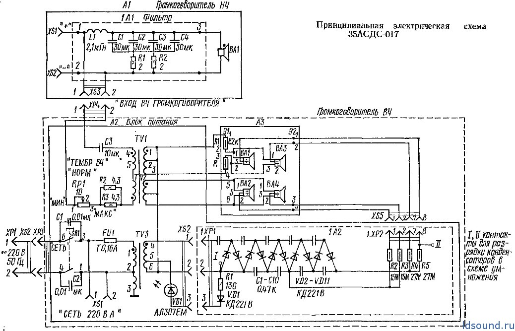
1. Каким образом "рассчитывается" фильтр (схема) подключения СЧ-ВЧ блока? Выдержка из паспорта:
-два трансформатора, обеспечивающие подведение электрического сигнала звуковой частоты к средне- и высокочастотным излучателям, и одновременно электрическое разделение средне- и высокочастотных полос АС;
- полосовой трансформатор среднечастотной полосы имеет коэффициент трансформации 240, а трансформатор высокочастотной полосы — 160. Частота раздела между этими полосами 4000 Гц;
2. Есть ли альтернативный способ подключения СЧ-ВЧ блока к ламповому УМЗЧ? ("Заводской" вариант - через 10 мкФ - понятен). СтоИт вопрос про подключение к УМЗЧ на "НЕэкстремальных" (высоковольтных) лампах, а "обычных" - 250-300 V, 40-80 mA.
Заранее благодарен,
Алексей.
![]()



Социальные закладки