Страница 1 из 3 123 Последняя
Показано с 1 по 20 из 49

Тема: Доработка PMA-720AE

  1. #1
    Частый гость
    Автор темы
    Аватар для zstk-nsk
    Регистрация
    20.11.2015
    Сообщений
    169

    По умолчанию Доработка PMA-720AE

    Всем доброго времени суток.

    Дошли руки до своего PMA-720AE. Вскрытие показало просто колоссальное число перемычек на плате, в том числе и по питанию оконечников. Вопрос собственно в том, будет ли толк в проброске питания и земли нормальными проводами с одновременным увеличением ёмкостей по питанию оконечника в непосредственной близости от транзисторов ? Может кто то с этим усилителем уже что то делал, интересно было бы узнать что (помимо замены проходных электролитов на плёнку) )

  2. #2
    Частый гость Аватар для z.wadim
    Регистрация
    14.12.2010
    Адрес
    Смоленская обл.
    Сообщений
    182

    По умолчанию Re: Доработка PMA-720AE

    Продублируйте ак. кабелем дорожки/перемычки, увеличьте емкости. Это всегда идет на пользу. Проблема в том, что у 720 всего один нормальный вход - CD, остальные - через эл. селектор.

  3. #3
    Частый гость Аватар для коста
    Регистрация
    24.08.2008
    Сообщений
    120

    По умолчанию Re: Доработка PMA-720AE

    Это вот эти ёмкости хотите менять,ну..ну.

    Нажмите на изображение для увеличения. 

Название:	Denon-PMA-720AE-inside.jpg 
Просмотров:	1834 
Размер:	109.5 Кб 
ID:	298905

  4. #4
    Частый гость
    Автор темы
    Аватар для zstk-nsk
    Регистрация
    20.11.2015
    Сообщений
    169

    По умолчанию Re: Доработка PMA-720AE

    Менять самой собой ну...ну... Ведь всегда можно добавить не трогая то, что есть, очень аккуратно, если руки из правильного места растут ) Про остальное понял, спасибо.

    Ещё интересно, есть ли смысл выделенный электролит заменить на плёнку ?

    Нажмите на изображение для увеличения. 

Название:	Снимок2.JPG 
Просмотров:	2265 
Размер:	202.2 Кб 
ID:	298906

    У меня есть отличный внешний селектор входов, он как раз подключен к CD, так что для меня этот момент не проблема.

  5. #5
    Частый гость Аватар для z.wadim
    Регистрация
    14.12.2010
    Адрес
    Смоленская обл.
    Сообщений
    182

    По умолчанию Re: Доработка PMA-720AE

    Этот электролит можно и не трогать, так и так много чего можно сделать. Например, развязать питание предварительных каскадов в УМ от выходных транзисторов, заменить электролит обратной связи в УМ.

  6. #6
    Частый гость
    Автор темы
    Аватар для zstk-nsk
    Регистрация
    20.11.2015
    Сообщений
    169

    По умолчанию Re: Доработка PMA-720AE

    Вы правы, внимательное изучение схемы дало понимание, что можно много чего улучшить.

  7. #7
    Hate cookies Аватар для abonent007
    Регистрация
    15.04.2009
    Адрес
    Минск
    Сообщений
    2,426

    По умолчанию Re: Доработка PMA-720AE

    Цитата Сообщение от z.wadim Посмотреть сообщение
    Проблема в том, что у 720 всего один нормальный вход - CD, остальные - через эл. селектор.
    А CD по-вашему святым духом?

    зы. Сама схема мощника черезчур простовата, и выглядит как оконечник в ресивере для ДК. Имхо лучший твик для него - "некопанность", и продажа на барахолке
    Миниатюры Миниатюры Нажмите на изображение для увеличения. 

Название:	input.png 
Просмотров:	590 
Размер:	83.8 Кб 
ID:	299312  

  8. #8
    Злой Аватар для _Ру_
    Регистрация
    25.05.2015
    Возраст
    42
    Сообщений
    2,186

    По умолчанию Re: Доработка PMA-720AE

    Цитата Сообщение от abonent007 Посмотреть сообщение
    А CD по-вашему святым духом?
    ЦД вход - через реле.

    Цитата Сообщение от abonent007 Посмотреть сообщение
    схема
    И что это за схема? Какое она имеет отношение к 720ае ?

    Действительно, схема от 720-го. Интересное кино.

    У 500ае цд вход через реле. У 510/520 тоже, насколько я помню.

  9. #9
    Hate cookies Аватар для abonent007
    Регистрация
    15.04.2009
    Адрес
    Минск
    Сообщений
    2,426

    По умолчанию Re: Доработка PMA-720AE

    Цитата Сообщение от _Ру_ Посмотреть сообщение
    И что это за схема?
    Эта, не?
    Вложения Вложения

  10. #10
    Злой Аватар для _Ру_
    Регистрация
    25.05.2015
    Возраст
    42
    Сообщений
    2,186

    По умолчанию Re: Доработка PMA-720AE

    Цитата Сообщение от abonent007 Посмотреть сообщение
    Эта, не?
    Эта. Но прокрути вниз и посмотри полную схему.

  11. #11
    Hate cookies Аватар для abonent007
    Регистрация
    15.04.2009
    Адрес
    Минск
    Сообщений
    2,426

    По умолчанию Re: Доработка PMA-720AE

    _Ру_, ага, на блок-схеме все входы идут через микруху-селектор LC78212. А на самой схеме есть реле. Должна быть интрига

  12. #12
    Злой Аватар для _Ру_
    Регистрация
    25.05.2015
    Возраст
    42
    Сообщений
    2,186

    По умолчанию Re: Доработка PMA-720AE

    Видимо, блок-схема точной быть не обязана.
    У меня есть 500ае. ЦД вход звучит заметно лучше остальных, проверено в слепом тесте с моментальным переключением.

  13. #13
    PaX PALANTiRA Аватар для EDDiE
    Регистрация
    13.02.2006
    Адрес
    GAZ-A-LAGO
    Сообщений
    13,266

    По умолчанию Re: Доработка PMA-720AE

    Цитата Сообщение от zstk-nsk Посмотреть сообщение
    интересно было бы узнать что (помимо замены проходных электролитов на плёнку) )
    Цитата Сообщение от Alex Посмотреть сообщение
    "Проходные конденсаторы" - в аудиотехнике не применяются.
    Разделительные....

  14. #14
    Hate cookies Аватар для abonent007
    Регистрация
    15.04.2009
    Адрес
    Минск
    Сообщений
    2,426

    По умолчанию Re: Доработка PMA-720AE

    Цитата Сообщение от _Ру_ Посмотреть сообщение
    Видимо, блок-схема точной быть не обязана
    Короч, всё что можно было уже твикнуто из коробки. Кроме самой посредственности мощника

  15. #15
    Злой Аватар для _Ру_
    Регистрация
    25.05.2015
    Возраст
    42
    Сообщений
    2,186

    По умолчанию Re: Доработка PMA-720AE

    Мне бы и в голову не пришло "твикать" свой 500ае. Это реально глупость.
    Так что, дорогой zstk-nsk, не занимайтесь фигней. Если аппарат не устраивает, то его нужно просто продать. Твикать там нечего.

  16. #16
    Частый гость
    Автор темы
    Аватар для zstk-nsk
    Регистрация
    20.11.2015
    Сообщений
    169

    По умолчанию Re: Доработка PMA-720AE

    Цитата Сообщение от _Ру_ Посмотреть сообщение
    У 500ае цд вход через реле. У 510/520 тоже, насколько я помню.
    Открою тайну, у 1520AE всё тоже самое, он во многом брат близнец с 520/720.

    Цитата Сообщение от abonent007 Посмотреть сообщение
    Короч, всё что можно было уже твикнуто из коробки. Кроме самой посредственности мощника
    Это не так, там много чего можно сделать. Этого мощника выше крыши для 8-омной акустики с чуйкой от 89+db, не думаю, что кому то в здравом уме придёт в голову цеплять к нему 4-х омную AC с сч.нч динами размером от 7 дюймов.

    Цитата Сообщение от _Ру_ Посмотреть сообщение
    Так что, дорогой zstk-nsk, не занимайтесь фигней. Если аппарат не устраивает, то его нужно просто продать. Твикать там нечего.
    Заниматься фигнёй - писать совершенно бессмысленны посты не имеющие отношения к делу, тем более, что я не просил меня в чём то убеждать или разубеждать. Рекомендую поставить перед собой этот усилитель и воспользоваться осциллографом + анализатором спектра, тогда и не будет мыслей, что твикать там нечего. Тем более, что кое какие модификации уже сделаны и результат радует. LC78212 выкинул и поставил селектор на нормальных реле, управляется это отдельным mk, который обрабатывает сигналы предназначенные для LC78212, предварительный усилитель сейчас питается от отдельного транса, в обратной связи поставил временно в экспериментальных целях Cerafine вместо Silmic II по причине временного отсутствия нормальной плёнки, воткнул отсутствующие C360,361,362,363, всё ту же Cerafine 100uF/50V. Результат стал сразу заметен, добавилось деталей по вч и сч, бас стал более упругим и его стало больше.

    _Ру_, этот усилитель у меня для дачи, летом работает в паре со старенькой MA Bronze BX5, с этой AC он прекрасно справляется и этой AC сильноточного усилителя на полевиках не нужно, сейчас же с окончанием дачного сезона он просто подопытный кролик для научно-развлекательных целей. К тому же я разработчик и к тому же очень любопытный, так что я не вижу ничего зазорного в том, что бы посидеть с девайсом, тем более, что есть шанс что то улучшить. И тематики УМЗЧ я не касался уже лет с 20, теперь просто наверстываю упущенное или это запрещено и такие стремления должны искореняться ? Уж простите меня, уважаемые гуру, я просто не вижу логики во многих Ваших постах, которые напоминают мне только одно - мнение это всё, знания (включая их получение) ничто.
    Последний раз редактировалось zstk-nsk; 22.08.2017 в 01:15.

  17. #17
    Злой Аватар для _Ру_
    Регистрация
    25.05.2015
    Возраст
    42
    Сообщений
    2,186

    По умолчанию Re: Доработка PMA-720AE

    Цитата Сообщение от zstk-nsk Посмотреть сообщение
    Открою тайну
    Мне-то?
    Спасибо, но для меня это тайной не является, схемы я видел.

    Цитата Сообщение от zstk-nsk Посмотреть сообщение
    я не просил меня в чём то убеждать или разубеждать.
    Разумеется. Мы это делаем по доброте душевной, которую Вы не оценили.

  18. #18
    Частый гость
    Автор темы
    Аватар для zstk-nsk
    Регистрация
    20.11.2015
    Сообщений
    169

    По умолчанию Re: Доработка PMA-720AE

    Ну что ж поделать, раз я такой нехороший человек )

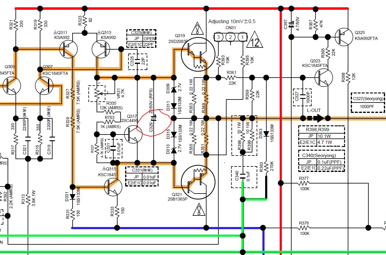
    Вчера поменял дешёвые электролиты C503,C504,C505,C506,C507,C508,C600,C601,C602,C360,C361,C362,C363,C221,C223,C220 на аналогичные ёмкости Silmic II с напругой 50V, немного улучшился тональный баланс (ушла лёгкая "тяжесть" в звуке), добавилось деталей. Осталось определиться с операционником IC52 (NJM2068D буфер перед регулятором тембра) и заменить электролиты в регуляторе тембра на нормальные и думаю на этом можно будет заканчивать, ну может быть ещё добавить 4 штуки LKG1H222MESYAK (2200uF 50V), прямо к ногам каждого транзистора, правда нет уверенности, что динамика улучшится.
    Последний раз редактировалось zstk-nsk; 25.08.2017 в 19:21.

  19. #19
    Hate cookies Аватар для abonent007
    Регистрация
    15.04.2009
    Адрес
    Минск
    Сообщений
    2,426

    По умолчанию Re: Доработка PMA-720AE

    Цитата Сообщение от zstk-nsk Посмотреть сообщение
    Осталось определиться с операционником IC52 (NJM2068D буфер перед регулятором тембра) и заменить электролиты в регуляторе тембра на нормальные
    Наверное проще будет нажать кнопку Direct, и таким образом пустить сигнал в обход тех электролитов и операционников в регуляторе тембра

  20. #20
    Старый знакомый
    Регистрация
    10.07.2008
    Адрес
    Москва
    Сообщений
    648

    По умолчанию Re: Доработка PMA-720AE

    Цитата Сообщение от zstk-nsk Посмотреть сообщение
    в обратной связи поставил временно в экспериментальных целях Cerafine вместо Silmic II по причине временного отсутствия нормальной плёнки, воткнул отсутствующие C360,361,362,363, всё ту же Cerafine 100uF/50V. Результат стал сразу заметен, добавилось деталей по вч и сч, бас стал более упругим и его стало больше.
    Ребята, не хочу быть назойливым, много уже где писал, но попробуйте конденсаторы ECAS (тоже полярные), по моим экспериментам оказались лучше силмиков. Сделать из низ выводные очень легко. Только в сигнальных цепях.
    В таком устройстве, как ваш не пробовал, но думаю должно быть также лучше. Если попробуете сообщите о результатах.

    ---------- Post Merged at 18:44 ---------- Previous Post was at 18:42 ----------

    Цитата Сообщение от zstk-nsk Посмотреть сообщение
    Менять самой собой ну...ну... Ведь всегда можно добавить не трогая то, что есть, очень аккуратно, если руки из правильного места растут ) Про остальное понял, спасибо.

    Ещё интересно, есть ли смысл выделенный электролит заменить на плёнку ?

    Нажмите на изображение для увеличения. 

Название:	Снимок2.JPG 
Просмотров:	2265 
Размер:	202.2 Кб 
ID:	298906

    У меня есть отличный внешний селектор входов, он как раз подключен к CD, так что для меня этот момент не проблема.
    Кондёр c329 лучше получше, где-то 10-20 мкФ той же вольтажности. Силмики туда хорошо подойдут.
    На плёнку не поменяете из за габаритов
    Последний раз редактировалось junz; 26.08.2017 в 19:07.

Страница 1 из 3 123 Последняя

Социальные закладки

Социальные закладки

Ваши права

  • Вы не можете создавать новые темы
  • Вы не можете отвечать в темах
  • Вы не можете прикреплять вложения
  • Вы не можете редактировать свои сообщения
  •