Показано с 1 по 5 из 5

Тема: Назначение конденсатора в схеме усилителя Onkyo

  1. #1
    Новичок
    Автор темы
    Аватар для AndreyGo
    Регистрация
    19.05.2010
    Сообщений
    12

    По умолчанию Назначение конденсатора в схеме усилителя Onkyo

    Здравствуйте!
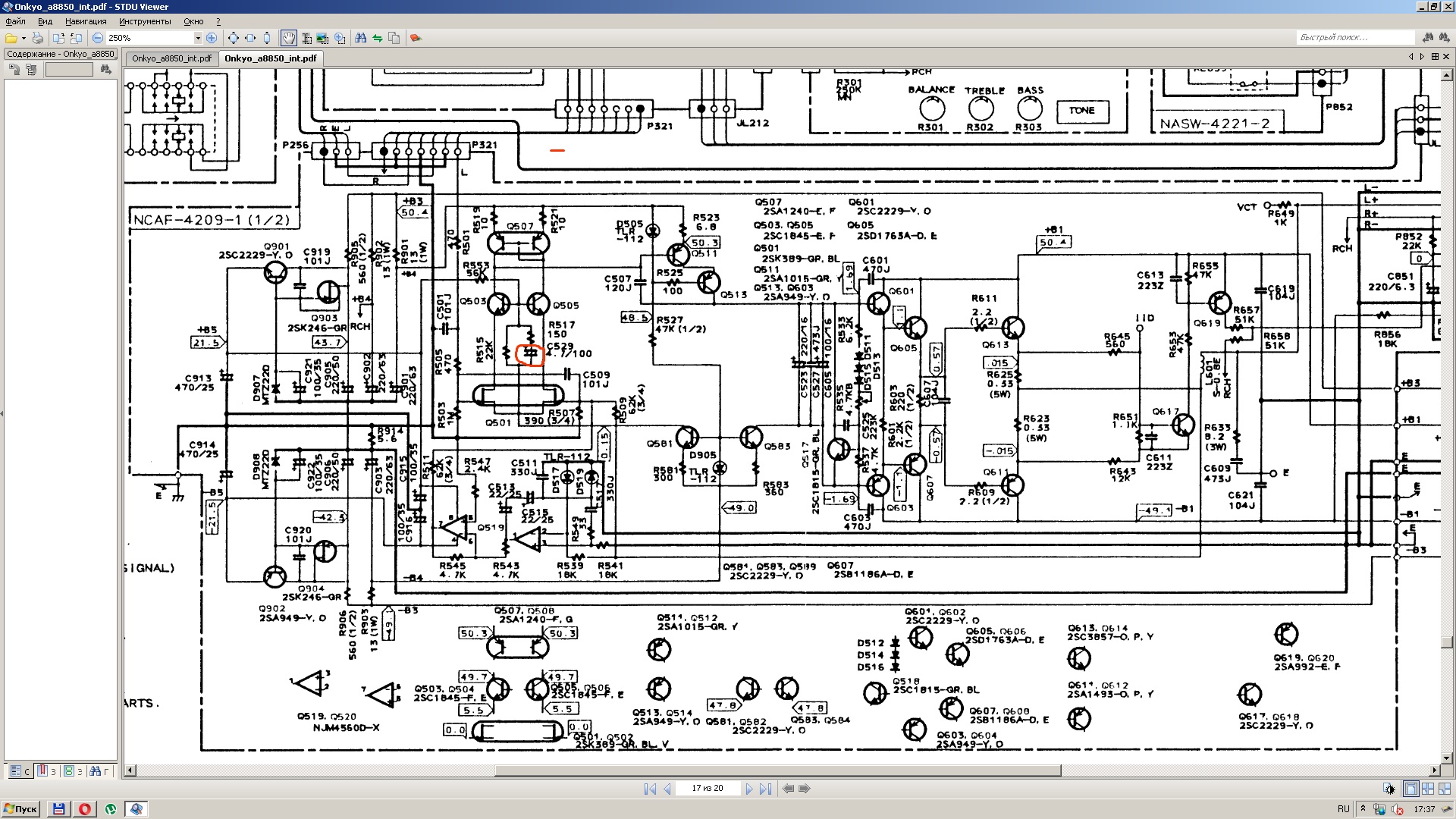
    Подскажите назначение конденсатора обозначенного на схеме в усилителе Onkyo 8850.Возможно ли изменение его номинала в сторону увеличения?
    Миниатюры Миниатюры Нажмите на изображение для увеличения. 

Название:	8850.jpg 
Просмотров:	892 
Размер:	700.3 Кб 
ID:	261496  

  2. #2
    Завсегдатай Аватар для MikeF
    Регистрация
    04.11.2004
    Адрес
    Кемерово
    Возраст
    42
    Сообщений
    3,107

    По умолчанию Re: Назначение конденсатора в схеме усилителя Onkyo

    Входной дифкаскад каскодный. Конденсатор шунтирует цепь смещения этого следящего каскода на ВЧ. Думаю 10 мкФ можно поставить, больше - надо смотреть на предмет переходного процесса при включении. Зачем его увеличивать захотелось?
    Для связи: Skype и почта на моём сайте в профиле.
    С уважением,
    Михаил.

  3. #3
    Новичок
    Автор темы
    Аватар для AndreyGo
    Регистрация
    19.05.2010
    Сообщений
    12

    По умолчанию Re: Назначение конденсатора в схеме усилителя Onkyo

    Есть хороший конденсатор 22 мкф.Стоял обычный.

  4. #4
    Завсегдатай Аватар для MikeF
    Регистрация
    04.11.2004
    Адрес
    Кемерово
    Возраст
    42
    Сообщений
    3,107

    По умолчанию Re: Назначение конденсатора в схеме усилителя Onkyo

    Попробовать можно, не взорвется
    Для связи: Skype и почта на моём сайте в профиле.
    С уважением,
    Михаил.

  5. #5
    Новичок
    Автор темы
    Аватар для AndreyGo
    Регистрация
    19.05.2010
    Сообщений
    12

    По умолчанию Re: Назначение конденсатора в схеме усилителя Onkyo

    Я смотрел СМ на разные усилители этой фирмы, во многих стоит эта цепочка, только разные номиналы.В частности конденсаторы стоят от 4,7 мкф до 47 мкф, и резисторы разные.Звук от замены конденсатора меняется.Стояли Nichicon VX, поставлю Elna Cerafine.

Социальные закладки

Социальные закладки

Ваши права

  • Вы не можете создавать новые темы
  • Вы не можете отвечать в темах
  • Вы не можете прикреплять вложения
  • Вы не можете редактировать свои сообщения
  •