Показано с 1 по 7 из 7

Тема: Усилитель Sony TA-f561

  1. #1
    Частый гость
    Автор темы

    Регистрация
    22.04.2008
    Сообщений
    174

    По умолчанию Усилитель Sony TA-f561

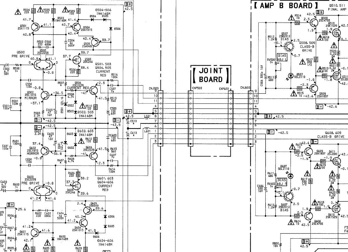
    Пытался уменьшить усиление -изменил резистор в обратной связи r516 вместо 100к-10к (общее усиление 10к/470=21). Усил активно начал генерить, пробовал с507 100p амплитуда генерации меньше но все равно есть. какую коррекцию надо изменить и насколько? Rrobr уменьшил в 10раз

    Нажмите на изображение для увеличения. 

Название:	sony.GIF 
Просмотров:	552 
Размер:	84.9 Кб 
ID:	221291з
    Последний раз редактировалось andrey_als; 29.10.2014 в 23:29.

  2. #2
    Частый гость
    Автор темы

    Регистрация
    22.04.2008
    Сообщений
    174

    По умолчанию Re: Усилитель Sony TA-f561

    генерацию на слух вроде поборол с504=14pf c507=29pf может больше надо?
    Последний раз редактировалось andrey_als; 30.10.2014 в 01:24.

  3. #3
    Завсегдатай Аватар для Audio-Video
    Регистрация
    18.03.2013
    Сообщений
    1,758

    По умолчанию Re: Усилитель Sony TA-f561

    Цитата Сообщение от andrey_als Посмотреть сообщение
    генерацию на слух
    - это что-то новое. Осциллограф бы

  4. #4
    Частый гость Аватар для olegsan
    Регистрация
    28.03.2012
    Сообщений
    434

    По умолчанию Re: Усилитель Sony TA-f561

    Цитата Сообщение от andrey_als Посмотреть сообщение
    Пытался уменьшить усиление -изменил резистор в обратной связи
    В серийном аппарате ! А зачем такой изврат !? Можно ещё питающее напряжение уменьшить !
    Ну что-бы совсем смешно было ! А чем банальный делитель сигнала не устраивает ?
    "генерацию на слух вроде поборол"
    А потом могут и выходники вылетить из-за ВЧ генерации ! (которую вы не слышите)

  5. #5
    Частый гость
    Автор темы

    Регистрация
    22.04.2008
    Сообщений
    174

    По умолчанию Re: Усилитель Sony TA-f561

    вы явно не компетентны, зачем писать. там на выходе по схеме стоит цобель, при наличии сильной вч генерации резистор бы сильно нагрелся и сгорел.
    а банальный делитель неустраивает потомучто шумы сильные (тепловые) и еще несколько причин, а генерацию конечно проверю когда осцилограф принесут.

  6. #6
    Частый гость Аватар для olegsan
    Регистрация
    28.03.2012
    Сообщений
    434

    По умолчанию Re: Усилитель Sony TA-f561

    Цитата Сообщение от andrey_als Посмотреть сообщение
    делитель неустраивает потомучто шумы сильные (тепловые) и еще несколько причин
    Ну тогда причину искать надо , т.е. уже ремонт получается.
    Просто непонятна причина - негативные изменения параметров усилка или желание твика.
    Последний раз редактировалось olegsan; 06.11.2014 в 12:56.

  7. #7
    Завсегдатай был...

    Регистрация
    12.10.2006
    Адрес
    Казань
    Возраст
    59
    Сообщений
    1,364

    По умолчанию Re: Усилитель Sony TA-f561

    andrey_als, Что бы сгорели тр ВК хватит и мгновенья и цобель даже нагреться не успеет.
    Цитата Сообщение от andrey_als Посмотреть сообщение
    банальный делитель неустраивает потомучто шумы сильные
    Какие такие шумы и почему они тепловые вы считаете ?

Социальные закладки

Социальные закладки

Ваши права

  • Вы не можете создавать новые темы
  • Вы не можете отвечать в темах
  • Вы не можете прикреплять вложения
  • Вы не можете редактировать свои сообщения
  •