Показано с 1 по 15 из 15

Тема: Усилитель на TDA2052 а стоит ли овчинка выделки?

  1. #1
    Новичок
    Автор темы

    Регистрация
    27.02.2011
    Адрес
    Bremen
    Сообщений
    61

    По умолчанию Усилитель на TDA2052 а стоит ли овчинка выделки?

    Помогите пожалуйста разобраться.
    У меня уже с год работает усилитель вырезанный из платы телевизора METZ, по звуку меня вполне устраивает, но габариты никуда не годятся (нужно было не ленится и самому развести и вытравить плату). Недавно я собрал усилитель на TDA7294 (огромное спасибо за помощь mAxSpace)
    Сейчас у меня скопилось с дюжину TDA2052 выпаянных из телевизоров. Выкидывать жалко. Вроде как играла вполне не плохо (на мой дилетантский вкус). И мне как раз нужно собрать пару маломощных усилителей 20-30W на канал.
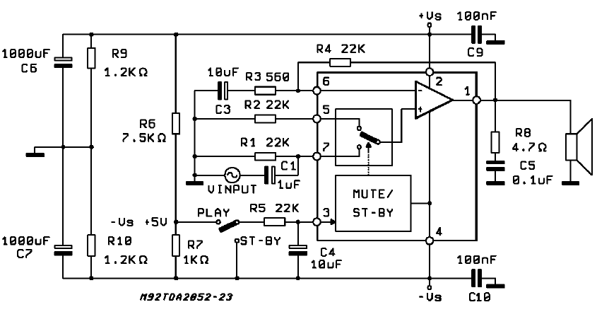
    Как Вы думаете стоит ли вообще связываться с этими микросхемами или выкинуть их нафик. А усилитель собирать на чём то другом, например TDA2050 (или чём то другом). И если всё таки стоит на TDA2052 то какую схему лучше взять. Из даташи
    Нажмите на изображение для увеличения. 

Название:	tda2052_60w_amplifier_with_mute_st-by_functions.gif 
Просмотров:	3588 
Размер:	14.6 Кб 
ID:	171392
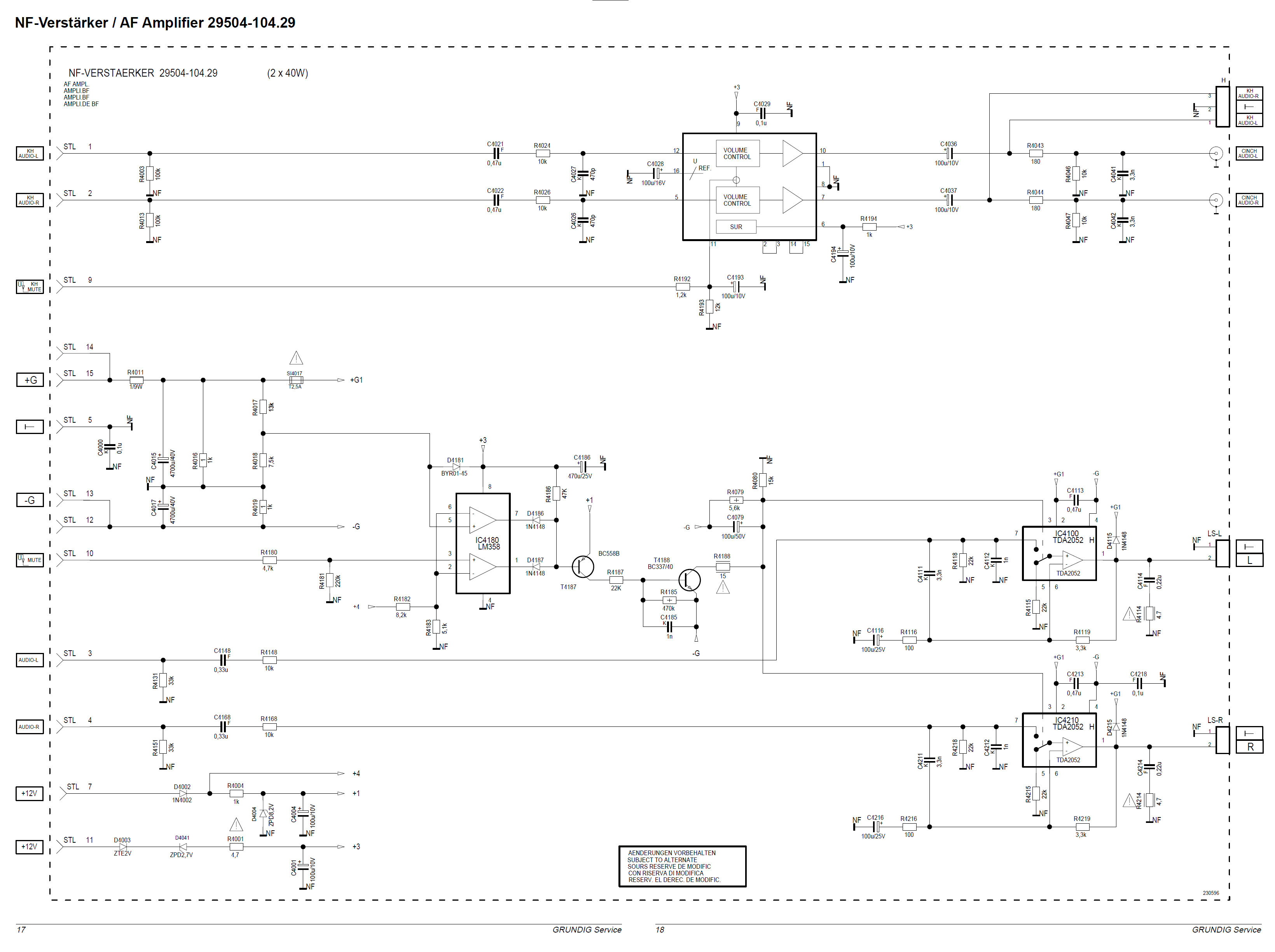
    или взять схему усилителя из каково нибудь телика (например из CUC 1822)
    Нажмите на изображение для увеличения. 

Название:	111.jpg 
Просмотров:	2568 
Размер:	1.48 Мб 
ID:	171393CUC 1822_1852.pdf
    Миниатюры Миниатюры Нажмите на изображение для увеличения. 

Название:	111.jpg 
Просмотров:	1532 
Размер:	261.9 Кб 
ID:	171391  
    Последний раз редактировалось koiah; 09.12.2012 в 17:19.

  2. #2
    Earendel Speakers
    Регистрация
    15.10.2010
    Адрес
    Санкт-Петербург
    Возраст
    29
    Сообщений
    1,748

    По умолчанию Re: Усилитель на TDA2052 а стоит ли овчинка выделки?

    А чем TDA2050 лучше TDA2052? По даташиту даже похуже чуток. А так, ватт по 25 с обоих можно снять нормальных. Я бы не стал выбрасывать. Раз уже есть, собрал бы на них.

  3. #3
    Старый знакомый Аватар для MiSol62
    Регистрация
    03.09.2009
    Адрес
    Россия.Москва.
    Сообщений
    904

    По умолчанию Re: Усилитель на TDA2052 а стоит ли овчинка выделки?

    Ну, еще 2050 лучше, чем 2052, тем что нет мьюта...

  4. #4
    Завсегдатай Аватар для Vjumajlo
    Регистрация
    11.04.2009
    Адрес
    ДВР
    Возраст
    64
    Сообщений
    4,276

    По умолчанию Re: Усилитель на TDA2052 а стоит ли овчинка выделки?

    Цитата Сообщение от KoenCCXR Посмотреть сообщение
    Я бы не стал выбрасывать. Раз уже есть, собрал бы на них.
    Вполне можно собрать многоканальничек, что-то типа дом. кино, или много полосничек для 2-3-полоски начального уровня.

    Цитата Сообщение от MiSol62 Посмотреть сообщение
    2050 лучше, чем 2052, тем что нет мьюта...
    А чем так "мьют" похабен? Для начинающих довольно-таки полезная фишка.
    В голове есть не только рот, чтобы говорить и есть, но и мозг, чтобы хоть иногда вспоминать, что он там есть.
    Думай. Думай всегда…
    И даже, если нечем думать, напрягись - мысль обязательно появится. Иначе ты никто. (Вова)

  5. #5
    Старый знакомый Аватар для MiSol62
    Регистрация
    03.09.2009
    Адрес
    Россия.Москва.
    Сообщений
    904

    По умолчанию Re: Усилитель на TDA2052 а стоит ли овчинка выделки?

    Для таких простых микр:
    1 - возится с лишней обвеской.
    2 - иногда многие "начинающие" забывают про его существование и спрашивают - почему у меня не работает.
    3 - и вообще - на хрен он нужен - подать на него +5В (ТДА7265) и навсегда забыть.

  6. #6
    Завсегдатай Аватар для Vjumajlo
    Регистрация
    11.04.2009
    Адрес
    ДВР
    Возраст
    64
    Сообщений
    4,276

    По умолчанию Re: Усилитель на TDA2052 а стоит ли овчинка выделки?

    Цитата Сообщение от MiSol62 Посмотреть сообщение
    и вообще - на хрен он нужен
    Нуу... иногда начинающие делают коммутаторы входов на непонятно каких, и каких годов выпуска, галетниках, А потом удивляются, типа - "чёйт у меня при шчёлкании переключалкой в динамиках тоже нехило шчёлкает". Взять сдвоенный(или секционированный) непонятно какой галетник, немного пересчитать делитель для "мьют"-а(с резистором на землю со входа mute 1(+/- децл) кОм схема работает ещё устойчиво, без ложняков, и вынести привязанный к "земле" резистор за "шчелкуник"-а - проблема "шчелчков" в акустике исчезает; да и нагруженной микре легче переносить коммутации непонятно какого галетника с таким приглушением.
    В голове есть не только рот, чтобы говорить и есть, но и мозг, чтобы хоть иногда вспоминать, что он там есть.
    Думай. Думай всегда…
    И даже, если нечем думать, напрягись - мысль обязательно появится. Иначе ты никто. (Вова)

  7. #7
    Старый знакомый Аватар для MiSol62
    Регистрация
    03.09.2009
    Адрес
    Россия.Москва.
    Сообщений
    904

    По умолчанию Re: Усилитель на TDA2052 а стоит ли овчинка выделки?

    Vjumajlo - да, интересно...надо подумать насчет этого.

  8. #8
    Новичок
    Автор темы

    Регистрация
    27.02.2011
    Адрес
    Bremen
    Сообщений
    61

    По умолчанию Re: Усилитель на TDA2052 а стоит ли овчинка выделки?

    Получается что TDA2052 практически та же TDA2050 только с не нужной обвеской. Но если подать на "Mute" постоянно 5v (все равно не понятно понятно зачат это "Mute" на усилителе) то получится практически двойник TDA2050 ?
    И со схемами, посмотрите пожалуйста какая схема будит работать лучше из даташи или из телика?

  9. #9
    Частый гость Аватар для lulo82
    Регистрация
    19.02.2010
    Адрес
    г йошкар-ола
    Возраст
    43
    Сообщений
    464

    По умолчанию Re: Усилитель на TDA2052 а стоит ли овчинка выделки?

    из телика зарезана наверно по частотам на вч или нч

  10. #10
    Завсегдатай Аватар для Vjumajlo
    Регистрация
    11.04.2009
    Адрес
    ДВР
    Возраст
    64
    Сообщений
    4,276

    По умолчанию Re: Усилитель на TDA2052 а стоит ли овчинка выделки?

    Цитата Сообщение от koiah Посмотреть сообщение
    все равно не понятно понятно зачат это "Mute" на усилителе
    Что значит "не понятно зачат"? Не понимаешь, как реализован и для чего служит?
    В голове есть не только рот, чтобы говорить и есть, но и мозг, чтобы хоть иногда вспоминать, что он там есть.
    Думай. Думай всегда…
    И даже, если нечем думать, напрягись - мысль обязательно появится. Иначе ты никто. (Вова)

  11. #11
    Новичок
    Автор темы

    Регистрация
    27.02.2011
    Адрес
    Bremen
    Сообщений
    61

    По умолчанию Re: Усилитель на TDA2052 а стоит ли овчинка выделки?

    Не понимаю для чего может служит в усилителе. В телике понятно: картинка есть а звук отключён. Если бы переделать схему подключения TDA2052 по Вами описанному варианту получились бы практичнее. А вот это я уже не могу реализовать

  12. #12
    flipper
    Гость

    По умолчанию Re: Усилитель на TDA2052 а стоит ли овчинка выделки?

    для подавления переходных процессов, переключений всяческих, а иногда ипросто шумов в паузах. Однозначно полезно цеплять к ноге еще и кондер, тогда в момент пуска мьют будет включен

  13. #13
    Новичок
    Автор темы

    Регистрация
    27.02.2011
    Адрес
    Bremen
    Сообщений
    61

    По умолчанию Re: Усилитель на TDA2052 а стоит ли овчинка выделки?

    Вы имеете в виду между 3и 4 ногой микросхемы. И кондер какого номинала?

  14. #14
    flipper
    Гость

    По умолчанию Re: Усилитель на TDA2052 а стоит ли овчинка выделки?

    чтобы нужную величину задержки получить. это считать нужно, исходя из напряжения срабатывания и получающейся RC цепи. Либо по месту пробовать.

  15. #15
    Новичок
    Автор темы

    Регистрация
    27.02.2011
    Адрес
    Bremen
    Сообщений
    61

    По умолчанию Re: Усилитель на TDA2052 а стоит ли овчинка выделки?

    Нашёл статью в каком то польском журнале. http://www.argus.lv/pub/datasheets/AVT2324.pdf
    Они предлагают вот такую схему. Посмотрите может она лишена недочётов.
    Нажмите на изображение для увеличения. 

Название:	Polskii_tda.jpg 
Просмотров:	4025 
Размер:	180.1 Кб 
ID:	171725

Социальные закладки

Социальные закладки

Ваши права

  • Вы не можете создавать новые темы
  • Вы не можете отвечать в темах
  • Вы не можете прикреплять вложения
  • Вы не можете редактировать свои сообщения
  •