Страница 1 из 7 123 ... Последняя
Показано с 1 по 20 из 131

Тема: Усилитель на параллельных AD815

  1. #1
    Старый знакомый
    Автор темы

    Регистрация
    02.04.2011
    Адрес
    Москва
    Сообщений
    680

    По умолчанию Усилитель на параллельных AD815

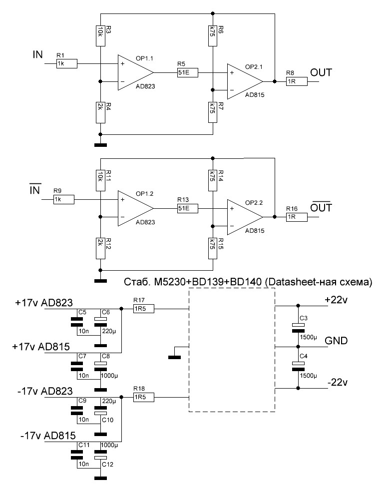
    Очень нравится усилитель для наушников по мотивам Lynx HA37/HA40.
    В общем, хочется повторить подвиг Prophetmaster*а в мЕньших масштабах :
    Модуль:
    Нажмите на изображение для увеличения. 

Название:	modul.JPG 
Просмотров:	4775 
Размер:	106.5 Кб 
ID:	170089
    16 штук таких соединяются по такой схеме:
    Нажмите на изображение для увеличения. 

Название:	Connection.JPG 
Просмотров:	2953 
Размер:	97.5 Кб 
ID:	170084
    И образуют один канал.
    Схему парафазного формирователя ещё не выбрал.
    Вопросы к специалистам в усилителестроении:
    1. Ваше мнение: стОит оно того?
    2. Если да, то что посоветуете в качестве формирователя?
    3. Нет ли явных косяков в таком построении?
    4. Критика (желательно конструктивная) также приветствуется.
    Последний раз редактировалось forever_student; 21.11.2012 в 12:44. Причина: добавил п.4

  2. #2
    energy audio Аватар для energetik
    Регистрация
    09.11.2009
    Адрес
    Россия, Тула
    Возраст
    48
    Сообщений
    1,576

    По умолчанию Re: Усилитель на параллельных AD815

    Цитата Сообщение от forever_student Посмотреть сообщение
    Схему парафазного формирователя ещё не выбрал.
    SSM2142 не рассматривали?
    HTPC -> Charleston V3 -> DACore V2.3 -> Beta22(clone) -> Audez`e LCD-2
    HTPC -> Charleston V3 -> DACore V2.3 -> пред свой -> мощник Lynx PA-21 -> ILLUMINATI SeHi
    ibasso hdp-r10 -> Sennheiser HD 650 | TRN V90

  3. #3
    Старый знакомый
    Автор темы

    Регистрация
    02.04.2011
    Адрес
    Москва
    Сообщений
    680

    По умолчанию Re: Усилитель на параллельных AD815

    Цитата Сообщение от energetik Посмотреть сообщение
    SSM2142 не рассматривали?
    Пока нет. Качаю Datasheet. Спасибо.

  4. #4
    - Аватар для Olegyurich
    Регистрация
    17.01.2005
    Адрес
    Санкт-Петербург
    Возраст
    47
    Сообщений
    5,263

    По умолчанию Re: Усилитель на параллельных AD815

    А каким образом Вы собираетесь подключать наушники? Или это для АС усилитель?
    APlayer - Tascam US1x2 - PALABS AE25 - PALABS ACE3
    avtech@palabs.ru

  5. #5
    Старый знакомый
    Автор темы

    Регистрация
    02.04.2011
    Адрес
    Москва
    Сообщений
    680

    По умолчанию Re: Усилитель на параллельных AD815

    Цитата Сообщение от pyos Посмотреть сообщение
    Хоть я и не спец, но посоветую THS4151 или 4131.
    Спасибо. Статью про Lynx SDC62 уже читаю.
    Цитата Сообщение от Olegyurich Посмотреть сообщение
    А каким образом Вы собираетесь подключать наушники? Или это для АС усилитель?
    Это чистый УМ для АС. Усилитель для наушников стоит в преде.

  6. #6
    Завсегдатай
    Регистрация
    18.07.2005
    Сообщений
    4,004

    По умолчанию Re: Усилитель на параллельных AD815

    Цитата Сообщение от forever_student Посмотреть сообщение
    В общем, хочется повторить подвиг Prophetmaster*а в мЕньших масштабах :
    Модуль:

    .... Критика (желательно конструктивная) также приветствуется.
    1. Резисторы в цепях питания AD815 и AD823 должны быть отдельными, и разных номиналов - для 823 побольше, для 815 поменьше.
    2. Парафазный драйвер, если от него требуется большое выходное напряжение, лучше всего делать на "слегка раскорректированных" ОУ, включенных с усилением, скажем, +3...5 и -3...5. Возможный кандидат на эту роль - LT1469-2 или пара LT1468-2.
    Offтопик:
    Распространенные "полностью дифференциальные" усилители, типа THS4151/4131, OPA1632 etc., к сожалению, не слишком хорошо работают на большом сигнале, а "дифференциальные передатчики" типа DRV134 или SSM2142 - имеют в общем-то посредственные характеристики из-за экономии на токе потребления при достаточно сложной внутренней структуре, вызванной желанием сымитировать "плавающий" выход, совершенно не нужный и даже вредный в данном случае.

  7. #7

    По умолчанию Re: Усилитель на параллельных AD815


    Offтопик:

    Цитата Сообщение от sia_2 Посмотреть сообщение
    Распространенные "полностью дифференциальные" усилители, типа THS4151/4131, OPA1632 etc., к сожалению, не слишком хорошо работают на большом сигнале
    Можно уточнить? "большой сигнал" єто в вольтах сколько? Собираюсь использовать указанньіе диффампьі в одном устройстве, хотелось обойти ограничения.


  8. #8
    Завсегдатай
    Регистрация
    18.07.2005
    Сообщений
    4,004

    По умолчанию Re: Усилитель на параллельных AD815

    Цитата Сообщение от Wired Посмотреть сообщение
    Offтопик:


    Можно уточнить? "большой сигнал" єто в вольтах сколько? Собираюсь использовать указанньіе диффампьі в одном устройстве, хотелось обойти ограничения.

    Больше 3...5В эфф, при меньших выходных напряжениях все ОК.

  9. #9
    Старый знакомый
    Автор темы

    Регистрация
    02.04.2011
    Адрес
    Москва
    Сообщений
    680

    По умолчанию Re: Усилитель на параллельных AD815

    Цитата Сообщение от sia_2 Посмотреть сообщение
    1. Резисторы в цепях питания AD815 и AD823 должны быть отдельными, и разных номиналов - для 823 побольше, для 815 поменьше...
    2. Парафазный драйвер, если от него требуется большое выходное напряжение, лучше всего делать на "слегка раскорректированных" ОУ, включенных с усилением, скажем, +3...5 и -3...5. Возможный кандидат на эту роль - LT1469-2 или пара LT1468-2...
    Спасибо, буду пробовать.

    Цитата Сообщение от sia_2 Посмотреть сообщение
    ...
    Распространенные "полностью дифференциальные" усилители, типа THS4151/4131, OPA1632 etc., к сожалению, не слишком хорошо работают на большом сигнале...
    Ку каждого канала модуля +12 6, т.е. на вход надо < 1 2 В, так что их (THS4151/4131, OPA1632 etc.) со счетов не сбрасываю.
    Последний раз редактировалось forever_student; 22.11.2012 в 23:15. Причина: Исправил ошибку

  10. #10
    Ветеран Аватар для Prophetmaster
    Регистрация
    23.08.2005
    Адрес
    Москва
    Возраст
    55
    Сообщений
    3,600

    По умолчанию Re: Усилитель на параллельных AD815

    Цитата Сообщение от energetik Посмотреть сообщение
    SSM2142 не рассматривали?
    Очень медленная.
    Цитата Сообщение от forever_student Посмотреть сообщение
    Модуль:
    АД823 - тоже. Лучше пошустрее взять что-нибудь, АД826 (если удобнее сдвоенный) или АД843.
    http://www.vegalab.ru/forum/signaturepics/sigpic1808_2.gif

  11. #11
    Старый знакомый
    Автор темы

    Регистрация
    02.04.2011
    Адрес
    Москва
    Сообщений
    680

    По умолчанию Re: Усилитель на параллельных AD815

    Цитата Сообщение от Prophetmaster Посмотреть сообщение
    ...Лучше пошустрее взять что-нибудь, АД826 (если удобнее сдвоенный) или АД843.
    Спасибо, AD826 пробовать, безусловно, буду, хотя:
    "Композиты с AD826 будут весьма склонны к самовозбудам,
    в том числе динамическим, в зависимости от сигнала, а низкое
    собственное усиление 826-го не позволит организовать
    эффективную ООС всего композита."(Lynx)
    Одиночные ОУ там просто некуда поставить .

  12. #12
    Ветеран Аватар для Prophetmaster
    Регистрация
    23.08.2005
    Адрес
    Москва
    Возраст
    55
    Сообщений
    3,600

    По умолчанию Re: Усилитель на параллельных AD815

    Цитата Сообщение от forever_student Посмотреть сообщение
    Одиночные ОУ там просто некуда поставить .
    Если Вы сами разрабатываете УМ и плату к нему, то всегда можно найти место;)

    ---------- Добавлено в 15:33 ---------- Предыдущее сообщение в 15:27 ----------

    Цитата Сообщение от forever_student Посмотреть сообщение
    "Композиты с AD826 будут весьма склонны к самовозбудам,
    в том числе динамическим, в зависимости от сигнала, а низкое
    собственное усиление 826-го не позволит организовать
    эффективную ООС всего композита."(Lynx)
    Вполне может быть, 826-й я не пробовал в композите. Пробовал с АД811-м ставить АД845, ОРА627, ОРА637, ЛМ318, АД843, АД817. АД843 оказался лучше всего по звучанию, да и по осциллограммам тоже.
    http://www.vegalab.ru/forum/signaturepics/sigpic1808_2.gif

  13. #13
    Завсегдатай Аватар для shkal
    Регистрация
    30.11.2004
    Адрес
    Москва, Russia
    Возраст
    58
    Сообщений
    1,995

    По умолчанию Re: Усилитель на параллельных AD815

    Цитата Сообщение от forever_student Посмотреть сообщение
    Ку каждого канала модуля +12 6, т.е. на вход надо < 1 2 В,
    В таком случае глянь ADA4922
    http://www.analog.com/en/high-speed-...s/product.html

  14. #14
    Ветеран Аватар для Prophetmaster
    Регистрация
    23.08.2005
    Адрес
    Москва
    Возраст
    55
    Сообщений
    3,600

    По умолчанию Re: Усилитель на параллельных AD815

    Цитата Сообщение от shkal Посмотреть сообщение
    В таком случае глянь ADA4922
    http://www.analog.com/en/high-speed-...s/product.html
    Хороший вариант, как мне кажется - скачал и почитал даташит.
    http://www.vegalab.ru/forum/signaturepics/sigpic1808_2.gif

  15. #15
    Старый знакомый
    Автор темы

    Регистрация
    02.04.2011
    Адрес
    Москва
    Сообщений
    680

    По умолчанию Re: Усилитель на параллельных AD815

    Цитата Сообщение от Prophetmaster Посмотреть сообщение
    Если Вы сами разрабатываете УМ и плату к нему, то всегда можно найти место;)...
    Найти можно, но хочется засунуть всё в 340*90*320 мм, а модулей 32шт.
    Пробовал 2 варианта платы - под 2 одиночных ОУ и под сдвоенный. Первый вариант получился бОльше по размерам+питание не очень хорошо развелось. В итоге пока остановился на плате под сдвоенный ОУ (37*44мм). На следующей неделе собираюсь проверять.(В том числе и AD826)

    Цитата Сообщение от Prophetmaster Посмотреть сообщение
    ...АД843 оказался лучше всего по звучанию, да и по осциллограммам тоже.
    Спасибо. Выбор пока не окончательный. Надо будет пробовать.

    Цитата Сообщение от shkal Посмотреть сообщение
    В таком случае глянь ADA4922...
    Спасибо, Datasheet качаю.

  16. #16
    Старый знакомый
    Автор темы

    Регистрация
    02.04.2011
    Адрес
    Москва
    Сообщений
    680

    По умолчанию Re: Усилитель на параллельных AD815

    Нажмите на изображение для увеличения. 

Название:	pa_1.JPG 
Просмотров:	1368 
Размер:	66.5 Кб 
ID:	170651Нажмите на изображение для увеличения. 

Название:	pa_2.JPG 
Просмотров:	1401 
Размер:	54.1 Кб 
ID:	170652
    Собственно, как и ожидалось. AD823 . Пока нет электролитов в его питании (поэтому питание не разделял). Погонял без них. Генератора нет, подключил выход калибратора осциллографа. Входы параллелил, выходы тоже. Нагрузка - резистор 100 Ом. До 10 кГц - меандр на выходе AD815 ничем не отличается от исходного. Выше у калибратора выбросы на фронтах, посмотрел только на 20 кГц. Отрабатывает вместе с выбросами.
    Завтра должен забрать AD826 - посмотрю с ними. В формирователе буду пробовать THS4151 и ADA4922.

  17. #17
    Ветеран Аватар для Prophetmaster
    Регистрация
    23.08.2005
    Адрес
    Москва
    Возраст
    55
    Сообщений
    3,600

    По умолчанию Re: Усилитель на параллельных AD815

    Цитата Сообщение от forever_student Посмотреть сообщение
    Завтра должен забрать AD826 - посмотрю с ними.
    Вот такая платка - это один усилительный модуль? То есть, у каждого композита будет свой входной ОУ?
    http://www.vegalab.ru/forum/signaturepics/sigpic1808_2.gif

  18. #18
    Старый знакомый Аватар для a_lumnus
    Регистрация
    30.08.2008
    Адрес
    Санкт-Петербург
    Сообщений
    921

    По умолчанию Re: Усилитель на параллельных AD815

    forever_student, а фотографии точно к схеме в топике -?? стабилизатор вижу
    транзисторы вижу...а где вторая микросхема композита -? по даташиту у АД 815 корпус вроде бы другой...... микросхема с тыльной стороны очень на ТДА 7293 похожа. Или таки есть АД 815 в таком корпусе -??
    Александр

  19. #19

    По умолчанию Re: Усилитель на параллельных AD815

    Цитата Сообщение от a_lumnus Посмотреть сообщение
    Или таки есть АД 815 в таком корпусе -??
    Бьіли.

  20. #20
    PaX PALANTiRA Аватар для EDDiE
    Регистрация
    13.02.2006
    Адрес
    GAZ-A-LAGO
    Сообщений
    13,250

    По умолчанию Re: Усилитель на параллельных AD815

    Цитата Сообщение от forever_student Посмотреть сообщение
    Завтра должен забрать AD826 - посмотрю с ними. В формирователе буду пробовать THS4151 и ADA4922.
    AD826 пробовал в CDP SONY - не понравилась.

    Цитата Сообщение от forever_student Посмотреть сообщение
    Генератора нет.
    Схема простейшего генератора есть здесь http://stalker-lab.ru/forum/showthread.php?t=195

    Инструментальный композит 2го-3го порядка (выходной буфер для звукового генератора, нормально работающий до частоты 100К) есть здесь http://stalker-lab.ru/forum/showthread.php?t=1448

    Искажения при выходном напряжении 6В на нагрузке 100 Ом на 20К - менее -160дБ
    Искажения при выходном напряжении 6В на нагрузке 100 Ом на 100К - менее -130дБ
    Искажения при выходном напряжении 1В на нагрузке 100 Ом на 100К - менее -160дБ
    Выходной каскад работает в режиме А до напряжения 4В.

Страница 1 из 7 123 ... Последняя

Метки этой темы

Социальные закладки

Социальные закладки

Ваши права

  • Вы не можете создавать новые темы
  • Вы не можете отвечать в темах
  • Вы не можете прикреплять вложения
  • Вы не можете редактировать свои сообщения
  •