Страница 1 из 2 12 Последняя
Показано с 1 по 20 из 32

Тема: Просто Усилитель

  1. #1
    Старый знакомый
    Автор темы

    Регистрация
    27.04.2012
    Адрес
    НОВОСИБИРСК
    Сообщений
    599

    По умолчанию Просто Усилитель

    Схема с другого форума,но вроде интересная.Кто что скажет из специалистов.По делу.
    Нажмите на изображение для увеличения. 

Название:	SSA BIGBT HP.jpg 
Просмотров:	3007 
Размер:	878.3 Кб 
ID:	165844

  2. #2
    Старый знакомый
    Автор темы

    Регистрация
    27.04.2012
    Адрес
    НОВОСИБИРСК
    Сообщений
    599

    По умолчанию Re: Просто Усилитель

    Вот даже платы рабочие есть
    Нажмите на изображение для увеличения. 

Название:	SSA BIGBT HP PCB  NEW LAYOUT photo.jpg 
Просмотров:	654 
Размер:	668.4 Кб 
ID:	165849

  3. #3
    Завсегдатай
    Регистрация
    31.10.2005
    Адрес
    Москва
    Возраст
    52
    Сообщений
    1,421

    По умолчанию Re: Просто Усилитель

    Так это ж "simple symmetrical amplifier" от Lasy Cat Практически классика жанра, только с имитацией IGBT в выхлопе. Его на diyaudio давно мусолят.

  4. #4
    Частый гость Аватар для SanSound
    Регистрация
    18.10.2010
    Адрес
    Новосибирск
    Возраст
    60
    Сообщений
    485

    По умолчанию Re: Просто Усилитель

    Цитата Сообщение от Роман М Посмотреть сообщение
    Его на diyaudio давно мусолят
    Здесь тоже немного пытались мусолить, когда он был совсем простой

  5. #5
    Старый знакомый
    Автор темы

    Регистрация
    27.04.2012
    Адрес
    НОВОСИБИРСК
    Сообщений
    599

    По умолчанию Re: Просто Усилитель

    Совершенно в точку оттуда, но схема не лишена оригинальности я два дня потратил на их сайте ,отзывы ну очень КУ!
    В реале мне интересно стоит попробовать нп литералах или ,2 пары поставить.Что можно улучшить или переделать в хорошем смысле.Там и проше на литералах есть но меня питание не устраивает.

  6. #6
    Завсегдатай Аватар для fakel
    Регистрация
    30.11.2007
    Адрес
    Оренбург
    Возраст
    42
    Сообщений
    11,274

    По умолчанию Re: Просто Усилитель

    По сравнению с тем что было - налицо прогресс!

  7. #7
    Старый знакомый
    Автор темы

    Регистрация
    27.04.2012
    Адрес
    НОВОСИБИРСК
    Сообщений
    599

    По умолчанию Re: Просто Усилитель

    Прогрес в какую сторону. На сколько и что можно модернезировать. Там к стати тема ещё не закрыта.

  8. #8
    Завсегдатай Аватар для fakel
    Регистрация
    30.11.2007
    Адрес
    Оренбург
    Возраст
    42
    Сообщений
    11,274

    По умолчанию Re: Просто Усилитель

    Это вопрос?

  9. #9
    Старый знакомый
    Автор темы

    Регистрация
    27.04.2012
    Адрес
    НОВОСИБИРСК
    Сообщений
    599

    По умолчанию Re: Просто Усилитель

    Fakel.Ваше мнение, стоит с ним заморачиватся или ничего выдающегося-вроде тупиковая схема.Вот это вопрос?

  10. #10
    Старый знакомый
    Автор темы

    Регистрация
    27.04.2012
    Адрес
    НОВОСИБИРСК
    Сообщений
    599

    По умолчанию Re: Просто Усилитель

    Да все усиленно собирают Холтоны с Ланзарами

  11. #11
    Завсегдатай Аватар для fakel
    Регистрация
    30.11.2007
    Адрес
    Оренбург
    Возраст
    42
    Сообщений
    11,274

    По умолчанию Re: Просто Усилитель

    Цитата Сообщение от brand Посмотреть сообщение
    Fakel.Ваше мнение, стоит с ним заморачиватся или ничего выдающегося-вроде тупиковая схема.Вот это вопрос?
    Схема безусловно не тупиковая. И собрпрать стОит, хотя бы проверить на что она способна. Имхо, вылизана до мелочей, и паять ее слежует так, как она нарисована - очень продуманно разведена земля.
    На мой взгляд, резики локально ООС 10 Ом - довольно малы, потребуется тщательный продбор коплиментарных пар, я бы поставил 33-50 Ом

    ---------- Добавлено в 20:37 ---------- Предыдущее сообщение в 20:36 ----------

    Между резиками ОООС 1.5к можно поставить балансировочный подстроечник - низводить четные гармоники

    ---------- Добавлено в 20:41 ---------- Предыдущее сообщение в 20:37 ----------

    Кондеры 1u в цепи remote я бы убрал

    ---------- Добавлено в 20:43 ---------- Предыдущее сообщение в 20:41 ----------

    Закоротил бы резик 10 Ом между землями

    ---------- Добавлено в 20:44 ---------- Предыдущее сообщение в 20:43 ----------

    Оторвал бы от земли резисторы LEDов

    ---------- Добавлено в 20:44 ---------- Предыдущее сообщение в 20:44 ----------

    Защунтировал бы резиками стабы в первых ОБ

  12. #12
    Старый знакомый
    Автор темы

    Регистрация
    27.04.2012
    Адрес
    НОВОСИБИРСК
    Сообщений
    599

    По умолчанию Re: Просто Усилитель

    Вот можете-же, когда интерес есть,и время,.Спасибо Fakel! Да самое МОЙ взгляд это нестандартный выхлоп.Ни где раньше такое решение не встречал.

    Цитата Сообщение от fakel Посмотреть сообщение
    Закоротил бы резик 10 Ом между землями
    Там две земли и они соединяются невыходе паралельно с диодами он и есть 10 ом
    Цитата Сообщение от fakel Посмотреть сообщение
    Оторвал бы от земли резисторы LEDов
    Смитря какую роль они играют?
    Цитата Сообщение от fakel Посмотреть сообщение
    Защунтировал бы резиками стабы в первых ОБ
    Там кондёры лучше справляются,на мой взгляд
    Да и Роман М,правильно написал ,может на выхлоп просто IGBT, попробовать?

  13. #13
    Завсегдатай Аватар для fakel
    Регистрация
    30.11.2007
    Адрес
    Оренбург
    Возраст
    42
    Сообщений
    11,274

    По умолчанию Re: Просто Усилитель

    Цитата Сообщение от brand Посмотреть сообщение
    Там две земли и они соединяются невыходе паралельно с диодами он и есть 10 ом
    И в цепь ооос вводятся помехи, набегающие между 2мя землями (АС подключены к одной, а вход - к другой.)

    Цитата Сообщение от brand Посмотреть сообщение
    Смитря какую роль они играют?
    Те, что показывают включение питания. Чем меньше на землю всякого г. стекает, тем бучше - в идеале - только звук.

    ---------- Добавлено в 10:15 ---------- Предыдущее сообщение в 10:14 ----------

    Цитата Сообщение от brand Посмотреть сообщение
    Там кондёры лучше справляются,на мой взгляд
    А кто их будет разоряжать после снятия сигнала remote?
    Цитата Сообщение от brand Посмотреть сообщение
    Да и Роман М,правильно написал ,может на выхлоп просто IGBT, попробовать?
    попробуй

    ---------- Добавлено в 10:18 ---------- Предыдущее сообщение в 10:15 ----------

    Как там у них со вх емкостью?

  14. #14
    Старый знакомый
    Автор темы

    Регистрация
    27.04.2012
    Адрес
    НОВОСИБИРСК
    Сообщений
    599

    По умолчанию Re: Просто Усилитель

    1.А диоды не помогут пролезть?
    2.Согласен
    3.Да кондёры возможно лишние,по привычке ,шунтируют ,меньше диод шумит
    4.Ну с IGBT ,я шутить пытался,"вкусность" в ВК теряется.
    Завтра в симулятор загоню, если что то положительное получится ,выложу-нет расскажу почему.
    И ГСС не TL 431,а отсюда CCS-Test.rar
    NTC также смущает?
    По ёмкостям не смотрел но список вот IGBT.rar

  15. #15
    Завсегдатай Аватар для fakel
    Регистрация
    30.11.2007
    Адрес
    Оренбург
    Возраст
    42
    Сообщений
    11,274

    По умолчанию Re: Просто Усилитель

    1. Нет, они закрыты до 0.7В, помехи много ниже
    3. Не лишние - диод шумит
    Что есть NTC

    ---------- Добавлено в 20:22 ---------- Предыдущее сообщение в 20:21 ----------

    _?

    ---------- Добавлено в 20:23 ---------- Предыдущее сообщение в 20:22 ----------

    С ГСТ особо не заморачивайся

  16. #16
    Старый знакомый
    Автор темы

    Регистрация
    27.04.2012
    Адрес
    НОВОСИБИРСК
    Сообщений
    599

    По умолчанию Re: Просто Усилитель

    1.Да согласен про диоды,но тогда конденсатор параллельно 0,1м
    2.Я вроде так и сказал ,чтоб не шумел
    NTC терморезистор на 1.5 ком

  17. #17
    Старый знакомый
    Автор темы

    Регистрация
    27.04.2012
    Адрес
    НОВОСИБИРСК
    Сообщений
    599

    По умолчанию Re: Просто Усилитель

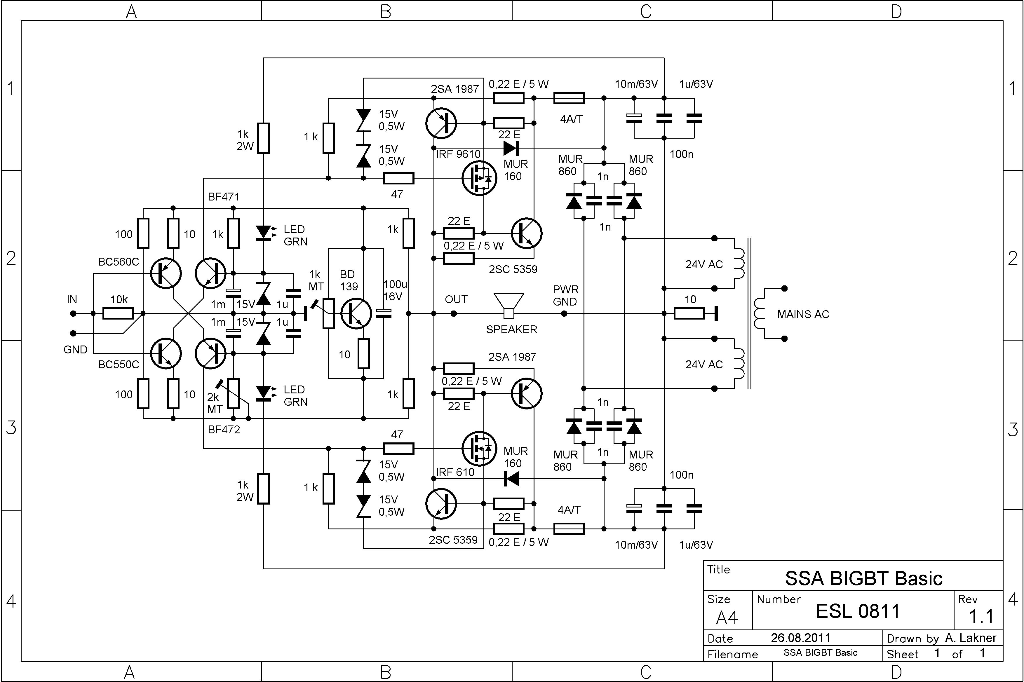
    Упрощённая схема и печать
    SSA BIGBT BASIC 1.1ALL[1].pdfНажмите на изображение для увеличения. 

Название:	SSA BIGBT BASIC 1.1.jpg 
Просмотров:	581 
Размер:	596.7 Кб 
ID:	167435

  18. #18
    Завсегдатай Аватар для .Васильев
    Регистрация
    04.04.2007
    Адрес
    новгородская обл Пестово на Мологе
    Сообщений
    10,818

    По умолчанию Re: Просто Усилитель

    Одно не пойму ,что так сия топология по новой раскручивается? Мода?
    С уважением Максим.

  19. #19
    Завсегдатай Аватар для fakel
    Регистрация
    30.11.2007
    Адрес
    Оренбург
    Возраст
    42
    Сообщений
    11,274

    По умолчанию Re: Просто Усилитель


  20. #20
    Завсегдатай Аватар для .Васильев
    Регистрация
    04.04.2007
    Адрес
    новгородская обл Пестово на Мологе
    Сообщений
    10,818

    По умолчанию Re: Просто Усилитель

    Я схожий предлагал ранее . С весьма высокой скоростью нарастания выходного напряжения. весьма высокой даже по современным меркам
    Миниатюры Миниатюры Нажмите на изображение для увеличения. 

Название:	Усилитель Ностальжи.GIF 
Просмотров:	469 
Размер:	28.3 Кб 
ID:	167437  
    С уважением Максим.

Страница 1 из 2 12 Последняя

Социальные закладки

Социальные закладки

Ваши права

  • Вы не можете создавать новые темы
  • Вы не можете отвечать в темах
  • Вы не можете прикреплять вложения
  • Вы не можете редактировать свои сообщения
  •