Показано с 1 по 5 из 5

Тема: Пикап Fishman Rare Earth Blend - схемы, аналоги...

  1. #1
    Завсегдатай
    Автор темы
    Аватар для Schertler
    Регистрация
    06.04.2012
    Адрес
    Тбилиси, Грузия
    Сообщений
    1,029

    По умолчанию Пикап Fishman Rare Earth Blend - схемы, аналоги...

    Хотелось бы собрать подобный звукосниматель для акустической гитары - магнитный + электретный микрофон (активная система, питание 3 В).


    Информация о магнитной части имеется, но интересно, насколько подойдёт для этой цели петличный микрофон Октава МКЭ-5Б ? и какой низковольтажный преамп с минимальными деталями можно использовать с этим микрофоном? Главные критерии - качество, низкое питание, компактность.



    Спасибо за предложения!

    Последний раз редактировалось Schertler; 09.04.2012 в 21:44.

  2. #2
    Завсегдатай
    Автор темы
    Аватар для Schertler
    Регистрация
    06.04.2012
    Адрес
    Тбилиси, Грузия
    Сообщений
    1,029

    По умолчанию Re: Пикап Fishman Rare Earth Blend - схемы, аналоги...

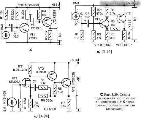
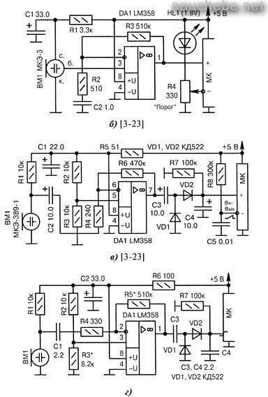
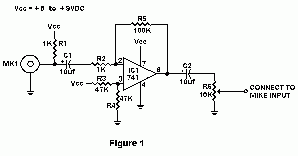
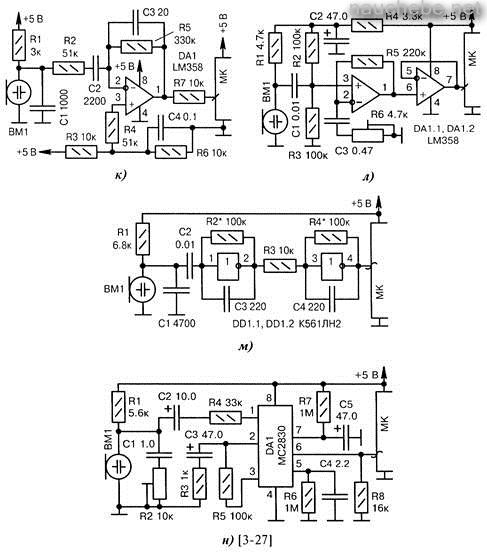
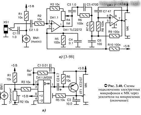
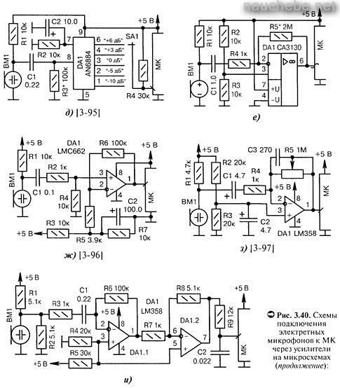
    Было несколько вариантов подобных схем доступных в интернете, полезно было бы услышать коментарий.

    Схемы:

    Нажмите на изображение для увеличения. 

Название:	micOpampPreamp.gif 
Просмотров:	894 
Размер:	2.6 Кб 
ID:	154047 Нажмите на изображение для увеличения. 

Название:	low voltage preamplifier7-1.gif 
Просмотров:	771 
Размер:	7.4 Кб 
ID:	154045 Нажмите на изображение для увеличения. 

Название:	mic_ris06.gif 
Просмотров:	843 
Размер:	14.4 Кб 
ID:	154046 Нажмите на изображение для увеличения. 

Название:	mikschem.gif 
Просмотров:	801 
Размер:	4.6 Кб 
ID:	154048 Нажмите на изображение для увеличения. 

Название:	p30a_f5.gif 
Просмотров:	759 
Размер:	3.8 Кб 
ID:	154049 Нажмите на изображение для увеличения. 

Название:	preamp_3V.jpg 
Просмотров:	784 
Размер:	41.8 Кб 
ID:	154050

    Нажмите на изображение для увеличения. 

Название:	preampli-electret-aubert.gif 
Просмотров:	785 
Размер:	17.6 Кб 
ID:	154051 Нажмите на изображение для увеличения. 

Название:	preamp-opamp.gif 
Просмотров:	840 
Размер:	4.2 Кб 
ID:	154052 Нажмите на изображение для увеличения. 

Название:	МКЭ-100.gif 
Просмотров:	1619 
Размер:	6.7 Кб 
ID:	154053 Нажмите на изображение для увеличения. 

Название:	МКЭ_Op-amp2_nauchebe.net.jpg 
Просмотров:	771 
Размер:	62.2 Кб 
ID:	154054 Нажмите на изображение для увеличения. 

Название:	МКЭ_Op-amp3_nauchebe.net.jpg 
Просмотров:	765 
Размер:	51.6 Кб 
ID:	154055 Нажмите на изображение для увеличения. 

Название:	МКЭ_Op-amp4_nauchebe.net.jpg 
Просмотров:	575 
Размер:	38.2 Кб 
ID:	154056 Нажмите на изображение для увеличения. 

Название:	МКЭ_Op-amp5_nauchebe.net.jpg 
Просмотров:	693 
Размер:	12.8 Кб 
ID:	154057

    Нажмите на изображение для увеличения. 

Название:	МКЭ_Op-amp_nauchebe.net.jpg 
Просмотров:	610 
Размер:	46.7 Кб 
ID:	154058 Нажмите на изображение для увеличения. 

Название:	усил микрофона.png 
Просмотров:	778 
Размер:	3.1 Кб 
ID:	154059


    Спасибо!
    Миниатюры Миниатюры Нажмите на изображение для увеличения. 

Название:	Electret condenser Pre Amplifier  Circuit.jpg 
Просмотров:	734 
Размер:	48.3 Кб 
ID:	154044  

  3. #3
    Завсегдатай
    Автор темы
    Аватар для Schertler
    Регистрация
    06.04.2012
    Адрес
    Тбилиси, Грузия
    Сообщений
    1,029

    По умолчанию Re: Пикап Fishman Rare Earth Blend - схемы, аналоги...

    Пикап-система давно завершена и работает с результатами превосходящими всякие ожидания. Хотелось бы поделиться информацией.

    Хотелось бы поблагодарить Октава за микрофон МКЭ-5Б (петличный, электретный конденсаторный микрофон) и выложить демо-фотографий реплики Фишмановского Fishman Rare Earth Blend пикап-системы для акустической гитары построенной мной c использованием неодимиум редкоземельных магнитных дисков и микрофона МКЭ-5Б и из доступных материалов пластмассы, которая легко поддаётся обработке...

    Данные пикап-системы:

    1. Встроенный микрофон на гусенеке - МКЭ-5Б с миниат. аудио-трансформатором (питание 4,5 В, вкл./выкл.)
    2. Магнитный звукосниматель Single и Hum-canceling опций - выходное сопротивление 3,4 и 1,6 кОм
    --- Неодимиум магнитные диски диаметром 9 мм
    --- Провод обмоток 0,05 (43" AWG)
    --- 3 батарейки LR44
    --- Вес: 70 гр

    Микрофон: для большей естественности звучания, микрофон фиксировать на выходе розетки, можно даже и выступая на 1-3 мм.


    Рекомендую всем любителям акустической гитары (стальные струны).




    Последний раз редактировалось Schertler; 27.08.2013 в 15:09.

  4. #4
    old chap
    Регистрация
    07.10.2007
    Адрес
    Москва
    Возраст
    67
    Сообщений
    11,588

    По умолчанию Re: Пикап Fishman Rare Earth Blend - схемы, аналоги...

    Цитата Сообщение от Schertler Посмотреть сообщение
    Было несколько вариантов подобных схем доступных в интернете, полезно было бы услышать коментарий.

    Схемы:

    Нажмите на изображение для увеличения. 

Название:	micOpampPreamp.gif 
Просмотров:	894 
Размер:	2.6 Кб 
ID:	154047 Нажмите на изображение для увеличения. 

Название:	low voltage preamplifier7-1.gif 
Просмотров:	771 
Размер:	7.4 Кб 
ID:	154045 Нажмите на изображение для увеличения. 

Название:	mic_ris06.gif 
Просмотров:	843 
Размер:	14.4 Кб 
ID:	154046 Нажмите на изображение для увеличения. 

Название:	mikschem.gif 
Просмотров:	801 
Размер:	4.6 Кб 
ID:	154048 Нажмите на изображение для увеличения. 

Название:	p30a_f5.gif 
Просмотров:	759 
Размер:	3.8 Кб 
ID:	154049 Нажмите на изображение для увеличения. 

Название:	preamp_3V.jpg 
Просмотров:	784 
Размер:	41.8 Кб 
ID:	154050

    Нажмите на изображение для увеличения. 

Название:	preampli-electret-aubert.gif 
Просмотров:	785 
Размер:	17.6 Кб 
ID:	154051 Нажмите на изображение для увеличения. 

Название:	preamp-opamp.gif 
Просмотров:	840 
Размер:	4.2 Кб 
ID:	154052 Нажмите на изображение для увеличения. 

Название:	МКЭ-100.gif 
Просмотров:	1619 
Размер:	6.7 Кб 
ID:	154053 Нажмите на изображение для увеличения. 

Название:	МКЭ_Op-amp2_nauchebe.net.jpg 
Просмотров:	771 
Размер:	62.2 Кб 
ID:	154054 Нажмите на изображение для увеличения. 

Название:	МКЭ_Op-amp3_nauchebe.net.jpg 
Просмотров:	765 
Размер:	51.6 Кб 
ID:	154055 Нажмите на изображение для увеличения. 

Название:	МКЭ_Op-amp4_nauchebe.net.jpg 
Просмотров:	575 
Размер:	38.2 Кб 
ID:	154056 Нажмите на изображение для увеличения. 

Название:	МКЭ_Op-amp5_nauchebe.net.jpg 
Просмотров:	693 
Размер:	12.8 Кб 
ID:	154057

    Нажмите на изображение для увеличения. 

Название:	МКЭ_Op-amp_nauchebe.net.jpg 
Просмотров:	610 
Размер:	46.7 Кб 
ID:	154058 Нажмите на изображение для увеличения. 

Название:	усил микрофона.png 
Просмотров:	778 
Размер:	3.1 Кб 
ID:	154059


    Спасибо!
    КФ1407УД4, (TAB1042)
    Для подобных целей лучше всего подходят.

  5. #5
    Завсегдатай
    Автор темы
    Аватар для Schertler
    Регистрация
    06.04.2012
    Адрес
    Тбилиси, Грузия
    Сообщений
    1,029

    По умолчанию Re: Пикап Fishman Rare Earth Blend - схемы, аналоги...

    Цитата Сообщение от subsonic Посмотреть сообщение
    КФ1407УД4, (TAB1042)
    Для подобных целей лучше всего подходят.
    Спасибо! Все эти и многие другие схемы давно уже в компьютере у меня.... в своё время по этой теме я "перерыл" весь интернет..... но я сам поставил ограничение на очень низкое питание до 3 вольт, также, пришлось бы ещё нмало поэкспериментировать с миниатюрным трансформатором, так как я не хотел от него отказываться...... а в конце, полноценно успышав микрофон после увеличения питания на 4,5 вольт, я на том и остановился, и очень рад. Такая же система и в укулеле, звук феноменальный!

Социальные закладки

Социальные закладки

Ваши права

  • Вы не можете создавать новые темы
  • Вы не можете отвечать в темах
  • Вы не можете прикреплять вложения
  • Вы не можете редактировать свои сообщения
  •