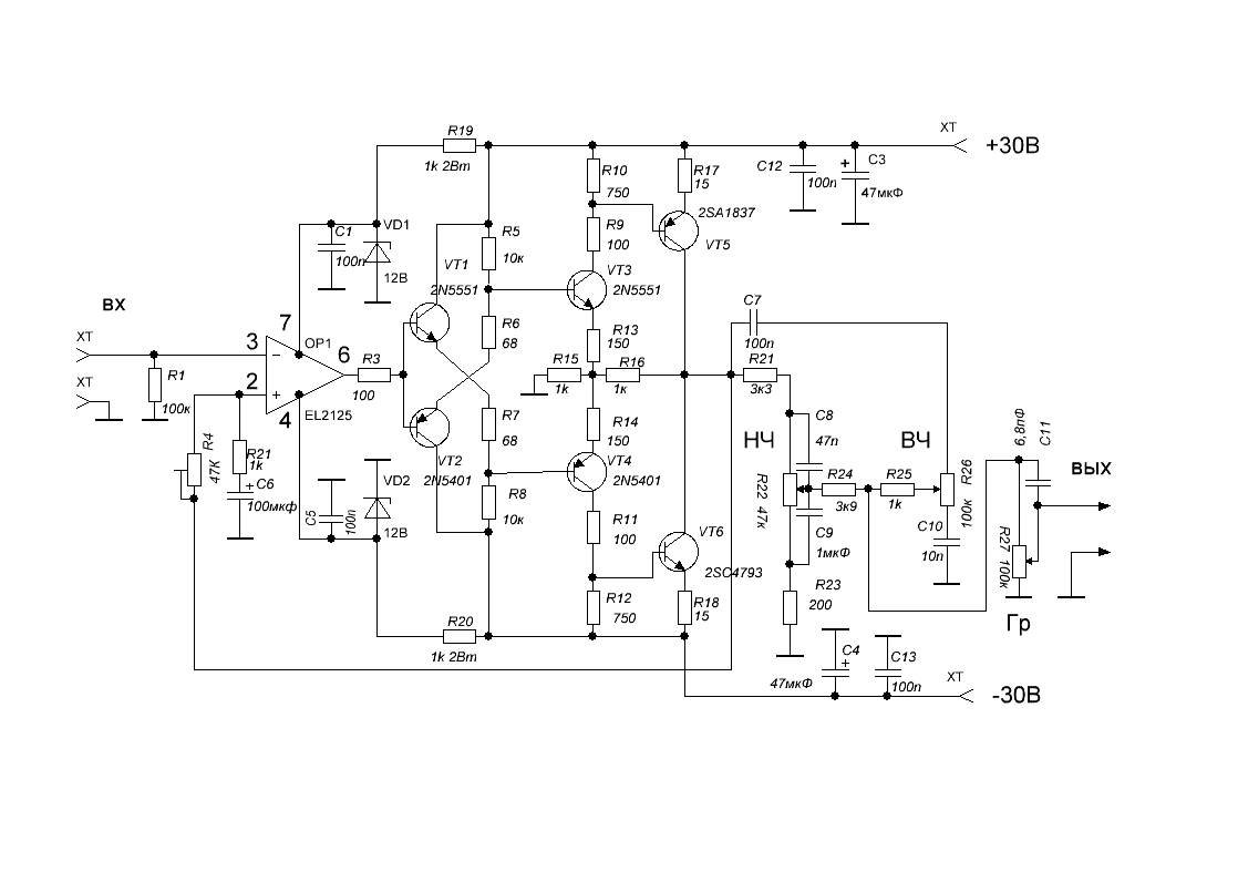
Здравствуйте уважаемые участники форума. Привлекла внимание микросхема EL2125 своими параметрами. Звучит очень достойно, но не могу избавиться от постоянки на выходе. На шестом выводе около 0,5 В, чуть шуршит громкость при регулировке. Использую вот в таком виде.
Социальные закладки