Страница 1 из 2 12 Последняя
Показано с 1 по 20 из 23

Тема: Импульсный 2-полярный ИИП для каменного УМЗЧ

  1. #1
    Новичок
    Автор темы

    Регистрация
    01.04.2007
    Адрес
    г.Киев, Украина
    Возраст
    74
    Сообщений
    40

    По умолчанию Импульсный 2-полярный ИИП для каменного УМЗЧ

    Прорабатываю сейчас возможный заказ на активную портальную акустику ватт на 350...500 (два моноканала). Одно из требований - минимальный вес. Следовательно, трансформаторный БП никак не подойдет. Нужен импульсный. Поскольку сейчас нахожусь на этапе "первого приближения" к задаче, хотелось бы посоветоваться с уважаемым сообществом по ряду вопросов её реализации.

    В результате шастания по разным форумам у меня сложилось твердое убеждение, что ИИП для "каменного" УМЗЧ должен быть либо вообще нестабилизированным, либо стабилизироваться должно каждое плечо независимо одно от другого. Групповая стабилизация не проходит, т.к. при каждой полуволне звукового сигнала отбирается мощность либо от одного плеча, либо от второго. Если бы УМЗЧ был стерео - можно было бы "извратиться" и подать сигнал на каналы в противофазе, снова перевернув его в колонках. Тогда в каждый момент времени мощность отбиралась бы от разных плеч разными каналами. Либо применить мостовой УМЗЧ. Всё равно получается удвоение блоков - либо в УМЗЧ, либо в БП... Так на так приходится.

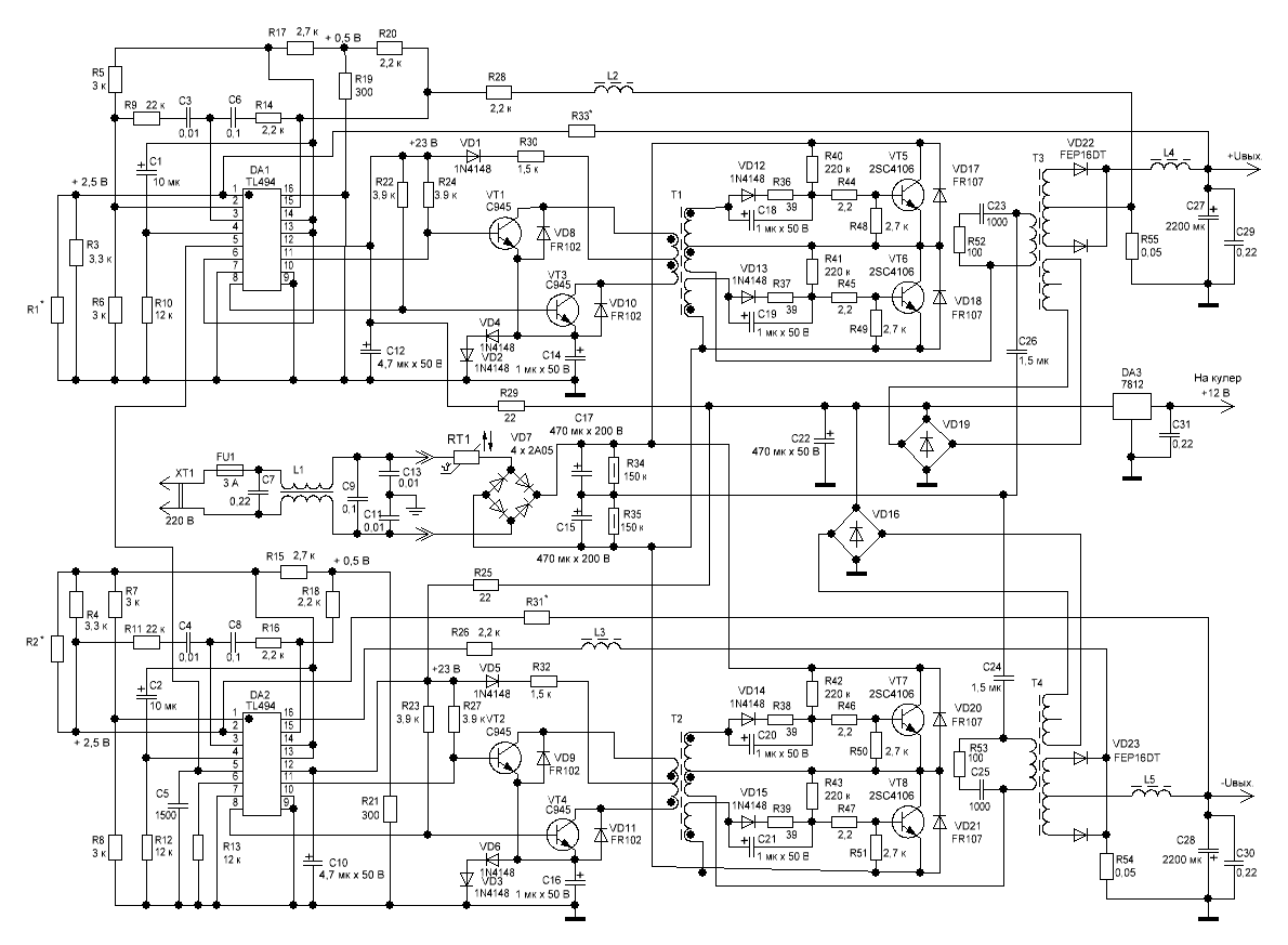
    Но это всё лирика. Теперь - физика. Схема - во вложении.

    Нажмите на изображение для увеличения. 

Название:	ИИП для УМЗЧ.GIF 
Просмотров:	4431 
Размер:	48.9 Кб 
ID:	118219

    Некоторые элементы еще не имеют номиналов, будут уточняться в процессе последующих приближений. Верхнее плечо - плюсовое, нижнее - минусовое. Генераторы обоих микросхем ШИМ засинхронизированы. Общими являются только входные "горячие" цепи. Топология компьютерного БП формата АТ (и так удвоенное к-во активных элементов, добавлять на запуск дежурку с её невысокой надежностью - фи...). Оба канала имеют ограничение максимального выходного тока. Выходные трансформаторы, скорей всего, придется либо перематывать, либо мотать заново. Выходное напряжение - порядка 45...50 В. Ток - порядка 10...12 А. Поскольку оба плеча работают поочередно, средняя мощность - порядка 300...350 Вт на плечо.

    Ваше мнение?

  2. #2
    Старый стал, ленивый Аватар для Starichok
    Регистрация
    02.05.2010
    Адрес
    Псков
    Возраст
    74
    Сообщений
    3,293

    По умолчанию Re: Импульсный 2-полярный ИИП для каменного УМЗЧ


    Offтопик:
    Приветствую тебя на Вегалебе, Алексей. давно ты здесь не появлялся.
    Фарш невозможно провернуть назад,
    И мяса из котлет не восстановишь...

  3. #3
    Старый знакомый Аватар для Alex_Zhuravlyov
    Регистрация
    26.04.2006
    Адрес
    Украина
    Возраст
    46
    Сообщений
    771

    По умолчанию Re: Импульсный 2-полярный ИИП для каменного УМЗЧ

    как по мне, грамотнее сделать ККМ+Полумост, или задача стоит использовать по максимуму комплектующие от компьютерных БП?
    ONtOSbox

  4. #4
    Мимо проходил Аватар для Костя Мусатов
    Регистрация
    05.03.2004
    Адрес
    Москва
    Возраст
    59
    Сообщений
    5,529

    По умолчанию Re: Импульсный 2-полярный ИИП для каменного УМЗЧ

    Не думаю правильным делать два БП, работать будут по-очереди и по-разному. Уж легче сделать сложнее ООС, которая будет брать напряжение для ООС с того плеча, где меньше уровень.
    А вообще, я бы делал PFC + нестабилизированный полумост, желательно синхронный с PFC.
    PFC даст определенную стабилизацию относительно напряжения в сети, а нестабилизированный преобразователь минимальное стабильное выходное сопротивление

  5. #5
    Новичок
    Автор темы

    Регистрация
    01.04.2007
    Адрес
    г.Киев, Украина
    Возраст
    74
    Сообщений
    40

    По умолчанию Re: Импульсный 2-полярный ИИП для каменного УМЗЧ

    2 Alex_Zhuravlyov: Не совсем понял, при чем тут ККМ? А полумостовое и так имеется.

    2 Костя Мусатов: оба инвертора работают синхронно, а не по очереди. Только ширина импульсов ШИМ разная в зависимости от тока нагрузки. Если ООС будет компенсировать просадку напряжения в одном из плеч, то в менее нагруженном оно будет повышаться. Вы считаете, что для УМЗЧ это есть гут?

    И опять же, каким образом ККМ будет стабилизировать напряжение при колебаниях нагрузки? Он всего лишь уменьшит токовую нагрузку на ключи в минимумах пульсаций сетевого напряжения.

    2 лысый: Спасибо за информацию, буду прорабатывать.

  6. #6
    Старый знакомый
    Регистрация
    09.09.2009
    Адрес
    Украина, Донецкая обл.
    Сообщений
    648

    По умолчанию Re: Импульсный 2-полярный ИИП для каменного УМЗЧ

    Цитата Сообщение от Falconist Посмотреть сообщение
    Если ООС будет компенсировать просадку напряжения в одном из плеч, то в менее нагруженном оно будет повышаться. Вы считаете, что для УМЗЧ это есть гут?
    пологаю Вы сможете это услышать, не думаю что стаб. ИБП идеальный вариант.

  7. #7
    Новичок
    Регистрация
    28.03.2011
    Сообщений
    13

    По умолчанию Re: Импульсный 2-полярный ИИП для каменного УМЗЧ

    Цитата Сообщение от Falconist Посмотреть сообщение
    ИИП для "каменного" УМЗЧ должен быть либо вообще нестабилизированным, либо стабилизироваться должно каждое плечо независимо одно от другого.
    Ваше мнение?
    Приветствую Вас! Это типичная проблема для многоканального ИИП. Стабилен только один канал, с которого заведена ОС.
    Красиво решается применением магнитных усилителей (магнитных ключей). Это небольшой дроссель насыщения, с регулируемой схемой точкой возврата по петле. Независимая стабилизация каждого канала за счёт магнитного усилителя в канале, а не за счёт общей ШИМ.
    http://www.mstator.ru/3b.htm
    См. информацию по применению. Ссылка на почтовый ящик старая. Сильно надо, пишите в личку.

  8. #8
    Новичок
    Автор темы

    Регистрация
    01.04.2007
    Адрес
    г.Киев, Украина
    Возраст
    74
    Сообщений
    40

    По умолчанию Re: Импульсный 2-полярный ИИП для каменного УМЗЧ

    Экзотика, однако...

  9. #9
    Старый стал, ленивый Аватар для Starichok
    Регистрация
    02.05.2010
    Адрес
    Псков
    Возраст
    74
    Сообщений
    3,293

    По умолчанию Re: Импульсный 2-полярный ИИП для каменного УМЗЧ

    почему же экзотика. в АТХ БП по этому принципу делается стабилизация канала +3,3 Вольта. стоит слабенький транзистор, и малым током смещает рабочую точку на петле гистерезиса.
    Фарш невозможно провернуть назад,
    И мяса из котлет не восстановишь...

  10. #10
    Новичок
    Автор темы

    Регистрация
    01.04.2007
    Адрес
    г.Киев, Украина
    Возраст
    74
    Сообщений
    40

    По умолчанию Re: Импульсный 2-полярный ИИП для каменного УМЗЧ

    Возможно. Но это будет уже совершенно другая схема.

  11. #11
    Новичок
    Регистрация
    28.03.2011
    Сообщений
    13

    По умолчанию Re: Импульсный 2-полярный ИИП для каменного УМЗЧ

    Цитата Сообщение от Falconist Посмотреть сообщение
    Возможно. Но это будет уже совершенно другая схема.
    Да, нет смысла пристраивать к существующей. В простейшем варианте формируют меандр со скважностью 2 без ШИМ (только с паузами для исключения сквозного тока) без обратной связи с выхода. А регулирование по выходу - с помощью магнитных усилителей в каждом канале. Раздельная стабилизация, раздельная защита по разным уровням тока на выходах, возможна стабилизация по току.

    ---------- Добавлено в 05:38 ---------- Предыдущее сообщение в 05:33 ----------

    Цитата Сообщение от Starichok Посмотреть сообщение
    почему же экзотика. в АТХ БП по этому принципу делается стабилизация канала +3,3 Вольта. стоит слабенький транзистор, и малым током смещает рабочую точку на петле гистерезиса.
    .. на нашем магнитопроводе, который поставляется в Корею, а затем в Китай.
    И в телевизорах тоже есть.

  12. #12
    Новичок
    Автор темы

    Регистрация
    01.04.2007
    Адрес
    г.Киев, Украина
    Возраст
    74
    Сообщений
    40

    По умолчанию Re: Импульсный 2-полярный ИИП для каменного УМЗЧ

    Всё это хорошо, но у меня лично никакого опыта с магнитными усилителями нет. Тратить кучу времени на освоение нового направления при одноразовой задаче считаю нерациональным.

    Есть ли замечания/предложения по предложенной схеме?

  13. #13
    Новичок
    Регистрация
    28.03.2011
    Сообщений
    13

    По умолчанию Re: Импульсный 2-полярный ИИП для каменного УМЗЧ

    Цитата Сообщение от Falconist Посмотреть сообщение
    Всё это хорошо, но у меня лично никакого опыта с магнитными усилителями нет. Тратить кучу времени на освоение нового направления при одноразовой задаче считаю нерациональным.

    Есть ли замечания/предложения по предложенной схеме?
    Согласен и понимаю, все мы ограничены во времени и средствах. Предложенная Вами схема имеет своё назначение. Ещё вариант - линейные стабилизаторы по выходу. Но это потеря КПД и проблемы с теплом.

  14. #14
    Завсегдатай
    Регистрация
    24.12.2007
    Сообщений
    1,410

    По умолчанию Re: Импульсный 2-полярный ИИП для каменного УМЗЧ

    сие
    http://91.201.116.112/acustica/smps/smps1958.html
    гораздо проще и норм питает два моста до 200вт каждый
    а стабилизировать пит двухтактных унч особого смысла и нет, тк они типично по схеме оу сделаны, с огромным подавлением помех по пит

  15. #15
    Новичок
    Автор темы

    Регистрация
    01.04.2007
    Адрес
    г.Киев, Украина
    Возраст
    74
    Сообщений
    40

    По умолчанию Re: Импульсный 2-полярный ИИП для каменного УМЗЧ

    Да, схема хорошая. Но это - первый вариант из озвученных мною в самом первом посте: питание вообще нестабилизированное.

    Пробовал как-то питать одну и ту же схему УМЗЧ от стабилизированного БП и нестабилизированного - разница в звуке слышна "невооруженным ухом". И в Сети встречал информацию, что стабилизация питания сказывается на звуке весьма положительно. Сейчас искать их - слишком долго.

  16. #16
    Завсегдатай
    Регистрация
    24.12.2007
    Сообщений
    1,410

    По умолчанию Re: Импульсный 2-полярный ИИП для каменного УМЗЧ

    стабилизированное хорошо для _линейного питания_
    а вот импульсное, да унч класса ab или b - то чревато слышимостью работы шим имп бп
    уж очень резко гуляет нагрузка на бп при работе унч и шим соответственно постоянно должен на это реагировать

    именно по этому стабилизация в самом бп и не желательна в унч класса аб или б при пит от импульсника

  17. #17
    Забанен (навсегда)
    Регистрация
    20.02.2011
    Адрес
    Владимир
    Возраст
    60
    Сообщений
    1,486

    По умолчанию Re: Импульсный 2-полярный ИИП для каменного УМЗЧ

    Вот интересный случай - кажись сначала стабилизированный чоппер , а потом неуправляемый полумост.
    Однотакт легче стабилизировать.
    страница 61
    (не смог выдрать страницу из pdf файла)
    Вложения Вложения

  18. #18
    Забанен (навсегда)
    Регистрация
    20.02.2011
    Адрес
    Владимир
    Возраст
    60
    Сообщений
    1,486

    По умолчанию Re: Импульсный 2-полярный ИИП для каменного УМЗЧ

    Цитата Сообщение от shost Посмотреть сообщение
    стабилизированное хорошо для _линейного питания_
    а вот импульсное, да унч класса ab или b - то чревато слышимостью работы шим имп бп
    уж очень резко гуляет нагрузка на бп при работе унч и шим соответственно постоянно должен на это реагировать

    именно по этому стабилизация в самом бп и не желательна в унч класса аб или б при пит от импульсника
    Для усилителей с глубокой ОС и симметричным входом (диф.каскад) - питание по "барабану" .
    Стабилизированное конечно лучше , но дороже и сложнее в разработке и настройке.
    Например в муз.центре AIWA -999 , при мощности 2х100Вт в выпрямителе(50Гц) на оба канала стоят всево лишь по одному 3300мкФх63В!

  19. #19
    Завсегдатай
    Регистрация
    24.12.2007
    Сообщений
    1,410

    По умолчанию Re: Импульсный 2-полярный ИИП для каменного УМЗЧ

    это уж крайность тоже
    тк подам на оба канала 30гц 20вт - напруга и свалится (про 100 вт оба канала и речи нет у того унч)

  20. #20
    Забанен (навсегда)
    Регистрация
    20.02.2011
    Адрес
    Владимир
    Возраст
    60
    Сообщений
    1,486

    По умолчанию Re: Импульсный 2-полярный ИИП для каменного УМЗЧ

    Цитата Сообщение от shost Посмотреть сообщение
    это уж крайность тоже
    тк подам на оба канала 30гц 20вт - напруга и свалится (про 100 вт оба канала и речи нет у того унч)
    Сам неверил что 100Вт, осцилографом посмотрел -в музыке в пике более сотки , на 6Ом -родные колонки.
    Раз пробовали на пьянке на 35АС (S-90) 4-омовые запустить - минут 40 на полную работают - далее перекур 10минут - защита по температуре отрабатывала.
    Ааа.... питание +-55в да холстом ходу.При таком стабилизированном - ну 250Вт с канала .
    Посмотри вложение , могу сфоткать остатки нутра , в том году умерла - ....уякнувшись с высоты 1.5метра
    Вложения Вложения

Страница 1 из 2 12 Последняя

Социальные закладки

Социальные закладки

Ваши права

  • Вы не можете создавать новые темы
  • Вы не можете отвечать в темах
  • Вы не можете прикреплять вложения
  • Вы не можете редактировать свои сообщения
  •