Страница 1 из 2 12 Последняя
Показано с 1 по 20 из 31

Тема: Соединение по I2S 50-омным кабелем?

  1. #1
    Старый знакомый
    Автор темы
    Аватар для DenOFF
    Регистрация
    07.01.2010
    Адрес
    Москва
    Возраст
    39
    Сообщений
    568

    По умолчанию Соединение по I2S 50-омным кабелем?

    Всем Доброго времени суток! Есть необходимость соединить по квадратной шине сидюк и цап. Возник вопрос. В инструкции на ЦАП Линкс 24 написано, что соединение не должно быть длиннее 30 см, у меня выходит около метра (80 см примерно). Если я соединюсь коаксиальными посеребрёными кабелями с волновым сопротивлением 50 Ом, сильно это повлияет на качество, и будет ли это лучше обычного плоского шлейфа? ЛВДС приёмники-передатчики ставить пока не хочу, хочется проще
    зы Кабель с военки РК-50... чего-то там.

  2. #2
    Старый знакомый Аватар для Mic Dragon
    Регистрация
    12.11.2007
    Адрес
    С-Петербург
    Возраст
    55
    Сообщений
    601

    По умолчанию Re: Соединение по I2S 50-омным кабелем?

    Под коаксиал тоже потребуются согласованные передатчики и приемники, просто ТТЛ по нему гнать нельзя, а это не будет проще чем LVDS или RS485, плюс 4 толстых кабеля вместо одной витой пары 5 или 6 категории - ЛВДС или 485 (что больше нравится) реально легче.
    С уважением, Михаил Янковский.

  3. #3
    Старый знакомый
    Автор темы
    Аватар для DenOFF
    Регистрация
    07.01.2010
    Адрес
    Москва
    Возраст
    39
    Сообщений
    568

    По умолчанию Re: Соединение по I2S 50-омным кабелем?

    Ясно, а если просто витую пару 6 категории (или 7) пустить на 50-80 см?

  4. #4
    Старый знакомый Аватар для Mic Dragon
    Регистрация
    12.11.2007
    Адрес
    С-Петербург
    Возраст
    55
    Сообщений
    601

    По умолчанию Re: Соединение по I2S 50-омным кабелем?

    Тоже не очень хорошо, но попробовать можно. В каждой паре один провод земля, второй сигнал. Но в целом я за 485, он рассчитан на дифпары, достаточно широкополосен и хорошо давит помехи. ЛВДС из-за избыточной полосы может быть даже хуже, Lynx вроде упоминал про это.
    С уважением, Михаил Янковский.

  5. #5

    По умолчанию Re: Соединение по I2S 50-омным кабелем?


  6. #6
    Старый знакомый
    Автор темы
    Аватар для DenOFF
    Регистрация
    07.01.2010
    Адрес
    Москва
    Возраст
    39
    Сообщений
    568

    По умолчанию Re: Соединение по I2S 50-омным кабелем?

    Wired, Почитал, в общем пробовать надо.

  7. #7

    По умолчанию Re: Соединение по I2S 50-омным кабелем?

    Цитата Сообщение от DenOFF Посмотреть сообщение
    Wired, Почитал, в общем пробовать надо.
    в большинстве случаев, как я заметил, надо пробовать самому то, или иное решение.

    Offтопик:
    как говаривали классики Макрсизма- Ленинизма "практика есть критерий истиньі"
    Последний раз редактировалось Wired; 23.02.2011 в 12:52.

  8. #8
    Старый знакомый
    Автор темы
    Аватар для DenOFF
    Регистрация
    07.01.2010
    Адрес
    Москва
    Возраст
    39
    Сообщений
    568

    По умолчанию Re: Соединение по I2S 50-омным кабелем?

    Это точно. Сейчас посмотрю доступность кабеля 7 категории, помню 2 года назад, когда делал ХДМИ кабель с доставаемостью проблемы были.

    ---------- Добавлено в 12:49 ---------- Предыдущее сообщение в 12:46 ----------

    Что скажете про этот кабель? http://www.alphanets.ru/11023.html

  9. #9
    Усидчивый Аватар для AS79
    Регистрация
    21.07.2004
    Адрес
    Ярославль
    Возраст
    73
    Сообщений
    1,105

    По умолчанию Re: Соединение по I2S 50-омным кабелем?

    На днях настраивал ЦАП, подключенный по шине I2S через ADM1485. Кабель FTP 5 CAT на синусе при разных уровнях все ОК, а на муз. сигнале треск. Заменил кабель на UTP 5 CAT и все в порядке. Длина примерно 80 см.

    ---------- Добавлено в 14:19 ---------- Предыдущее сообщение в 14:16 ----------

    Цитата Сообщение от DenOFF Посмотреть сообщение
    соединение не должно быть длиннее 30 см
    Из опыта-на CD сигналы до ADM 20 см витой парой дают треск.
    Александр.
    Победа будет за нами.

  10. #10
    Завсегдатай
    Регистрация
    07.04.2007
    Адрес
    Мариуполь
    Возраст
    54
    Сообщений
    1,111

    По умолчанию Re: Соединение по I2S 50-омным кабелем?

    Нам давно сделали подарок для подключения по I2S - кабель HDMI, коих полно в любой посудной лавке. Разъемов тоже. Чего еще нужно?

  11. #11

    По умолчанию Re: Соединение по I2S 50-омным кабелем?

    Цитата Сообщение от vd_two Посмотреть сообщение
    Чего еще нужно?
    принять какой то стандарт распайки, чтобы местные разработчики цапов делали одинаковую распайку, впаивая его в плату.

  12. #12
    Завсегдатай Аватар для Serge_L
    Регистрация
    12.09.2008
    Адрес
    Калуга
    Возраст
    50
    Сообщений
    3,174

    По умолчанию Re: Соединение по I2S 50-омным кабелем?

    vd_two, я как-то не вдавался, там ведь 4 диф пары плюс i2c вроде как?
    Это просто джиттер какой-то! (с) momitko

  13. #13
    Новичок
    Регистрация
    23.09.2006
    Сообщений
    19

    По умолчанию Re: Соединение по I2S 50-омным кабелем?

    Цитата Сообщение от митяич Посмотреть сообщение
    принять какой то стандарт распайки...
    Буржуи предлагают:
    http://www.diyaudio.com/forums/digit...-ps-audio.html

  14. #14
    Завсегдатай
    Регистрация
    07.04.2007
    Адрес
    Мариуполь
    Возраст
    54
    Сообщений
    1,111

    По умолчанию Re: Соединение по I2S 50-омным кабелем?

    Цитата Сообщение от Serge_L Посмотреть сообщение
    vd_two, я как-то не вдавался, там ведь 4 диф пары плюс i2c вроде как?
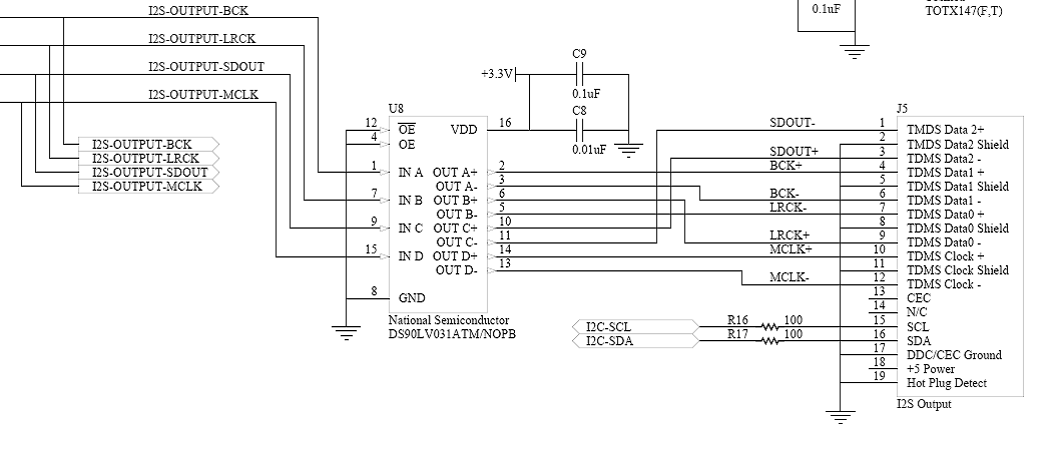
    Да, там четыре витых пары индивидуально экранированных + несколько дополнительных проводков (можно использовать для флагов эмфазиса, выбора кратности/частоты дискретизации и т.д.)
    aluma, спасибо! И правильно предлагают! Тем более, что этот вариант от PS Audio уже применяется в серийном продукте и со временем может стать стандартным. На этом можно и остановиться. Я уже об этом не первый раз пишу...

    Нажмите на изображение для увеличения. 

Название:	PSAudio_I2S.png 
Просмотров:	1209 
Размер:	74.9 Кб 
ID:	115536
    Последний раз редактировалось vd_two; 24.02.2011 в 17:25.

  15. #15
    Частый гость Аватар для ozzy-911
    Регистрация
    28.12.2006
    Адрес
    ЛукаЦарство
    Сообщений
    321

    По умолчанию Re: Соединение по I2S 50-омным кабелем?

    такой ?

  16. #16
    Завсегдатай
    Регистрация
    07.04.2007
    Адрес
    Мариуполь
    Возраст
    54
    Сообщений
    1,111

    По умолчанию Re: Соединение по I2S 50-омным кабелем?

    Он самый- но лучше в целом виде, думаю что монтаж разъемов счастливых минут в жизни не добавит...

  17. #17
    Старый знакомый Аватар для Electrovoicer
    Регистрация
    03.06.2009
    Адрес
    СПб
    Сообщений
    758

    По умолчанию Re: Соединение по I2S 50-омным кабелем?

    уже более двух лет использую, но немного иначе. обозвал для себя MusicWire
    схема входной части ЦАПа
    суть в следующем:
    1. вместо I2S используется SPI, что позволяет с меньшими затратами управлять различными аудио-чипами
    2. предусмотрен сигнал RESET
    3. предусмотрен сигнал MUTE
    4. внимание: экраны дифференциальных пар подключены не к земле, а к потенциалу 1/2 Vdd приемника, что позволяет на стороне передатчика использовать для гальванической развязки широкополосные трансформаторы со средним отводом от вторичной обмотки. средний отвод подключен к экранам дифференциальных пар. таким образом задается правильный режим по постоянному току микросхемы приемника

  18. #18
    Завсегдатай Аватар для Pyku_He_oTTyda
    Регистрация
    22.06.2005
    Адрес
    Москва
    Возраст
    52
    Сообщений
    4,606

    По умолчанию Re: Соединение по I2S 50-омным кабелем?

    aluma, не могли бы вы перетащить картинку оттуда сюда? Я на diyaudio не зарегестрирован, а посмотреть очень интересно.
    Цитата Сообщение от aluma Посмотреть сообщение
    Лично я в своих конструкциях применяю такие:
    http://www.brownbear.ru/goods/32.html
    Нажмите на изображение для увеличения. 

Название:	005033.jpg 
Просмотров:	482 
Размер:	8.4 Кб 
ID:	115535
    Андрей

  19. #19
    Завсегдатай
    Регистрация
    07.04.2007
    Адрес
    Мариуполь
    Возраст
    54
    Сообщений
    1,111

    По умолчанию Re: Соединение по I2S 50-омным кабелем?

    Цитата Сообщение от Pyku_He_oTTyda Посмотреть сообщение
    aluma, не могли бы вы перетащить картинку оттуда сюда?
    Добавил в пост 14

  20. #20
    Старый знакомый
    Автор темы
    Аватар для DenOFF
    Регистрация
    07.01.2010
    Адрес
    Москва
    Возраст
    39
    Сообщений
    568

    По умолчанию Re: Соединение по I2S 50-омным кабелем?

    Хороший ХДМИ кабель не дешёвый, я вот склоняюсь всё же в сторону витой пары 8-й категории, из моей ссылки.

Страница 1 из 2 12 Последняя

Социальные закладки

Социальные закладки

Ваши права

  • Вы не можете создавать новые темы
  • Вы не можете отвечать в темах
  • Вы не можете прикреплять вложения
  • Вы не можете редактировать свои сообщения
  •